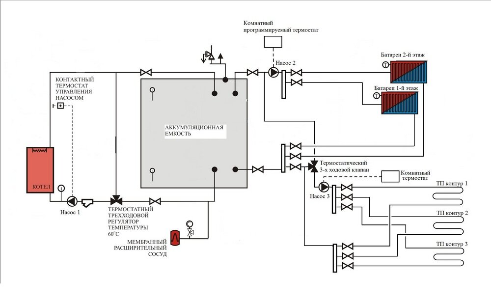
Yaroslav N Опубліковано: 12 грудня 2014 Поділитись Опубліковано: 12 грудня 2014 (змінено) Первое сообщение буду периодически дополнять. Котлом пользуюсь уже несколько лет. Решил сделать небольшой отчет - может кому пригодится. Система: ТТ котел Kalvis 2-20, теплоаккумулятор 500л, 1 контур на батареи, 1 на теплые полы. 1. Контур ТТ-ТА. Циркуляционный насос на обратке подает воду в котел. Перед насосом был установлен термостатический смесительный клапан ESBE VTC 311. В прошлом году при отключении эл. энергии (стоял слабый бесперебойник) котел перегрелся и клапан вышел из строя. Внутренности были вытянуты и он сейчас выполняет роль тройника. На выходе из котла установлен контактный термостат BRC, который вкл/выкл подачу воды в котел. Логика работы: при розжиге (котел холодный) насос не работает; котел прогрелся, вода на выходе 65С - включается насос; дрова прогорели - насос выключился. Термостат помогает поддерживать котел горячим, чтобы было меньше конденсата. Кроме того, когда дрова погасли заслонка подачи воздуха полностью открывается - котел работает в режиме вытяжки и быстро остывает. Если не остановить циркуляцию между ТТ и ТА - то котел будет забирать тепло из ТА. 2. Контур на радиаторы. Система двутрубная, через гребенку отдельная подача на первый и второй этаж. Подача теплоносителя регулируется комнатным недельным термостатом (ссылка устарела) (заказывался с amazon.com) Термостат установлен на лестничном пролете между первым и вторым этажом. В остальных комнатах температура выставляется вручную обычным краном, но +/- такая же как выставлена на термостате. До установки термостата подача работала все время, дом перегревался, дрова быстро сгорали и дом остывал. После установки температура держится строго заданная и загрузки котла хватает дольше. Сразу обращаю внимание на то, что не каждый термостат может включать/выключать насос (индуктивную нагрузку). Так что при выборе обязательно посмотрите характеристики термостата. 3. Теплые полы. Дом еще не полностью закончен, поэтому ТП еще не работают. Выполнены из металлопластиковой трубы с утолщенной стенкой 16х2,25. 3 контура, общая длина трубы 150м. Насос на подачу будет работать также от комнатного термостата. Ротаметров на каждый контур не ставил, буду пробовать вручную выставить. Для поддержания заданной температуры теплоносителя в ТП используется темостатический смесительный клапан ESBE (какой именно уточню позже). 4. ИБП Раньше пробовал использовать обычный компьютерный ИБП и к нему подключал автомобильный аккумулятор - не советую. В этом году особо остро стал вопрос электроснабжения, еще летом был куплен гибридный бензиново-газовый генератор (ссылка устарела). Потом еще немного поразмыслив был куплен ИБП (ссылка устарела) и к нему внешний гелевый аккумулятор EverExceed MARINE Gel Range емкостью 100ач. Емкость подбиралась такая, чтобы ИБП продержал циркуляционный насос в течении 8-ми часов - одну полную загрузку котла. Сейчас, с постоянными отключениями по несколько раз в день аккумулятор держит и еще не разряжался более чем на треть. Благодаря ИБП генератор еще ни разу не приходилось запускать. Да и экономически не выгодно при нагрузке в 100Вт включать генератор. Все делалось с отцом вдвоем. Когда начинали - мало что в этом понимали. Змінено 12 грудня 2014 користувачем Yaroslav N 6 Посилання на коментар Поділитися на інших сайтах More sharing options...
Oleg9293 Опубліковано: 12 грудня 2014 Поділитись Опубліковано: 12 грудня 2014 Какая площадь дома отапливается? Посилання на коментар Поділитися на інших сайтах More sharing options...
2234424 Опубліковано: 12 грудня 2014 Поділитись Опубліковано: 12 грудня 2014 Подпишусь, почитаю, интересно. Посилання на коментар Поділитися на інших сайтах More sharing options...
Yaroslav N Опубліковано: 12 грудня 2014 Автор Поділитись Опубліковано: 12 грудня 2014 Отапливаемая площадь около 130м + котельная 10м. Общая - 185м. Дом кирпичный с воздушной прослойкой, цоколь - фундаментные блоки. В следующем году будем утеплять. 1 Посилання на коментар Поділитися на інших сайтах More sharing options...
Crazy Опубліковано: 13 грудня 2014 Поділитись Опубліковано: 13 грудня 2014 .... Все делалось с отцом вдвоем. Когда начинали - мало что в этом понимали. ЦК насос перед ТА установлен неправильно поверните его на 90 градусов. Посилання на коментар Поділитися на інших сайтах More sharing options...
Yaroslav N Опубліковано: 13 грудня 2014 Автор Поділитись Опубліковано: 13 грудня 2014 ЦК насос перед ТА установлен неправильно поверните его на 90 градусов. [ATTACH]402378[/ATTACH] Не понимаю что не так. У меня вариант как на картинке - первый ряд, четвертая картинка: горизонтальный участок трубопровода, эл. двигатель сбоку от рабочего колеса, клеммная коробка сверху. Посилання на коментар Поділитися на інших сайтах More sharing options...
Crazy Опубліковано: 13 грудня 2014 Поділитись Опубліковано: 13 грудня 2014 Не понимаю что не так. У меня вариант как на картинке - первый ряд, четвертая картинка: горизонтальный участок трубопровода, эл. двигатель сбоку от рабочего колеса, клеммная коробка сверху. Ясно, он у вас повернут в другую сторону. Посилання на коментар Поділитися на інших сайтах More sharing options...
Yaroslav N Опубліковано: 14 грудня 2014 Автор Поділитись Опубліковано: 14 грудня 2014 В продолжение темы: Дымоход Дымоход - наружный, теплый. От котла на улицу выходит труба под углом 45 градусов. Не советую так делать - конденсат, который образуется в дымовой трубе частично стекает в котел. Лучше выход через стенку в наружный дымоход делать горизонтальным. Внизу наружной части дымохода есть ревизия и капельник. Ревизия в дымоходе обязательна. Его тоже периодически приходится чистить от налета. Капельник периодически забивается тем самым налетом и в дымоходе собирается конденсат. В результате конденсат вытекает через все возможные щели. Поэтому под дымоходом установлена воронка и сделан дренаж в дренажную систему участка. На фото под дымоходом видны следы от луж конденсата, но сейчас эта проблема уже решена. Только 1 раз в месяц прочищаю капельник и выгребаю то что нападало. Навес После сезона протопки полусырыми дровами было принято решение сделать навес для дров и запасаться заранее, чтобы успели высохнуть. За сезон уходит 4-4,5 ЗИЛа дубовых дров, соответственно навес делался так, чтобы это добро поместилось. В котельной помещается запас дров на 2 недели. 3 Посилання на коментар Поділитися на інших сайтах More sharing options...
Pers@ Опубліковано: 27 січня 2015 Поділитись Опубліковано: 27 січня 2015 Скажите, а какой трубой и какого диаметра выполнена обвязка? Посилання на коментар Поділитися на інших сайтах More sharing options...
Yaroslav N Опубліковано: 28 січня 2015 Автор Поділитись Опубліковано: 28 січня 2015 Скажите, а какой трубой и какого диаметра выполнена обвязка? Между котлом и ТА - металл, диаметр по патрубкам котла, вроде 1 1/2". От ТА еще 1,5 метра металла, потом гребенки и металлопластик. Посилання на коментар Поділитися на інших сайтах More sharing options...
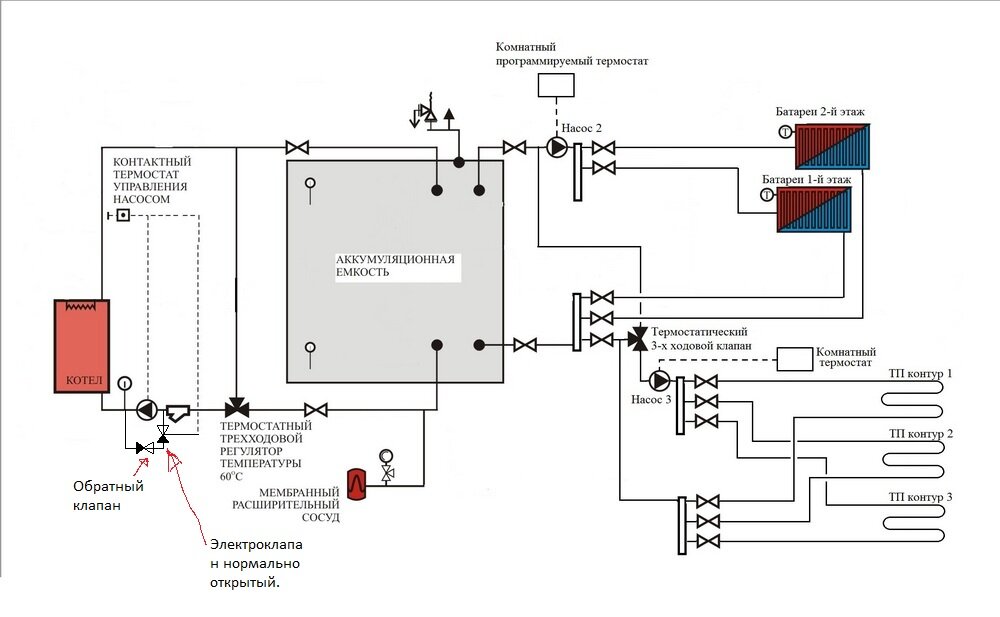
Pers@ Опубліковано: 30 січня 2015 Поділитись Опубліковано: 30 січня 2015 Предлагаю сделать байпасную линию вокруг насоса контура ТТ-ТА с обратным клапаном и электроклапаном нормальнооткрытым. Насос подключается на 3-й контакт термостата BRC, а электромагнитный клапан на 2-й. Таким образом получаем при температуре ниже 65 градусов на подаче ТТ, насос выключен, электромагнитный клапан закрыт, при достижении температуры в подаче 65 гр и выше насос включается, питание с электроклапана снимается, он открывается, насос задавливает обратный клапан - циркуляция через байпасную линию не происходит. При исчезновении напряжения насос отключается, электроклапан остается в открытом положении - происходит естествиная циркуляция в контуре ТТ-ТА через байпасную линию насоса. В результате ТТ отдает температуру ТА, что предотвращает перегрев ТТ. Думаю схема имеет право на жизнь, интересует мнение специалистов. Посилання на коментар Поділитися на інших сайтах More sharing options...
silverneo Опубліковано: 16 жовтня 2015 Поділитись Опубліковано: 16 жовтня 2015 Классный котел,третий день топлю,аж дюже нравится,хоть и дорогой аппарат но своих денег стоит,и что самое интересное топлю строительной сосновой обрезью,старыми досками,тырсой от бензопилы,корой,короткими кусками дров которые остаются от торцовки дров в размер,привезли зараза от 1м до 1.6м бревна хоть заказывал по 1.10м,так вот дым видно только во время растопки,после выхода на режим дым отсутствует,аж странно,догорает вся шмаль,теплообменник чистый,правда он у меня дубасит на ТА 1.6м3 на полную мощь. Посилання на коментар Поділитися на інших сайтах More sharing options...
Рекомендовані повідомлення
Створіть акаунт або увійдіть у нього для коментування
Ви маєте бути користувачем, щоб залишити коментар
Створити акаунт
Зареєструйтеся для отримання акаунта. Це просто!
Зареєструвати акаунтУвійти
Вже зареєстровані? Увійдіть тут.
Увійти зараз