Александр _ Васильков Опубліковано: 18 березня 2015 Поділитись Опубліковано: 18 березня 2015 Но очень и очень предсказуемо. НИКОГДА не порекомендую так делать, насмотрелся. А Вы, конечно же, делайте как хотите. Кхм. Ужели. А как же тогда котел не корродирует? Из-за протока воды? Посилання на коментар Поділитися на інших сайтах More sharing options...
Korni Опубліковано: 18 березня 2015 Поділитись Опубліковано: 18 березня 2015 А как же тогда котел не корродирует? Из-за протока воды? Так и бойлер ГВС с тенами тоже не корродирует Если использовать электронагрев, то с ТА, специально оборудованные для электротенов (с фланцами для чистки). (ссылка на изображение устарела) Посилання на коментар Поділитися на інших сайтах More sharing options...
dm76 Опубліковано: 18 березня 2015 Автор Поділитись Опубліковано: 18 березня 2015 Озвучте будь ласка площу будинка і тепловтрати, якщо пораховані. А також скільки грошей платити за електроенергію помісячно. Дуже важлива інформація! Я там гілку відкрив про способи опалення. Порахував для електрики, газу, комбінованого випадку. Ще хочу прорахувати для комбінації електрокотел + теплоакумолятор. Площадь дома 190м.кв. Гараж пока не отапливается (30м.кв.) Котел подключил в ноябре. Первый этаж водяные теплые полы (кухня,зал,туалет,коридор) около 70м кв. Батареи на первом этаже не включал, думаю зря установил,хватает теплых полов. На втором этаже батареи. Воду в систему нагревал не больше 40градусов, обычно 35. Дом пока не жилой, занимался внутренней отделкой, ламинат, обои, плитка. Температура держалась в районе 18градусов. Теплопотери дома не считал, пирог стены 40см. газоблок 500плотности, фасадная вата 5см., короед. Крыша 20см.вата Термолайф 35плотности, доска 30мм. Чердак не отапливаемый. Окна Рехау, пакет с к стеклом. Пол бетонная монолитная плита по грунту 15см, пенополистирол 5см. водяной пол стяжка. По счетам за свет. Декабрь 481грн. Январь 772. Февраль 602грн. Думаю если бы подключил на котел программатор было бы меньше. Сразу не подключил, потому что спец с Протерма сказал, что не будет тогда гарантии (у меня программатор Ауторан 2030безпроводной. Но завтра постараюсь подключить. По поводу нагрева буферной емкости эл.котлом пока сказать ни чего не могу. Добавлено через 8 минут А подключение от продов на столбе или отдельный кабель с ТП. Спрашиваю, бо мне внушали, что со столбов больше 16 квт нельзя. У вас 40А это получается 25квт на входе. От ТП к моему дому идет отдельный кабель. ТП частная. Успел получить ТУ на 20кВт. в марте2013года. Подключился только в сентябре 2014. На ТП скидывались с соседями, оформили на одного человека. Линия за мой счет в подарок Обленерго. По требованию РЕСа повесили кабель 50квадратов. Вот я один на нем и сижу, и дальше буду сидеть один, так как ТП отдавать РЕСу мы не будем, а мощности уже разобраны. Добавлено через 3 минуты Реальность будет другая Прям как у меня- и коственик, и фильтр ... Добавлено через 5 минут Как вариант, я бы всунул 5квт тэн прямо в ТА. Естественно предварительно посчитать токи по фазам. А зачем тогда эл. котел? 2 Посилання на коментар Поділитися на інших сайтах More sharing options...
Korni Опубліковано: 18 березня 2015 Поділитись Опубліковано: 18 березня 2015 .... (у меня программатор Ауторан 2030безпроводной. ... Минимум 25% экономии. 1 Посилання на коментар Поділитися на інших сайтах More sharing options...
Александр _ Васильков Опубліковано: 19 березня 2015 Поділитись Опубліковано: 19 березня 2015 От ТП к моему дому идет отдельный кабель. ТП частная. Успел получить ТУ на 20кВт. в марте2013года. Подключился только в сентябре 2014. На ТП скидывались с соседями, оформили на одного человека. Линия за мой счет в подарок Обленерго. По требованию РЕСа повесили кабель 50квадратов. Вот я один на нем и сижу, и дальше буду сидеть один, так как ТП отдавать РЕСу мы не будем, а мощности уже разобраны. Съедает любопытство, извините, но очень интерсно. Какой порядок цифр в деньгах? А зачем тогда эл. котел? Была думка, чтобы не ганять насос на котле и сам котел, и не переделывать СО. Греть воду прямо в ТА. Но, действительно, может быть коррозия ТА. У меня есть пример удачного использование тэна в бочке. Не один год уже работает, но может мне просто повезло с водой. Посилання на коментар Поділитися на інших сайтах More sharing options...
master-joda Опубліковано: 19 березня 2015 Поділитись Опубліковано: 19 березня 2015 Да, альбом тут - Электроотопление ночной тариф, ТА, какркасник на УШП, Счастливое Очень любопытно Korni,нотом Самсунг искали утечку,что за девайс? Не в обиду Посилання на коментар Поділитися на інших сайтах More sharing options...
ekoteplo Опубліковано: 19 березня 2015 Поділитись Опубліковано: 19 березня 2015 Кхм. Ужели. А, кхм, что происходит в замкнутой системе, где одна и та же вода не меняется на протяжении 10-ти лет? И да, чем в этом плане пара "электрокотел + ТА" отличается от "ТЭН+ТА"? 2 Посилання на коментар Поділитися на інших сайтах More sharing options...
Korni Опубліковано: 19 березня 2015 Поділитись Опубліковано: 19 березня 2015 Да, альбом тут - Электроотопление ночной тариф, ТА, какркасник на УШП, Счастливое Очень любопытно Korni,нотом Самсунг искали утечку,что за девайс? Не в обиду Телекамера. В каналии оказалась монтажная пена, а втрубе (камера помещается внутри 16-й трубы) - шуруп (%D1%81%D1%81%D1%8B%D0%BB%D0%BA%D0%B0%20%D0%BD%D0%B0%20%D0%B8%D0%B7%D0%BE%D0%B1%D1%80%D0%B0%D0%B6%D0%B5%D0%BD%D0%B8%D0%B5%20%D1%83%D1%81%D1%82%D0%B0%D1%80%D0%B5%D0%BB%D0%B0) 1 Посилання на коментар Поділитися на інших сайтах More sharing options...
dm76 Опубліковано: 21 березня 2015 Автор Поділитись Опубліковано: 21 березня 2015 Съедает любопытство, извините, но очень интерсно. Какой порядок цифр в деньгах? Больше 8т вечно зеленых. Посилання на коментар Поділитися на інших сайтах More sharing options...
dm76 Опубліковано: 22 березня 2015 Автор Поділитись Опубліковано: 22 березня 2015 Через врезка + ОК, 22-й медью.А еще один вопрос. ОК (2шт) ставить только на подачу в буферную емкость через тройник на американки ? А на обратке же он(они) работать не будет? А как же тогда, при нагреве электро котлом, с буфера обратка будет поступать только в эл. котел, вода же будет продавливаться и в обратку ТТ котла, ну и соответственно наоборот, при работе ТТ котла насос Ладомата будет давить обратку с буфера в обратку эл.котла. Посилання на коментар Поділитися на інших сайтах More sharing options...
Korni Опубліковано: 22 березня 2015 Поділитись Опубліковано: 22 березня 2015 А еще один вопрос. ОК (2шт) ставить только на подачу в буферную емкость через тройник на американки ? А на обратке же он(они) работать не будет? А как же тогда, при нагреве электро котлом, с буфера обратка будет поступать только в эл. котел, вода же будет продавливаться и в обратку ТТ котла, ну и соответственно наоборот, при работе ТТ котла насос Ладомата будет давить обратку с буфера в обратку эл.котла. Если Вы хотите получить рекомендацию, то пожалейте чужие мозги и нарисуйте схему. Же. Посилання на коментар Поділитися на інших сайтах More sharing options...
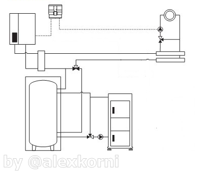
dm76 Опубліковано: 22 березня 2015 Автор Поділитись Опубліковано: 22 березня 2015 Схема подключения у меня такая. Эл.котел хочу подключить , как Вы и посоветовали, через врезку в трубы подачи и обратки от котла в буферную емкость. Ну типа как там подключен бойлер к.н. Посилання на коментар Поділитися на інших сайтах More sharing options...
dm76 Опубліковано: 23 березня 2015 Автор Поділитись Опубліковано: 23 березня 2015 Ну примерно так. Извините за профессиональную схему Посилання на коментар Поділитися на інших сайтах More sharing options...
Korni Опубліковано: 23 березня 2015 Поділитись Опубліковано: 23 березня 2015 [ATTACH]423209[/ATTACH] Ну примерно так. Извините за профессиональную схему Да, правильно. Но может просто воткнуть ЭК прямо в буфер? В свободные патрубки. 1 Посилання на коментар Поділитися на інших сайтах More sharing options...
dm76 Опубліковано: 23 березня 2015 Автор Поділитись Опубліковано: 23 березня 2015 Но может просто воткнуть ЭК прямо в буфер? В свободные патрубки. Да там только два входа 1 1/4 и два 1/2 для термометров. Так обратка будет нормально работать без обратных клапанов? Посилання на коментар Поділитися на інших сайтах More sharing options...
Korni Опубліковано: 23 березня 2015 Поділитись Опубліковано: 23 березня 2015 Да там только два входа 1 1/4 и два 1/2 для термометров. Так обратка будет нормально работать без обратных клапанов? У Вас всё правильно нарисовано. 2 Посилання на коментар Поділитися на інших сайтах More sharing options...
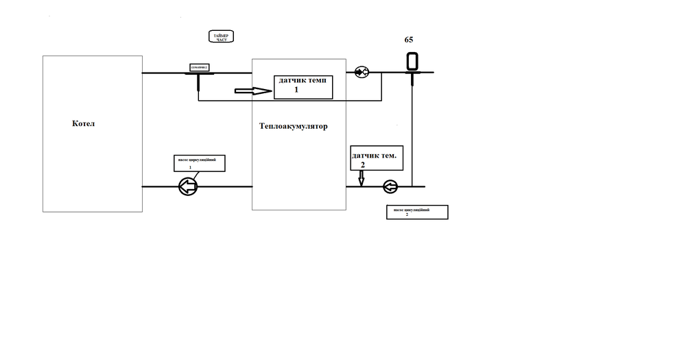
dm76 Опубліковано: 10 січня 2016 Автор Поділитись Опубліковано: 10 січня 2016 Продолжу тему, может кому то будет интересно. Эл котел к теплоаккумулятору подключил стальной трубой 3/4, врезал газосваркой в трубы 1 1/4 от ТТ котла к бочке. На вход и выход из эл котла поставил два трехходовых крана L типа Валтек, что бы была возможность подавать тепло либо сразу в систему отопления, либо в бочку для нагрева. Из теплоаккумулятора вода в СО подается через 3х ходовой Хаймаер с термоголовкой и выносным теплодатчиком. Котел включается программатором с 23:00 до 7:00. за ночь бочка нагревается до 80градусов. На обогрев дома и нагрев бочки 750л уходит 80-85 кВат. Насос на СО отопления включается по таймеру в 17 часов. При температуре подачи воды 40градусов 750 литров хватает на 5часов отопления. Температура в доме около 20гр. В новогодние морозы подтапливал ТТ котлом, в доме тепло. Основная задача, максимально использовать ночной тариф выполнена. 1 Посилання на коментар Поділитися на інших сайтах More sharing options...
jarik_k Опубліковано: 11 січня 2016 Поділитись Опубліковано: 11 січня 2016 Допоможіть зробити так, щоб працювало правильно! Хочу щоб в ночі котел працював на нагрів, а вдень якщо тепла не буде вистачати грів тільки систему! Зробив схему! Підкоректуйте! Посилання на коментар Поділитися на інших сайтах More sharing options...
Pr_Woland Опубліковано: 16 січня 2016 Поділитись Опубліковано: 16 січня 2016 Допоможіть зробити так, щоб працювало правильно! Хочу щоб в ночі котел працював на нагрів, а вдень якщо тепла не буде вистачати грів тільки систему! Зробив схему! Підкоректуйте! Теж дуже цікавить дане питання, як грамотно організувати дану схему. В моєму виконанні вона виглядає надто громіздкою. Тому задумався над її доцільністю. Яка різниця куди буде віддавати тепло котел: в ТА, а вже потім на споживачі чи одразу на споживачі ? Все одно кількість тепла буде таж сама (за мінусом тепловтрат ізоляції ТА) лише більш інертною його розподілення та передача. Прохання до спеціалістів прокоментувати як на практиці підтверджуються дані припущення. 1 Посилання на коментар Поділитися на інших сайтах More sharing options...
Korni Опубліковано: 16 січня 2016 Поділитись Опубліковано: 16 січня 2016 Допоможіть зробити так, щоб працювало правильно! Хочу щоб в ночі котел працював на нагрів, а вдень якщо тепла не буде вистачати грів тільки систему! Зробив схему! Підкоректуйте! Не надо там байпас. Пусть всё время идёт через ТА. Если уж захочеться 3хходовик, то по-другому лучше сделать. Тут поройтесь - Где поставить гидрострелку? 1 Посилання на коментар Поділитися на інших сайтах More sharing options...
Korni Опубліковано: 16 січня 2016 Поділитись Опубліковано: 16 січня 2016 ....Яка різниця куди буде віддавати тепло котел: в ТА, а вже потім на споживачі чи одразу на споживачі ? Все одно кількість тепла буде таж сама (за мінусом тепловтрат ізоляції ТА) лише більш інертною його розподілення та передача.... Ставлю 5 ! 1 Посилання на коментар Поділитися на інших сайтах More sharing options...
Pr_Woland Опубліковано: 16 січня 2016 Поділитись Опубліковано: 16 січня 2016 Korni Дякую за оперативну та кваліфіковану відповідь. Підкажіть будь-ласка іще один момент стосовно електротена в ТА.Наскільки я зрозумів інтенсивна корозія в ТА викликана в даному випадку наявністю певних солей у воді. В мене існує можливість залити в систему воду після очистки зворотнім осмосом. Вода абсолютно не містить солей, навіть струм не проводить. На практиці це допоможе уникнути корозії ? (ТА оцинкований) Чи на неї зможуть суттєво вплинути наявні в системі елементи з чорного металу (ТТ котел, труби від котла до ТА) ? Посилання на коментар Поділитися на інших сайтах More sharing options...
Korni Опубліковано: 16 січня 2016 Поділитись Опубліковано: 16 січня 2016 Korni Дякую за оперативну та кваліфіковану відповідь. Підкажіть будь-ласка іще один момент стосовно електротена в ТА.Наскільки я зрозумів інтенсивна корозія в ТА викликана в даному випадку наявністю певних солей у воді. В мене існує можливість залити в систему воду після очистки зворотнім осмосом. Вода абсолютно не містить солей, навіть струм не проводить. На практиці це допоможе уникнути корозії ? (ТА оцинкований) Чи на неї зможуть суттєво вплинути наявні в системі елементи з чорного металу (ТТ котел, труби від котла до ТА) ? Лоторея. Я бы лучше электрокотел добавил. И он не 2-3 кВт, кстати, будет ;) 1 Посилання на коментар Поділитися на інших сайтах More sharing options...
dm76 Опубліковано: 16 січня 2016 Автор Поділитись Опубліковано: 16 січня 2016 Яка різниця куди буде віддавати тепло котел: в ТА, а вже потім на споживачі чи одразу на споживачі ? Все одно кількість тепла буде таж сама (за мінусом тепловтрат ізоляції ТА) лише більш інертною його розподілення та передача. Тут дело в тарифе. Днем когда тариф полный нет смысла тратить кВаты на нагрев большой емкости, лучше пустить теплоноситель сразу в СО. А если греть воду в баке, она будет там смешиваться с холодной водой и расход эл-ва возрастет. Посилання на коментар Поділитися на інших сайтах More sharing options...
Korni Опубліковано: 16 січня 2016 Поділитись Опубліковано: 16 січня 2016 Тут дело в тарифе. Днем когда тариф полный нет смысла тратить кВаты на нагрев большой емкости, лучше пустить теплоноситель сразу в СО...... Вы делаете ошибку в рассуждениях о том, как движется нагретый теплоноситель в ТА: если есть запрос на тепло (насос радиаторов), то нагретый теплоноситель проходит ТА транзитом. ТА - это просто большая гидрострелка. (ссылка на изображение устарела) 1 Посилання на коментар Поділитися на інших сайтах More sharing options...
Рекомендовані повідомлення
Створіть акаунт або увійдіть у нього для коментування
Ви маєте бути користувачем, щоб залишити коментар
Створити акаунт
Зареєструйтеся для отримання акаунта. Це просто!
Зареєструвати акаунтУвійти
Вже зареєстровані? Увійдіть тут.
Увійти зараз