sribnuu Опубліковано: 15 вересня 2015 Поділитись Опубліковано: 15 вересня 2015 Всем доброго Дня! Прошу покритиковать схему отопления, которую сам нарисовал. Предварительные данные. Дом 140 кв.м., Газ не имеется, ТТК 25 кВт (длительного горения), Электрокотел 6 кВт (3Ф) -для поддержания штанов. (Возможно переустановка электрокотла на другое место?) Основной котел твердотопливный, на случай понижения температуры до 15гр. срабатывает електрокотел который не даст разморозится системе. Также имеется кольцо которое работает по естественной циркуляции на случай остановки насоса и т.п., и также обогревают. Прошу внимания, Спасибо) Посилання на коментар Поділитися на інших сайтах More sharing options...
sribnuu Опубліковано: 15 вересня 2015 Автор Поділитись Опубліковано: 15 вересня 2015 Просмотры есть, ответов нет) Посилання на коментар Поділитися на інших сайтах More sharing options...
worl_d3 Опубліковано: 15 вересня 2015 Поділитись Опубліковано: 15 вересня 2015 Кольцо с естественной циркуляцией скорей всего будет иметь меньшее сопротивление чем кольца принудительной- увеличенные диаметры и т.д. Поэтому при работе насоса ТТК циркуляция теплоносителя будет идти в основном по нему . Что бы сбалансировать систему нужно прижать это кольцо, что бы его сопротивление было равным кольцам принудительной циркуляции. Тогда с ЕЦ может быть проблема. А в остальном , как по мне схема рабочая Добавлено через 1 час 5 минут А если не зажимать - циркуляции может не быть в кольцах принудительной 1 Посилання на коментар Поділитися на інших сайтах More sharing options...
sribnuu Опубліковано: 15 вересня 2015 Автор Поділитись Опубліковано: 15 вересня 2015 Я так понял, что єто все можно решить с помощью шаровго крана (балансировочного) на подачу ЄЦ. А что вы можете сказать по расположению Электрокотла. На подачи или на распределители? Посилання на коментар Поділитися на інших сайтах More sharing options...
worl_d3 Опубліковано: 15 вересня 2015 Поділитись Опубліковано: 15 вересня 2015 В принципе да, но его при отключении электричества нужно будет открывать в ручную, а потом обратно в то же положение Посилання на коментар Поділитися на інших сайтах More sharing options...
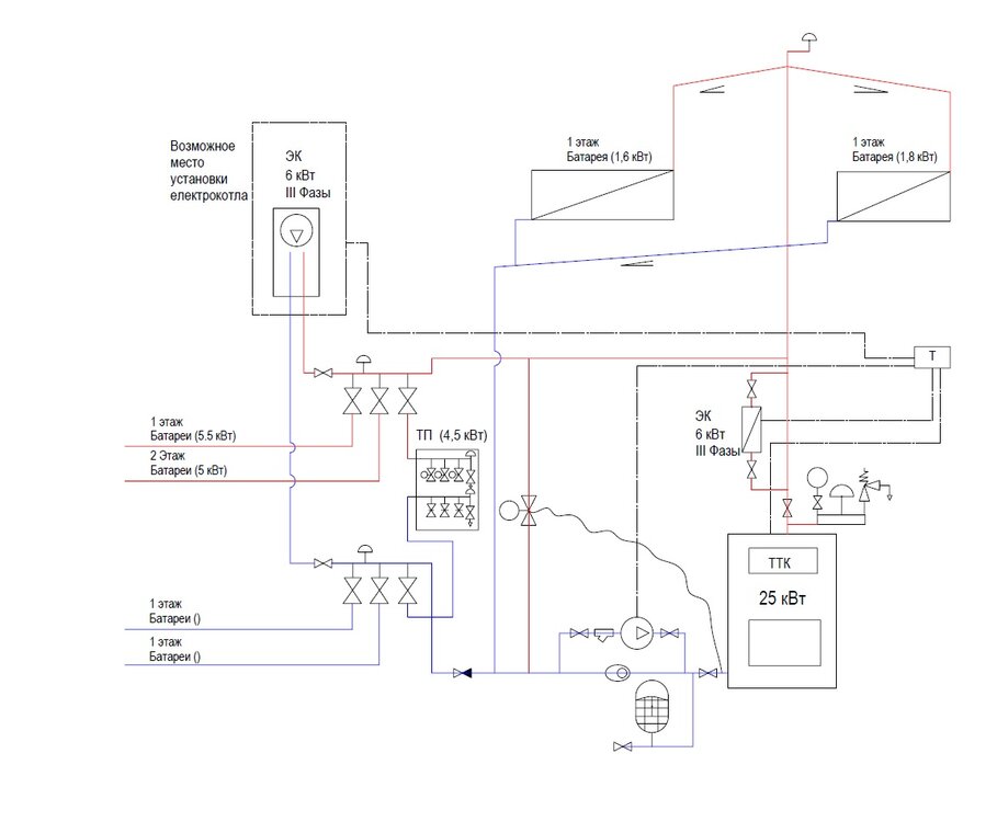
sribnuu Опубліковано: 16 вересня 2015 Автор Поділитись Опубліковано: 16 вересня 2015 Немного обновил схему) Посилання на коментар Поділитися на інших сайтах More sharing options...
SON Опубліковано: 16 вересня 2015 Поділитись Опубліковано: 16 вересня 2015 Аварийное охлаждение ТТК доточите, и ФГО на насос переверните. Система открытая ? По узлу ТП непонятно. 1 Посилання на коментар Поділитися на інших сайтах More sharing options...
sribnuu Опубліковано: 16 вересня 2015 Автор Поділитись Опубліковано: 16 вересня 2015 Аварийное охлаждение ТТК доточите, и ФГО на насос переверните. Система открытая ? По узлу ТП непонятно. А что не так из фильтром, вроде головою вниз, или я ошибаюся!? Система закрытая, на схеме видно что на обратке установлен расширительный бак. Узел ТП - смеситель на 4 контура из своим насосом. По аварийном охлаждении еще в раздумии) Немного уточню, всю обвязку планирую сделать с метала, а отопление трубами ТЕСЕ-flex) Посилання на коментар Поділитися на інших сайтах More sharing options...
SON Опубліковано: 16 вересня 2015 Поділитись Опубліковано: 16 вересня 2015 А что не так из фильтром, вроде головою вниз, или я ошибаюся!? Вниз и носом вправо. Система закрытая, на схеме видно что на обратке установлен расширительный бак. По аварийном охлаждении еще в раздумии) При закрытой системе даж нефик думать, аварийное охлаждение по-любому. 1 Посилання на коментар Поділитися на інших сайтах More sharing options...
sribnuu Опубліковано: 16 вересня 2015 Автор Поділитись Опубліковано: 16 вересня 2015 Уважаемый "SON", а что вы скажете относительно электрокотла. Где его оптимально установить исходя схемы!? На общей подаче, или между колекторов подачи и обратки. Или это не принципиально? Спасибо) Посилання на коментар Поділитися на інших сайтах More sharing options...
SON Опубліковано: 16 вересня 2015 Поділитись Опубліковано: 16 вересня 2015 Установив эл. котел на подаче после ТТ-котла теплопотери через дымоход последнего не в нашу пользу. При установке возле коллекторов (гребенок) вопрос легко закрывается установкой двух обр. клапанов. ФГО возле эл. котла следует переместить на обратку. Бойлер в 30 литров - это для одинокой бабушки. Возможно не прав, не видя всей схемы по ГВС. 1 Посилання на коментар Поділитися на інших сайтах More sharing options...
Рекомендовані повідомлення
Створіть акаунт або увійдіть у нього для коментування
Ви маєте бути користувачем, щоб залишити коментар
Створити акаунт
Зареєструйтеся для отримання акаунта. Це просто!
Зареєструвати акаунтУвійти
Вже зареєстровані? Увійдіть тут.
Увійти зараз