mojo_man Опубліковано: 21 червня 2016 Поділитись Опубліковано: 21 червня 2016 Конечно водой вести. Какой такой воздух Теплообменник, думаю что в сад. У меня на обратке системы отопления стоит топка. Без тепло аккумуляторов и прочей лабуды. Мне тоже говорили, что надо всякие обменники ставить и напрямую оно работать не будет) Работает аж бегом. 1 Посилання на коментар Поділитися на інших сайтах More sharing options...
Sheridan Опубліковано: 21 червня 2016 Поділитись Опубліковано: 21 червня 2016 топку подключать к системе отопления через теплообменник или через теплоаккумулятор? Акмулюючі ємності теж можуть мати теплообмінний змійовик. Слід розділити питання на 2 незплежні: 1) Чи варто ставити акумулюючу ємність? Якщо є можливість, то обов'язково варто. 2) Чи варто топку монтувати у відкриту систему, чи можна у закриту. Можна і так і так. Відкрита має 100% гарантію від аварійності, натомість закрита може бути обладнана ступенями захисту, що зведуть ризики до мінімуму. Но топочная с одной стороны дома, а сама топка с другой. А это - 11 метров. Значит нужно 11 метров меди на трассу. Так, вести трасу. А трассу где вести- в перекрытии между 1-м и 2-м этажом или в теплый пол трубы замуровать в утеплителе? Так, в підлозі, загорнуту в утеплювачі. 1 Посилання на коментар Поділитися на інших сайтах More sharing options...
ви-рус Опубліковано: 17 жовтня 2016 Автор Поділитись Опубліковано: 17 жовтня 2016 Добрий день. Прийшов час - дійшли руки до монтажу топки. Перебравши купу схем - вибрав таку. Та в процесі монтажу виникло кілька питань: 1. Чи можна термоклапан і насос на топку поставити в котельні, а не біля самої топки. Це як-не-як 10 метрів відстані. Чи не з*явиться тоді конденсату при розтопці? (А з іншого боку - скількі тієї води в 20 метрах 28-ї мідної труби?) 2. Всі термозахисти вже придбав. Думаю тепер стосовно батареї (для охлодження) зверху над топкою - потрібна вона там чи ні. 3. Газовий котел у мене з бойлером всередині. Тепер, якщо автоматика буде вимикати двигун газового котла, то не буде і гарячої води? 4. Газовий котел потрібно підключати до гідрострілки ( тобто котел навантажуємо ще й гідрострілкою), чи після? Посилання на коментар Поділитися на інших сайтах More sharing options...
Sheridan Опубліковано: 19 жовтня 2016 Поділитись Опубліковано: 19 жовтня 2016 Добрий день! Форум глючить і я вже втретє набираю відповідь. 1. Чи можна термоклапан і насос на топку поставити в котельні, а не біля самої топки. Це як-не-як 10 метрів відстані. Чи не з*явиться тоді конденсату при розтопці? (А з іншого боку - скількі тієї води в 20 метрах 28-ї мідної труби?) Насос - можна і за 10м., а от термоклапан якщо має знімати температуру з топки, то слід і ставити поряд з нею. 2. Всі термозахисти вже придбав. Думаю тепер стосовно батареї (для охлодження) зверху над топкою - потрібна вона там чи ні. Дозволяє гравітаційно, автономно, згасити скачки температури при зникненні циркуляції. По суті, достатня кількість радіаторів перетворює водяний камін на автономну конвективну топку при відсутності електроенергії. 3. Газовий котел у мене з бойлером всередині. Тепер, якщо автоматика буде вимикати двигун газового котла, то не буде і гарячої води? Автоматику слід під'єднювати до клем у газовому котлі, що відповідають за роботу з термостатом, тоді газовий котел вимикатиме лишень функцію опалення. 4. Газовий котел потрібно підключати до гідрострілки ( тобто котел навантажуємо ще й гідрострілкою), чи після? До гідрострілки, але Т роботи газового котла слід виставити на 5-10С нижчою за Т увімкнення насоса каміна. 1 Посилання на коментар Поділитися на інших сайтах More sharing options...
revix Опубліковано: 19 жовтня 2016 Поділитись Опубліковано: 19 жовтня 2016 Всі термозахисти вже придбав. Думаю тепер стосовно батареї (для охлодження) зверху над топкою - потрібна вона там чи ні. Насмотрелись этого бреда, теперь каждый второй спрашивает. Вы этот "анани..м" будет оставлять как декор, или прикроете? Не думаете что при закрытом коробе, температура не будет торопится уходить с радиатора через вент.решётки. В итоге всё равно, как вы не крутите, но топка закипит и не проще ли доукомплектовать топку ибп? Извините, но если б мне ко пришёл мастер и установил эту хренотень, я бы ему руки выломал. 1 Посилання на коментар Поділитися на інших сайтах More sharing options...
SON Опубліковано: 19 жовтня 2016 Поділитись Опубліковано: 19 жовтня 2016 Перебравши купу схем - вибрав таку. Для Вашего случая при наличии теплых полов плохая схема. 3. Газовий котел у мене з бойлером всередині. Тепер, якщо автоматика буде вимикати двигун газового котла, то не буде і гарячої води? Буде. Думаю тепер стосовно батареї (для охлодження) Охолодження (аварийное) делается не так. Посилання на коментар Поділитися на інших сайтах More sharing options...
ви-рус Опубліковано: 19 жовтня 2016 Автор Поділитись Опубліковано: 19 жовтня 2016 ДЯКУЮ за допомогу ,але уточню Насос - можна і за 10м., а от термоклапан якщо має знімати температуру з топки, то слід і ставити поряд з нею. Я про тей термоклапан (термостат) що біля насоса стоїть ,а ВИ може подумали про тей що на холодну воду для охолодження ? Для Вашего случая при наличии теплых полов плохая схема. А як краще ? Посилання на коментар Поділитися на інших сайтах More sharing options...
revix Опубліковано: 19 жовтня 2016 Поділитись Опубліковано: 19 жовтня 2016 При всём уважении к Sheridan и Son, отвечу за них Я про тей термоклапан (термостат) що біля насоса стоїть ,а ВИ може подумали про тей що на холодну воду для охолодження ? он вам говорил об автоматике, которая контролирует процесс горения А як краще ? об этом уже неоднократно писали, тёплые полы работают на низких температурах до 30гр, топка должна работать минимум от 45гр. Посилання на коментар Поділитися на інших сайтах More sharing options...
Sheridan Опубліковано: 19 жовтня 2016 Поділитись Опубліковано: 19 жовтня 2016 Я про тей термоклапан (термостат) що біля насоса стоїть ,а ВИ може подумали про тей що на холодну воду для охолодження ? Якщо Ви про домішуючий, чи 3-ходовий, чи ладомат, тобто систему запобігання утворенню конденсату, то різниці немає. Доданий об'єм складе 10л, тепловтрати в приміщенні ізольованих труб незначні, тобто для топки це не матиме значення. 1 Посилання на коментар Поділитися на інших сайтах More sharing options...
SON Опубліковано: 19 жовтня 2016 Поділитись Опубліковано: 19 жовтня 2016 Я про тей термоклапан (термостат) що біля насоса стоїть ,а ВИ може подумали про тей що на холодну воду для охолодження ? Я пральна подумал. Назначение клапана поддерживать горячую обратку. Из теплых полов идет относительно холодная обратка плюс гидрострелка, клапан будет поджиматься на малый контур (топку), т.е. часть дров будет перегорать в топке без пользы. А як краще ? Для начала нужно дать ответы даж для себя: - что будет выступать в роли основного источника тепла - топка или газ. котел - система охлаждения - клапан+водопровод/открытый контур топки - установка теплоакумулятора - хочу/не тяну/нэма места - примерные теплопотери дома, +/- мощность по радиаторам и ТП и мощность топки - и что хочется получить в конечном итоге. Тогда схема увязки оборудования вырисуется сама по себе. 1 Посилання на коментар Поділитися на інших сайтах More sharing options...
ви-рус Опубліковано: 19 жовтня 2016 Автор Поділитись Опубліковано: 19 жовтня 2016 Для начала нужно дать ответы даж для себя: - что будет выступать в роли основного источника тепла - топка или газ. котел - система охлаждения - клапан+водопровод/открытый контур топки - установка теплоакумулятора - хочу/не тяну/нэма места - примерные теплопотери дома, +/- мощность по радиаторам и ТП и мощность топки Упс.. А я тут уже меди нарезал. Собирался завтра гидрострелку обвязать. Ладно, начнем сначала. - Основной источник тепла - газ.котел - Система охлажения - клапан+водопровод. - Установка теплоаккумулятора - хочу/тяну/ место є. (Одговорили, мотивируя тем,что пока топка нагреет теплоаккумулятор, я спать лягу.) - Примерные теплопотери дома 18,5 кВт, теплый пол - 8,5 кВт, радиаторы - 14,2 кВт ( хай буде - натикав куди мог) Мощность топки 17 кВт. Не вырисовывается схема Посилання на коментар Поділитися на інших сайтах More sharing options...
SON Опубліковано: 19 жовтня 2016 Поділитись Опубліковано: 19 жовтня 2016 - Система охлажения - клапан+водопровод. - Установка теплоаккумулятора - хочу/тяну/ место є. При наличии бочки (ТА) автоматом снимается вопрос аварийного охлаждения топки, достаточно подрывника. Также нет зависимости от наличия воды в водопроводе. (Одговорили, мотивируя тем,что пока топка нагреет теплоаккумулятор, я спать лягу.) Тепло от топки практически сразу идет в систему. Излишки остаются в бочке. Ежли планируется какая-либо автоматика, бочка тож полезна, в разе горящей топки и отсутствия запроса на тепло. Не вырисовывается схема Пока по быстрому на коленке. Без кранов, обратных клапанов, РБ и пр. Посилання на коментар Поділитися на інших сайтах More sharing options...
ви-рус Опубліковано: 20 жовтня 2016 Автор Поділитись Опубліковано: 20 жовтня 2016 При наличии бочки (ТА) автоматом снимается вопрос аварийного охлаждения топки Спасибо, но так пустить горячую воду с котла не могу - труба горячей воды у меня вместе с подачей будет прятаться в пол и через девять метров выходить в котельне. Самотека не получиться. Вы этот "анани..м" будет оставлять как декор, или прикроете? Не думаете что при закрытом коробе, температура не будет торопится уходить с радиатора через вент.решётки. Нет, я просто подумал, что можно поставить обычную батарею сверху над топкой на втором этаже. И если вдруг пропадет електричество - то бежим наверх и открываем краник на батарее, то есть влючаем через нее самотек. Ну как-то так. Посилання на коментар Поділитися на інших сайтах More sharing options...
SON Опубліковано: 20 жовтня 2016 Поділитись Опубліковано: 20 жовтня 2016 Нет, я просто подумал, что можно поставить обычную батарею сверху над топкой на втором этаже. С радиатора даж 10 секц. можно снять порядка 1,5-2 кВт тепла. При 17кВт-ой топке в это ни о чем. И если вдруг пропадет електричество - то бежим наверх и открываем краник на батарее, то есть влючаем через нее самотек. Ну как-то так. Система охлаждения должна работать автономно, без вмешательства хозяина. Можно и со стрелкой, но исключить 3-х ходовой клапан. При этом точковать расход насосов. 1 Посилання на коментар Поділитися на інших сайтах More sharing options...
ви-рус Опубліковано: 20 жовтня 2016 Автор Поділитись Опубліковано: 20 жовтня 2016 При этом точковать расход насосов. Щас не понял Посилання на коментар Поділитися на інших сайтах More sharing options...
SON Опубліковано: 20 жовтня 2016 Поділитись Опубліковано: 20 жовтня 2016 При работе на гидрострелку насос (на топке) по расходу должен быть на 15-20% больше расхода насосов на контуры отопления. Посилання на коментар Поділитися на інших сайтах More sharing options...
ви-рус Опубліковано: 25 жовтня 2016 Автор Поділитись Опубліковано: 25 жовтня 2016 Можно и со стрелкой, но исключить 3-х ходовой клапан. При этом точковать расход насосов Я вот подумал, если убрать трехходовой клапан, то при работе газового котла, газ будет греть воду в топке - это плохо. Посилання на коментар Поділитися на інших сайтах More sharing options...
SON Опубліковано: 25 жовтня 2016 Поділитись Опубліковано: 25 жовтня 2016 Я вот подумал, если убрать трехходовой клапан, то при работе газового котла, газ будет греть воду в топке - это плохо. Два обратных клапана облегчат думы. :D Посилання на коментар Поділитися на інших сайтах More sharing options...
Seriy_mel Опубліковано: 26 жовтня 2016 Поділитись Опубліковано: 26 жовтня 2016 Всем здрасте. Так уж получилось, что купив готовую коробку под чистовые на какой-то стадии решили , что хотим камин, но в предыдущие хозяева дома его не планировали. Т.к немножко технически образован, понимаю, что просто греть кости у камина и греть улицу - не очень разумно. Решил, что камину быть, но только с водяной рубашкой. На данной стадии проблема та же, что и у хозяина ветки : 1) дымоход по заднему фасаду 2) сомнения в монтаже т.к от камина до топочной по стене 25 метров, по диагонали 14 метров. для трубы в 80+ градусов нужна хорошая изоляция и утопить её в пол скорее всего сложнее , чем кидать по стенам. 3) в плане аварийного сброса давления и т.д в канализацию - можно ли вывести трубку сброса просто на улицу или есть шанс замерзания онной Т.к основная система отопления (дом общей площадью 250кв) будет ТН-воздух/вода 8квт, 3х контурный бак 300л (ТН,ГК и ТТ или камин) дополнительно с газовым котлом на 35квт , то камин с рубашкой это вариант "приятное с полезным". Вся система будет с дублирующими жизненно важными органами, УПС, генератор бензин/газ и насосной группой в 2м комплекте. Единственное и огромное, НО на данный момент, то что в Одессе я не могу найти человека. Компания, которая занимается моим отоплением, ГВС не работали с такими каминами, хотя технически принцип работы не сильно отличается от ТТ. Скорее всего, правильные руки в этом направлении находятся в основном в Западной Украине. Вот и думаю, бросить эту затею или дать компании «шанс» на первый «блин» Пока смотрю в сторону каминов: 1) Aquatic WH 80 BeF HOME 2) PL - 210 ECO Lechma 3) Hoxter Haka 63/51Wi+ последний самый дорогой, но и качественный. Может есть кто из Одессы , области с опытом и рекомендациями ? П.С. "Продавцы и т.д. пожалуйста не грузите меня вашими ЛУЧШИМИ товарами" Посилання на коментар Поділитися на інших сайтах More sharing options...
usanin_n Опубліковано: 26 жовтня 2016 Поділитись Опубліковано: 26 жовтня 2016 Зайдите к Валере kammeo... Валера и грамотную консультацию даст и поможет практически 1 Посилання на коментар Поділитися на інших сайтах More sharing options...
Seriy_mel Опубліковано: 26 жовтня 2016 Поділитись Опубліковано: 26 жовтня 2016 Зайдите к Валере kammeo... Валера и грамотную консультацию даст и поможет практически Спасибо, написал ему. Посилання на коментар Поділитися на інших сайтах More sharing options...
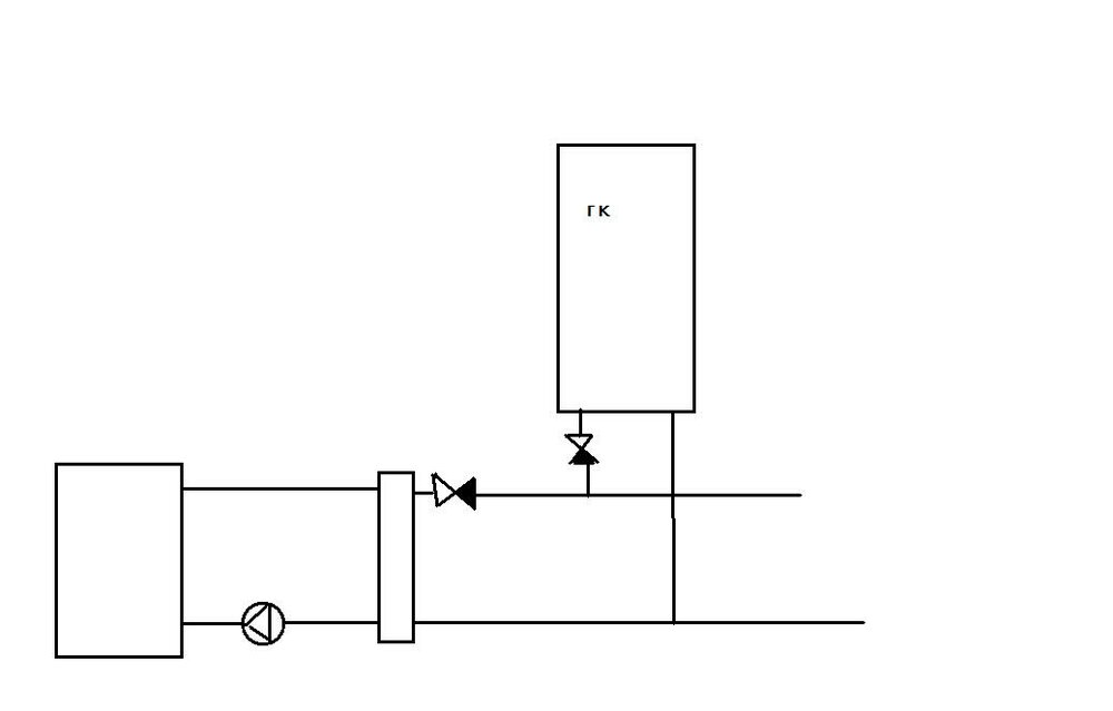
ви-рус Опубліковано: 1 листопада 2016 Автор Поділитись Опубліковано: 1 листопада 2016 Два обратных клапана облегчат думы. С помощью Ваших подсказок схема вырисовывается такая Что еще поменять? Посилання на коментар Поділитися на інших сайтах More sharing options...
SON Опубліковано: 3 листопада 2016 Поділитись Опубліковано: 3 листопада 2016 Так лучше и на один насос меньше. Простенько, но правильно. На ТП насос не рисовал. С гидрострелкой без расчетов по насосам можно получить гемор. Посилання на коментар Поділитися на інших сайтах More sharing options...
Рекомендовані повідомлення
Створіть акаунт або увійдіть у нього для коментування
Ви маєте бути користувачем, щоб залишити коментар
Створити акаунт
Зареєструйтеся для отримання акаунта. Це просто!
Зареєструвати акаунтУвійти
Вже зареєстровані? Увійдіть тут.
Увійти зараз