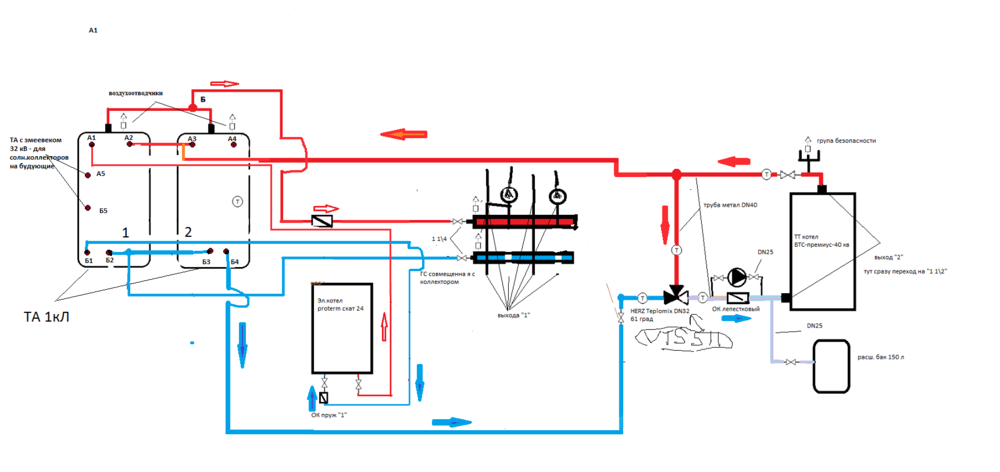
fastvd Опубліковано: 28 вересня 2016 Поділитись Опубліковано: 28 вересня 2016 и так вопрос по схеме подключения двух теплоакумуляторов... для ясности, один с ТА с змеевеком на 32кВ для солн.коллекторов на будующие... 1) уважаемый форумчанин Александр_Васильков , отредактировал в прошлом году мою схему как я планирую включать ТА(она в ответе) 2) я чтобы все точно понять отредактировал только что её на чистую, и есть все таки несколько вопросов: 2.1) вы предлагаете вход и выход от ТТК подавать\забирать с ТА-2 , с точек : вход БЛИЖЕ к А3 и выход с Б4 , хотя на схемах включение ладдомата рекомендуется диагональное включение, а именно : вход БЛИЖЕ к А3 на ТА-2 и выход ближе к Б2 на ТА-1 (параллельно выходу на коллектор грубо говоря) - не будет ли при вашей схеме недогрев одного ТА (а именно ТА-1), так как основная циркуляция будем происходит в ТА-2, так как там основной вход\выход от ТТК ? 2.2) вы предлагеат вход\выход от эл.котла подать только в ТА-1 - опять же без диагонального входа\выхода - вопрос точно такой как пункт 2.1 ? 3) есть замечания по отредактированной схеме? Посилання на коментар Поділитися на інших сайтах More sharing options...
Oleg9293 Опубліковано: 1 жовтня 2016 Поділитись Опубліковано: 1 жовтня 2016 А не проще в ТА установить эл.тены?Дешевле в разы и меньше мудрить с обвязкой.Я в свой кубовый ТА так и планирую сделать.Тен на 9кВт под заказ на нашем Днепро-ском заводе 1500гр.Длинна его 750мм,что б снизить нагрузку.Если. для ночного тарифа,то тены в два раза мощнее и врезать в низ ТА.Можно скомбинирывать и один тен в верху,а другой в низу.Вобщем,то на Ваше усмотрение). Посилання на коментар Поділитися на інших сайтах More sharing options...
fastvd Опубліковано: 3 жовтня 2016 Автор Поділитись Опубліковано: 3 жовтня 2016 А не проще в ТА установить эл.тены?Дешевле в разы и меньше мудрить с обвязкой.Я в свой кубовый ТА так и планирую сделать.Тен на 9кВт под заказ на нашем Днепро-ском заводе 1500гр.Длинна его 750мм,что б снизить нагрузку.Если. для ночного тарифа,то тены в два раза мощнее и врезать в низ ТА.Можно скомбинирывать и один тен в верху,а другой в низу.Вобщем,то на Ваше усмотрение). котел уже имеется и работает 3 года уже как...плюс есть ТТК, который нужно подключить Посилання на коментар Поділитися на інших сайтах More sharing options...
troll_9000 Опубліковано: 3 жовтня 2016 Поділитись Опубліковано: 3 жовтня 2016 Я бы предложил : -ТА подключать по "попутной схеме движения воды" - ладдомат не нужен -ЭК греет не ТА, а систему (если нет двухтарифного счетчика) -ТА с байпасом (потекла бочечка, а греться надо) Посилання на коментар Поділитися на інших сайтах More sharing options...
fastvd Опубліковано: 4 жовтня 2016 Автор Поділитись Опубліковано: 4 жовтня 2016 (змінено) Я бы предложил : -ТА подключать по "попутной схеме движения воды" - ладдомат не нужен -ЭК греет не ТА, а систему (если нет двухтарифного счетчика) -ТА с байпасом (потекла бочечка, а греться надо) 1) счетчик понятное дело двух тарифной, мало того - есть 2 ввода по 3600 кВт\мес по тарифу на отопл, потому эл.котел - основной вид отопления 2) ТТК на случай оч.холодной зимы улице,не будет хватать когда моих 130-140 квт энергии которые будут в двух ТА ...а при моих теплопотерях - около 12 часов...и того 07.00 утра + 12 часов = 19,00 вечера...но это при -15 -20 градусов за бортом...а таких зим уже почти нету..максимум 2-3 недели в год...но посмотрим... 3) байпас и так будет и есть..при чем если течет бочка - то переключаем на другую бочку, если 2 бочки, или траса к ним - переключаем на прямую на коллектор. Змінено 4 жовтня 2016 користувачем fastvd Посилання на коментар Поділитися на інших сайтах More sharing options...
Рекомендовані повідомлення
Створіть акаунт або увійдіть у нього для коментування
Ви маєте бути користувачем, щоб залишити коментар
Створити акаунт
Зареєструйтеся для отримання акаунта. Це просто!
Зареєструвати акаунтУвійти
Вже зареєстровані? Увійдіть тут.
Увійти зараз