Перейти до публікації
Пошук в
  • Додатково...
Шукати результати, які містять...
Шукати результати в...

Как выбрать дверь и что ожидать от этого изделия.

Львятник

Рекомендовані повідомлення

Как выбрать дверь и что ожидать от этого изделия.

Входная металлическая дверь (бронь) 2017г. минимальной комплектации должна быть:

1. Каркас должен быть изготовлен с уголка или профильной трубы.

- уголок 40х40х4 и выше, сваренный коробкой.

attachment.php?attachmentid=555437&stc=1&d=1489570096

- профильная труба толщиной от 3 мм. и выше.

www.stroimdom.com.ua/forum/attachment.php?attachmentid=555438&stc=1&d=1489570096

- наружный лист металла от 2 мм. горячекатаная сталь или холоднокатаная сталь 3 мм.

- места крепления петель должны быть усиленные.

www.stroimdom.com.ua/forum/attachment.php?attachmentid=555439&stc=1&d=1489570096

- петли на шариках, желательно 3 петли, две верх и одна низ.

www.stroimdom.com.ua/forum/attachment.php?attachmentid=555440&stc=1&d=1489570096

- противосъемные штыри (антисрез).

www.stroimdom.com.ua/forum/attachment.php?attachmentid=555441&stc=1&d=1489570096

- каркас двери должен быть с горизонтальными и вертикальными ребрами жесткости.

www.stroimdom.com.ua/forum/attachment.php?attachmentid=555442&stc=1&d=1489570096

- защита ригелей замков.

attachment.php?attachmentid=555446&stc=1&d=1489570571

2. Звуко - теплоизоляция.

- утеплитель двери.

- уплотнитель двери.

3. Монтажное крепление.

- монтажные пластины должны быть вынесены в внутрь помещения.

- крепление коробки должно быть надежным, желательно во все четыре стороны.

attachment.php?attachmentid=555444&stc=1&d=1489570571

4. Установка замков.

- замков должно быть два, цилиндровый и сувальдный.

- замки должны быть разнесены между собой 400 – 600 мм.

- замковая зона должна быть снабжена упорами для замков, от их вдавливания в внутрь двери.

attachment.php?attachmentid=555445&stc=1&d=1489570571

- на замки необходимо устанавливать марганцевые пластины.

attachment.php?attachmentid=555459&stc=1&d=1489573005

5. Просвет между производителями дверей и замыкающими устройствами.

- врезка замка должна иметь ход до 2-х мм. не более (при незакрепленном замке).

attachment.php?attachmentid=555447&stc=1&d=1489570571

- врезка цилиндра в наружный лист метала должна быть не более 1 мм. в сторону.

attachment.php?attachmentid=555449&stc=1&d=1489571114

- при установке цилиндра без защитной накладки, необходимо ставить фиксатор цилиндра.

attachment.php?attachmentid=555450&stc=1&d=1489571398

- врезка защитной накладки для цилиндра должна быть плотной, и крепится с внутренней стороны двери.

attachment.php?attachmentid=555452&stc=1&d=1489571398

- сувальдный замок должен быть снабжен защитной накладкой от вскрытия.

attachment.php?attachmentid=555456&stc=1&d=1489571816

6. Зазоры и прилегание двери.

- зазоры должны быть минимальные.

- прилегание двери должно быть плотное, равномерное и без просветов.

- дверь должна быть выставлена «не догонять и не убегать».

7. Вид двери.

- по вкусу.

- по возможности.

При заказе бронированной двери требуйте у консультанта и у замерщика всю информацию по конструкции двери, замкам и дополнительную комплектацию по защите замков. Допуски при установке двери должны быть отражены в договоре о приемке установленного изделия. Допуски на врезку замков, цилиндров, защитной накладки на цилиндр, защитной накладки на сувальдный замок.

Принимайте изделие по всем параметрам заказа до ее установки – конструкцию двери, комплектацию, врезку и зазоры запирающих устройств. В случаи каких-то неурядиц отправляйте дверь на переделку.

Принимайте установку двери и работу запирающих устройств.

Если вы самолично не проверите или пропустите какие-либо моменты – за вас могут проверить другие «личности». Будьте бдительные и настойчивые – чтоб потом идти на работу, ехать в отпуск и т.д. спокойно и с уверенностью «Ваш дом – Ваша крепость».

1577289497_-40404.png.ad5e182ee31e90473884b7ba7bf4b388.png

1420636228_4040460253.png.890e760342c35f46ab59c402a490252e.png

1375964860_.png.4a2e53488e07cd4948477581abdae2b7.png

petli-dlya-metallicheskix-dverej.jpg.e47f5a66e197d1cd3c1d4192d4eb1395.jpg

2002028008_.jpg.1ec475fbb1759364ebf4cf78eaf6f1a8.jpg

389471674_.png.fc18588484c7818c560b0938f2517aea.png

976561774_.png.2bdf63a9421e4fc6e7353648bd38da89.png

1414657947_.png.31fd742ffb34f77e95b4facb3d2b8b58.png

401943842_.png.32e014aabab722be258b9985533ccc3b.png

1459979532_.png.27b5e515e7784ae397658806145410b5.png

287368915_.png.ed5f2bc41c696408d79b47f7bd4d94fc.png

1745064745__.jpg.b5794a9b51f1f432b9b9a5c7c8567fc7.jpg

ystanovka_bronenakladki2.jpg.1cfaa0f70e2f71b6aa922f221206a0f8.jpg

976905638___0.jpg.38154c598453a5f903a1266a6b56db7c.jpg

images.jpg.e7feb8089ffe1957a1386594191c6f66.jpg

Змінено користувачем Львятник
  • Лайк 2
Посилання на коментар
Поділитися на інших сайтах

Как выбрать дверь и что ожидать от этого изделия.

Входная металлическая дверь (бронь) 2017г. минимальной комплектации должна быть:

 

5. Просвет между производителями дверей и замыкающими устройствами.

- врезка замка должна иметь ход до 2-х мм. не более (при незакрепленном замке).

- врезка цилиндра в наружный лист метала должна быть не более 1 мм. в сторону.

- при установке цилиндра без защитной накладки, необходимо ставить фиксатор цилиндра.

- врезка защитной накладки для цилиндра должна быть плотной, и крепится с внутренней стороны двери.

- сувальдный замок должен быть снабжен защитной накладкой от вскрытия.

1824992024_CISA.jpg.af9a491b20c36a6e8018469d3ca30137.jpg

1131975404___0.jpg.54cece53ae565d70bff177469afe2d19.jpg

209648125_.jpg.a807dfb86fcb8a738c622ae56a62ce8a.jpg

Посилання на коментар
Поділитися на інших сайтах

Как выбрать дверь и что ожидать от этого изделия.

Входная металлическая дверь (бронь) 2017г. минимальной комплектации должна быть:

 

7. Вид двери.

- по вкусу.

- по возможности.

uzn_1464177600.jpg.bcff1781d7cfda32f8421beb7384704c.jpg

Посилання на коментар
Поділитися на інших сайтах

Как выбрать дверь и что ожидать от этого изделия.

Входная металлическая дверь (бронь) 2017г. минимальной комплектации должна быть:

 

7. Вид двери.

- по вкусу.

- по возможности.

А еще

9. все должны ездить на мерсах , цвет и комплектация по вкусу

  • Лайк 2
Посилання на коментар
Поділитися на інших сайтах

А еще

9. все должны ездить на мерсах , цвет и комплектация по вкусу

 

Я за мерседесы, но первым делом защита семьи и детей в дома, пока будем кататься на мерсах.

Посилання на коментар
Поділитися на інших сайтах

Почитал статью и в целом только немного есть материала по сути.

 

Честно говоря название статьи не совсем соответствует описанию, ей более подошло бы "Технические моменты которые нужно учитывать при выборе бронированной двери".

 

Допустим первая часть вопроса раскрыта "Как выбрать дверь и что ожидать от этого изделия." а вторая "Как выбрать дверь и что ожидать от этого изделия."?

 

Вплотную не вижу логики последовательности в следующих пунктах:

5. Просвет между производителями дверей и замыкающими устройствами. Что общего между производителем(живым человеком) и замыкающими устройствами(техническим моментом), и какой просвет между ними может быть .

 

7. Вид двери.

- по вкусу.

- по возможности.

Это все виды броне дверей, больше не существует там (алюминевые, стальные, со стеклом?)

  • Лайк 1
Посилання на коментар
Поділитися на інших сайтах

5. Просвет между производителями дверей и замыкающими устройствами. Что общего между производителем(живым человеком) и замыкающими устройствами(техническим моментом), и какой просвет между ними может быть .

 

Это живой человек:

www.stroimdom.com.ua/forum/attachment.php?attachmentid=555742&stc=1&d=1489698905

www.stroimdom.com.ua/forum/attachment.php?attachmentid=555746&stc=1&d=1489698905

 

А это технический момент:

или результат технического момента.

www.stroimdom.com.ua/forum/attachment.php?attachmentid=555739&stc=1&d=1489698905

5697_2.jpg.a1f7bf3db74cae2d4855a6702e5076eb.jpg

1520693016_-4.jpg.e501fcc014cdeee590c67dafb7dd3aca.jpg

875224900_.thumb.JPG.6b9eb1b488a90d27179fb690d3b26058.JPG

Посилання на коментар
Поділитися на інших сайтах

Как выбрать дверь и что ожидать от этого изделия.

Входная металлическая дверь (бронь) 2017г. минимальной комплектации должна быть:

 

7. Вид двери.

- по вкусу.

- по возможности.

Видно что Вы занимаетесь производством дверей , но мне кажется что вы заблуждаетесь в некоторых моментах (мое мнение - не претендую на вс)

- коробка лучше из гнутого профиля

- по замкам лучше один из замков будет накладной ( смещены региля запирания в глубь от возможного среза их болгаркой )

 

Я занимался в прошлом вх. дверями и практиковал установку электро регилей на основе тяг снятых с б/у авто (чаще всего это с люка бензобака - он не подпружиненый) пульт от центрального замка/ блок - есть фото старые на forumokna

  • Лайк 1
Посилання на коментар
Поділитися на інших сайтах

Видно что Вы занимаетесь производством дверей , но мне кажется что вы заблуждаетесь в некоторых моментах (мое мнение - не претендую на вс)

- коробка лучше из гнутого профиля

- по замкам лучше один из замков будет накладной ( смещены региля запирания в глубь от возможного среза их болгаркой )

 

Производством и продажей дверей не занимаюсь !!!

 

Здесь я описал минимальные параметры по выбору входных дверей, все что будет в плюсе - будет безопаснее для людей.

Посилання на коментар
Поділитися на інших сайтах

Производством и продажей дверей не занимаюсь !!!

 

Может конструированием? Откуда инфа? :(

Посилання на коментар
Поділитися на інших сайтах

Может конструированием? Откуда инфа? :(

 

Правила форума.

8. Запрещена скрытая и открытая реклама в любом виде кроме раздела «Реклама». Объявления о продаже материалов, инструментов, бытовой техники и любых других предметов, приобретённых с целью перепродажи, также должны размещаться только в разделе «Реклама».

 

Ответить не могу - будет реклама.

Посилання на коментар
Поділитися на інших сайтах

Ответить не могу - будет реклама.

 

Т. е., все это не личный опыт, а с сайта производителя?

Посилання на коментар
Поділитися на інших сайтах

Т. е., все это не личный опыт, а с сайта производителя?

 

Чуток не понимаю Вашего вопроса?

Если моя личная деятельность, то это не секрет:

35 лет общий стаж работы с дверными блоками(начало дерево, и переход на металл ), сейфами, шкафами и закрывающими устройствами. Из них 15 лет совместно с основной работой в инженерно-конструкторской программе - разработка, изготовление, испытание и дальше установка в изделие.

Коротко так, если это Вас интересует.

987896640_-1.png.902105664117670cd43c44e380d253fc.png

  • Лайк 1
Посилання на коментар
Поділитися на інших сайтах

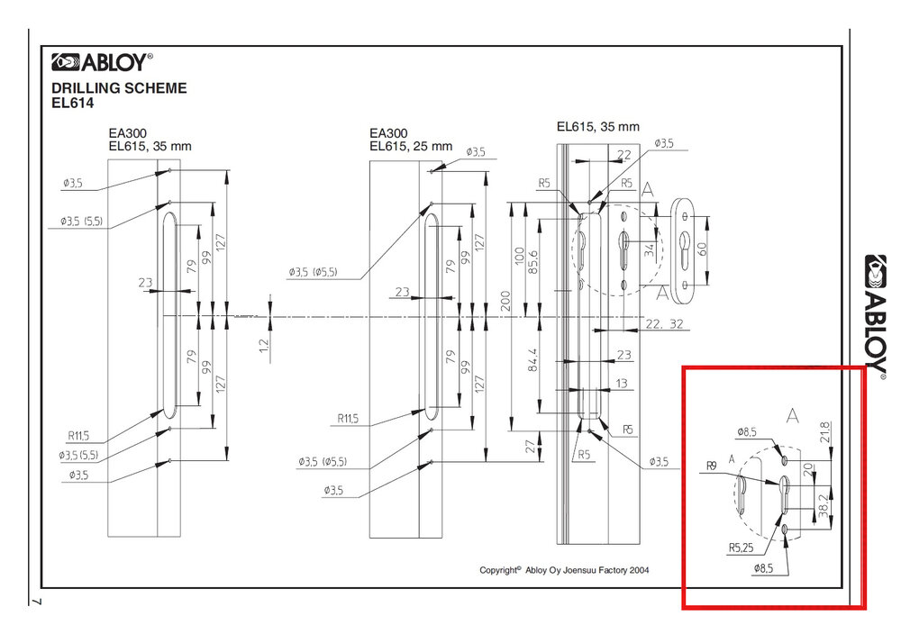
При выборе двери и при приемке своей двери – проверяйте установку запирающих устройств как описано выше.

Если зазоры выше или просто вырезано болгаркой, сваркой, вырублено зубилом и т.д. – то это просто «мина медленного действия» в Вашей безопасности, заложена производителем «человеком»:

Для точной установки закрывающих устройств есть руки и напильники, или приспособления самодельные и заводские, вот одно из них:

Требование к установке цилиндра от компании ABLOY:

Если Вы ищите себе дверь, требуйте при заказе снять декоративную накладку и убедитесь в качестве установки замка.

437926293_-6.1.jpg.4767571e922042c9df5ab6dab5a6fa2e.jpg

DISEC_DIME2.thumb.jpg.f759cdcde7d32f3d30a5cb2acba466fa.jpg

234198991_..thumb.jpg.4dec2da66b5b012fcc222bbe832f3e07.jpg

Посилання на коментар
Поділитися на інших сайтах

  • 1 місяць потому...

Инженерная защита дома и имущества.

 

Для различного расположения двери в квартиру, необходимая разная степень защиты от вандального проникновения в Ваш дом.

 

Будьте на шаг впереди – защитите свой дом, имущество, свою семью, себя.

1397514638_baikalskaya-02.jpg.fdeafa9698c1cd78dc3cf26fe68e4b95.jpg

143365678_DSC_3499.JPG.e976576655e570029bb37d2b31840f6d.JPG

1249173663_P1010025.JPG.275fdd911b43cb5ba9738d14a00fca2b.JPG

Посилання на коментар
Поділитися на інших сайтах

Инженерная защита дома и имущества.

 

Для различного расположения дверей в квартиру, необходима разная степень защиты от вандального проникновения в Ваш дом. Если установить одинаковые двери среднего класса, то одна дверь будет хорошо – другая бесполезная (выброшенные деньги, защиты от вандалов не будет). Если установить одинаковые двери тяжелой серии, то одна дверь будет перебор (выброшенные деньги) – другая дверь будет все равно подлежать атаке вандалов (выброшенные деньги, защита от вандалов будет мизерная).

Для разного расположения входных дверей, нужны разные двери по своей конструкции и разные способы установки дверей.

 

Будьте на шаг впереди – защитите свой дом, имущество, свою семью, себя.

Посилання на коментар
Поділитися на інших сайтах

Спасибо за информацию.

Подскажите пожалуйста минимальные требования к двери согласно ДБН на сегодняшний день.

Суть вопроса в том, что покупаю квартиру-новострой, скоро застройщик (или подрядчик) будет ставить двери. Я так понимаю хотят поставить полнейшее фуфло. Как их заставить поставить двери хотя бы с минимальным перечнем защиты?

  • Лайк 1
Посилання на коментар
Поділитися на інших сайтах

Спасибо за информацию.

Подскажите пожалуйста минимальные требования к двери согласно ДБН на сегодняшний день.

Суть вопроса в том, что покупаю квартиру-новострой, скоро застройщик (или подрядчик) будет ставить двери. Я так понимаю хотят поставить полнейшее фуфло. Как их заставить поставить двери хотя бы с минимальным перечнем защиты?

 

Любая металлическая дверь уже противопожарная, делятся по классам, но в квартиру нужна взломостойкая металлическая дверь - это два в одном.

Вы не можете заставить застройщика установить дверь выше бюджета, можете попробовать договориться, но лучше найти хорошую дверь под Вашу квартиру и переустановить.

  • Лайк 1
Посилання на коментар
Поділитися на інших сайтах

Створіть акаунт або увійдіть у нього для коментування

Ви маєте бути користувачем, щоб залишити коментар

Створити акаунт

Зареєструйтеся для отримання акаунта. Це просто!

Зареєструвати акаунт

Увійти

Вже зареєстровані? Увійдіть тут.

Увійти зараз
×
×
  • Створити...