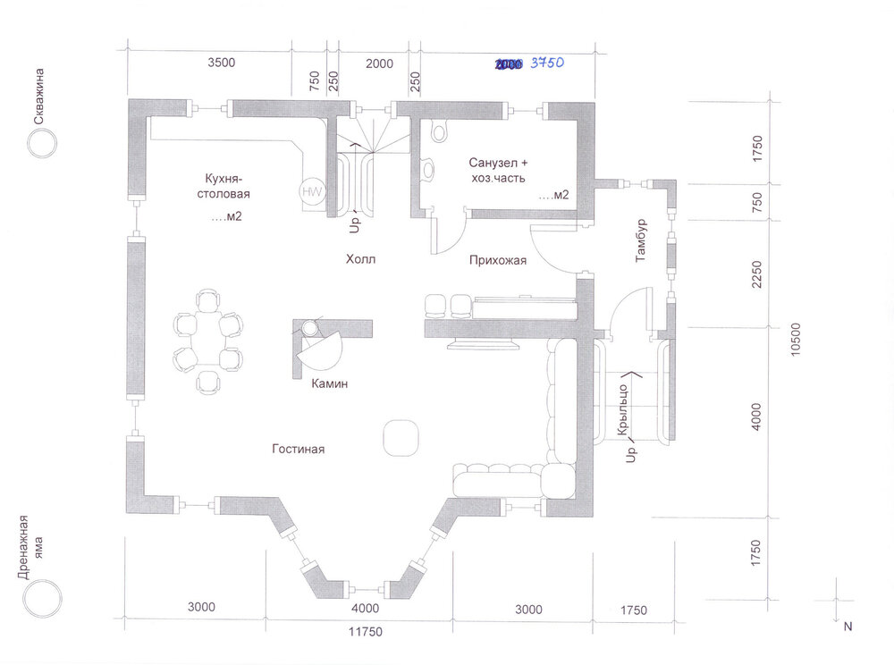
San-Sanych_SX Опубліковано: 10 вересня 2009 Поділитись Опубліковано: 10 вересня 2009 Покритикуйте-посоветуйте, пожалуйста, проект дома. За основу взял увиденный в интернете, но изменения все же были внесены. Планирую строиться под Киевом, участок 20м х 80м. Очень нужен также совет по поводу "пирога" стены - отец за ракушник, я хочу что-нибудь другое, но не знаю, что именно... Буду благодарен за любой совет и критику. Посилання на коментар Поділитися на інших сайтах More sharing options...
Wasabi Опубліковано: 10 вересня 2009 Поділитись Опубліковано: 10 вересня 2009 Ну как на первый взгляд меня смущает близкое расположение скважины относительно дренажной ямы. Посилання на коментар Поділитися на інших сайтах More sharing options...
San-Sanych_SX Опубліковано: 10 вересня 2009 Автор Поділитись Опубліковано: 10 вересня 2009 Дно ямы бетонируется и все нормально, а если без дна - то не спасет и километровое расстояние между ямой и источником воды (тут больше будет иметь значение глубина скважины - грунтовая вода или артезианская и состав грунта - глина или песок). Но все равно, спасибо. А кстати, о скважине. Никто не бурил скважину внутри периметра дома, в цокольном этаже? Посилання на коментар Поділитися на інших сайтах More sharing options...
Wasabi Опубліковано: 11 вересня 2009 Поділитись Опубліковано: 11 вересня 2009 Про септик с бетонным дном. Если перелив уходит в почву, то расстояние между скважиной и септиком должно быть не менее 20 метров. Вы же не знаете, как построит сосед, свой септик. Хотя если у вас и у соседей автономная пластиковая канализация - то действительно "значение не имеет." Обычно септики строят у забора, или сразу за ним. Про скважину в подвале. Есть такое решение. Только скважина должна быть артезианская. Хотя уже не критично. Есть установки для бурения, монтируемые в подвале. Посилання на коментар Поділитися на інших сайтах More sharing options...
alexmetall Опубліковано: 11 вересня 2009 Поділитись Опубліковано: 11 вересня 2009 По поводу стен - лучше пено/газо- бетон. Поищи по форуму - обсуждалось не раз По поводу планировки - желательно сделать двери(хотя бы раздвижные) между гостинной-холлом-кухней. Выгребная яма и скважина(из практики) размещаются в диагонально протвоположных углах територии. При этом необходимо предусмотреть проезд к яме. Посилання на коментар Поділитися на інших сайтах More sharing options...
San-Sanych_SX Опубліковано: 18 вересня 2009 Автор Поділитись Опубліковано: 18 вересня 2009 и на том спасибо Посилання на коментар Поділитися на інших сайтах More sharing options...
Alex044 Опубліковано: 19 вересня 2009 Поділитись Опубліковано: 19 вересня 2009 Есть установки для бурения, монтируемые в подвале. На какую глубину этими установками бурят? На сколько мне известно, то до 20 метров? Вы кажется, писали "Только скважина должна быть артезианская"? Посилання на коментар Поділитися на інших сайтах More sharing options...
Рекомендовані повідомлення
Створіть акаунт або увійдіть у нього для коментування
Ви маєте бути користувачем, щоб залишити коментар
Створити акаунт
Зареєструйтеся для отримання акаунта. Це просто!
Зареєструвати акаунтУвійти
Вже зареєстровані? Увійдіть тут.
Увійти зараз