Степаныч Опубліковано: 21 вересня 2019 Поділитись Опубліковано: 21 вересня 2019 копать будем ломами)Бедные пацаны... Посилання на коментар Поділитися на інших сайтах More sharing options...
MAESTRO DNEPR Опубліковано: 21 вересня 2019 Автор Поділитись Опубліковано: 21 вересня 2019 Бедные пацаны... Пять лет назад на той же улице Борэкс не смог даже вкопаться в грунт... расставил лапы, упёрся ковшом в землю и подтянул сам себя к ковшу)). А я его предупреждал. На следующий день он вернулся на JCB-шке с узким ковшом и у него уже получилось понемногу вкапываться, а мы потом ещё неделю лопатами и ломами расширяли траншеи до нужного размера. Таке життя. Посилання на коментар Поділитися на інших сайтах More sharing options...
bulaniy.sv Опубліковано: 25 вересня 2019 Поділитись Опубліковано: 25 вересня 2019 Обращался к Леониду за консультацией и аудитом проекта, получил ответы на все вопросы. Спасибо за помощь, надеюсь весной начнем строить дом 2 Посилання на коментар Поділитися на інших сайтах More sharing options...
MAESTRO DNEPR Опубліковано: 27 вересня 2019 Автор Поділитись Опубліковано: 27 вересня 2019 Сейчас строим. Производственное помещение. 2 Посилання на коментар Поділитися на інших сайтах More sharing options...
MAESTRO DNEPR Опубліковано: 4 жовтня 2019 Автор Поділитись Опубліковано: 4 жовтня 2019 Сейчас строим. Братское Смонтировали дренажные колодцы. Один - для воды с крыши будущего дома, второй - для воды с крыши будущих хозпостройки и бассейна. В верхнем кольце сделаем горизонтальный перелив между ними для подстраховки друг друга. Жаль только, что форс-мажорные обстоятельства не позволили смонтировать ещё септики и распределительный колодец для воды за один день... таке життя. 1 Посилання на коментар Поділитися на інших сайтах More sharing options...
MAESTRO DNEPR Опубліковано: 5 жовтня 2019 Автор Поділитись Опубліковано: 5 жовтня 2019 ...в тему дождя... водосточная труба 1 Посилання на коментар Поділитися на інших сайтах More sharing options...
Степаныч Опубліковано: 5 жовтня 2019 Поділитись Опубліковано: 5 жовтня 2019 Жаль только, что форс-мажорные обстоятельства не позволили смонтировать ещё септики и распределительный колодец для воды за один день... таке життя. Миниатюры Планы за один день,поменялись у всех!Виновных при желании может озвучить,Леонид! 1 Посилання на коментар Поділитися на інших сайтах More sharing options...
MAESTRO DNEPR Опубліковано: 7 жовтня 2019 Автор Поділитись Опубліковано: 7 жовтня 2019 ...и ещё в тему дождя... кованные колпаки на дымоходы... по моим эскизам и под моим чутким руководством сделали и смонтировали "Альтаир-Д"... обрамление вокруг дымохода съёмное на болтах, чтобы можно было при необходимости перекрасить дымоход. Два больших колпака стоили по 8000 грн, маленький каминный 4000 грн. Прошло уже шесть лет, пока всё в норме. 1 Посилання на коментар Поділитися на інших сайтах More sharing options...
MAESTRO DNEPR Опубліковано: 12 жовтня 2019 Автор Поділитись Опубліковано: 12 жовтня 2019 Сейчас строим. Братское Посилання на коментар Поділитися на інших сайтах More sharing options...
onma707 Опубліковано: 13 жовтня 2019 Поділитись Опубліковано: 13 жовтня 2019 Сейчас строим. Братское Что планируете успеть сделать в этом году на объекте? Посилання на коментар Поділитися на інших сайтах More sharing options...
MAESTRO DNEPR Опубліковано: 13 жовтня 2019 Автор Поділитись Опубліковано: 13 жовтня 2019 Что планируете успеть сделать в этом году на объекте? Хотите рассмешить Бога - расскажите ему о своих планах Посилання на коментар Поділитися на інших сайтах More sharing options...
MAESTRO DNEPR Опубліковано: 14 жовтня 2019 Автор Поділитись Опубліковано: 14 жовтня 2019 Хотите рассмешить Бога - расскажите ему о своих планах ...надеюсь, что сегодня наши с ним планы совпали) Сейчас строим. Братское 1 Посилання на коментар Поділитися на інших сайтах More sharing options...
MAESTRO DNEPR Опубліковано: 14 жовтня 2019 Автор Поділитись Опубліковано: 14 жовтня 2019 Сейчас строим. Производственное помещение. 1 Посилання на коментар Поділитися на інших сайтах More sharing options...
MAESTRO DNEPR Опубліковано: 16 жовтня 2019 Автор Поділитись Опубліковано: 16 жовтня 2019 Сейчас строим. Братское Посилання на коментар Поділитися на інших сайтах More sharing options...
Massimo. Опубліковано: 16 жовтня 2019 Поділитись Опубліковано: 16 жовтня 2019 Смонтируйте мне септик и переставьте 35 метров "евро забора", а ? Посилання на коментар Поділитися на інших сайтах More sharing options...
MAESTRO DNEPR Опубліковано: 16 жовтня 2019 Автор Поділитись Опубліковано: 16 жовтня 2019 Смонтируйте мне септик и переставьте 35 метров "евро забора", а ? Спасибо, конечно, за предложение... но я не вижу где в этой теме прораб... точнее, зачем он здесь нужен? Вам нужна пара-тройка "добрых эльфов")... и всё будет хорошо Посилання на коментар Поділитися на інших сайтах More sharing options...
MAESTRO DNEPR Опубліковано: 17 жовтня 2019 Автор Поділитись Опубліковано: 17 жовтня 2019 Сейчас строим. Братское 1 Посилання на коментар Поділитися на інших сайтах More sharing options...
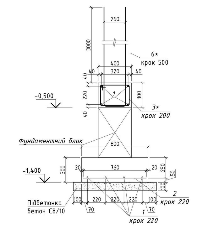
Rearden Опубліковано: 18 жовтня 2019 Поділитись Опубліковано: 18 жовтня 2019 Это армированная подбетонка под фундамент? Посилання на коментар Поділитися на інших сайтах More sharing options...
MAESTRO DNEPR Опубліковано: 18 жовтня 2019 Автор Поділитись Опубліковано: 18 жовтня 2019 Это армированная подбетонка под фундамент? ... Вы не внимательны. Посмотрите на фотографии ещё раз... арматура на чём лежит? Посилання на коментар Поділитися на інших сайтах More sharing options...
Rearden Опубліковано: 19 жовтня 2019 Поділитись Опубліковано: 19 жовтня 2019 Теперь увидел) Посилання на коментар Поділитися на інших сайтах More sharing options...
MAESTRO DNEPR Опубліковано: 19 жовтня 2019 Автор Поділитись Опубліковано: 19 жовтня 2019 Сейчас строим. Производственное помещение. Посилання на коментар Поділитися на інших сайтах More sharing options...
MAESTRO DNEPR Опубліковано: 22 жовтня 2019 Автор Поділитись Опубліковано: 22 жовтня 2019 Сейчас строим. Производственное помещение. 1 Посилання на коментар Поділитися на інших сайтах More sharing options...
MAESTRO DNEPR Опубліковано: 23 жовтня 2019 Автор Поділитись Опубліковано: 23 жовтня 2019 Сейчас строим. Братское 2 Посилання на коментар Поділитися на інших сайтах More sharing options...
MAESTRO DNEPR Опубліковано: 31 жовтня 2019 Автор Поділитись Опубліковано: 31 жовтня 2019 Сейчас строим. Братское 2 Посилання на коментар Поділитися на інших сайтах More sharing options...
MAESTRO DNEPR Опубліковано: 4 листопада 2019 Автор Поділитись Опубліковано: 4 листопада 2019 Сейчас строим. Братское п.с. ...и кстати, бетон от ДСК... заказывал определённые машины, на определённое время, с определённым интервалом, последний миксер только по моему звонку с корректировкой объёма... всё супер, как и всегда, в час дня уже помыли руки 2 Посилання на коментар Поділитися на інших сайтах More sharing options...
Рекомендовані повідомлення
Створіть акаунт або увійдіть у нього для коментування
Ви маєте бути користувачем, щоб залишити коментар
Створити акаунт
Зареєструйтеся для отримання акаунта. Це просто!
Зареєструвати акаунтУвійти
Вже зареєстровані? Увійдіть тут.
Увійти зараз