Sharkan Опубліковано: 18 жовтня 2019 Поділитись Опубліковано: 18 жовтня 2019 Ну, было дело кой-чего после них переделывал Они торгую атмосферовскими вакуумниками, тикайте от этого китая подальше. Дякую! Казали що китйцями вже не торгують - строго німцями Посилання на коментар Поділитися на інших сайтах More sharing options...
Зелёный город Опубліковано: 19 жовтня 2019 Поділитись Опубліковано: 19 жовтня 2019 Тобто чи хвататиме з квітня по жовтень. В этот период может и много будет, реальные отзывы есть о сезонках, время нагрева 100л бочки с 6 до 10 утра - 70 градусов. С вечера смонтированный коллектор. Трубки хорошо работают закат - рассвет. Плоские по нарастающей. Срок службы трубок - 10 лет. Отличие от плоских - замена трубок без вывода из эксплуатации. Плоские по сроку тоже 10 лет, замена только целиком, ремонту не подлежат. 1 Посилання на коментар Поділитися на інших сайтах More sharing options...
yurriy Опубліковано: 19 жовтня 2019 Поділитись Опубліковано: 19 жовтня 2019 Плоские по сроку тоже 10 лет, замена только целиком, ремонту не подлежат. Та ладно . В Израиле, на их лютом солнце, плоские коллекторы (те, что я точно знаю, бо они у одноклассника дома стоят) работают уже 17 лет. Коллекторы какие-то местные, не известные у нас. А трубки там не популярны, проблема с избыточным теплом сложно решается без наличия бассейна. Посилання на коментар Поділитися на інших сайтах More sharing options...
Sharkan Опубліковано: 19 жовтня 2019 Поділитись Опубліковано: 19 жовтня 2019 В этот период может и много будет, реальные отзывы есть о сезонках, время нагрева 100л бочки с 6 до 10 утра - 70 градусов. С вечера смонтированный коллектор. Трубки хорошо работают закат - рассвет. Плоские по нарастающей. Срок службы трубок - 10 лет. Отличие от плоских - замена трубок без вывода из эксплуатации. Плоские по сроку тоже 10 лет, замена только целиком, ремонту не подлежат. CXЩо мається на увазі під "сезонки" ? Посилання на коментар Поділитися на інших сайтах More sharing options...
Юрий_Нд Опубліковано: 21 жовтня 2019 Поділитись Опубліковано: 21 жовтня 2019 ... трубки быстро умирают ... можете пояснить "от чего"? Посилання на коментар Поділитися на інших сайтах More sharing options...
yurriy Опубліковано: 21 жовтня 2019 Поділитись Опубліковано: 21 жовтня 2019 можете пояснить "от чего"? В основном летом от перегрева и закипания теплоносителя в герметичной тепловой трубке. Из плоских можно сливать теплоноситель, не доводя до закипания. Посилання на коментар Поділитися на інших сайтах More sharing options...
Зелёный город Опубліковано: 21 жовтня 2019 Поділитись Опубліковано: 21 жовтня 2019 Що мається на увазі під "сезонки" ? Работают с водой, март-октябрь. Посилання на коментар Поділитися на інших сайтах More sharing options...
vas Опубліковано: 4 травня 2020 Поділитись Опубліковано: 4 травня 2020 Добрый день . Помогите разобраться . Установлена система из семи плоских солнечных коллекторов с насосной группой . Задача - греть воду в бойлере 300 литров . Излишками тепла греть бассейн . Бассейн круглогодичный , в помещении , 45м3 . Все было хорошо , пока не стало ярко светить солнце . Сначала накрылся насос . Человек , который мне все это монтировал пропал , от слова совсем . На телефон , в вайбер, не отвечает ни мне , ни тому кто мне его рекомендовал . К слову сказать , что он единственный с кем я не заключил договор . Насос купил из наличия , менее мощный . Теперь при достижения температуры в коллекторе выше 130 градусов , насос отключается . Может это и нормально . Но я почему то думаю , что насос и должен работать когда солнце светит . Спросить толком не у кого , наладчик автоматики по моей котельной чем смог - помог . Вопрос - ищу специалиста именно в этой сфере . Для консультации , наладки и обслуживания этой системы . Территориально -Бровары , спасибо . Посилання на коментар Поділитися на інших сайтах More sharing options...
Mlyki Опубліковано: 4 травня 2020 Поділитись Опубліковано: 4 травня 2020 Насос стоіть на обратці? Посилання на коментар Поділитися на інших сайтах More sharing options...
SintSolar Опубліковано: 5 травня 2020 Поділитись Опубліковано: 5 травня 2020 Добрый день . Помогите разобраться . Установлена система из семи плоских солнечных коллекторов с насосной группой . Задача - греть воду в бойлере 300 литров . Излишками тепла греть бассейн . Бассейн круглогодичный , в помещении , 45м3 . Все было хорошо , пока не стало ярко светить солнце . Сначала накрылся насос . Человек , который мне все это монтировал пропал , от слова совсем . На телефон , в вайбер, не отвечает ни мне , ни тому кто мне его рекомендовал . К слову сказать , что он единственный с кем я не заключил договор . Насос купил из наличия , менее мощный . Теперь при достижения температуры в коллекторе выше 130 градусов , насос отключается . Может это и нормально . Но я почему то думаю , что насос и должен работать когда солнце светит . Спросить толком не у кого , наладчик автоматики по моей котельной чем смог - помог . Вопрос - ищу специалиста именно в этой сфере . Для консультации , наладки и обслуживания этой системы . Территориально -Бровары , спасибо . По сути, ничего сложного в гелиосистеме нет, но можно конкретно напортачить во многих важных моментах... )) Для начала нужно понимать что и как у Вас было сделано: 1. Схема (мы понимаем, раз был Договор -значит была и схема...). 2. Смета или спецификация с названиями и маркировкой комплектующих (цены не интересуют, нужно понимать какие закладывались комплектующие...). 3. Фото (чем больше тем лучше - чтобы понимать что и как реально было смонтировано, т.к. смета это одно, а смонтировать могут другое ;) ). 4. План размещения (чтобы понимать длины, контруклоны и т.п.), хоть от руки. 5. Есть ли статистика по работе гелиосистемы? (данные на SD-карточке, система мониторинга или лог в памяти самого контроллера... ну, или Ваши наблюдения). В зависимости от объема полученных данных, проблему (если она есть) можно выявить дистанционно с вероятностью около 90-95%. Стандартно, в автоматике системы при температурах в солнечных коллекторах выше 130-140оС срабатывает защитное отключение циркуляции в гелиоконтуре (1 -от повреждения высокой температурой другого оборудования, которое стоит внизу; 2 - бессмысленно гонять циркуляционный насос, т.к. он не сможет передавить образовавшуюся паровую пробку.) Посилання на коментар Поділитися на інших сайтах More sharing options...
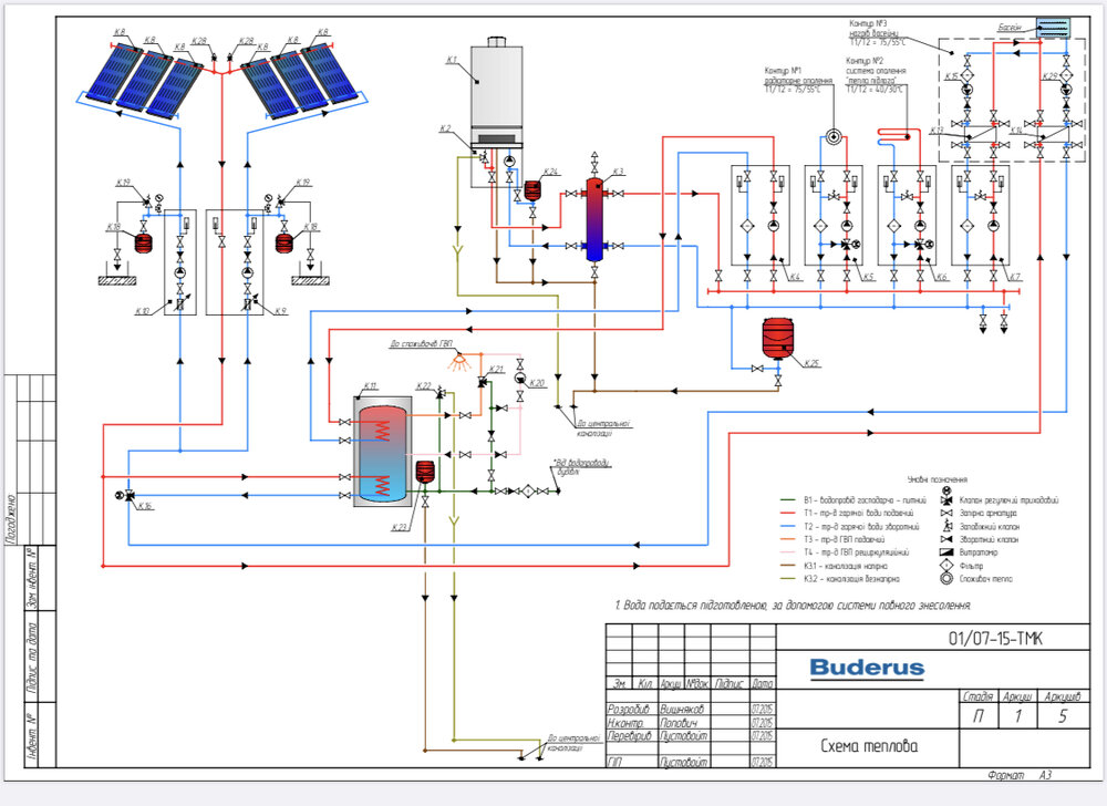
vas Опубліковано: 5 травня 2020 Поділитись Опубліковано: 5 травня 2020 Выставляю схемы и фото Посилання на коментар Поділитися на інших сайтах More sharing options...
Mlyki Опубліковано: 5 травня 2020 Поділитись Опубліковано: 5 травня 2020 Можливо причина поганоі циркуляціі в тому що, цирк. насос встановлено перед розширювальним бачком Посилання на коментар Поділитися на інших сайтах More sharing options...
SintSolar Опубліковано: 6 травня 2020 Поділитись Опубліковано: 6 травня 2020 (змінено) Можливо причина поганоі циркуляціі в тому що, цирк. насос встановлено перед розширювальним бачком Ні. У данному випадку, це не важливо... Выставляю схемы и фото Симпатичный домик! Теперь по пунктам: 1. Ну, наверное Вы сами видите, что Схема немного не соответствует (нет еще одной группы коллекторов и, соответственно еще однотрубного насосного модуля)... Я так понимаю, что было принято решение пока поставить только одну группу солнечных коллекторов... 2. В смете нет трубы, поэтому не понятен ее диаметр и длина... Косвенно, можно предположить (ориентируясь по фитингу), что это гофра Ду20, но без длины не ясно общее сопротивление контура. Также не понятны параметры Бойлера ГВ (модель?) и теплообменника (ТО) бассейна... Какая автоматика (контроллер)? 3. На фото не попал Бойлер и ТО бассейна (нужно понимать как подключены к ним трубы)... также не понятна длина труб до них... 4. Если будут длины труб, то без плана обойдемся. Но сделайте еще фото с двух боков, чтобы было понятно как уходят трубы от солнечных коллекторов до момента опуска. 5. Ура! ЕСТЬ МОНИТОРИНГ! Пожалуйста, выведите график за солнечный день когда система работает, нужны такие кривые: 1) температура солнечных коллекторов, 2) температура бойлера ГВ (нижней его части, но если есть, то можно и верх тоже), 3) температура воды бассейна/ТО бассейна, 4) температура "обратки" гелиоконтура, 5) обороты/частота работы гелионасоса, 6) скорость протока теплоносителя (модели насосной группы нет в смете, но возможно стоит электронный датчик, если нет, то при 100% работы гелионасоса вышлите фото расходомера - в нижней части под насосом со шкалой 8-28 l/min) 6) состояние ON/OFF трехходового клапана (переключение нагрева бойлер/бассейн). 7) состояние насоса по контуру воды бассейна. Какие стоят уставки в автоматике по граничным температурам от гелио: Бойлера ГВ и воды бассейна? К сожалению, с "электронными" насосам (синхронные двигатели с электроннной схемой управления частотой), который установлен у Вас, вариантов неисправностей несколько больше, чем в случае использования обычных асинхронников... Поэтому нужно сначала отбросить явные причины. Змінено 6 травня 2020 користувачем SintSolar Посилання на коментар Поділитися на інших сайтах More sharing options...
Рекомендовані повідомлення
Створіть акаунт або увійдіть у нього для коментування
Ви маєте бути користувачем, щоб залишити коментар
Створити акаунт
Зареєструйтеся для отримання акаунта. Це просто!
Зареєструвати акаунтУвійти
Вже зареєстровані? Увійдіть тут.
Увійти зараз