Перейти до публікації
Пошук в
  • Додатково...
Шукати результати, які містять...
Шукати результати в...

ГВС косвенник развязка на 2 температуры

standov

Рекомендовані повідомлення

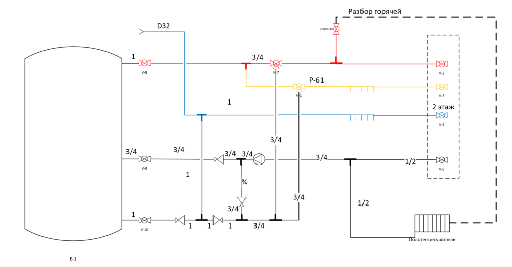
Есть задумка сделать "теплую" воду двух температур, одна обычная как у всех условно 50 и вторая "комнатная" 25, нужно это для 1) аквариума (основная причина) 2) устранения конденсата (это ридилось по ходу полета мысли).

 

Та которая 50 там с рециркуляцией

 

Почитав всякое родилась схема, прошу критики так как сам я дилетант.

На схеме 2 параллельных термостат-вентиля и вот у меня главный вопрос - не будут ли они друга друга передавливать? Ну и в целом что на схеме не правильно?)

 

ПС. Расширительные, ввод, группа безопасности условно не показаны

gvs.thumb.png.f7bd23d74e9183e0080281927c42fa2c.png

Посилання на коментар
Поділитися на інших сайтах

Створіть акаунт або увійдіть у нього для коментування

Ви маєте бути користувачем, щоб залишити коментар

Створити акаунт

Зареєструйтеся для отримання акаунта. Це просто!

Зареєструвати акаунт

Увійти

Вже зареєстровані? Увійдіть тут.

Увійти зараз
×
×
  • Створити...