workover Опубліковано: 6 листопада 2019 Поділитись Опубліковано: 6 листопада 2019 (змінено) Нужен совет в следующем вопросе: Частный дом, первый этаж 60 м2 и второй этаж 90м2. Решил делать теплые полы, первый этаж 8 контуров, второй этаж тоже 8 контуров. Трубу планирую RAUTHERM S 17мм. Отопление: электрический котел 12кВт, суть вопроса в чем, возможно ли две гребенки по 8 выходов поставить параллельно с частотным насосом и запитать от котла BOSCH TRONIC HEAT 3500 12 UA Змінено 7 листопада 2019 користувачем Хохол убрал ссылку Посилання на коментар Поділитися на інших сайтах More sharing options...
murava Опубліковано: 6 листопада 2019 Поділитись Опубліковано: 6 листопада 2019 Можно, но если ставите допнасос, развяжите котел и систему гидрострелкой или чем-то подобным. 2 Посилання на коментар Поділитися на інших сайтах More sharing options...
Heliopolis Опубліковано: 6 листопада 2019 Поділитись Опубліковано: 6 листопада 2019 (змінено) Нужен совет в следующем вопросе: Частный дом, первый этаж 60 м2 и второй этаж 90м2. Решил делать теплые полы, первый этаж 8 контуров, второй этаж тоже 8 контуров. Трубу планирую RAUTHERM S 17мм. Отопление: электрический котел 12кВт, суть вопроса в чем, возможно ли две гребенки по 8 выходов поставить параллельно с частотным насосом и запитать от котла BOSCH TRONIC HEAT 3500 12 UA. А чем Вам насос котла не угодил? Температуру подачи не превышайте рекомендованную для ТП и гидравлическое сопротивление петли ТП не более 20 кПа. Змінено 7 листопада 2019 користувачем Хохол Посилання на коментар Поділитися на інших сайтах More sharing options...
workover Опубліковано: 7 листопада 2019 Автор Поділитись Опубліковано: 7 листопада 2019 А чем Вам насос котла не угодил? Температуру подачи не превышайте рекомендованную для ТП и гидравлическое сопротивление петли ТП не более 20 кПа. В том то и дело, получается 24кПа. на петлю. Посилання на коментар Поділитися на інших сайтах More sharing options...
shneider_vova Опубліковано: 7 листопада 2019 Поділитись Опубліковано: 7 листопада 2019 В том то и дело, получается 24кПа. на петлю. откуда это получается? какой самый длинный контур? Посилання на коментар Поділитися на інших сайтах More sharing options...
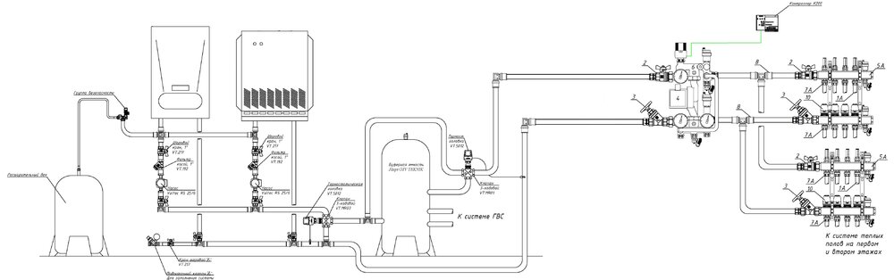
workover Опубліковано: 19 грудня 2019 Автор Поділитись Опубліковано: 19 грудня 2019 Присмотрел для себя более менее подходящую схему от ВАЛТЕКа. Рассматриваю её чисто как принципиальную, комплектующие будут другие, часть которых уже прикупил благодаря Андрею murava. Хотел бы услышать мнение, советы или рекомендации, что убрать что добавить. В планах два котла (электро и ТТ), теплоаккумулятор 0,5м3(примерно) два коллектора на два этажа по 8 контуров. Заранее буду благодарен за ответы. Посилання на коментар Поділитися на інших сайтах More sharing options...
Vito black Опубліковано: 19 грудня 2019 Поділитись Опубліковано: 19 грудня 2019 А так тоже можно было ... ? ))) Посилання на коментар Поділитися на інших сайтах More sharing options...
workover Опубліковано: 19 грудня 2019 Автор Поділитись Опубліковано: 19 грудня 2019 А так тоже можно было ... ? ))) Хочу спросить, а суть вопроса в чем, если честно я не понял Вашей реплики, объясните мне несведущему. Посилання на коментар Поділитися на інших сайтах More sharing options...
Vito black Опубліковано: 19 грудня 2019 Поділитись Опубліковано: 19 грудня 2019 Хочу спросить, а суть вопроса в чем, если честно я не понял Вашей реплики, объясните мне несведущему. Ну у нормальных электрокотлов слева - обратка. То вопрос не к Вам, а к схеме. По схеме (всей) слева - имеют ввиду "подачу" - направление потока от котла вниз, насос на подаче. Прогнать го..но ч\з котел и отобрать его перед насосом на "подаче" - ИМХО - бред. Стоимость котла и стоимость насоса ... 1 Посилання на коментар Поділитися на інших сайтах More sharing options...
workover Опубліковано: 20 грудня 2019 Автор Поділитись Опубліковано: 20 грудня 2019 Ну у нормальных электрокотлов слева - обратка. То вопрос не к Вам, а к схеме. По схеме (всей) слева - имеют ввиду "подачу" - направление потока от котла вниз, насос на подаче. Прогнать го..но ч\з котел и отобрать его перед насосом на "подаче" - ИМХО - бред. Стоимость котла и стоимость насоса ... Спасибо. Теперь понятно, учту при сборке. На своем котле ещё не смотрел. Будут ли ещё какие то замечания по схеме? Посилання на коментар Поділитися на інших сайтах More sharing options...
naupv Опубліковано: 20 грудня 2019 Поділитись Опубліковано: 20 грудня 2019 Ну у нормальных электрокотлов слева - обратка. Это у каких, простите? Протерм, Вайлант, Тенко................? Посилання на коментар Поділитися на інших сайтах More sharing options...
Vito black Опубліковано: 21 грудня 2019 Поділитись Опубліковано: 21 грудня 2019 Это у каких, простите? Протерм, Вайлант, Тенко................? Протерм, Вайлант - обратка слева. Тенко - не устанавливал, не знаю. Посилання на коментар Поділитися на інших сайтах More sharing options...
naupv Опубліковано: 21 грудня 2019 Поділитись Опубліковано: 21 грудня 2019 Протерм, Вайлант - обратка слева. Тенко - не устанавливал, не знаю. Я не про лево-право. Я интересовался вашим мнением о нормальных котлах Посилання на коментар Поділитися на інших сайтах More sharing options...
y-dom Опубліковано: 26 грудня 2019 Поділитись Опубліковано: 26 грудня 2019 Вопрос по схеме. Она вообще рабочая? Зачем 2 трехходовых, которые обратку регулируют? Посилання на коментар Поділитися на інших сайтах More sharing options...
Рекомендовані повідомлення
Створіть акаунт або увійдіть у нього для коментування
Ви маєте бути користувачем, щоб залишити коментар
Створити акаунт
Зареєструйтеся для отримання акаунта. Це просто!
Зареєструвати акаунтУвійти
Вже зареєстровані? Увійдіть тут.
Увійти зараз