Dendnepr Опубліковано: 11 березня 2023 Поділитись Опубліковано: 11 березня 2023 В 12.11.2019 в 22:34, SON сказал: Так бы и сразу. Если в электрических схемах не сильны, поясню словами. А можно на словах? Два проводных термостата. По насосу на каждый этаж. Как включать 6асосы - понятно, а как ещё и сделать так, чтоб котел тоже отключался, когда нет разбора тепла? При этом не могу решить вопрос -Как нужно сделать развязку сигнала с двух термостатов, чтоб они не включали чужие реле и при этом проходили на котел Посилання на коментар Поділитися на інших сайтах More sharing options...
Dendnepr Опубліковано: 11 березня 2023 Поділитись Опубліковано: 11 березня 2023 Сам термостат питание же не даёт. Тоже где-то взять надо. Что-то я запутался. Какая о третья релюшка нужнанавкрное, с двумя независимыми каналами управления нагрузкой Посилання на коментар Поділитися на інших сайтах More sharing options...
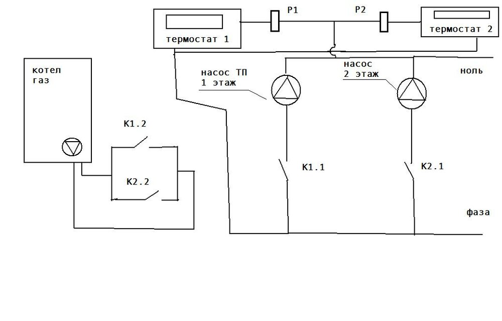
Dendnepr Опубліковано: 11 березня 2023 Поділитись Опубліковано: 11 березня 2023 В 23.11.2019 в 22:45, pdf сказал: Всё работает, спасибо! У меня это получилось вот так Релюшки взял поменьше, тихие. Можно подробнее. Какие термостаты? К какому контракту реле что подключено? Спасибо Посилання на коментар Поділитися на інших сайтах More sharing options...
k-master Опубліковано: 11 березня 2023 Поділитись Опубліковано: 11 березня 2023 16 хвилин тому, Dendnepr сказав: Сам термостат питание же не даёт. Тоже где-то взять надо. Что-то я запутался. Какая о третья релюшка нужнанавкрное, с двумя независимыми каналами управления нагрузкой Термостати на схемі ті, котрі наприклад керують електричною теплою підлогою, там вихід 220 і замість теплої підлоги вмикається реле. 1 Посилання на коментар Поділитися на інших сайтах More sharing options...
Dendnepr Опубліковано: 11 березня 2023 Поділитись Опубліковано: 11 березня 2023 Ещё одно усложнение. Есть ещё ТТ котел. Когда он топит - нужно, чтоб насосы не реагировали на команду термостата. Посилання на коментар Поділитися на інших сайтах More sharing options...
k-master Опубліковано: 11 березня 2023 Поділитись Опубліковано: 11 березня 2023 1 годину тому, Dendnepr сказав: Ещё одно усложнение. Есть ещё ТТ котел. Когда он топит - нужно, чтоб насосы не реагировали на команду термостата. Ну так додай послідовно з насосами контакти нормально замкнутого реле, котре буде вмикатись одночасно з насосом ТП котла Посилання на коментар Поділитися на інших сайтах More sharing options...
Dendnepr Опубліковано: 25 грудня 2024 Поділитись Опубліковано: 25 грудня 2024 Посилання на коментар Поділитися на інших сайтах More sharing options...
Рекомендовані повідомлення
Створіть акаунт або увійдіть у нього для коментування
Ви маєте бути користувачем, щоб залишити коментар
Створити акаунт
Зареєструйтеся для отримання акаунта. Це просто!
Зареєструвати акаунтУвійти
Вже зареєстровані? Увійдіть тут.
Увійти зараз