Fuzik Опубліковано: 17 листопада 2009 Поділитись Опубліковано: 17 листопада 2009 Котел двухконтурный с битермическим теплообменником уже есть. Задался вопросом подключить к нему бойлер. Система ГВС с циркуляцией воды. Завязать на котел так что бы насос циркуляции при остывании воды в бойлере прогонял воду через котел для подогрева. Я так понимаю что на треходовом клапане надо собрать, что бы обратку циркуляции запускал на котел. Посилання на коментар Поділитися на інших сайтах More sharing options...
b2fshen Опубліковано: 18 листопада 2009 Поділитись Опубліковано: 18 листопада 2009 Можно сделать! www.stroimdom.com.ua/forum/showpost.php?p=137844&postcount=15 схему смотрите в 23м посте. Все работает. Разница лишь в том, что у вас бойлер будет внешний, и термодатчик будет стоять не в насосе как у меня, а в бойлере. Но! Если в котле на ГВС есть датчик протока (открыли горячий кран - побежала вода - котел включился на ГВС), то котел будет очень часто переключаться с отопления на ГВС, что не есть гут (как у человека в 41 посте). В моем котле ГВС включается, когда падает температура в бойлере. Посилання на коментар Поділитися на інших сайтах More sharing options...
Теплотехник Опубліковано: 18 листопада 2009 Поділитись Опубліковано: 18 листопада 2009 Котел двухконтурный с битермическим теплообменником уже есть. Задался вопросом подключить к нему бойлер. Система ГВС с циркуляцией воды. Завязать на котел так что бы насос циркуляции при остывании воды в бойлере прогонял воду через котел для подогрева. Я так понимаю что на треходовом клапане надо собрать, что бы обратку циркуляции запускал на котел. Если честно, то вообще не понял что вы хотите сделать? И можете написать какой конкретно у Вас котёл? Посилання на коментар Поділитися на інших сайтах More sharing options...
RMP3000 Опубліковано: 18 листопада 2009 Поділитись Опубліковано: 18 листопада 2009 сделаем звони свободны Посилання на коментар Поділитися на інших сайтах More sharing options...
Fuzik Опубліковано: 18 листопада 2009 Автор Поділитись Опубліковано: 18 листопада 2009 Если честно, то вообще не понял что вы хотите сделать? И можете написать какой конкретно у Вас котёл? Котел Беретта с ГВС, теплообменник битермический. Хочу поставить эл. бойлер вместо косвенного нагрева. От выхода ГВС котла пустить воду в бойлер и сделать циркуляцию ГВС. Что бы насос гонял воду по кругу через бойлер а когда подача начнет остывать то этот же насос начинает перегонять воду из обратки на подачу в котел. Соответственно котел в это время начинает подогревать воду, там датчик протока. Как подача достигла температуры то переключается циркуляция мимо котла. Видимо надо трехходовой клапан с выносным датчиком на подачу от бойлера, или в сам бойлер встроить? В общем схемку пока не придумал. Суть в том что не хочется ждать появления горячей воды в кране а до него 7 метров. Посилання на коментар Поділитися на інших сайтах More sharing options...
Fuzik Опубліковано: 18 листопада 2009 Автор Поділитись Опубліковано: 18 листопада 2009 сделаем звони свободны Спасибо но и сами с усами, поняв схемку уж наваяю сам. Посилання на коментар Поділитися на інших сайтах More sharing options...
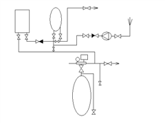
Сергей 31 Опубліковано: 18 листопада 2009 Поділитись Опубліковано: 18 листопада 2009 Вот, самое простое.План ввода воды (WinCE).bmp Посилання на коментар Поділитися на інших сайтах More sharing options...
Fuzik Опубліковано: 18 листопада 2009 Автор Поділитись Опубліковано: 18 листопада 2009 А не самое простое какое? Точней какое самое правильное? Посилання на коментар Поділитися на інших сайтах More sharing options...
Fuzik Опубліковано: 19 листопада 2009 Автор Поділитись Опубліковано: 19 листопада 2009 C самого утра осенила полезная мысль, в эл. бойлере уже есть свой термостат который включает тены. Значит осталось поставить переключатель и эл. клапан. Переключателем можно выбрать отправить воду в котел на подогрев или включить тены бойлера Посилання на коментар Поділитися на інших сайтах More sharing options...
Теплотехник Опубліковано: 19 листопада 2009 Поділитись Опубліковано: 19 листопада 2009 Котел Беретта с ГВС, теплообменник битермический. Хочу поставить эл. бойлер вместо косвенного нагрева. От выхода ГВС котла пустить воду в бойлер и сделать циркуляцию ГВС. Что бы насос гонял воду по кругу через бойлер а когда подача начнет остывать то этот же насос начинает перегонять воду из обратки на подачу в котел. Соответственно котел в это время начинает подогревать воду, там датчик протока. Как подача достигла температуры то переключается циркуляция мимо котла. Видимо надо трехходовой клапан с выносным датчиком на подачу от бойлера, или в сам бойлер встроить? В общем схемку пока не придумал. Суть в том что не хочется ждать появления горячей воды в кране а до него 7 метров. Так пусть котёл греет в бойлер, а ТЭНом догреете если понадобиться... Зачем удорожать систему? Посилання на коментар Поділитися на інших сайтах More sharing options...
Fuzik Опубліковано: 19 листопада 2009 Автор Поділитись Опубліковано: 19 листопада 2009 Так пусть котёл греет в бойлер, а ТЭНом догреете если понадобиться... Зачем удорожать систему? циркуляция сожрет температуру, придется все время тэну греть. Пока газ дешевле то надо передогревать газом Посилання на коментар Поділитися на інших сайтах More sharing options...
Теплотехник Опубліковано: 20 листопада 2009 Поділитись Опубліковано: 20 листопада 2009 циркуляция сожрет температуру, придется все время тэну греть. Пока газ дешевле то надо передогревать газом Утеплите нормально трубы и ничего она не сожрёт... Вы посчитайте затраты, и подумайте вообще оно Вам надо? Надо было сразу взять котёл со встроенным бойлером... Посилання на коментар Поділитися на інших сайтах More sharing options...
Fuzik Опубліковано: 20 листопада 2009 Автор Поділитись Опубліковано: 20 листопада 2009 Утеплите нормально трубы и ничего она не сожрёт... Вы посчитайте затраты, и подумайте вообще оно Вам надо? Надо было сразу взять котёл со встроенным бойлером... Котел брал с рук, по этому не выбирал а брал что было подходящее. Посилання на коментар Поділитися на інших сайтах More sharing options...
Fuzik Опубліковано: 22 листопада 2009 Автор Поділитись Опубліковано: 22 листопада 2009 Что то так быстро закончились идеи? Посилання на коментар Поділитися на інших сайтах More sharing options...
Рекомендовані повідомлення
Створіть акаунт або увійдіть у нього для коментування
Ви маєте бути користувачем, щоб залишити коментар
Створити акаунт
Зареєструйтеся для отримання акаунта. Це просто!
Зареєструвати акаунтУвійти
Вже зареєстровані? Увійдіть тут.
Увійти зараз