Aleksandr Vorontsov Опубліковано: 21 вересня 2024 Поділитись Опубліковано: 21 вересня 2024 Є інвертор must pv18-3224 та квартира в якій 3 фази. На одній фазі зібрані всі необхідні споживачі на випадок блекауту, хочу, щоб у момент, відключення світла інвертор працював тільки на них, але щось не можу розібратися з нульовим дротом. У квартирі є нуль та земля, тобто. приходить 5 проводів, заходять у загальний рубильник, потім ПЗВ, потім розходиться на споживачі 16 автоматів та один потрійний для плити. Наскільки я розумію, мені потрібно розірвати необхідну фазу і через 3х позиційний перемикач додати інвертор. Бентежить нуль, власне інвертор видаватиме свій нуль у мережу, т.я. до нього входить загальний нуль і на виході він іде до колодки. Потрібно відокремлювати нуль від інших споживачів, чи нуль залишаеться спільним ? Деякі люди стверджують, що потрібно окремо збирати группу нулів, які я хочу використовувати при резервному живленні, але я не зовсім розумію навіщо, більше того як це зробити )) Посилання на коментар Поділитися на інших сайтах More sharing options...
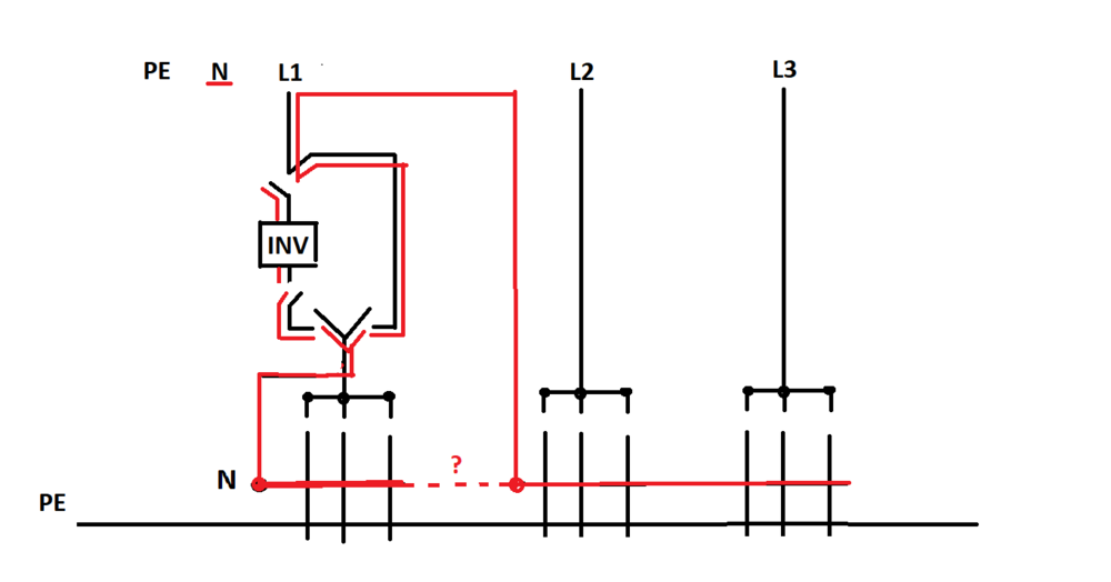
Shturman1 Опубліковано: 22 вересня 2024 Поділитись Опубліковано: 22 вересня 2024 Я напишу як було з моїм домашнім інвертором. Коли я вихід нуля його підключив на загальну шинку, то при перемиканні перемикачем на режим живлення від інвертора він вивалювався в помилку і нічого не працювало від нього. Я взяв двополюсний перемикач щоб і нуль від інвертора перемикати і тоді все запрацювало. Скажу більше по роботі доводилось підключати інші інвертори так от в тих інверторах нулі можна не розділяти. Коротше для себе вирішив що це залежить від конкретного інвертора. Я би все таки зробив окрему нульову шинку для споживачів інвертора але для цього треба використати двополюсний перемикач І-О-ІІ . На вашій схемі і показаний той перемикач як двополюсний Посилання на коментар Поділитися на інших сайтах More sharing options...
Shturman1 Опубліковано: 22 вересня 2024 Поділитись Опубліковано: 22 вересня 2024 Посилання на коментар Поділитися на інших сайтах More sharing options...
Aleksandr Vorontsov Опубліковано: 29 вересня 2024 Автор Поділитись Опубліковано: 29 вересня 2024 Дякую, за відповідь, саме так і планував, але сумнівався. Лишається відокремити нулі, таке собі питання ...... Посилання на коментар Поділитися на інших сайтах More sharing options...
Рекомендовані повідомлення
Створіть акаунт або увійдіть у нього для коментування
Ви маєте бути користувачем, щоб залишити коментар
Створити акаунт
Зареєструйтеся для отримання акаунта. Це просто!
Зареєструвати акаунтУвійти
Вже зареєстровані? Увійдіть тут.
Увійти зараз