Перейти до публікації
Пошук в
  • Додатково...
Шукати результати, які містять...
Шукати результати в...

Проект 2-х этажного дома на критику и обсуждение

master_yan

Рекомендовані повідомлення

Не прошло и года как мы вместе с архитектором родили проект будущего дома.

Теперь, после долгих споров с женой, переборов вариантов предложенных архитектором, пересмотренных проектов в нете - выкладываю на обсуждение и критику то что получилось...

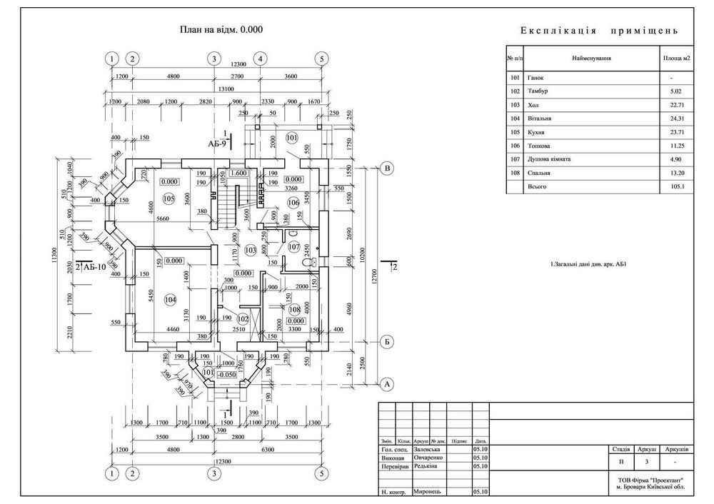
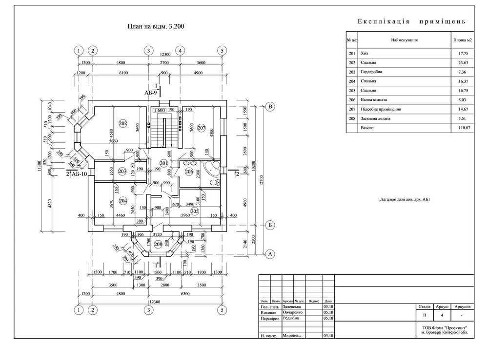
1351095452_1.thumb.jpg.ae35982a535ecc89136f0b4a936ccc34.jpg

1789256456_2.thumb.jpg.e8e38895378154b0ca9fdb52200a359c.jpg

2140763671_3.thumb.jpg.4b57fff5cce6d59adefe9d2a3706b426.jpg

162425610_4.thumb.jpg.3149d19eec516826c73f7de7eb5992a7.jpg

990658012_5.thumb.jpg.fe29dedb4dc40c7d5a5a1d211b015d1c.jpg

1296862435_6.thumb.jpg.1830c19d39214a50935e5384fba23b2f.jpg

 

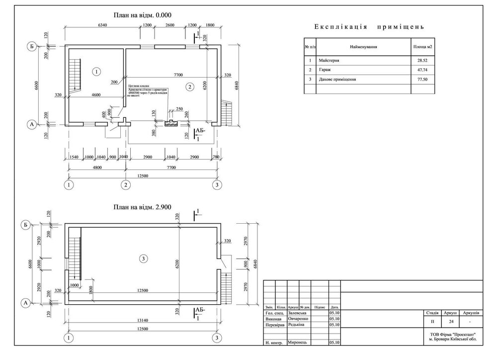
Поскольку грунтовые воды на участке ну ооочень близко к поверхности - от цоколя оказались, да и фундамент пришлось делать усиленный.

Вместо цоколя решили построить небольшой гараж рядом

1019948006_1.thumb.jpg.a03f618320f98f856be3c95af9ff0fb0.jpg

950555548_2.thumb.jpg.0f915da5c591a75df6a86d48cc69071a.jpg

 

Расположение дома относительно сторон света - парадный вход - Юго-Запад.

Гараж будет находиться за домом.

 

Облицовка дома - кирпич Евротон Желтый. Еще думаем над цветными вставками для разнообразия фасада.

 

П.С. По внешнему виду сильно не пинайте, знаю что фасад "немного старомоден" - но мне так нравится :) Тераса отсутствует - вместо нее планирую капитальную беседку с мангалом и удобными скамейками по периметру...

Посилання на коментар
Поділитися на інших сайтах

Прошу прощения за назойливость, но я не могу понять, то ли проект совсем не интересен, то ли просто жара на улице и всем нам лень писать комментарии ? :)
Посилання на коментар
Поділитися на інших сайтах

Прошу прощения за назойливость, но я не могу понять, то ли проект совсем не интересен, то ли просто жара на улице и всем нам лень писать комментарии ? :)

 

1. Проект - интересен...дайте время переварить...

2.Жара таки началась - с чем всех и поздравляю...

3.Не лень - многие в "полях" и за день столько "инфы"...что уже и моск не справляется...

....Ждите ответов...:D...и будет вам счастье....:beer:

Посилання на коментар
Поділитися на інших сайтах

лично я отказываюсь это критиковать.

все здесь правильно, как панельный дом которых тысячи.

Посилання на коментар
Поділитися на інших сайтах

лично я отказываюсь это критиковать.

все здесь правильно, как панельный дом которых тысячи.

 

А никто никого и не заставляет :)

Посилання на коментар
Поділитися на інших сайтах

  • 4 місяці потому...
Привет, Вы начали строить? Я планирую дом подобный Вашему. Поделитесь инфой о стоимости. Какой фундамент? Из чего стены и перкрытия? Плз.
Посилання на коментар
Поділитися на інших сайтах

Привет, Вы начали строить? Я планирую дом подобный Вашему. Поделитесь инфой о стоимости. Какой фундамент? Из чего стены и перкрытия? Плз.

 

Приветствую!

 

В этом году со строительством дома не срослось, а вот гаражик (планы есть в первом сообщении) уже заканчиваем.

 

По будущему дому расклад такой

Фундамент : монолитная подушка - 2 ряда ФБСов + монолитный армопояс.

Пирог стены: блоки Кератерм или Поротерм 38 см - воздушная прослойка (возможно с засыпкой перлитом) - облицовочный кирпич Евротон.

Перекрытия ЖБ панели как на первом так и на втором этаже.

 

Относительно стоимости - могу дать полный расклад по гаражу, по всем материалам; по работам не скажу - так как все делали сами.

Фундамент гаража - монолитная подушка + ряд ФБСов; стена - блок бетонный 20х20х40 + облицовочный кирпич; перекрытия ЖБ панели; чердак холодный, кровля битумная черепица.

 

Из того что просчитывал на дом - просчитал стоимость фундамента (материалов и работ выполняемых наемной техникой) получилось около 70 - 80 тыс грн.

 

После постройки гаража понял, что сами не осилим сделать коробку за 1 строительный сезон :( Придется нанимать гастарбайтеров.

В итоге по постройке коробки дома планирую уложиться в 35-40 тыс. американских денег. Это по расценкам на сегодняшний день. Что будет весной - посмотрим.

  • Лайк 1
Посилання на коментар
Поділитися на інших сайтах

Створіть акаунт або увійдіть у нього для коментування

Ви маєте бути користувачем, щоб залишити коментар

Створити акаунт

Зареєструйтеся для отримання акаунта. Це просто!

Зареєструвати акаунт

Увійти

Вже зареєстровані? Увійдіть тут.

Увійти зараз
×
×
  • Створити...