Сергей 31 Опубліковано: 21 квітня 2013 Автор Поділитись Опубліковано: 21 квітня 2013 понял я))) ты написал о помощниках, Как раз помощник и нужен. Больше смогу сделать. Отдать, да не вопрос, скажи кому? По квартирам я давно все Сереге отдаю. 1 Посилання на коментар Поділитися на інших сайтах More sharing options...
REYDER Опубліковано: 21 квітня 2013 Поділитись Опубліковано: 21 квітня 2013 Отдать, да не вопрос, скажи кому? Я бы Сане Корни отдал. Посилання на коментар Поділитися на інших сайтах More sharing options...
Сергей 31 Опубліковано: 21 квітня 2013 Автор Поділитись Опубліковано: 21 квітня 2013 Я бы Сане Корни отдал. Он свой кайт на котельные не променяет. 1 Посилання на коментар Поділитися на інших сайтах More sharing options...
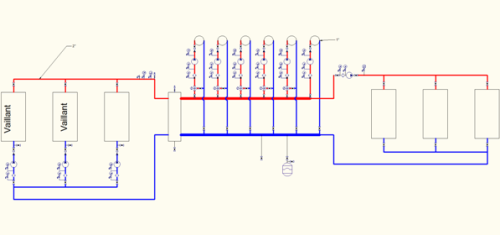
troll_9000 Опубліковано: 21 квітня 2013 Поділитись Опубліковано: 21 квітня 2013 Сижу, рисую потихоньку Схема_топочной_2.bmp Посилання на коментар Поділитися на інших сайтах More sharing options...
GeoTeplo Опубліковано: 21 квітня 2013 Поділитись Опубліковано: 21 квітня 2013 Сижу, рисую потихоньку [ATTACH]269912[/ATTACH] а что за три неопознанных обьекта справа от потребителей? Посилання на коментар Поділитися на інших сайтах More sharing options...
troll_9000 Опубліковано: 21 квітня 2013 Поділитись Опубліковано: 21 квітня 2013 Косвенники. Еще не знаю, 2 будет или 3. Туда еще солар-систему прикрутить надо будет, ее еще не нарисовал Посилання на коментар Поділитися на інших сайтах More sharing options...
Сергей 31 Опубліковано: 21 квітня 2013 Автор Поділитись Опубліковано: 21 квітня 2013 Поиском наберии (De Dietrich гидравлика котельных ) И тогда этот рисуной может начнет напоминать котельную. 1 Посилання на коментар Поділитися на інших сайтах More sharing options...
Aleksandr17 Опубліковано: 21 квітня 2013 Поділитись Опубліковано: 21 квітня 2013 (змінено) Сижу, рисую потихоньку Так же сидел над схемой пару дней назад, теперь нужно план труб, разрезы,...доделать Змінено 21 квітня 2013 користувачем Aleksandr17 1 Посилання на коментар Поділитися на інших сайтах More sharing options...
troll_9000 Опубліковано: 21 квітня 2013 Поділитись Опубліковано: 21 квітня 2013 Похоже, не я один ищу и качаю Посилання на коментар Поділитися на інших сайтах More sharing options...
Aleksandr17 Опубліковано: 21 квітня 2013 Поділитись Опубліковано: 21 квітня 2013 troll_9000 Я не качаю, а придумываю, что-то спрашиваю, так и вырисовывается картинка. Посилання на коментар Поділитися на інших сайтах More sharing options...
troll_9000 Опубліковано: 21 квітня 2013 Поділитись Опубліковано: 21 квітня 2013 ИМХО, Сергей 31 плохого не посоветует. Может, там действительно есть то, чего я не знаю Добавлено через 12 минут И тогда этот рисуной может начнет напоминать котельную. А что сейчас не по фен-шую? Посилання на коментар Поділитися на інших сайтах More sharing options...
Сергей 31 Опубліковано: 21 квітня 2013 Автор Поділитись Опубліковано: 21 квітня 2013 Много чего дорисовывать нужно. Посилання на коментар Поділитися на інших сайтах More sharing options...
troll_9000 Опубліковано: 21 квітня 2013 Поділитись Опубліковано: 21 квітня 2013 Да ладно, чего там дорисовывать? Это не предложение сделать схему за меня, а так, хочется от опытного человека что-то новое узнать (брошюра зависает, качается долго) Посилання на коментар Поділитися на інших сайтах More sharing options...
Сергей 31 Опубліковано: 21 квітня 2013 Автор Поділитись Опубліковано: 21 квітня 2013 Да ладно, чего там дорисовывать? Какой ты быстрый. У меня на рисование такой схемы может и неделя уйти. Посилання на коментар Поділитися на інших сайтах More sharing options...
troll_9000 Опубліковано: 21 квітня 2013 Поділитись Опубліковано: 21 квітня 2013 Так я неделю и считал размеры коллекторов, гидрострелки А счес сижу, рисую, краники с насосиками подписываю Посилання на коментар Поділитися на інших сайтах More sharing options...
REYDER Опубліковано: 21 квітня 2013 Поділитись Опубліковано: 21 квітня 2013 У меня на рисование такой схемы может и неделя уйти. принципиальной или монтажной? Посилання на коментар Поділитися на інших сайтах More sharing options...
red baron Опубліковано: 21 квітня 2013 Поділитись Опубліковано: 21 квітня 2013 Так же сидел над схемой пару дней назад, теперь нужно план труб, разрезы,...доделать позвольте спросить - зачем делаете по ГВС такое разделение - аж 3 косвеника? не лучше ли поставить 2 бикосвеника (ну если так надо много горячей воды). Я так понимаю 2 гелиополя – оно из них для поддержки отопления или …. (там просто не очень понятно) я на личном опыте убедился что не есть гуд когда вода в главный косвеник ГВС предварительно нагревается в другой емкости.... И не подскажите, что у Вас получилось по расчетам – диаметр гребенки? Посилання на коментар Поділитися на інших сайтах More sharing options...
Сергей 31 Опубліковано: 21 квітня 2013 Автор Поділитись Опубліковано: 21 квітня 2013 принципиальной или монтажной? Мне принципиальная ненужна. Поболтать с заказчиком, осмыслить систему, уточнить какое оборудование и управление, нарисовать, пару раз дорисовать что забыл или переделать по-другому. Порторговаться с приточниками, бассейнщиками и.т.д. Вот и уходит неделя. Если похожая котельная уже была, то конечно быстрее. Добавлено через 2 минуты я на личном опыте убедился что не есть гуд: А сколько в Одессе солнечныд дней в году? Посилання на коментар Поділитися на інших сайтах More sharing options...
red baron Опубліковано: 21 квітня 2013 Поділитись Опубліковано: 21 квітня 2013 ну если верить интернет ресурсам- превышает 290дней просто у меня реализована система нагрева ГВС и поддержка отопления на крыше стоит 16м2 плоских панелей и бочка ГВС на 500л так за зиму (возможно из-за моря), не разу не видил что включалась поддержка так как в январе на 1 м2 горизонтальной площади падает в СУТКИ чуть более 2кВт солнечной энергии Посилання на коментар Поділитися на інших сайтах More sharing options...
Сергей 31 Опубліковано: 21 квітня 2013 Автор Поділитись Опубліковано: 21 квітня 2013 ну если верить интернет ресурсам- превышает 290дней Везет Вам. Посилання на коментар Поділитися на інших сайтах More sharing options...
red baron Опубліковано: 21 квітня 2013 Поділитись Опубліковано: 21 квітня 2013 Везет Вам. переезжайте к нам в ОДЕССУ :beer: Посилання на коментар Поділитися на інших сайтах More sharing options...
Aleksandr17 Опубліковано: 21 квітня 2013 Поділитись Опубліковано: 21 квітня 2013 red baron, Все оборудование Виссманн (так по тех.заданию было) и эта схема согласована с производителем. 3-ий по заданию, должен греть теплый пол летом(это дом для онкобольных детей). Диаметр еще не прикидывал (будет наверное ф89). Это я сделал стадию Проект, рабочку буде еще дорабатывать. Почему перетекание ГВ из одного косвенника в другой плохо? Посилання на коментар Поділитися на інших сайтах More sharing options...
red baron Опубліковано: 21 квітня 2013 Поділитись Опубліковано: 21 квітня 2013 red baron, Все оборудование Виссманн (так по тех.заданию было) и эта схема согласована с производителем. 3-ий по заданию, должен греть теплый пол летом(это дом для онкобольных детей). Диаметр еще не прикидывал (будет наверное ф89). Это я сделал стадию Проект, рабочку буде еще дорабатывать. Почему перетекание ГВ из одного косвенника в другой плохо? потери... 2 бивалентных на 750л было бы само оно и даже дешевле и более эфективно будет контроллер этим управлять.... DRAZICE на 750л с двумя теплообменика стоит в розницу 2300евро солнечный - 33кВт, котельный - 66кВт... жалко что нет на такую мощность 100 серии... Тода можно было бы поставить контроллер Honeywell 12-31N - и у Вас будет по функциональности 200 серия..... 1 Посилання на коментар Поділитися на інших сайтах More sharing options...
BrotherSam Опубліковано: 22 квітня 2013 Поділитись Опубліковано: 22 квітня 2013 осталось только их контактами поделиться 3 Посилання на коментар Поділитися на інших сайтах More sharing options...
Korni Опубліковано: 22 квітня 2013 Поділитись Опубліковано: 22 квітня 2013 ребята просто профи! Побыстрее дайте их телефон!!!!!!!!!! Срочно!!!!! 1 Посилання на коментар Поділитися на інших сайтах More sharing options...
Рекомендовані повідомлення
Створіть акаунт або увійдіть у нього для коментування
Ви маєте бути користувачем, щоб залишити коментар
Створити акаунт
Зареєструйтеся для отримання акаунта. Це просто!
Зареєструвати акаунтУвійти
Вже зареєстровані? Увійдіть тут.
Увійти зараз