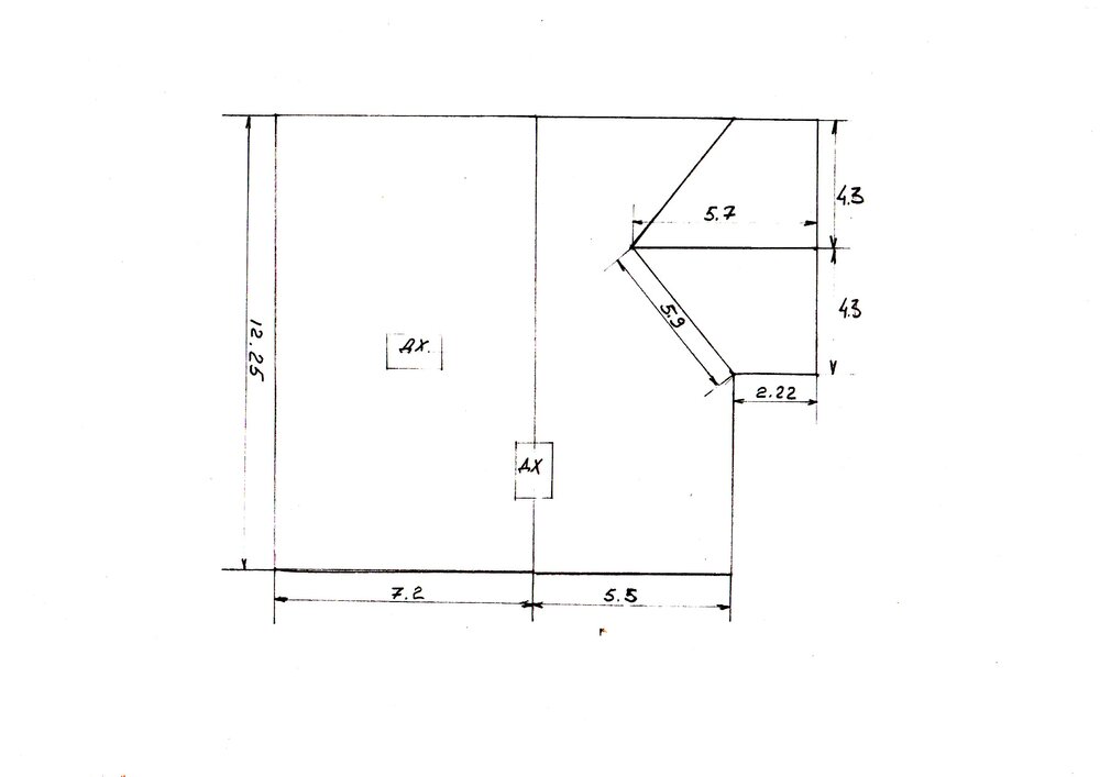
Vikx Опубліковано: 22 листопада 2010 Поділитись Опубліковано: 22 листопада 2010 Вот и пробил час "Ч" Хочу крышу!!!:D Остановился на производителе Руки. Цвет - красный. Нужно просчитать 4 варианта полного комплекта!! 1 Монтерей глянец. 2 Монтерей мат. 3 Финера глянец. 4 Финера мат. Приблизительный план прилагаю. Также отдельно: система водостока, подшивка, утеплитель 50мм за м2 (базальт и минерал), паробарьер. Гидробарьер уже есть! Предложения на мыло kh_victor@ukr.net Посилання на коментар Поділитися на інших сайтах More sharing options...
aidback Опубліковано: 22 листопада 2010 Поділитись Опубліковано: 22 листопада 2010 Вот и пробил час "Ч" Хочу крышу!!!:D Остановился на производителе Руки. Цвет - красный. Нужно просчитать 4 варианта полного комплекта!! 1 Монтерей глянец. 2 Монтерей мат. 3 Финера глянец. 4 Финера мат. Приблизительный план прилагаю. Также отдельно: система водостока, подшивка, утеплитель 50мм за м2 (базальт и минерал), паробарьер. Гидробарьер уже есть! Предложения на мыло kh_victor@ukr.net финера глянец нету...только пурекс(мат) Посилання на коментар Поділитися на інших сайтах More sharing options...
serg.roof Опубліковано: 22 листопада 2010 Поділитись Опубліковано: 22 листопада 2010 для расчета водостока укажите расстояние от земли до свеса. Посилання на коментар Поділитися на інших сайтах More sharing options...
Vikx Опубліковано: 22 листопада 2010 Автор Поділитись Опубліковано: 22 листопада 2010 для расчета водостока укажите расстояние от земли до свеса. Пока что примерно 4.9м Посилання на коментар Поділитися на інших сайтах More sharing options...
Vikx Опубліковано: 22 листопада 2010 Автор Поділитись Опубліковано: 22 листопада 2010 финера глянец нету...только пурекс(мат) Ну знач только ........ пурекс(мат) Посилання на коментар Поділитися на інших сайтах More sharing options...
danilasss Опубліковано: 24 листопада 2010 Поділитись Опубліковано: 24 листопада 2010 Вот и пробил час "Ч" Хочу крышу!!!:D Остановился на производителе Руки. Цвет - красный. Нужно просчитать 4 варианта полного комплекта!! 1 Монтерей глянец. 2 Монтерей мат. 3 Финера глянец. 4 Финера мат. Приблизительный план прилагаю. Также отдельно: система водостока, подшивка, утеплитель 50мм за м2 (базальт и минерал), паробарьер. Гидробарьер уже есть! Предложения на мыло kh_victor@ukr.net Интересуют только материалы или с работой? Посилання на коментар Поділитися на інших сайтах More sharing options...
Vikx Опубліковано: 24 листопада 2010 Автор Поділитись Опубліковано: 24 листопада 2010 Только материалы Посилання на коментар Поділитися на інших сайтах More sharing options...
danilasss Опубліковано: 25 листопада 2010 Поділитись Опубліковано: 25 листопада 2010 Только материалы Сегодня курс евро упал - самое время отовариться))) Посилання на коментар Поділитися на інших сайтах More sharing options...
Рекомендовані повідомлення
Створіть акаунт або увійдіть у нього для коментування
Ви маєте бути користувачем, щоб залишити коментар
Створити акаунт
Зареєструйтеся для отримання акаунта. Це просто!
Зареєструвати акаунтУвійти
Вже зареєстровані? Увійдіть тут.
Увійти зараз