jack-zp Опубліковано: 1 лютого 2011 Поділитись Опубліковано: 1 лютого 2011 incubator.samm.zp.ua/ Электронное оборудование для инкубаторов. Позволит избежать любых потерь и убрать человеческий фактор в процессе инкубации. Сохраните свои нервы! Не делайте инкубацию в слепую! Отвечу здесь на любые вопросы по оборудованию и технологии. Цитата Посилання на коментар Поділитися на інших сайтах More sharing options...
jack-zp Опубліковано: 3 лютого 2011 Автор Поділитись Опубліковано: 3 лютого 2011 Можно использовать для котлов и обычных нагревателей Цитата Посилання на коментар Поділитися на інших сайтах More sharing options...
jack-zp Опубліковано: 16 лютого 2011 Автор Поділитись Опубліковано: 16 лютого 2011 Похоже эта тема никому не интересна) Цитата Посилання на коментар Поділитися на інших сайтах More sharing options...
Diver Опубліковано: 16 лютого 2011 Поділитись Опубліковано: 16 лютого 2011 Похоже эта тема никому не интересна) конечно никому, кто ж так слона продает? Цитата Посилання на коментар Поділитися на інших сайтах More sharing options...
jack-zp Опубліковано: 16 лютого 2011 Автор Поділитись Опубліковано: 16 лютого 2011 конечно никому, кто ж так слона продает? Да это точно, как в басне, на моськах больше можно заработать. Будет мало клиентов, буду сильнее лаять. А пока добавлю рисунков. Цитата Посилання на коментар Поділитися на інших сайтах More sharing options...
jack-zp Опубліковано: 16 лютого 2011 Автор Поділитись Опубліковано: 16 лютого 2011 Находясь в любом месте и в любое время Вы сможете позвонить и послушать. Узнать температуру в помещении. Включить или выключить оборудование. Изменить температуру задания регулятора. Нет необходимости читать и изучать инструкцию - просто следуйте указаниям голосового меню! Полное голосовое меню во время работы. Полное голосовое меню во время установок и программирования. Позвоните по номерам +38 066 327 76 30, +38 096 339 5551 и протестируйте голосовое меню. Цитата Посилання на коментар Поділитися на інших сайтах More sharing options...
jack-zp Опубліковано: 21 лютого 2011 Автор Поділитись Опубліковано: 21 лютого 2011 Картинки для получения общего представления о системе. Цитата Посилання на коментар Поділитися на інших сайтах More sharing options...
jack-zp Опубліковано: 10 березня 2011 Автор Поділитись Опубліковано: 10 березня 2011 Каждые 10 секунд на флшкарту пишется состояние со всех шкафов. Состояние это температура, влажность, наклонов, дверей и т.д. Если кому интересно.. на почту пришлю архив с программой и файлы статистики. К сожалению тут можно разместить только пол мегабайта. Доступны будут 2 дня инкубации на 4 реальных шкафах. Думаю по управлению просмотром и параметрам разобраться сможете без инструкции. Цитата Посилання на коментар Поділитися на інших сайтах More sharing options...
Wasabi Опубліковано: 10 березня 2011 Поділитись Опубліковано: 10 березня 2011 incubator.samm.zp.ua/ Позволит избежать любых потерь и убрать человеческий фактор в процессе инкубации. Сохраните свои нервы! Не делайте инкубацию в слепую! Мне кажется лозунг должен звучать иначе. В конце концов в инкубаторе не нервы.... Цитата Посилання на коментар Поділитися на інших сайтах More sharing options...
jack-zp Опубліковано: 11 березня 2011 Автор Поділитись Опубліковано: 11 березня 2011 Мне кажется лозунг должен звучать иначе. В конце концов в инкубаторе не нервы.... В оном шкафу лежит яиц примерно на 2000$, допустим у вас 5 таких шкафов. Через месяц инкубации можете заработать ...а потерять можно за 10 минут. Деньги можно заработать, а нервы тяжело лечить... Цитата Посилання на коментар Поділитися на інших сайтах More sharing options...
jack-zp Опубліковано: 11 березня 2011 Автор Поділитись Опубліковано: 11 березня 2011 Подойдет для контроля с мобильного телефона холодильников. Цитата Посилання на коментар Поділитися на інших сайтах More sharing options...
jack-zp Опубліковано: 23 березня 2011 Автор Поділитись Опубліковано: 23 березня 2011 Производим монтаж и обучение. Цитата Посилання на коментар Поділитися на інших сайтах More sharing options...
jack-zp Опубліковано: 29 квітня 2011 Автор Поділитись Опубліковано: 29 квітня 2011 Здесь коротко о подключении.Назн-управл-индик.doc Цитата Посилання на коментар Поділитися на інших сайтах More sharing options...
jack-zp Опубліковано: 29 квітня 2011 Автор Поділитись Опубліковано: 29 квітня 2011 Здесь возможные аварийные ситуации. АВАРИИ ИНКУБАЦИОННОГО ШКАФА Аварии температурного режима: 1.Мигают индикаторы «АВАРИЯ» и «НАГРЕВ» --- шкаф медленно набирает температуру/ проверить тены/ закрыть заслонку/ открытие двери сбрасывает аварийность. 2.Мигают индикаторы «АВАРИЯ» и «ОХЛАЖДЕНИЕ» --- шкаф перегревается/ проверить выключение тенов оборудованием/ открыть заслонку/ проверить работу вентилятора охлаждения/ открытие двери сбрасывает аварийность. 3.Мигают индикаторы «АВАРИЯ», проговаривает “Авария, Датчик”, мигает индикатор задания температуры 37.5--- перегрев выше 38.5 градусов по контрольному датчику/ шкаф перешел на работу по контрольному датчику с поддержанием температуры 37.5 градусов / на индикаторе температуры в шкафу показания контрольного датчика, они же сохраняются в статистике/ проверить показания датчика по ртутному термометру/ открытие двери сбрасывает аварийность и переходит на работу по основному датчику, только в случае если температура по контрольному стала ниже 38.5. Авария влажностного режима: Мигают индикаторы «АВАРИЯ» и «УВЛАЖНЕНИЕ» --- 20 минут недостаточная влажность или 1 час избыточная. Мигают индикаторы «АВАРИЯ» и «УВЛАЖНЕНИЕ», на индикаторе влажности цифры «99» .(Для датчиков с системой увлажнения,”Мокрых”) --- закончилась вода в системе увлажнения. Аварии узлов и механизмов: 1. Мигают индикаторы «АВАРИЯ» и «ВЕНТИЛЯТОР» --- нет вращения лопастей маршевого вентилятора/ проверить наличие трех фаз/ проверить исправность механизмов/ открытие двери сбрасывает аварийность. 2. Мигают индикаторы «АВАРИЯ» и «ДВЕРЬ» --- дверь долгое время не закрыта/ закрытие двери сбрасывает аварийность. 3. Мигают индикаторы «АВАРИЯ» и «НАКЛОН» --- нет наклона в течении двух часов/ нет срабатывания концевиков/ срабатывание концевика сбрасывает аварию. 4.Мигают индикаторы «АВАРИЯ» и «12V» --- на контактах разъема нет аварийного питания/ подключите аккумулятор. 5.Мигают индикаторы «АВАРИЯ», на цифровых индикаторах мигающие прочерки --- нет связи с датчиком/ замените датчик. 6. Мигают индикаторы «АВАРИЯ», все индикаторы периодически выключаются и включаются --- нет сети 220 Вольт/ блок в режиме аварийного питания. Цитата Посилання на коментар Поділитися на інших сайтах More sharing options...
jack-zp Опубліковано: 29 квітня 2011 Автор Поділитись Опубліковано: 29 квітня 2011 Аварийные SMS блоков инкубации Формат SMS: [номер датчика блока].[код аварии]…. Код аварии: • # - нет связи с блоком • P – нет резервного питания 12В • D – авария двери • V – авария вентилятора • - – авария вращения лотков — датчик -45 градусов • 0 – авария вращения лотков — датчик 0 градусов • + – авария вращения лотков — датчик +45 градусов • N – авария нагревателя • O – авария охладителя • W – авария увлажнителя • S – нет сети ~220В • * - ошибка работы датчика Например: « 21.DV 23.N » Датчик 21 — авария двери и вентилятора, Датчик 23 — авария нагревателя. Аварийные SMS блока сбора « ¤3 » На счету SIM карты осталось 3 гривны. « Пропало 220В сборщика! » Нет сети для питания Блока сбора. Использование функции «ОХЛАЖДЕНИЕ» 1. При закрытой двери в рабочем режиме, Нажмите и удерживайте кнопку «ОХЛАЖДЕНИЕ». На индикаторе появится цыфра 10, которая означает 10 минут охлаждения. 2. Кратковременным нажатием кнопки выберите необходимое время охлаждения, при этом на индикаторе будет отображаться время охлаждения в минутах 10.20.30.40.50.60.10.20…… . 3. Откройте и оставьте открытой дверь, для проведения охлаждения. При этом вентилятор будет продолжать работать, включится вентилятор охлаждения, периодически в камеру будет подаваться вода, на индикаторе будет отображаться время оставшееся до окончания охлаждения. 4. Для того чтобы сделать паузу в охлаждении (например дополнительно увлажнить яйца) нажмите кнопку. Вентиляторы остановятся, время приостановиться. Еше одно нажатие кнопки снимает паузу. 5. После истечения времени шкаф сигнализирует об этом. Закройте дверь и шкаф продолжит свою работу в обычном режиме. 6. Закрытие двери в любой момент, прерывает процесс охлаждения и шкаф возвращается в обычный режим. Цитата Посилання на коментар Поділитися на інших сайтах More sharing options...
jack-zp Опубліковано: 23 травня 2011 Автор Поділитись Опубліковано: 23 травня 2011 Описание функции «ОХЛАЖДЕНИЕ» 1. При закрытой двери в рабочем режиме, Нажмите и удерживайте кнопку «ОХЛАЖДЕНИЕ». На индикаторе появится цыфра 10, которая означает 10 минут охлаждения. 2. Кратковременным нажатием кнопки выберите необходимое время охлаждения, при этом на индикаторе будет отображаться время охлаждения в минутах 10.20.30.40.50.60.10.20…… . 3. Откройте и оставьте открытой дверь, для проведения охлаждения. При этом вентилятор будет продолжать работать, включится вентилятор охлаждения, периодически в камеру будет подаваться вода, на индикаторе будет отображаться время оставшееся до окончания охлаждения. 4. Для того чтобы сделать паузу в охлаждении (например дополнительно увлажнить яйца) нажмите кнопку. Вентиляторы остановятся, время приостановиться. Еше одно нажатие кнопки снимает паузу. 5. После истечения времени шкаф сигнализирует об этом. Закройте дверь и шкаф продолжит свою работу в обычном режиме. 6. Закрытие двери в любой момент, прерывает процесс охлаждения и шкаф возвращается в обычный режим. Цитата Посилання на коментар Поділитися на інших сайтах More sharing options...
jack-zp Опубліковано: 23 травня 2011 Автор Поділитись Опубліковано: 23 травня 2011 Очень понятное голосовое управление. Цитата Посилання на коментар Поділитися на інших сайтах More sharing options...
jack-zp Опубліковано: 31 травня 2011 Автор Поділитись Опубліковано: 31 травня 2011 -20 процентов стоимости при заказе сентябрь-декабрь Цитата Посилання на коментар Поділитися на інших сайтах More sharing options...
jack-zp Опубліковано: 17 червня 2011 Автор Поділитись Опубліковано: 17 червня 2011 Сезон подходит к концу. Самое время подготовится к следующему с новым оборудованием. Цитата Посилання на коментар Поділитися на інших сайтах More sharing options...
jack-zp Опубліковано: 8 липня 2011 Автор Поділитись Опубліковано: 8 липня 2011 Не нужно запоминать никаких инструкций. Просто звоните слушаете и выбирайте нужное... как при выборе языка, при звонке на сервис мобильного оператора. Дети, бабушки и не очень трезвые люди, в состоянии с мобильного телефона открыть ворота, включить свет, включить отопление.... Цитата Посилання на коментар Поділитися на інших сайтах More sharing options...
jack-zp Опубліковано: 8 липня 2011 Автор Поділитись Опубліковано: 8 липня 2011 Система оснащена по максимуму...говорит голосом, сирена, оповещение по мобильному, статистика, контроль в реальном времени и т.д. Цитата Посилання на коментар Поділитися на інших сайтах More sharing options...
Татьяна5 Опубліковано: 9 липня 2011 Поділитись Опубліковано: 9 липня 2011 и почем удовольствие? Цитата Посилання на коментар Поділитися на інших сайтах More sharing options...
jack-zp Опубліковано: 11 липня 2011 Автор Поділитись Опубліковано: 11 липня 2011 1300 гривен. Отправляю Новой почтой , оплата при получении. Цитата Посилання на коментар Поділитися на інших сайтах More sharing options...
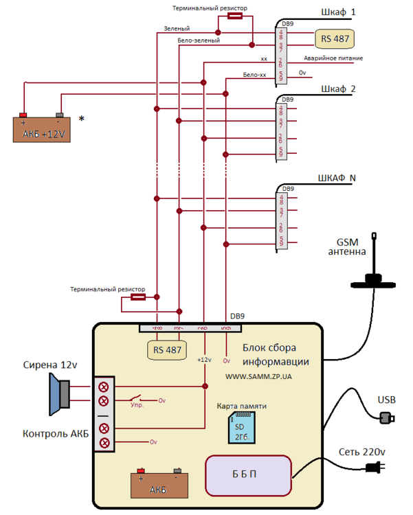
jack-zp Опубліковано: 9 серпня 2011 Автор Поділитись Опубліковано: 9 серпня 2011 Схема структурная Цитата Посилання на коментар Поділитися на інших сайтах More sharing options...
jack-zp Опубліковано: 31 серпня 2011 Автор Поділитись Опубліковано: 31 серпня 2011 Цена как в прошлом сезоне. Для удаленного управления котлом, эл.нагревателем, сауной и т.п. Находясь в любом месте и в любое время Вы звоните на номер прибора...приятный голос сообщает температуру в помещении и предлагает включить или выключить нагреватель, изменить температуру задания регулятора. Просто следуйте указаниям голосового меню! Цитата Посилання на коментар Поділитися на інших сайтах More sharing options...
Рекомендовані повідомлення