SAI Опубліковано: 23 червня 2011 Поділитись Опубліковано: 23 червня 2011 Все новое, оригинальное. Диффузор к WJ301/401 артикул 2003963 - 350 грн Диффузор к WJ202/203 артикул 4087697 - 375 грн инжектор к WJ202/203 артикул 4083524 - 300 грн фланец к WJ202/203 артикул 4083520 - 150 грн Киев, оплата на карточку РАЙФФАЙЗЕН БАНК АВАЛЬ. Пересыл САТ, Новая пошта на покупателе. 050 8417026, Сергей Посилання на коментар Поділитися на інших сайтах More sharing options...
SAI Опубліковано: 24 червня 2011 Автор Поділитись Опубліковано: 24 червня 2011 еще фото. арт 4087697 Посилання на коментар Поділитися на інших сайтах More sharing options...
SAI Опубліковано: 29 червня 2011 Автор Поділитись Опубліковано: 29 червня 2011 Диффузор для 301/401 серии, артикул 2003963 Посилання на коментар Поділитися на інших сайтах More sharing options...
SAI Опубліковано: 21 липня 2011 Автор Поділитись Опубліковано: 21 липня 2011 инжектор WJ202/203 art 4083524 Посилання на коментар Поділитися на інших сайтах More sharing options...
SAI Опубліковано: 13 квітня 2012 Автор Поділитись Опубліковано: 13 квітня 2012 Новая цена фланец к WJ202/203 артикул 4083520 - 320 грн Киев, оплата на карточку РАЙФФАЙЗЕН БАНК АВАЛЬ. Пересыл САТ, Новая пошта на покупателе. 067 4580156 050 8417026, Сергей Посилання на коментар Поділитися на інших сайтах More sharing options...
SAI Опубліковано: 17 вересня 2012 Автор Поділитись Опубліковано: 17 вересня 2012 Есть в наличие. Звоните! Посилання на коментар Поділитися на інших сайтах More sharing options...
SAI Опубліковано: 9 листопада 2012 Автор Поділитись Опубліковано: 9 листопада 2012 Изменения: оплата на карточку Банк Надра. Пересыл : САТ НОВА ПОШТА Посилання на коментар Поділитися на інших сайтах More sharing options...
SAI Опубліковано: 22 листопада 2012 Автор Поділитись Опубліковано: 22 листопада 2012 из-за сбоя компьютерной сети "Нова Пошта" поставка возможна на условиях 100% предоплаты Посилання на коментар Поділитися на інших сайтах More sharing options...
SAI Опубліковано: 28 листопада 2012 Автор Поділитись Опубліковано: 28 листопада 2012 инжектор к WJ301/WJ401 артикул 2003955 350грн Посилання на коментар Поділитися на інших сайтах More sharing options...
emaux Опубліковано: 1 грудня 2012 Поділитись Опубліковано: 1 грудня 2012 эжектор Посилання на коментар Поділитися на інших сайтах More sharing options...
SAI Опубліковано: 3 грудня 2012 Автор Поділитись Опубліковано: 3 грудня 2012 в документации пишется и INJECTOR, и EJEKTOR Посилання на коментар Поділитися на інших сайтах More sharing options...
SAI Опубліковано: 18 січня 2013 Автор Поділитись Опубліковано: 18 січня 2013 Для удобства выбора ЗЧ привожу таблицу. Обратите внимание на модели 301 серии. Обозначение одно и тоже, а артикулы совершенно разные и совершенно разные детали. модель 201 давно снята с производства. Возможность заказ диффузора и эжектора необходимо уточнять. Посилання на коментар Поділитися на інших сайтах More sharing options...
SAI Опубліковано: 4 вересня 2013 Автор Поділитись Опубліковано: 4 вересня 2013 На 301-ю, самую распространенную диффузоры имеются. Осталось 2 штуки. Посилання на коментар Поділитися на інших сайтах More sharing options...
SAI Опубліковано: 22 квітня 2014 Автор Поділитись Опубліковано: 22 квітня 2014 В свете последних событий цены пересматриваются. Посилання на коментар Поділитися на інших сайтах More sharing options...
SAI Опубліковано: 21 липня 2014 Автор Поділитись Опубліковано: 21 липня 2014 В самое ближайшее время будет опубликован список имеющихся ЗЧ для WILO - состояние склада и розничная цена (ГРН, Киев) Посилання на коментар Поділитися на інших сайтах More sharing options...
SAI Опубліковано: 1 серпня 2014 Автор Поділитись Опубліковано: 1 серпня 2014 Сейчас есть на складе (Киев) WJ 202/203 Диффузор 4087697 - 611 грн WJ 202/203 Эжектор 4083524 - 504 грн WJ 202/203 Консольная опора 4083520 - 208 грн В стоимость не включена пересылка. Оплата наложенным платежом (Нова Пошта) Посилання на коментар Поділитися на інших сайтах More sharing options...
SAI Опубліковано: 11 серпня 2014 Автор Поділитись Опубліковано: 11 серпня 2014 WJ 202/203 Эжектор 4083524 - 504 грн Изменение цены. 514 грн Посилання на коментар Поділитися на інших сайтах More sharing options...
SAI Опубліковано: 15 серпня 2014 Автор Поділитись Опубліковано: 15 серпня 2014 Для удобства выбора ЗЧ привожу таблицу. Обратите внимание на модели 301 серии. Обозначение одно и тоже, а артикулы совершенно разные и совершенно разные детали. модель 201 давно снята с производства. Возможность заказ диффузора и эжектора необходимо уточнять. Пара трения торцевого уплотнения вала 2003950 - 427 грн. Есть в наличие. Посилання на коментар Поділитися на інших сайтах More sharing options...
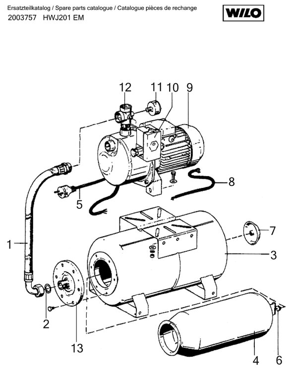
SAI Опубліковано: 27 серпня 2014 Автор Поділитись Опубліковано: 27 серпня 2014 Каталог запчастей WILO WJ 202 X EM Посилання на коментар Поділитися на інших сайтах More sharing options...
SAI Опубліковано: 23 червня 2015 Автор Поділитись Опубліковано: 23 червня 2015 Новая оригинальная упаковка WILO. Описание: Пластиковый прозрачный пакет с "замком". На стороне маркировки логотип "WILO" зеленого цвета по диагонали. На обратной стороне пакета логотип отсутствует. Посилання на коментар Поділитися на інших сайтах More sharing options...
SAI Опубліковано: 23 червня 2015 Автор Поділитись Опубліковано: 23 червня 2015 Цена (23.06.2015 ) диффузор 4087697 (WJ 202/203)- 810 грн эжектор 4083524 (WJ 202/203)- 780 грн Посилання на коментар Поділитися на інших сайтах More sharing options...
SAI Опубліковано: 24 червня 2015 Автор Поділитись Опубліковано: 24 червня 2015 Условия оплаты-получения: "Нова пошта", наложенный платеж. Пересыл на покупателе. Посилання на коментар Поділитися на інших сайтах More sharing options...
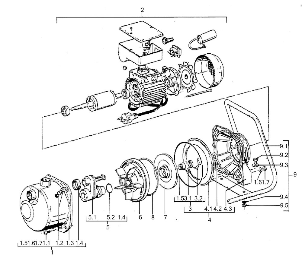
SAI Опубліковано: 16 липня 2015 Автор Поділитись Опубліковано: 16 липня 2015 Деталировка насоса. Модель снята с производства, но некоторые детали еще можно заказать. Прошу указывать страницу и № позиции Посилання на коментар Поділитися на інших сайтах More sharing options...
SAI Опубліковано: 1 серпня 2015 Автор Поділитись Опубліковано: 1 серпня 2015 Очередной заказ приму с 10 августа. Посилання на коментар Поділитися на інших сайтах More sharing options...
SAI Опубліковано: 15 серпня 2015 Автор Поділитись Опубліковано: 15 серпня 2015 Есть диффузоры и эжектор на WJ 202, WJ203 Оригинал. Но упаковка диффузора ОЕМ. (пленка). Цена та же диффузор 4087697 (WJ 202/203)- 807 грн эжектор 4083524 (WJ 202/203)- 786 грн консольная опора 4083520 (WJ 202/203)- 482 грн Условия поставки -те же "Нова пошта", наложенный платеж. Пересыл на покупателе. Посилання на коментар Поділитися на інших сайтах More sharing options...
Рекомендовані повідомлення
Створіть акаунт або увійдіть у нього для коментування
Ви маєте бути користувачем, щоб залишити коментар
Створити акаунт
Зареєструйтеся для отримання акаунта. Це просто!
Зареєструвати акаунтУвійти
Вже зареєстровані? Увійдіть тут.
Увійти зараз