sanykrimea Опубліковано: 17 жовтня 2011 Поділитись Опубліковано: 17 жовтня 2011 Спрашиваю, исключительно из профессионального интереса, откуда такие данные? ДСТУ 3020-95 (ГОСТ 12434-93), ГОСТ Р 50345-99, МЭК 60898-95 1 Посилання на коментар Поділитися на інших сайтах More sharing options...
Сугор Опубліковано: 17 жовтня 2011 Поділитись Опубліковано: 17 жовтня 2011 ДСТУ 3020-95 (ГОСТ 12434-93), ГОСТ Р 50345-99, МЭК 60898-95 На досуге почитаю. Но что из этого выходит что шнайдеровские автоматы нельзя использовать? Посилання на коментар Поділитися на інших сайтах More sharing options...
sanykrimea Опубліковано: 17 жовтня 2011 Поділитись Опубліковано: 17 жовтня 2011 На досуге почитаю. Но что из этого выходит что шнайдеровские автоматы нельзя использовать? У них характеристики лучше, ГОСТ описывает минимальные требования. Кроме В, С, D у них ещё три или четыре других есть. Посилання на коментар Поділитися на інших сайтах More sharing options...
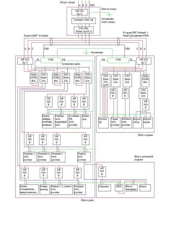
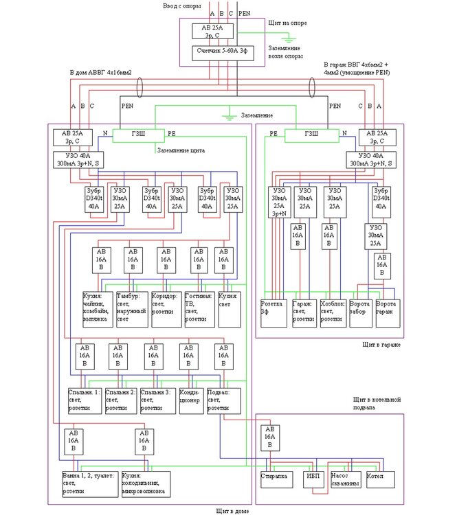
KSer Опубліковано: 17 жовтня 2011 Автор Поділитись Опубліковано: 17 жовтня 2011 С учетом замечаний отредактировал схему. Проводка уже проложена и практически везде заштукатурена, поэтому не все можно изменить. Провод света и розеток выходят из распредкоробок комнат, поэтому отдельно поставить автоматы на свет и розетки в щитке дома не получится. К ДСУП мне нечего подключать, поэтому оно мне не нужно - или я что-то пропустил? УЗО поправил, АВ поправил, заземление поправил - еще замечания есть? Молниеотвод на доме будет (возможно и на гараже) - подключенный все к тому же контуру заземления дома и гаража. Нужно ли ставить молниезащиту - разрядники защиты от перенапряжений? Посилання на коментар Поділитися на інших сайтах More sharing options...
ink_stroi Опубліковано: 18 жовтня 2011 Поділитись Опубліковано: 18 жовтня 2011 С учетом замечаний отредактировал схему. PEN на гараж не 6мм2 + 4мм2, а 10 мм2. Посилання на коментар Поділитися на інших сайтах More sharing options...
KSer Опубліковано: 18 жовтня 2011 Автор Поділитись Опубліковано: 18 жовтня 2011 PEN на гараж не 6мм2 + 4мм2, а 10 мм2. А можете пояснить - почему? Например, есть монолитный проводник и многожильный. При одинаковом сечении электрические характеристики одинаковые. По аналогии я предположил, что 6мм2 + 4мм2 = 10 мм2. Или тут все нелинейно? Посилання на коментар Поділитися на інших сайтах More sharing options...
Игорь&Ира Опубліковано: 18 жовтня 2011 Поділитись Опубліковано: 18 жовтня 2011 В общем-то да, ИгорьИра, пара-тройка "левых" вопросов в чужой теме еще терпимо, но Ваше количество явно зашкаливает. Тем более, что они явно вне основной темы. Приношу свои извинения: тема интересная, "затянуло", вот и забылся. Посилання на коментар Поділитися на інших сайтах More sharing options...
ink_stroi Опубліковано: 18 жовтня 2011 Поділитись Опубліковано: 18 жовтня 2011 По аналогии я предположил, что 6мм2 + 4мм2 = 10 мм2. Или тут все нелинейно? 6+4=10 не уверен, что так оно и есть и инфа такая не попадалась. Посилання на коментар Поділитися на інших сайтах More sharing options...
sanykrimea Опубліковано: 18 жовтня 2011 Поділитись Опубліковано: 18 жовтня 2011 Минимальное сечение PEN определяется механическими характеристиками проводников, потому 6+4 не равно 10. Посилання на коментар Поділитися на інших сайтах More sharing options...
KSer Опубліковано: 18 жовтня 2011 Автор Поділитись Опубліковано: 18 жовтня 2011 Минимальное сечение PEN определяется механическими характеристиками проводников, потому 6+4 не равно 10. Мне казалось, что исключительно электрическими. В требованиях не уточняется, какой использовать провод - одножильный или многожильный. Вопрос только в общем сечении. Поэтому 6+4 можно рассматривать как многожильный провод сечением 10. Могли бы дать чуть более расширенное объяснение своего утверждения? Я перенес на схеме УЗО 300мА на опору - так правильнее и экономнее. Есть ли еще какие-то замечания, кроме PEN гаража? Посилання на коментар Поділитися на інших сайтах More sharing options...
ink_stroi Опубліковано: 19 жовтня 2011 Поділитись Опубліковано: 19 жовтня 2011 Минимальное сечение PEN определяется механическими характеристиками проводников, потому 6+4 не равно 10. Вот, теперь цифирь ТС-у еще подавай, с формулами и желательно уже с расчетами. Могли бы дать чуть более расширенное объяснение своего утверждения? :D Посилання на коментар Поділитися на інших сайтах More sharing options...
KSer Опубліковано: 19 жовтня 2011 Автор Поділитись Опубліковано: 19 жовтня 2011 Вот, теперь цифирь ТС-у еще подавай, с формулами и желательно уже с расчетами. Могли бы дать чуть более расширенное объяснение своего утверждения? :D Не буду напрягать лишний раз специалистов своей любознательностью - поверю на слово. Если есть еще комментарии по схеме поста #85 - велкам. Нужно ли ставить в щиток какую-то молниезащиту? Молниеотвод пойдет на заземление - могут ли какие-то артефакты просочиться в дом/гараж? Посилання на коментар Поділитися на інших сайтах More sharing options...
ink_stroi Опубліковано: 19 жовтня 2011 Поділитись Опубліковано: 19 жовтня 2011 Не буду напрягать лишний раз специалистов своей любознательностью - поверю на слово. Если есть еще комментарии по схеме поста #85 - велкам. В ВУ на столбе как собираетесь подключить 4х16 и 4х10 от УЗО? Посилання на коментар Поділитися на інших сайтах More sharing options...
KSer Опубліковано: 19 жовтня 2011 Автор Поділитись Опубліковано: 19 жовтня 2011 В ВУ на столбе как собираетесь подключить 4х16 и 4х10 от УЗО? Еще не знаю. Хотелось бы найти решение лучше, чем обычная клеммная колодка. Посилання на коментар Поділитися на інших сайтах More sharing options...
KSer Опубліковано: 19 жовтня 2011 Автор Поділитись Опубліковано: 19 жовтня 2011 Еще выполз вопрос - гараж не отапливаемый. Зубр расчитан на температуру выше -5С, соответственно на нем защиту от скачков напряжения не построить. Там необходимо защитить приводы ворот FAAC. Соответственно вопрос - какое можно применить более всепогодное реле напряжения? Кстати и характеристику УЗО для гаража надо будет проверить на диапазон -25 - +40С. Посилання на коментар Поділитися на інших сайтах More sharing options...
Рекомендовані повідомлення
Створіть акаунт або увійдіть у нього для коментування
Ви маєте бути користувачем, щоб залишити коментар
Створити акаунт
Зареєструйтеся для отримання акаунта. Це просто!
Зареєструвати акаунтУвійти
Вже зареєстровані? Увійдіть тут.
Увійти зараз