Перейти до публікації
Пошук в
  • Додатково...
Шукати результати, які містять...
Шукати результати в...

Отопление, водоснабжение, канализация, котельные. Расчёт и монтаж от Korni

Korni

Была ли Вам полезна информация в этой теме?  

449 користувачів проголосувало

У вас немає прав на голосування в цьому опитуванні, або на перегляд результатів опитування. Будь ласка, войдите или зареєструйтеся для голосування в опитуванні.

Рекомендовані повідомлення

6.53 При установке в кухнях и помещениях жилых зданий проточных и емкостных газовых водонагревателей, малометражных отопительных котлов и других отопительных аппаратов, предназначенных для работы на газовом топ¬ливе, с отводом продуктов сгорания в дымоходы, следует предусматривать контроль микроконцентраций угарного газа (0,005 объемных процентов СО) и контроль довзрывных концентраций газа 20 % нижнего концентрационного предела воспламеняемости (далее - НКПВ) путем установки квартирных сигна¬лизаторов с выводом на индивидуаль-ную предупредительную сигнализацию.

Эти требования не распространяются на помещения, в которых устанавли¬ваются газовые конвекторы, проточ-ные и емкостные водонагреватели и отопи¬тельное оборудование с герметической камерой сгорания, у которых забор воз¬духа для горения и отвод продуктов сгорания газа производится через наруж¬ную стену здания.

Допускается применение сигнализаторов с отключающими газ устройст¬вами.

Во всех газифицированных природным газом и негазифицированных жи¬лых зданиях (кроме усадебных) гази-фицированных населенных пунктов реко¬мендуется предусматривать контроль довзрывных концентраций газа (20 % НКПВ) путем установки сигнализаторов в подвалах, технических подпольях, а при отсутствии подвалов и техниче-ских подполий в цокольных и первых эта¬жах с выводом на коллективную предупредительную сигнализацию и на объе¬диненную диспетчерскую службу (далее - ОДС) при ее наличии.

Установку сигнализаторов следует осуществлять в соответствии с «Техни¬ческими требованиями и правилами по применению сигнализаторов довзрывоопасных концентраций топливных газов и микроконцентраций угарного газа в воздухе помещений жилых зданий и общественных зданий и сооружений».

  • Лайк 5
Посилання на коментар
Поділитися на інших сайтах

добрый день, вот пытаюсь понять, как мог накрыться насос гор.воды Халм, если устанолвлен год назад и пользовались не долго, дефект- пробивает на корпус, где его можно купить дешевле.Спасибо
Посилання на коментар
Поділитися на інших сайтах

А зачем? В данном случае цена вопроса 1000 грн, а на кону - безопасность. Там еще про окно должно было быть, но о нем - ни слова. Может, его и вовсе нет. Тогда датчик с клапаном и вовсе минимальное условие. Зачем лезть туда, где не знаешь условий? Пусть ставит. Корни прав.

 

окно-фрамуга, вентканал, дверь с вентиляцией само собой :)

Посилання на коментар
Поділитися на інших сайтах

Эти требования не распространяются на помещения, в которых устанавли¬ваются газовые конвекторы, проточ-ные и емкостные водонагреватели и отопи¬тельное оборудование с герметической камерой сгорания, у которых забор воз¬духа для горения и отвод продуктов сгорания газа производится через наруж¬ную стену здания.

 

Спасибо

Посилання на коментар
Поділитися на інших сайтах

Добрый день!

Подскажите на сколько надежны такие подводки-игла из нержавейки для смесителя? Какие есть альтернативы в такой же ценовой категории (примерно 40 грн/шт 40 см)?

site_php.thumb.jpg.511f99c4b029b5ce52e6870091a47c7f.jpg

Посилання на коментар
Поділитися на інших сайтах

на сколько надежны такие подводки-игла из нержавейки для смесителя?

Cчитаю их надёжным вариантом.

Но это субъективно, исследований нет.

вот пытаюсь понять, как мог накрыться насос гор.воды Халм, если устанолвлен год назад и пользовались не долго, дефект- пробивает на корпус, где его можно купить дешевле.

К сожалению, не помогу. Я такие насосы не устанавливал.

  • Лайк 1
Посилання на коментар
Поділитися на інших сайтах

Посмотрел Результаты опроса: Была ли Вам полезна информация в этой теме?

249 человек (93.61%) ответили
ДА
.

Спасибо всем проголосовавшим!

.

 

Профи-страничка Kornisan на Facebook - 186 подписчиков.

 

Материалы, которые выкладываю там, не всегда размещаю на СтроимДом.

 

fb_kornisan_2.jpg

Посилання на коментар
Поділитися на інших сайтах

Профи-страничка Kornisan на Facebook - 186 подписчиков.

Не люблю социальщину. Читать: нету меня там (кроме полупустого профиля во вконтактике).

Посилання на коментар
Поділитися на інших сайтах

Не люблю социальщину. Читать: нету меня там

Ну, да.

Коммерческого толку мало.

 

Но приходят интересные собеседники - коллеги, архитекторы, дизайнеры.

И преподаватели технических дисциплин :)

Посилання на коментар
Поділитися на інших сайтах

Здравствуйте, Александр.

 

Учитывая Вашу высокую квалификацию в области водоснабжения прошу

Вашей помощи.

Во вложении примерная схема системы канализации бани. От бани в

сторону улицы небольшой естественный уклон примерно 1м на 30м длины.

Длина прямого участка под землей получиться около 25м. За пределами

участка планируется колодец, а далее сброс в центральную канализацию. Внутренняя

разводка канализации планируется под бетонной плитой толщиной 100мм. Т.е.

фундамент будет плитно-ленточный под каркас. Ввод водопровода трубой

ПНД 32мм, разводка водопровода внутри под дощатым полом. Баня будет

использоваться 2-3 раза в месяц.

В связи с этим есть вопросы:

1.Можно ли уложить трубу для канализации диам 110мм на таком длинном

участке и нужна ли ревизия (как её сделать)?

2.На какой глубине можно сделать выход, можно ли сделать под

фундаментной лентой, нужно ли утеплять, можно ли прокладывать в одной

траншее с водопроводом и электричеством (электрокабель будет в тех

трубе ПНД 25мм, расположенной выше канал-ции на 20см)?

3.Каким образом проложить все коммуникации в траншее поэтапно, т.е.

вырыта траншея от бани примерно на 5м глубиной около 1м, шириной на

штык лопаты, укладываем туда все трубы и закапываем. Далее заливаю

фундамент, а уже потом рою траншею на остальные 20м и прокладываю

остальные трубы, или нужно одновременно всю

трубу укладывать?

4.Хватит ли естественного уклона в 1м или нужно заглубляться на длине

25м?

5.Может заложить греющий кабель на вводе водопровода , как это сделать?

Какой кабель применить?

 

Заранее благодарю.

1356464615_.thumb.jpg.7523448bc12bf7e952e26af39b1a5772.jpg

Посилання на коментар
Поділитися на інших сайтах

1.Можно ли уложить трубу для канализации диам 110мм на таком длинном

участке и нужна ли ревизия (как её сделать)?

2.На какой глубине можно сделать выход, можно ли сделать под

фундаментной лентой, нужно ли утеплять, можно ли прокладывать в одной

траншее с водопроводом и электричеством (электрокабель будет в тех

трубе ПНД 25мм, расположенной выше канал-ции на 20см)?

3.Каким образом проложить все коммуникации в траншее поэтапно, т.е.

вырыта траншея от бани примерно на 5м глубиной около 1м, шириной на

штык лопаты, укладываем туда все трубы и закапываем. Далее заливаю

фундамент, а уже потом рою траншею на остальные 20м и прокладываю

остальные трубы, или нужно одновременно всю

трубу укладывать?

4.Хватит ли естественного уклона в 1м или нужно заглубляться на длине

25м?

5.Может заложить греющий кабель на вводе водопровода , как это сделать?

Какой кабель применить?

 

1. Можно, каждые 12м длины желательно сделать ревизионный колодец.

2. Почти все ответы есть в этой ветке. Кроме электрокабеля.

3. Можно и поэтапно, и сразу. Можно просто оставить в фундаменте гильзы (из 160мм трубы, например), куда потом "пропихнуть" все коммуникации

4. 1,5-3 см на метр

5. Саморегулирующийся нагревательный кабель DEVI, например. Или Raychem.

 

  • Лайк 1
Посилання на коментар
Поділитися на інших сайтах

Полезное:

Условный расчет электрической системы отопления с термоаккумулятором при использовании "ночного тарифа" (для частных лиц)

 

На днях (надеюсь) запущу систему на этом принципе.

!! Расчет Т.А. при ночном тарифе.xls

  • Лайк 5
Посилання на коментар
Поділитися на інших сайтах

На днях (надеюсь) запущу систему на этом принципе.

Сегодня, после ритуала, запустили.

 

Честно скажу, с трудом и не за один день.

Помог только главный инструмент и друг Валера - ас проектирования и электротехники:

 

(%D1%81%D1%81%D1%8B%D0%BB%D0%BA%D0%B0%20%D0%BD%D0%B0%20%D0%B8%D0%B7%D0%BE%D0%B1%D1%80%D0%B0%D0%B6%D0%B5%D0%BD%D0%B8%D0%B5%20%D1%83%D1%81%D1%82%D0%B0%D1%80%D0%B5%D0%BB%D0%B0) (%D1%81%D1%81%D1%8B%D0%BB%D0%BA%D0%B0%20%D0%BD%D0%B0%20%D0%B8%D0%B7%D0%BE%D0%B1%D1%80%D0%B0%D0%B6%D0%B5%D0%BD%D0%B8%D0%B5%20%D1%83%D1%81%D1%82%D0%B0%D1%80%D0%B5%D0%BB%D0%B0)

 

Принцип работы системы отопления был сформирован, при активнейшем участии заказчика, ещё до строительства дома - каркасного, на утеплённой "шведской плите":

002%2520%25282%2529.jpg IMG_0036.JPG

 

 

Особенности системы:

 

Автоматика и управление:

 

 

Разработка логики работы системы осуществлялась совместно с заказчиком, решение по конкретной схеме было принято не сразу. Первая схема (разделения потоков через трёхходовой) была отвергнута в ходе неоднократных кофепитий с Валерой.

 

Одна из важных составляющих - качественно утеплённый дом. В данном случае, каркасный. Сегодня днём, за 5 часов без поддержки отопления, помещения остыли на 0,5*С.

 

Заказчика оставили вечером в задумчивости :)

20131005_171737.jpg.84c598708e90b90fc009ec76cb088f95.jpg

Config8_HZR_C.png.cd161e70995e5e095350e099c2f9d3f9.png

  • Лайк 11
Посилання на коментар
Поділитися на інших сайтах

На следующей неделе:

  • котельная воздушный ТН+солнечные коллектора,
  • твёрдотопливная+газ котельная,
  • котельная на тепловом насосе (грунт) + фанкойлы.

Шо-то загнул.

Посилання на коментар
Поділитися на інших сайтах

На следующей неделе:

  • котельная воздушный ТН+солнечные коллектора,
  • твёрдотопливная+газ котельная,
  • котельная на тепловом насосе (грунт) + фанкойлы.

Шо-то загнул.

 

Ждём! :D

 

P.S. Фотографии про африканских сантехников и сантехнику сделал.

Просто у меня тут интернет крайне медленный.

Но скоро приеду в Киев - пришлю. Полюбуетесь :lol:

  • Лайк 2
Посилання на коментар
Поділитися на інших сайтах

Сегодня, после ритуала, запустили.

Сегодня Валера признал всю лженаучность и малоэффективность пуск систем с помощю калотушки.

Он признал, оценил, сам попробовал и обязался запаускать системы только при помощи моих бубенчиков.

20131005_172918.jpg.bf78a1626ceb6ddd2c4a0364d5275107.jpg

IMG_0141.thumb.jpg.cacd47b8f3537287d6772ecb61b1504a.jpg

  • Лайк 2
Посилання на коментар
Поділитися на інших сайтах

Любителям поковыряться посвящается!

 

У каждого системного поставщика есть программы для расчета гидравлического режима теплосети в свободном доступе.

Например - (ссылка устарела), (ссылка устарела), и т.д. (ссылка устарела) список :)

 

Большинство из них сделано на базе программного обеспечения польской компании (ссылка устарела).

Порекомендовал бы посмотреть на программу от (ссылка устарела)

 

proga1.jpg

 

Модули программы:

  • Модуль обвязки котельных до 2,8МВт
  • Модуль поквартирного теплоснабжения

Библиотеки оборудования

  • Библиотека радиаторной арматуры: Meibes
  • Библиотека обвязки котельных до 2,8МВт: Meibes
  • Библиотека бойлеров ГВС и аккумуляторов тепла: Meibes
  • Библиотека систем поквартирного теплоснабжения: Meibes
  • Библиотека радиаторного оборудования: все производители
  • Библиотека трубопроводов: все производители
  • Библиотека приборов учета: все производители
  • Библиотека балансировочной арматуры: все производители

(ссылка устарела)

 

Программы от (ссылка устарела).

(ссылка устарела)

Программа Valtec.PRG находится в открытом доступе и дает возможность рассчитать водяное напольное и настенное отопление, определить теплопотребность помещений, необходимые расходы холодной, горячей воды, объем канализационных стоков, получить гидравлические расчеты внутренних сетей тепло- и водоснабжения объекта. Кроме того, в распоряжении пользователя – удобно скомпонованная подборка справочных материалов. Благодаря понятному интерфейсу освоить программу можно, и не обладая квалификацией инженера-проектировщика.

Руководство для пользователя доступно по этой (ссылка устарела)

(ссылка устарела)

Линейка предназначена для оперативного прикидочного гидравлического расчета металлопластиковых трубопроводов.

  • Лайк 7
Посилання на коментар
Поділитися на інших сайтах

Перед каждой программой стоит:

C.O.

OZC

H2O

Если не трудно то не могли бы вы пояснить что для чего?

Посилання на коментар
Поділитися на інших сайтах

OZC

Расчёт теплопотерь здания.

C.O.

Расчёт системы отопления. Данные расчёта теплопотерь являются входными данными.

 

H2O

Скорее всего, расчёт ГВС/ХВС.

  • Лайк 2
Посилання на коментар
Поділитися на інших сайтах

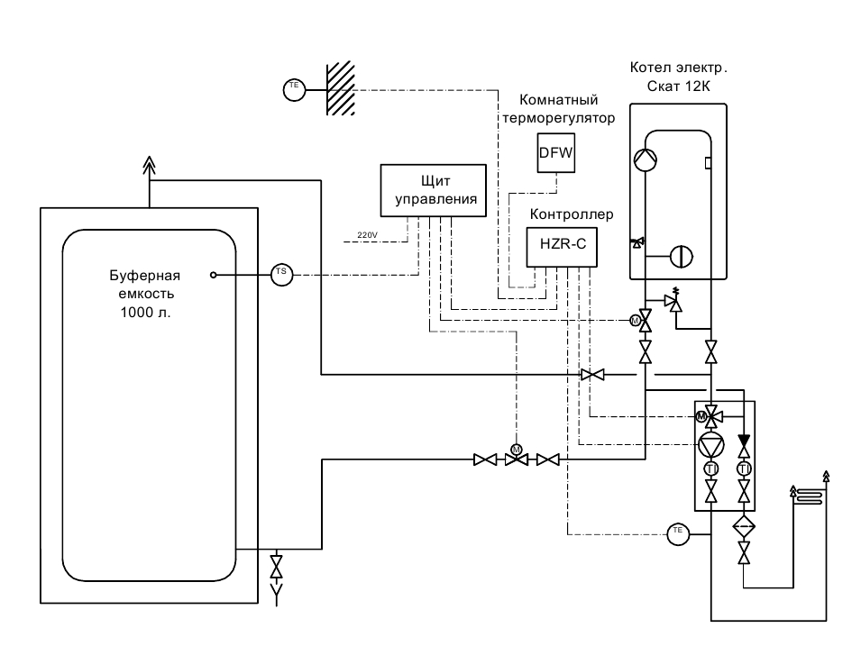
Разработка логики работы системы осуществлялась совместно с заказчиком, решение по конкретной схеме было принято не сразу. Первая схема (разделения потоков через трёхходовой) была отвергнута в ходе неоднократных кофепитий с Валерой.

Выложу принципиальную схемку, но без электрической схемы щита управления ;):

 

attachment.php?attachmentid=314370&d=1381952764

355706444_.jpg.d414a9f6b4b3582c78ecef2c9af2c57f.jpg

  • Лайк 2
Посилання на коментар
Поділитися на інших сайтах

Створіть акаунт або увійдіть у нього для коментування

Ви маєте бути користувачем, щоб залишити коментар

Створити акаунт

Зареєструйтеся для отримання акаунта. Це просто!

Зареєструвати акаунт

Увійти

Вже зареєстровані? Увійдіть тут.

Увійти зараз
×
×
  • Створити...