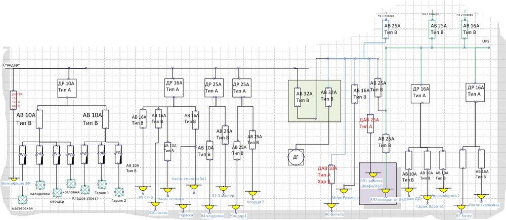
Evgeniy_New Опубліковано: 17 серпня 2012 Поділитись Опубліковано: 17 серпня 2012 (змінено) Добрый день, Буду очень благодарен за советы по теме! кабель для проводки ЗЗЦМ, кабель ВВГнгд-п: - розетки 3х2,5 - свет 3х1,5 Принцип управления светом - через 12/24В релюшки. Возможность в будущем перейти на УД прикреплены файлы 1) общая схема - Какое ваше менение по поводу кабелей которые соеденяют щитовые, ИБП, ДГ, етс? 2) схемы щитовых. Цоколь, первый, второй этажи - буду благодарен за любые коментарии (тип автоматов, реле, схем включения, етс) 3) Отдельно будет спланирована (тут нет) слаботочная схема подсветки лестницы, кор. Буду благодарен за любые советы - что забыл (может что-то на улице - типа бассейн, лодочная станция, электрический генератор отпугивания чукакабр...) . Реально денег на это пока нет, но заложить потенциал, имхо, нужно.... Заранее спасибо! Змінено 19 вересня 2012 користувачем InSAn п4 Посилання на коментар Поділитися на інших сайтах More sharing options...
karapuz74 Опубліковано: 17 серпня 2012 Поділитись Опубліковано: 17 серпня 2012 какая мощность? От опоры больше 15 кВт не дают. У Вас же только стабилизатор 40-ка. И почему он как-то включен в схему питания дома непонятно? После учета сразу идти должен( может две линии к нему означают вход и выход?) Вводной кабель медь я так понял? 1 Посилання на коментар Поділитися на інших сайтах More sharing options...
Evgeniy_New Опубліковано: 17 серпня 2012 Автор Поділитись Опубліковано: 17 серпня 2012 какая мощность? От опоры больше 15 кВт не дают. У Вас же только стабилизатор 40-ка. И почему он как-то включен в схему питания дома непонятно? После учета сразу идти должен( может две линии к нему означают вход и выход?) Вводной кабель медь я так понял? Спасибо за ответ. По ТУ = 30кВт, 380в Ввод - медь 5*16 Стабы - да, они сразу на входе, так было удобнее отобразить Посилання на коментар Поділитися на інших сайтах More sharing options...
engeneer Опубліковано: 18 серпня 2012 Поділитись Опубліковано: 18 серпня 2012 Буду благодарен за любые советы - что забыл (может что-то на улице - типа бассейн, лодочная станция, электрический генератор отпугивания чукакабр...) Чтобы давать конкретные советы, надо больше исходных - площадь участка, близость воды, размещение строений и пр. На чупакабру ловушек, пока, вроде не придумали, а вот антимоскит - вполне реальная штука, возле воды просто незаменимая, но в подключении есть нюансы - например, в туман и дождь их надо отключать. Лодочная станция - тоже вопрос комплексный. Будут ли ворота, подъемник, заправочная станция - или только освещение и подсветки? Бассейны они тоже разные бывают - с подогревом, генератором волн, антипотоком, складным навесом. Ну, как минимум, это рециркуляция и освещение... Что еще? Парковое освещение - несколько групп и режимов, привод ворот, домофон, розетки по участку, акустика, охрана периметра и видеонаблюдение. Под "Умный дом" - разводка шины по дому и участку. Подключать весь свет через слаботочные реле нет смысла, весь дом будет зависеть от одного блока питания. Пока достаточно все группы завести в щит и туда же кабели от выключателей. Важно проложить в щит витую пару от всех возможных мест установки пультов и подумать о топологии системы, чтобы не забыть погодную станцию, антипотоп, приводы радиаторов, приводы жалюзи-штор, датчики движения и пр. - на все нужно питание и сигнальный кабель. По схемам. - Генератор надо врезать сразу после стабилизаторов, иначе баня и гараж остаются без резервного питания - до и после стабилизаторов автоматы не нужны - автомат параллельно стабилизаторам - неплохая идея (если только я правильно понял смысл второго автомата справа от стабилизаторов). В принципе, на стабилизаторах есть режим "транзит" (это не просто перемычка - он работает как реле напряжения, при бросках отключает), но в случае ремонта, можно будет не ставить временные перемычки вместо стабилизатора. Но здесь один нюанс: с точки зрения ремонта-обслуживания практичнее ставить не трехфазный в общей стойке, а три однофазных. В этом случае, отправляя стабилизатор в ремонт и включая автомат-байпас, мы блокируем работу двух оставшихся стабилизаторов. Потому если такую схему делать, то лучше поставить три отдельных автомата. - Для подключения генератор щит в принципе не нужен. Небольшой генератор без АВР подключается через вилку-розетку на генераторе, кабель идет в щит на перекидной рубильник. Если хотите этот рубильник поставить возле генератора, через него нужно закольцевать ввод от стабилизаторов на на первый-гаражный-щит. - на полив (насос) желательна отдельная линия с автоматом не ниже 16"С" и уж точно не объединять на одном ДР со светом - у насосов большие пусковые токи, свет будет мигать и возможны сработки ДР. Это же касается центрального пылесоса - пусковые токи там просто драконовские ДР16А точно будет выбивать. - объединять скважинный насос с питанием котла одним ДР точно нельзя. На котел вообще желательно отдельную линию через он-лайн ИБП На розетки рабочей поверхности ДР и автомат 16А - очень мало. Там и чайник, и СВЧ, и блендер-хлебопечка-кухонный комбайн и т.д. Как минимум, 25А "В" с отдельным ДР 25 "А". ... На схеме не все обозначения и аббревиатуры понятны. Скажем, что за кружок в гаражном щите слева от индикаторов, что такое "R2-3 мастер" - если мастерская, почему не трехфазная?, что такое "R6 фильтр"? Зачем розетка на биде? Посилання на коментар Поділитися на інших сайтах More sharing options...
Dovant Опубліковано: 21 серпня 2012 Поділитись Опубліковано: 21 серпня 2012 Евгений, у вас указана диф защита "ДР 16А тип "А" 0,1А". Вы планируете ставить всю диф защиту с током утечки 100 и 300мА или это очепятка? И я согласен с engeneer, делать всё освещение слаботочным не есть хорошо. Лучше предусмотреть аварийное и эвакуационное освещение в доме. А какой кабель у вас предусмотрен на линию защищаемую автоматом 25А? Посилання на коментар Поділитися на інших сайтах More sharing options...
Evgeniy_New Опубліковано: 22 серпня 2012 Автор Поділитись Опубліковано: 22 серпня 2012 Чтобы давать.... Подключать весь свет через слаботочные реле нет смысла, весь дом будет зависеть от одного блока питания. Пока достаточно все группы завести в щит и туда же кабели от выключателей. Важно проложить в По схемам. - Генератор надо врезать сразу после стабилизаторов, иначе баня и гараж остаются без резервного питания - до и после стабилизаторов автоматы не нужны - автомат параллельно стабилизаторам - неплохая идея (если только я правильно понял смысл второго автомата справа от стабилизаторов). В принципе, на стабилизаторах есть режим "транзит" (это не просто перемычка - он работает как реле напряжения, при бросках отключает), но в случае ремонта, можно будет не ставить временные перемычки вместо стабилизатора. Но здесь один нюанс: с точки зрения ремонта-обслуживания практичнее ставить не трехфазный в общей стойке, а три однофазных. В этом случае, отправляя стабилизатор в ремонт и включая автомат-байпас, мы блокируем работу двух оставшихся стабилизаторов. Потому если такую схему делать, то лучше поставить три отдельных автомата. - Для подключения генератор щит в принципе не нужен. Небольшой генератор без АВР подключается через вилку-розетку на генераторе, кабель идет в щит на перекидной рубильник. Если хотите этот рубильник поставить возле генератора, через него нужно закольцевать ввод от стабилизаторов на на первый-гаражный-щит. - на полив (насос) желательна отдельная линия с автоматом не ниже 16"С" и уж точно не объединять на одном ДР со светом - у насосов большие пусковые токи, свет будет мигать и возможны сработки ДР. Это же касается центрального пылесоса - пусковые токи там просто драконовские ДР16А точно будет выбивать. - объединять скважинный насос с питанием котла одним ДР точно нельзя. На котел вообще желательно отдельную линию через он-лайн ИБП На розетки рабочей поверхности ДР и автомат 16А - очень мало. Там и чайник, и СВЧ, и блендер-хлебопечка-кухонный комбайн и т.д. Как минимум, 25А "В" с отдельным ДР 25 "А". ... На схеме не все обозначения и аббревиатуры понятны. Скажем, что за кружок в гаражном щите слева от индикаторов, что такое "R2-3 мастер" - если мастерская, почему не трехфазная?, что такое "R6 фильтр"? Зачем розетка на биде? Добрый день, Про лодочную станцию это я пошутил, я ж не участвую в пАкращени;) Слаботочные реле - только управление светом, сам свет 220. Стаб и генератор - спасибо за совет. Автоматы однофазные - да, согласен, спасибо! Моторы - на отдельные ДР - ок, спасибо! 25А на кухню = 5.5ква <> у меня ж там кабель 3х2,5 - Макс 4.7ква, или ошибаюсь? Розетка "биде" - это для возможно подключения гигиенической крышки. Да, мастерская - затяну туда 5х2,5 = 7,9ква - думаю для любого мотора бытового хватит..... R6 фильтр = розетка для подключения системы очистки воды. Спасибо за советы! Добавлено через 3 минуты Евгений, у вас указана диф защита "ДР 16А тип "А" 0,1А". Вы планируете ставить всю диф защиту с током утечки 100 и 300мА или это очепятка? И я согласен с engeneer, делать всё освещение слаботочным не есть хорошо. Лучше предусмотреть аварийное и эвакуационное освещение в доме. А какой кабель у вас предусмотрен на линию защищаемую автоматом 25А? Имелось ввиду для "мокрых" мест 0,1мА а для " обычных" 0.3мА Слабо точка - только управление. 3х2,5 кабель ..... Понял.... Ведь получается что кабель быстрее повредится чем 25А сработает... Верно я вас понял? Посилання на коментар Поділитися на інших сайтах More sharing options...
Dovant Опубліковано: 22 серпня 2012 Поділитись Опубліковано: 22 серпня 2012 Верно я вас понял? Да. Длительно допустимый ток для кабеля сечением 2,5мм =25-27А, а автомат номиналом 25А при токе 28А не сработает никогда, при токе 32А будет выбивать долго и мучительно. Посилання на коментар Поділитися на інших сайтах More sharing options...
engeneer Опубліковано: 22 серпня 2012 Поділитись Опубліковано: 22 серпня 2012 - Слаботочные реле - только управление светом, сам свет 220. - 25А на кухню = 5.5ква <> у меня ж там кабель 3х2,5 - Макс 4.7ква, или ошибаюсь? - Имелось ввиду для "мокрых" мест 0,1мА а для " обычных" 0.3мА - об этом и речь: для слаботочных реле нужен блок питания, от которого будет зависеть все освещение в доме, что не есть хорошо - они, случается, перегорают. В том же "Умном доме" все актуаторы-диммеры на 220 с возможностью ручного управления, на случай если блок питания полетит и шина будет обесточена. - о кабеле 3х2,5 и автомате 25А здесь уже была полемика. Да, от перегрева может и не уберечь, надежнее поставить 20А"В". Но если есть возможность, желательно затянуть вторую линию 3х2,5 - и с точки зрения нагрузок и для возможности резервирования - по дифам: путаница с единицами - скорее всего, "0,03 и 0,01 А" или "10 и 30 мА" Посилання на коментар Поділитися на інших сайтах More sharing options...
Evgeniy_New Опубліковано: 9 вересня 2012 Автор Поділитись Опубліковано: 9 вересня 2012 - об этом и речь: для слаботочных реле нужен блок питания, от которого будет зависеть все освещение в доме, что не есть хорошо - они, случается, перегорают. В том же "Умном доме" все актуаторы-диммеры на 220 с возможностью ручного управления, на случай если блок питания полетит и шина будет обесточена. - о кабеле 3х2,5 и автомате 25А здесь уже была полемика. Да, от перегрева может и не уберечь, надежнее поставить 20А"В". Но если есть возможность, желательно затянуть вторую линию 3х2,5 - и с точки зрения нагрузок и для возможности резервирования - по дифам: путаница с единицами - скорее всего, "0,03 и 0,01 А" или "10 и 30 мА" спасибо всем за советы и помощь! Посилання на коментар Поділитися на інших сайтах More sharing options...
reestraror826792452 Опубліковано: 18 вересня 2012 Поділитись Опубліковано: 18 вересня 2012 доброе время суток! Много читал на форуме, прислушивался к советам форумчан и вот что сделал дома. Выкладываю схему. Прошу посмотреть и высказать свое мнение. исходный данные до схемы Провод ВВП-1 3*1,5мм и 3*2,5мм в гофротрубе. схема проводки без распредкоробок в щит заходит 10 световых и 20 силовых провода + провод от генератора. вводной автомат и вводное узо(которое будет противопожарное) возле счетчика. сомнения : - нужно ли реле напряжения если оно будет в щите з железной дверцей (планирую использовать за картиной. - где ставить и как и де подключить перекидной рубильник. - как сделать так чтоб при работе генератора небольшой мощности питание было бы только на котле , питание на свет и одна или две розетки под телик. влезит ли все это в шкаф на 36 автоматов. или это много.моя Электрика 2012-1.xls Посилання на коментар Поділитися на інших сайтах More sharing options...
HagerKVT Опубліковано: 19 вересня 2012 Поділитись Опубліковано: 19 вересня 2012 (змінено) доброе время суток! Много читал на форуме, прислушивался к советам форумчан и вот что сделал дома. Выкладываю схему. Прошу посмотреть и высказать свое мнение. исходный данные до схемы Провод ВВП-1 3*1,5мм и 3*2,5мм в гофротрубе. схема проводки без распредкоробок в щит заходит 10 световых и 20 силовых провода + провод от генератора. вводной автомат и вводное узо(которое будет противопожарное) возле счетчика. сомнения : - нужно ли реле напряжения если оно будет в щите з железной дверцей (планирую использовать за картиной. - где ставить и как и де подключить перекидной рубильник. - как сделать так чтоб при работе генератора небольшой мощности питание было бы только на котле , питание на свет и одна или две розетки под телик. влезит ли все это в шкаф на 36 автоматов. или это много. -Реле напряжения однозначно нужно. Если будет скачёк напряжения вся ваша техника останется исправной. -Перекидной рубильник можно ставить где угодно, можно вместо него поставить выключатель нагрузки, он ставится на дин-рейку в щит. -Переключатель ввода резерва позволит вам переключаться на генератор. По схеме, очень много групп на освещение, я б посоветовал оставить 3. 1 группа -детская, спальня, гостевая, 2 группа- все остальные комнаты. 3-группа вход в дом и двор. Таким образом вам понадобится намного меньше проводов. На холодильник и морозильную камеру 25А это очень много. Это на мощность примерно 5 кВт, а там я думаю и 2-х не наберётся. 16 А будет достаточно. А вот на розетки в кухне, я б поставил автомат 25А, так как по любому там будет включаться бытовая техника, микроволновка. Ну и на все остальные розетки по 20А то же лучше поставить автоматы. На розетку в ванной то же автомат на 16А лучше поставить. УЗО на розетки надо по любому на 40А не меньше. Ну вот примерно так на первый взгляд. Змінено 19 вересня 2012 користувачем HagerKVT 1 Посилання на коментар Поділитися на інших сайтах More sharing options...
reestraror826792452 Опубліковано: 19 вересня 2012 Поділитись Опубліковано: 19 вересня 2012 спасибо что посмотрели ! Когда все утрясется( виясню нужное количесто всего) обращусь к Вам для просчета стоимости ) а сейчас вопросы можна -Перекидной рубильник можно ставить где угодно, можно вместо него поставить переключатель ввода резерва, он ставится на дин-рейку в щит. как он выглядит По схеме, очень много групп на освещение, я б посоветовал оставить 3. 1 группа -детская, спальня, гостевая, 2 группа- все остальные комнаты. 3-группа вход в дом и двор. Таким образом вам понадобится намного меньше проводов Что означает высказывание - понадобится намного меньше проводов. Как уже писал , что в щит попали 31 провод из них 10 освещения и 20 резетки + 1 для генератора. Теперь задача как все это правильно увязать в щите. Возможно я делал первоначально не правильно но сделал так. Хотел чтобы все работало или не работало отдельно. Теперь вопрос как все это запихнуть хотяби в щит 36 автоматов хотяби и стоимость всего оборудования в целом выйдет. теперь насчет щита фирмы которую вы представляете там написано 36 + 6 допольнительних это как? Выходит щит на 42 то почему не указывать так . или там не так. В остальном за поправки спасибо. Посилання на коментар Поділитися на інших сайтах More sharing options...
karapuz74 Опубліковано: 20 вересня 2012 Поділитись Опубліковано: 20 вересня 2012 Вводной автомат-однополюсный! Запрещено в цепи "0" ставить отключающее устройство ( только если отключение производится вместе с фазным) Освещение в ванной рекомендовал бы подключить под УЗО. Возможно подключить под УЗО на розетку ванной Действительно, сильно много групп как под освещение, так и под розетки.. Объедините их. Оставьте 4-5 групп. Места сразу освободятся. Какой вводной провод? И какая мощность у Вас? 1 Посилання на коментар Поділитися на інших сайтах More sharing options...
engeneer Опубліковано: 20 вересня 2012 Поділитись Опубліковано: 20 вересня 2012 Чтобы генератор работал на часть нагрузок, нужно взять трехфазный рубильник и вводной провод от города развести перемычкой на две линии. В положении "генератор" подключить только одну линию - резервную. Таким образом, получатся две группы автоматов - первая будет работать от генератора, вторая - нет. Котел желательно подключить через ИБП - тогда не придется включать генератор ночью и днем, когда никого нет дома. И без УЗО - а то из-за старого холодильника заморозите дом. На стиралку желательно поставить 16А "С". Щит "впритирку" не берите - во-первых, пусть останется резерв, во-вторых, первое и последнее место удобно занять колодками- "ноль" и "земля". Так намного проще разводка. 1 Посилання на коментар Поділитися на інших сайтах More sharing options...
HagerKVT Опубліковано: 8 жовтня 2012 Поділитись Опубліковано: 8 жовтня 2012 спасибо что посмотрели ! Когда все утрясется( виясню нужное количесто всего) обращусь к Вам для просчета стоимости ) а сейчас вопросы можна как он выглядит Что означает высказывание - понадобится намного меньше проводов. Как уже писал , что в щит попали 31 провод из них 10 освещения и 20 резетки + 1 для генератора. Теперь задача как все это правильно увязать в щите. Возможно я делал первоначально не правильно но сделал так. Хотел чтобы все работало или не работало отдельно. Теперь вопрос как все это запихнуть хотяби в щит 36 автоматов хотяби и стоимость всего оборудования в целом выйдет. теперь насчет щита фирмы которую вы представляете там написано 36 + 6 допольнительних это как? Выходит щит на 42 то почему не указывать так . или там не так. В остальном за поправки спасибо. Переключатель например SF263 выглядит вот так: Если уже разводка сделана, то тогда надо подключать то что уже заведено в щит конечно. Хоть и нет экономии по проводам, но зато удобно при эксплуатации, что каждая линия на отдельном автомате будет. Щит конфигурацией 36+6 это только щиты VOLTA (3 ряда по 12 модулей) но DIN-рейка в щите от одной стенки до другой, поэтому по краям можно вырезать части пластмассовой крышки и поставить ещё 2 места в каждый ряд. Всего получится ещё 6 модулей поставить. Но лучше подбирать щит без учета добавочных позиций. Если не помещается в 36, берите на 48 модулей, тогда точно поместите все провода и разведёте без проблем в щите. У щитов Hager как раз есть преимущество в том, что очень много места для проводов, и удобство при монтаже. Посилання на коментар Поділитися на інших сайтах More sharing options...
Рекомендовані повідомлення
Створіть акаунт або увійдіть у нього для коментування
Ви маєте бути користувачем, щоб залишити коментар
Створити акаунт
Зареєструйтеся для отримання акаунта. Це просто!
Зареєструвати акаунтУвійти
Вже зареєстровані? Увійдіть тут.
Увійти зараз