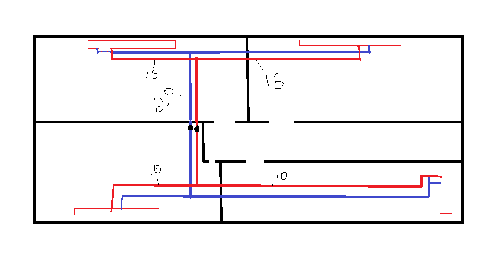
рубель Опубліковано: 25 листопада 2012 Автор Поділитись Опубліковано: 25 листопада 2012 а теперь осталось определить какая со оптимальная по балансировке и работоспособности!схема 1 Посилання на коментар Поділитися на інших сайтах More sharing options...
рубель Опубліковано: 25 листопада 2012 Автор Поділитись Опубліковано: 25 листопада 2012 или схема 2 Посилання на коментар Поділитися на інших сайтах More sharing options...
рубель Опубліковано: 25 листопада 2012 Автор Поділитись Опубліковано: 25 листопада 2012 буду благодарен за вашу критику и помощь. Посилання на коментар Поділитися на інших сайтах More sharing options...
naupv Опубліковано: 25 листопада 2012 Поділитись Опубліковано: 25 листопада 2012 www.thermona-ekb.ru/index.php...otopl&Itemid=8 А это к чему? У ТС вертикальных разводок не предвидится. Посилання на коментар Поділитися на інших сайтах More sharing options...
О_ВК Опубліковано: 25 листопада 2012 Поділитись Опубліковано: 25 листопада 2012 вопрос по фитингам, какие лучше ?(радиальный прес или с натяжной гильзой)соединения будут в стяжке. И то и то имеет место быть. Разница в Вашем случае копеечная. Ставьте те на которые найдете пресс на прокат, но что-то из хорошего! Главное фитинги - тройники / колена защитите от попадания бетона (если латунь). 1 Посилання на коментар Поділитися на інших сайтах More sharing options...
econo Опубліковано: 25 листопада 2012 Поділитись Опубліковано: 25 листопада 2012 А это к чему? У ТС вертикальных разводок не предвидится. к случаю если разводка будет от котла с первого на второй этаж Посилання на коментар Поділитися на інших сайтах More sharing options...
рубель Опубліковано: 26 листопада 2012 Автор Поділитись Опубліковано: 26 листопада 2012 здраствуйте!помогите определиться с одним из вариантом приведеных выше,какой будет оптимальным?гуру,помогите ,если сможете.по поводу радиаторов ,их нужно вешать строго горизонтально,или нужно одну сторону немного приподнять ?если есть в котле воздухоотводчик ненужно? Посилання на коментар Поділитися на інших сайтах More sharing options...
south Опубліковано: 26 листопада 2012 Поділитись Опубліковано: 26 листопада 2012 рубель, я не гуру конечно,но из двух схем мне больше вторая нравится. радиаторы вешать горизонтально 1 Посилання на коментар Поділитися на інших сайтах More sharing options...
рубель Опубліковано: 26 листопада 2012 Автор Поділитись Опубліковано: 26 листопада 2012 по поводу диаметров ,(с такими будет работать)? Посилання на коментар Поділитися на інших сайтах More sharing options...
О_ВК Опубліковано: 26 листопада 2012 Поділитись Опубліковано: 26 листопада 2012 по поводу диаметров ,(с такими будет работать)? Однако перестраховщик вы батенька :D Работать будет! ждем пифко 1 Посилання на коментар Поділитися на інших сайтах More sharing options...
рубель Опубліковано: 26 листопада 2012 Автор Поділитись Опубліковано: 26 листопада 2012 как говорят на форуме лучше перебдеть чем недобдеть!хочется чтобы выполненая работа радовала и выполняла свои функцыи! Посилання на коментар Поділитися на інших сайтах More sharing options...
naupv Опубліковано: 26 листопада 2012 Поділитись Опубліковано: 26 листопада 2012 к случаю если разводка будет от котла с первого на второй этаж От котла на второй этаж называется стояк, и он аж никак не влияет на горизонтальную разводку второго этажа. Посилання на коментар Поділитися на інших сайтах More sharing options...
рубель Опубліковано: 26 листопада 2012 Автор Поділитись Опубліковано: 26 листопада 2012 если стояк на второй этаж будет запитан с колекторного шкафа ,ето некритично? Посилання на коментар Поділитися на інших сайтах More sharing options...
рубель Опубліковано: 26 листопада 2012 Автор Поділитись Опубліковано: 26 листопада 2012 или отдалить стояк от колектора тп? Посилання на коментар Поділитися на інших сайтах More sharing options...
О_ВК Опубліковано: 27 листопада 2012 Поділитись Опубліковано: 27 листопада 2012 если стояк на второй этаж будет запитан с колекторного шкафа ,ето некритично? Нет или отдалить стояк от колектора тп? Нет. Стояк из магистрали до коллектора 1 Посилання на коментар Поділитися на інших сайтах More sharing options...
Рекомендовані повідомлення
Створіть акаунт або увійдіть у нього для коментування
Ви маєте бути користувачем, щоб залишити коментар
Створити акаунт
Зареєструйтеся для отримання акаунта. Це просто!
Зареєструвати акаунтУвійти
Вже зареєстровані? Увійдіть тут.
Увійти зараз