А.Р.Бородач Опубліковано: 23 січня 2013 Поділитись Опубліковано: 23 січня 2013 И все таки лучше как должно быть, а не как кому-то хочется. Обеими руками за, но и вариант с зажимом не противоречит ПУЭ + легко реализуем вне зависимости от мнения безмозглых пломбировщиков. 2 Посилання на коментар Поділитися на інших сайтах More sharing options...
хищник Опубліковано: 23 січня 2013 Автор Поділитись Опубліковано: 23 січня 2013 Спасибо всем друзья за помощь! Этим энергосбытам как я понял спустили одну схему -и они чешут всех под нее. А при моем объяснении, что бывают разные системы заземления-смотрят непонимающим взглядом. Мне посоветовали напечатать свою однолинейную схему и согласовать ее в эл.сетях-с печатями. Далее с согласованной схемой можно в энергосбыт идти и ткнуть их носом! Ткнуть так же в паспорт счетчика! Если не принимают схему брать отказ и далее строчить жалобы в инстанции. Ну это только теперь в понедельник --чт.пт. не работают Посилання на коментар Поділитися на інших сайтах More sharing options...
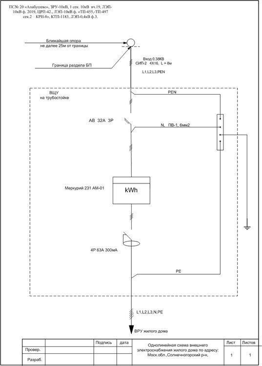
PA3 Опубліковано: 23 січня 2013 Поділитись Опубліковано: 23 січня 2013 Этим энергосбытам как я понял спустили одну схему -и они чешут всех под нее. есть такая схема. РИС.9 ВКЛЮЧЕНИЕ СЧЕТЧИКА АКТИВНОЙ ЭНЕРГИИ НЕПОСРЕДСТВЕННО В СЕТЬ 0,4 кВ 1. Настоящая инструкция разработана отделом электрооборудования Московского научно-исследовательского и проектного института типологии и экспериментального проектирования (МНИИТЭП). ... 3. Согласована с Энергосбытом АО Мосэнерго Посилання на коментар Поділитися на інших сайтах More sharing options...
ink_stroi Опубліковано: 24 січня 2013 Поділитись Опубліковано: 24 січня 2013 PA3, Напоминаю: Цитата: Сообщение от PA3 Посмотреть сообщение так и делите. Шина после счетчика - PEN. На неё всё и собираете Показывайте схему подключения счетчика, где указан PEN? Посилання на коментар Поділитися на інших сайтах More sharing options...
PA3 Опубліковано: 24 січня 2013 Поділитись Опубліковано: 24 січня 2013 Ткнуть так же в паспорт счетчика!ну ткнете. А в ответ получите РМ-2559. Со схемами. Понапирайте на выделенное 1.7.145. Не допускается включать коммутационные аппараты в цепи РЕ- и PEN-проводников, за исключением случаев питания электроприемников при помощи штепсельных соединителей. Допускается также одновременное отключение всех проводников на вводе в электроустановки индивидуальных жилых, дачных и садовых домов и аналогичных им объектов, питающихся по однофазным ответвлениям от ВЛ. При этом разделение PEN-проводника на РЕ- и N-проводники должно быть выполнено до вводного защитно-коммутационного аппарата. физически же схемы не отличаются: - что 4-й провод в счетчик, и оттуда(16 кв.мм) на шину - что 4-й провод на шину, а с неё в счетчик - что 4-й провод в счетчик и его же(плашкой) на шину. Посилання на коментар Поділитися на інших сайтах More sharing options...
ink_stroi Опубліковано: 24 січня 2013 Поділитись Опубліковано: 24 січня 2013 физически же схемы не отличаются:Где вы в счетчике PEN видели? Посилання на коментар Поділитися на інших сайтах More sharing options...
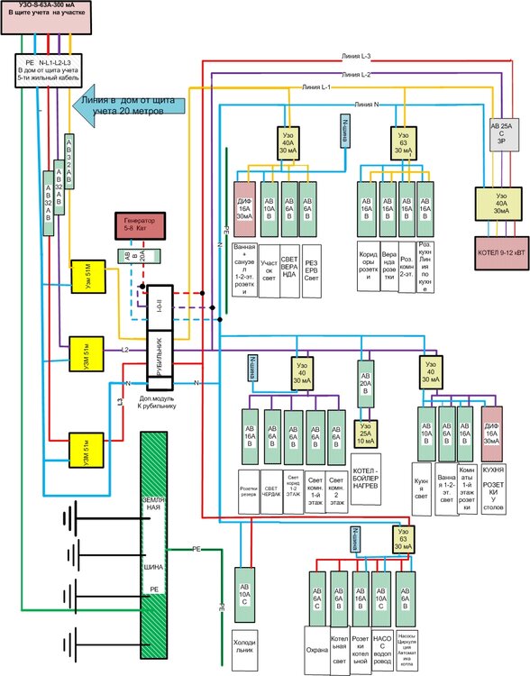
хищник Опубліковано: 24 січня 2013 Автор Поділитись Опубліковано: 24 січня 2013 Ну вот небольшие подробности по моей ситуации еще. Контора --Энергосбыт дала мне предписание поставить вводной автомат 25А и Собрать схему правильно? :victory: Как я понял мастер и все его окружение не могут понять какие провода идут у них по столбам. Их ответ-3-и фазы и рабочий ноль! Т. е никакого защитного проводника PEN у них получается нет! Такое может быть! И опять же мастер решил мне пояснить по какой схеме надо собирать щит учета. т. е не по схеме рис 1. а строго по рисунку 2. аргументы-чтобы эл. энергию не воровали! И после вывода с клеммы 8 надо вести в дом + 3-и фазы А ящик заземлять отдельно Посилання на коментар Поділитися на інших сайтах More sharing options...
ink_stroi Опубліковано: 24 січня 2013 Поділитись Опубліковано: 24 січня 2013 А ящик заземлять отдельно Глупости. При этом электробезопасность ни чем не обеспечена. Посилання на коментар Поділитися на інших сайтах More sharing options...
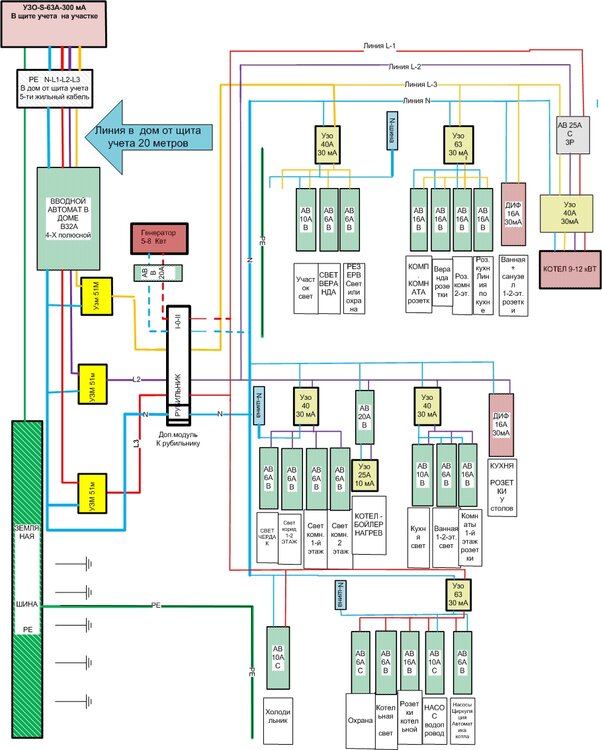
хищник Опубліковано: 24 січня 2013 Автор Поділитись Опубліковано: 24 січня 2013 (змінено) Глупости. При этом электробезопасность ни чем не обеспечена. Так не могу ничего доказать! Вот так требуют--см. рисунок № 1 Сегодня был еще в электросетях--завтра подаю свою схему однолинейную на согласование.Сколько будут рассматривать пока не ясно. Если согласуют ткну носом энергосбыт! Моя схема новая вот!--рис № 2 Я вот не могу понять!!! у соседа моего---электрик электросетей собирал щит учета за деньги -у него провод с выхода 8 счетчика идет на болт корпуса щита и туда же идет заземление. Мне говорят заземление к Нулю не подключать--не понимаю Змінено 24 січня 2013 користувачем хищник Посилання на коментар Поділитися на інших сайтах More sharing options...
хищник Опубліковано: 25 січня 2013 Автор Поділитись Опубліковано: 25 січня 2013 Спасибо друзья за помощь! Ну вот и первые подробности моего сдатия однолинейной схемы и написания претензии на сайте МОЭСК. Сегодня позвонил начальник этого отдела транспорта и сбыта электроэнергии, техник которой мне так доказывал с пеной у рта что мне по любому придется делать так как он говорит или ничего не опечатает! Т. е заводить сип в счетчик. Начальник до этого тоже сидевший в кабинете и полностью поддерживающий своего техника сегодня до меня дозвонился и сказал-щит учета принимаем так как есть с Вашим-моим разделением PEN на этой медной щине. Только заменить вводной автомат на 25А и более претензий нет! Сказал, что они уже знают где участок и сами заедут опечатают! Вот такие новости! Но дело уже в том, что я сдал уже сегодня схему однолинейную на согласование-сказали будет готово на след. неделе. и НА схеме однолинейной поставил вводной автомат на 32А. Теперь уже вот интересно, подожду недельку что мне по моей однолинейной ответят-согласую-нет! Посилання на коментар Поділитися на інших сайтах More sharing options...
А.Р.Бородач Опубліковано: 25 січня 2013 Поділитись Опубліковано: 25 січня 2013 Сегодня позвонил начальник этого Это очень хорошая новость, только вот с чего такие перемены? Но дело уже в том, что я сдал уже сегодня схему однолинейную на согласование-сказали будет готово на след. неделе. и НА схеме однолинейной поставил вводной автомат на 32А. Это 20кВт. Не уверен, что согласуют. На Вашем месте я бы опечатал как есть - главного Вам удалось добиться - теперь у Вас полноценная TN-C-S. Только при опечатывании, посмотрите внимательно на документы, которые Вам дают, что-бы схема соответствовала. Посилання на коментар Поділитися на інших сайтах More sharing options...
хищник Опубліковано: 12 лютого 2013 Автор Поділитись Опубліковано: 12 лютого 2013 НУ вот что в итоге у меня получилось. Дифы завел под узо-так как лучше защита получается. а не взял прямо с фазной линии. Добавил еще линию в кухню от верхнего узо(линия желтая) , к уже имеющейся от дифа на средней(фиолетовой) линии На вводе поставил три шт. 32А Автомата . Купил доп. полюс к рубильнику. от генератора объединяю пару фаз при работе-итого при отключении света будет работать средняя(фиолет.) и нижняя линия(красная) Посилання на коментар Поділитися на інших сайтах More sharing options...
хищник Опубліковано: 12 лютого 2013 Автор Поділитись Опубліковано: 12 лютого 2013 Сорри поправил на вводе В ДОМ будет или 4Р-32А(не знаю надо ли и ноль рвать) или 3Р-32А--А НЕ 3-и штуки однополюсных! И на счет дифов непонятно-надо ли их из под узо вывести и взять прямо с фазных проводов? Посилання на коментар Поділитися на інших сайтах More sharing options...
ink_stroi Опубліковано: 14 лютого 2013 Поділитись Опубліковано: 14 лютого 2013 Дифы завел под узо-так как лучше защита получается. кто и где надоумил, признавайтесь? Посилання на коментар Поділитися на інших сайтах More sharing options...
хищник Опубліковано: 15 лютого 2013 Автор Поділитись Опубліковано: 15 лютого 2013 кто и где надоумил, признавайтесь? Ну уж нашлись добрые люди- -говорят так получается дополнительная защита в этой цепи т.е и диф защищает и + узо страхует. А по поводу на ввозе автомата лучше 4Р или 3Р автомат ? Т.Е если 4Р то и ноль разрывается на вводе---это лучше или непринципиально 3р, 4р ? Посилання на коментар Поділитися на інших сайтах More sharing options...
ink_stroi Опубліковано: 15 лютого 2013 Поділитись Опубліковано: 15 лютого 2013 т.е и диф защищает и + узо страхует.Плюс еще на вводе узо это все дублирует. Это уже фобия. Т.Е если 4Р то и ноль разрывается на вводе---это лучше или непринципиально 3р, 4р ?непринципиально 1 Посилання на коментар Поділитися на інших сайтах More sharing options...
хищник Опубліковано: 15 лютого 2013 Автор Поділитись Опубліковано: 15 лютого 2013 Плюс еще на вводе узо это все дублирует. Это уже фобия. непринципиально Благодарю за помощь! Посилання на коментар Поділитися на інших сайтах More sharing options...
ink_stroi Опубліковано: 15 лютого 2013 Поділитись Опубліковано: 15 лютого 2013 Благодарю за помощь!Сдается мне, вы не понимаете с кем общаетесь. Посилання на коментар Поділитися на інших сайтах More sharing options...
хищник Опубліковано: 16 лютого 2013 Автор Поділитись Опубліковано: 16 лютого 2013 Сдается мне, вы не понимаете с кем общаетесь. Нет-не понимаю а что такое ? Посилання на коментар Поділитися на інших сайтах More sharing options...
ink_stroi Опубліковано: 16 лютого 2013 Поділитись Опубліковано: 16 лютого 2013 Вы уже добились установки АВ 32А на вводе, для увеличения потребления выделенной мощности?;) 1 Посилання на коментар Поділитися на інших сайтах More sharing options...
хищник Опубліковано: 16 лютого 2013 Автор Поділитись Опубліковано: 16 лютого 2013 Вы уже добились установки АВ 32А на вводе, для увеличения потребления выделенной мощности?;) Пока нет! в процессе! Но не опускаю руки:D Посилання на коментар Поділитися на інших сайтах More sharing options...
ink_stroi Опубліковано: 16 лютого 2013 Поділитись Опубліковано: 16 лютого 2013 Пока нет! в процессе! Ну помогай вам бог и "прожженые" юрЫсты. Но не опускаю руки Придется запастись терпением, это долгая песня.:D 1 Посилання на коментар Поділитися на інших сайтах More sharing options...
хищник Опубліковано: 17 квітня 2013 Автор Поділитись Опубліковано: 17 квітня 2013 Итак друзья --провода мои подключены к столбу и до трубостойки идет электричество. Теперь возникли пара вопросиков по вводу кабеля в дом. кабель куплен! ВБбШв 5х10 Как только снежок сойдет планирую 1. Откопать свою трубостойку на 80-90см (трубостойка заглублена на 1.70 см-не упадет!) 2. прорезать трубу-сделать окно в траншее для протяжки в среднее окно трубы кабеля и вывести под щитком достаточной длины для ввода в щит. 3. Прокопать до дома на глубине 80см 4. Насыпать песок 10 см - Проверить кабель тестером на замыкание жил между собой или на броню 5. уложить кабель с извивами-обязательно Под фундаментом прохожу легко-фундамент тисэ + ростверк ввод в дом выполню через полы в трубе к щиту (трубу еще не знаю какую взять- подскажите!) 6. засыпать песком сверху еще 10 см потом сверху земли 15 см + трамбовка -еще выше сигнальная лента. 7. засыпать все землей. Снова проверить тестером-если все ок. подключить к щиту в доме и потом к трубостойке. Тут еще вопросик-как броню подключить? есть какая-то обжимка или как ее-броню завести проводом в щиток на шину земли в щите учета? или броню можно и на трубостойку прикрутить? Посилання на коментар Поділитися на інших сайтах More sharing options...
Рекомендовані повідомлення
Створіть акаунт або увійдіть у нього для коментування
Ви маєте бути користувачем, щоб залишити коментар
Створити акаунт
Зареєструйтеся для отримання акаунта. Це просто!
Зареєструвати акаунтУвійти
Вже зареєстровані? Увійдіть тут.
Увійти зараз