Olegko Опубліковано: 23 травня 2013 Автор Поділитись Опубліковано: 23 травня 2013 Пару ИМХО: 1. Второй этаж практически не будет отапливаться. 2. Первый тоже, т.к. при такой высоте камеры дожига над полом будет непрогреваемый объём. А как насчет вот-такой схемы? Ведь в русских печах воздух охлаждается и опускается до самого пола и потом выходит в дымоход.... Такой принцип должен работать и здесь... Посилання на коментар Поділитися на інших сайтах More sharing options...
AndyAntonov Опубліковано: 23 травня 2013 Поділитись Опубліковано: 23 травня 2013 Уже лучше, но второй этаж будет прогреваться только при открытой ЗЛХ, т.к. первые два колпака отберут почти всё тепло. И не забывайте, что при наличии чугунного настила над топкой около половины тепла печь отдаёт именно через него. Настоящая РП ничего не греет ниже пода. Нечем. Посилання на коментар Поділитися на інших сайтах More sharing options...
Olegko Опубліковано: 27 лютого 2014 Автор Поділитись Опубліковано: 27 лютого 2014 Схему немного дорабатываю во время того, как рисую порядовки. Поскольку ширину печки не могу увеличить из-за условий помещения (расстояние между балками перекрытыя) то получается что ширина каналов буде составлять 120х120мм. Вопросы: 1) Допускается ли в колпаковых печах ширина каналов 120х120мм по всей длине дымового пути? Потому что на всех чертежах, которые я видел, отверстие в дымоходе составляет приблизительно 140X270 мм (кирпич). В книге Подгородникова - "Бытовые печи" прочел: В междуэтажных перекрытиях применяют раз- делку с железобетонной ступенчатой плитой. Для трубы с двумя дымовыми каналами размеры нижней части плиты должны быть 770x890x50 мм и верх- ней— 510x630x30 мм, а отверстия для дымового ка- нала— 140X270 мм. В книге А.И.Рязанкина "Печь в вашем доме" написано следующее: Нельзя заужать газоход трубы, газы должны выходить свободно, то есть после задвижки сечение трубы должно быть не менее отверстия задвижки (120х210мм) Но насколько я понимаю это относится только к сечению дымохода после задвижки. А что по поводу "диаметра" канала между колпаками? 2) Стоит ли увеличивать высоту канала выхода из колпаков с 2-х рядов до 3-х? (учитывая что ширина канала всего навсего 120мм) Посилання на коментар Поділитися на інших сайтах More sharing options...
вогнистый владимир Опубліковано: 10 березня 2014 Поділитись Опубліковано: 10 березня 2014 Olegko, -http://www.stroimdom.com.ua/forum/showthread.php?t=122044, и сюда зайдите krainamaystriv.com/threads/15043/ Посилання на коментар Поділитися на інших сайтах More sharing options...
Olegko Опубліковано: 5 серпня 2014 Автор Поділитись Опубліковано: 5 серпня 2014 Благодаря нескольким форумам пришел к почти финальной схеме. Начал класть печку. Думаю все будет ОК. Спасибо всем, кто принимал участие в обсуждении. Если кому-то интересно, то финальные порядовки здесь 1 Посилання на коментар Поділитися на інших сайтах More sharing options...
JFK Опубліковано: 18 жовтня 2014 Поділитись Опубліковано: 18 жовтня 2014 Благодаря нескольким форумам пришел к почти финальной схеме. Начал класть печку. Думаю все будет ОК. Спасибо всем, кто принимал участие в обсуждении. Если кому-то интересно, то финальные порядовки здесь Результат есть? Посилання на коментар Поділитися на інших сайтах More sharing options...
AleXkit Опубліковано: 20 жовтня 2014 Поділитись Опубліковано: 20 жовтня 2014 У меня похожая схема, но 2 этаж не отапливает, стены только теплые Посилання на коментар Поділитися на інших сайтах More sharing options...
Olegko Опубліковано: 20 жовтня 2014 Автор Поділитись Опубліковано: 20 жовтня 2014 Результат есть? К сожалению пока-что нет. Поклал только 14 рядов. Имею основное место работы и поэтому класть получается только по-выходным. А поскольку приходится еще обтесывать кирпич (ввиду разницы в 1 см в размерах и кривизны) то работа движется не так быстро. Хотя процесс оптимизировал как мог: изготовил деревянный шаблон (сбиты 3 доски) для того, чтобы не приходилось замерять кирпич бесконечно. Сейчас отложил до весны. Не хочу класть по холоду - кирпич не успеет высохнуть. Только изменю стратегию. Ранней весной буду тесать кирпич, а в конце весны буду только класть. Так думаю процесс значительно быстрее пойдет. Когда закончу - обязательно напишу, получилась или нет удачная печка. Добавлено через 4 минуты У меня похожая схема, но 2 этаж не отапливает, стены только теплые У меня второй этаж - мансарда. Думаю если все правильно сделать (пароизоляция, минвата 10см., гидроизоляция и т.д.) то должно хватать тепла (пол точно будет не холодным ). В крайнем случае буду использовать электро конвертеры в морозы. 2 Посилання на коментар Поділитися на інших сайтах More sharing options...
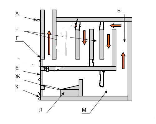
anavik Опубліковано: 26 жовтня 2014 Поділитись Опубліковано: 26 жовтня 2014 Чи будуть працювати всі канали, чи тільки 1, 4, 5 Посилання на коментар Поділитися на інших сайтах More sharing options...
Olegko Опубліковано: 26 жовтня 2014 Автор Поділитись Опубліковано: 26 жовтня 2014 Чи будуть працювати всі канали, чи тільки 1, 4, 5 Думаю що схема невірна Тому що якщо піч вже протопилася і Ви забули закрити останню задвижку, то вже холодніше повітря винесе за собою все тепло із колпака. Почитайте Подгороднікова (якщо є час) бо в мене був. А якщо часу немає то почитайте на сайті Кузнєцова основні принципи конструювання колпакових печей тут Особливо пункти: 7) горячие газы подводятся во второй колпак снизу, это важно, причём заполнение колпака по возможности делать равномерным. В некоторых печах, рекомендуемых к строительству Госстроем России, а так же печах построенных на принципе «противотока», горячие газы подводятся в верхнюю зону. Здесь не происходит разделение потока проходящего через очаг газа, горячие и холодные газы принудительно протаскиваются через верхнюю часть печи; (Жидкости и газы следует нагревать снизу, иначе не происходит естественной конвекции); та 4) не рекомендуется делать колпаки с вертикальными рассечками; поток горячих газов из топки (или из нижнего колпака) фонтанируют с большой скоростью, и расширяется по мере подъёма, вертикальные рассечки мешают естественному распространению газов; На представленій Вами схемі подача в колпак йде в верхню частину. Можливо на схемі представлений якийсь гібрид оборотної та колпакової печі... але думаю щось там явно не доопрацьовано. Я не спеціаліст, але судячи по тому що я перечитав - я не розумію переваг такої конструкції. На мою думку якщо необхідно самому спроектувати піч (нестандартні розміри чи конфігурація із-за особливостей приміщення і т.д.) то необхідно проектувати колпакову піч, зберігаючи всі принципи такої печі. А в оборотних печах необхідно ще розуміти систему тяги - це складніше для новичків в пічному ділі. Посилання на коментар Поділитися на інших сайтах More sharing options...
AndyAntonov Опубліковано: 27 жовтня 2014 Поділитись Опубліковано: 27 жовтня 2014 Olegko, это не колпаковая печь, а канальная с параллельными опускными каналами. Учитывая, что из топки в каналы есть прогар (на рисунке — Д), после протопки воздух пойдёт по наименьшему сопротивлению (через прогар). Выстуживание — проблема любой канальной печи. Посилання на коментар Поділитися на інших сайтах More sharing options...
Olegko Опубліковано: 27 жовтня 2014 Автор Поділитись Опубліковано: 27 жовтня 2014 Olegko, это не колпаковая печь, а канальная с параллельными опускными каналами. Учитывая, что из топки в каналы есть прогар (на рисунке — Д), после протопки воздух пойдёт по наименьшему сопротивлению (через прогар). Выстуживание — проблема любой канальной печи. Я подумал что Д) на схеме - это задвижка летнего хода. Не вижу смысла чтобы там был постоянный канал... А вообще, anavik, нужно подписывать схемы Посилання на коментар Поділитися на інших сайтах More sharing options...
вогнистый владимир Опубліковано: 27 жовтня 2014 Поділитись Опубліковано: 27 жовтня 2014 Olegko, - уже сколько копий сломано- что лучше Канал или Колпак. ИМХО- все можно зделать- ПЛОХО. и эта схема вполне рабочая- только не хватает одной детали- и все будет -хорошо. Посилання на коментар Поділитися на інших сайтах More sharing options...
anavik Опубліковано: 29 жовтня 2014 Поділитись Опубліковано: 29 жовтня 2014 Я подумал что Д) на схеме - это задвижка летнего хода. Не вижу смысла чтобы там был постоянный канал... А вообще, anavik, нужно подписывать схемы А – общетяговая задвижка, Б – 1 подъемный колодец, В – параллельные конструкции колодцев, Г – дверка для прочищения, Д – подсос тяги, Е – топочная дверь, Ж – колосники, К – поддувальная дверь, Л – топковый пол, М – камера догорания. Добавлено через 2 минуты А – общетяговая задвижка, Б – 1 подъемный колодец, В – параллельные конструкции колодцев, Г – дверка для прочищения, Д – подсос тяги, Е – топочная дверь, Ж – колосники, К – поддувальная дверь, Л – топковый пол, М – камера догорания. Особенностью данной печи, которая была разработана В. А. Строгановым, является наличие: камеры догорания; технически грамотного распределения расположения и направления каналов, которые позволяют получить равномерный прогрев полностью всей площади дымовых колодцев печки; калиброванного отверстия подсоса прямой тяги; только одной прочистной дверки, которая позволяет просто и легко прочищать все колодцы; если есть необходимость, через нее есть возможность избавиться от опрокидывания тяги в печке; колосников и пода топки печки, которые устраиваются под продуманными наклонами, что способствует более эффективному сгоранию остатков топлива, чем в печках, которые имеют строго горизонтальное расположение пода топки печки и колосниковой решетки. Добавлено через 12 минут Думаю що схема невірна Тому що якщо піч вже протопилася і Ви забули закрити останню задвижку, то вже холодніше повітря винесе за собою все тепло із колпака. Почитайте Подгороднікова (якщо є час) бо в мене був. А якщо часу немає то почитайте на сайті Кузнєцова основні принципи конструювання колпакових печей тут Особливо пункти: 7) та 4) На представленій Вами схемі подача в колпак йде в верхню частину. Можливо на схемі представлений якийсь гібрид оборотної та колпакової печі... але думаю щось там явно не доопрацьовано. Я не спеціаліст, але судячи по тому що я перечитав - я не розумію переваг такої конструкції. На мою думку якщо необхідно самому спроектувати піч (нестандартні розміри чи конфігурація із-за особливостей приміщення і т.д.) то необхідно проектувати колпакову піч, зберігаючи всі принципи такої печі. А в оборотних печах необхідно ще розуміти систему тяги - це складніше для новичків в пічному ділі. В мене була піч між кімнатами (шир. 50 см. довжина 130 см) але так як цегла погана, і будинок був неутеплений приходилося сильно топити. потрібно ставити нову піч. Посилання на коментар Поділитися на інших сайтах More sharing options...
anavik Опубліковано: 29 жовтня 2014 Поділитись Опубліковано: 29 жовтня 2014 Чи будуть працювати всі канали, чи тільки 1, 4, 5 До цього була така Посилання на коментар Поділитися на інших сайтах More sharing options...
anavik Опубліковано: 29 жовтня 2014 Поділитись Опубліковано: 29 жовтня 2014 До цього була така але був перегрів перших двох каналів Добавлено через 1 минуту але був перегрів перших двох каналів переріз всіх каналів однаковий 12*25 см Добавлено через 8 минут але був перегрів перших двох каналів Добавлено через 1 минуту переріз всіх каналів однаковий 12*25 см На даний час є така піч, обігріває 2 кімнати 15 12 м2, дві закладки вистачає до слідуючого вечора ( після протопки +21-22*С на другий день+17+18*С) піч товстостінна в півцегли. Посилання на коментар Поділитися на інших сайтах More sharing options...
Olegko Опубліковано: 2 вересня 2015 Автор Поділитись Опубліковано: 2 вересня 2015 Результат есть? Уже есть! Фотки выложил у себя на Dropbox-е 1 Посилання на коментар Поділитися на інших сайтах More sharing options...
JFK Опубліковано: 2 вересня 2015 Поділитись Опубліковано: 2 вересня 2015 Уже есть! Поздравляю! и удачных испытаний! Посилання на коментар Поділитися на інших сайтах More sharing options...
Olegko Опубліковано: 27 вересня 2015 Автор Поділитись Опубліковано: 27 вересня 2015 Свою грубу я добудував. Дякую всім хто приймав участь у обговоренні цієї теми і підказував, або наштовхував на пошук правильних рішень! Весь процес я описав в статті свого блогу. Там же і фото. Вже на етапі просушування мені сподобались результати роботи пічки. Ще залишилось пару топок для остаточного просушування. Скоріше за все вже весною зачищу пічку та пофарбую термостійкою фарбою. А також облагороджу верх топки (зверху накрию листом оцинковки, загнутим з країв та з отвором для варочної плити). 1 Посилання на коментар Поділитися на інших сайтах More sharing options...
Jurij_st Опубліковано: 17 листопада 2015 Поділитись Опубліковано: 17 листопада 2015 Свою грубу я добудував. Дякую всім хто приймав участь у обговоренні цієї теми і підказував, або наштовхував на пошук правильних рішень! Весь процес я описав в статті свого блогу. Там же і фото. Вже на етапі просушування мені сподобались результати роботи пічки. Ще залишилось пару топок для остаточного просушування. Скоріше за все вже весною зачищу пічку та пофарбую термостійкою фарбою. А також облагороджу верх топки (зверху накрию листом оцинковки, загнутим з країв та з отвором для варочної плити). Дуже цікаво... як програвається на другому поверсі? Посилання на коментар Поділитися на інших сайтах More sharing options...
Olegko Опубліковано: 24 листопада 2015 Автор Поділитись Опубліковано: 24 листопада 2015 Дуже цікаво... як прогрівається на другому поверсі? Судячи по тому, як топив коли просушував, то непогано. Але прогрівається не відразу. Все-таки здоровий масив і в першу чергу прогрівається перший поверх. Хоча в мене є задвижка, якою можна це регулювати і частину тепла пускати на другий поверх відразу. Але коли вже прогрівається пічка - то віддає тепло довго. Коли я протоплював щоб просушити і їхав звідтіля, то мама говорила що до самого ранку була тепла пічка (це при тому що приміщення не жиле поки-що і не ізольоване від чердака). Саме так я і планував - щоб довго тримала тепло і можна було довго протоплювати. В якийсь із робочих днів підтримував тихенький вогонь десь на протязі 6 годин, поки працював. То тоді прогрівався ковпак і на другому поверсі. Але перекриша (3 ряди) ковпака на 2 поверсі не прогрівається. Зверху - повністю холодна була. Більш точніше вже весною мабуть буду досліджувати, коли остаточно досушу її. Коли можна буде топити. Може вийде десь дістати інфракрасний термометр, щоб заміри були точними... 2 Посилання на коментар Поділитися на інших сайтах More sharing options...
Рекомендовані повідомлення
Створіть акаунт або увійдіть у нього для коментування
Ви маєте бути користувачем, щоб залишити коментар
Створити акаунт
Зареєструйтеся для отримання акаунта. Це просто!
Зареєструвати акаунтУвійти
Вже зареєстровані? Увійдіть тут.
Увійти зараз