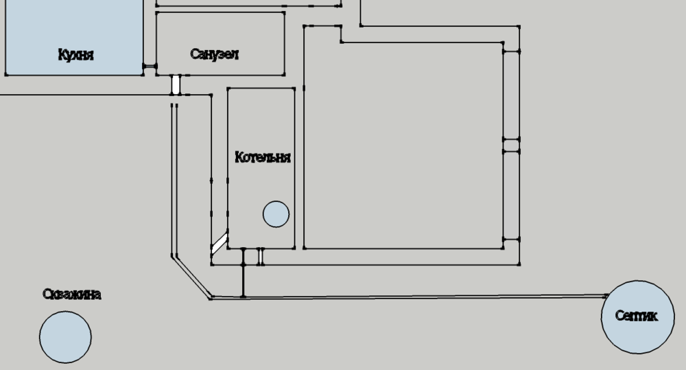
kleo_k Опубліковано: 25 травня 2013 Поділитись Опубліковано: 25 травня 2013 Подскажите какие отверстия в ленточном фундаменте необходимо предусмотреть для комуникаций, на какой глубине предусмотреть ввод комуникаций? Сейчас под фундаментом заложена труба 100 для ввода воды. Нужно подвести канализацию. Растояние от выхода из дома до септика 22 метра. На какой глубине необходимо заложить трубу канализации (для Киевского р-на)? На такую длину до септика необходимо ли делать ревизионный колодец? Электричество, газ и вода будут подходить к котельне и оттуда будет идти разводка по дому. В котельне будет находиться накопительный бак для воды. Для полива воду опять выводить от накопительного бака на улицу или можно подсоединиться к трубе между скважиной и домом? Планирую: для канализации заложить трубу 160 с санузла, также планирую с котельни вывести трубу в канализацию с конденсационника (для котла 24 кВт какая необходимо труба?). Из кухни в санузел будет идти канализационная труба 50 в стяжке пола. Из котельни вода будет подаваться в санузел, а оттуда - в кухню. Посилання на коментар Поділитися на інших сайтах More sharing options...
kleo_k Опубліковано: 27 травня 2013 Автор Поділитись Опубліковано: 27 травня 2013 Похоже, что тема ввода коммуникаций на этапе постройки фундамента мало кого интересует... Посилання на коментар Поділитися на інших сайтах More sharing options...
domikoff Опубліковано: 27 травня 2013 Поділитись Опубліковано: 27 травня 2013 Растояние от выхода из дома до септика 22 метра. Я не спец, но ИМХО на такой длине без ревизионного колодце не обойтись... По отверстиям. У себя делал так. 1. Электрика 2. Вода 3. Ливневка из гаража 4. Канализация 5. Воздуховод для камина Все отверстия закладывались в самой нижней точке стены фундамента, сразу над фундаментной подушкой (пяткой). У меня небольшой перепад всот и вероятно вода или канализация может оказаться выше точки промерзания (1.2 для Киева). Если так, над трубой положу полоску ЭППС для ее утепления. Далее для воды и канализации если глубина 1 Посилання на коментар Поділитися на інших сайтах More sharing options...
kleo_k Опубліковано: 27 травня 2013 Автор Поділитись Опубліковано: 27 травня 2013 3. Ливневка из гаража Спасибо. Это как-то упустил. Теперь остается спланировать куда ее вывести - или в септик (но придется придумать как запахи с септика не допустить в гараж) или в яму для ливневки (тянуть трубу туда неудобно). Планирую трубу канализации на 80 см закладывать. Не думаю, что на такой глубине замерзнет труба. Посилання на коментар Поділитися на інших сайтах More sharing options...
Kotyarych Опубліковано: 27 травня 2013 Поділитись Опубліковано: 27 травня 2013 Планирую трубу канализации на 80 см закладывать. Не думаю, что на такой глубине замерзнет труба. а чему там замерзать? У вас же там вода не стоит все время. У соседа она вообще по воздуху идет и ничего - живут. Посилання на коментар Поділитися на інших сайтах More sharing options...
kleo_k Опубліковано: 27 травня 2013 Автор Поділитись Опубліковано: 27 травня 2013 а чему там замерзать? У вас же там вода не стоит все время. У соседа она вообще по воздуху идет и ничего - живут. Если с конденсационника все время будет капать - думаю, что может и замерзнуть (имхо). Посилання на коментар Поділитися на інших сайтах More sharing options...
domikoff Опубліковано: 28 травня 2013 Поділитись Опубліковано: 28 травня 2013 Спасибо. Это как-то упустил. Теперь остается спланировать куда ее вывести - или в септик (но придется придумать как запахи с септика не допустить в гараж) или в яму для ливневки (тянуть трубу туда неудобно). Для себя решил ливневку и септик разделить. После того как так сделал нашел этому массу подтверждений в различных статьях в инете. У меня логика была следующая. Ливневка может и будет пересыхать и если ее объединить с септиком дурного запаха не избежать! Добавлено через 1 минуту Планирую трубу канализации на 80 см закладывать. Не думаю, что на такой глубине замерзнет труба. Утеплите ее пенопластом во избежании сюрпризов... Добавлено через 1 минуту а чему там замерзать? У вас же там вода не стоит все время. У соседа она вообще по воздуху идет и ничего - живут. Думаю что вероятность что она может замерзнуть все-же есть. Не зря есть нормы. Есть ли смысл экспериментировать на себе? 1 Посилання на коментар Поділитися на інших сайтах More sharing options...
cross89 Опубліковано: 28 травня 2013 Поділитись Опубліковано: 28 травня 2013 Думаю что вероятность что она может замерзнуть все-же есть. Не зря есть нормы. Есть ли смысл экспериментировать на себе? Лучше не рисковать ,тем более если все коммуникации делаються во время заложения фундамента то лучше делать как положено и спаться будет спокойнее. А вообще у меня канализация выходит с дома всего в 30 сантиметрах от поверхности грунта (правда самый мелкозаглубленный участок от дома до забора,5метров примерно, утеплял минватой 10 см и теплоизолом), колодец в 30 метрах от дома (центральная канализация),трубу закапывал по улице на 60 см глубиной (глубже не было возможности,так как там сплошная порода была,видно отсыпали с терекона когда то,а потом засыпали грунтом) - все норм,воды в трубе нет а соответственно замерзать нечему. Тем более стоки обычно выше комнатной либо комнатной температуры. У соседа знаю с того же колодца труба к дому подходит почти воздушкой, 4 года полет нормальный. Но мне дом достался с выгребной ямой и в доме не было заложено ни каких коммуникаций изначально, так скажем "конструктор для взрослых",а это сложнее. Так что повторюсь, если есть возможность предусмотреть все коммуникации в процессе заложения фундамента то делайте это,лишним не будет,а если вдруг что, то замазать всегда проще чем потом долбить. И делать нужно как положено а не "как у соседа" или "я где то читал,что так можно...". Посилання на коментар Поділитися на інших сайтах More sharing options...
Korni Опубліковано: 28 травня 2013 Поділитись Опубліковано: 28 травня 2013 Похоже, что тема ввода коммуникаций на этапе постройки фундамента мало кого интересует... Она уже не один раз обсуждалась. Я рассказывал тут, тут немного. Добавлено через 15 минут (но придется придумать как запахи с септика не допустить в гараж) Вот так И ещё полезненькое __________ 2 Посилання на коментар Поділитися на інших сайтах More sharing options...
kleo_k Опубліковано: 28 травня 2013 Автор Поділитись Опубліковано: 28 травня 2013 Для себя решил ливневку и септик разделить. У меня также все раздельно, но хотел просто отвод от таяния воды с гаража в септик вывести, т.к. в ливневку проблематично будет. Хотя вариант как это сделать уже есть. Добавлено через 1 минуту Korni, Большое спасибо за инфу. Посилання на коментар Поділитися на інших сайтах More sharing options...
cross89 Опубліковано: 28 травня 2013 Поділитись Опубліковано: 28 травня 2013 Сообщение от kleo_k Посмотреть сообщение (но придется придумать как запахи с септика не допустить в гараж) Вот так И ещё полезненькое По поводу фановой трубы было интересно прочесть,эти темы я как то пропустил. Посилання на коментар Поділитися на інших сайтах More sharing options...
Korni Опубліковано: 28 травня 2013 Поділитись Опубліковано: 28 травня 2013 отвод от таяния воды с гаража в септик вывести Упаси Бог от такого решения. Септику - септиково. (там бактерии выполняют важную функцию доочистки) Посилання на коментар Поділитися на інших сайтах More sharing options...
kleo_k Опубліковано: 29 травня 2013 Автор Поділитись Опубліковано: 29 травня 2013 Упаси Бог от такого решения. Септику - септиково. (там бактерии выполняют важную функцию доочистки) Спасибо, обязательно учту. Пока еще не поздно все сделать правильно. Посилання на коментар Поділитися на інших сайтах More sharing options...
sa1uk Опубліковано: 30 серпня 2015 Поділитись Опубліковано: 30 серпня 2015 3. Ливневка из гаража Это для отвода таяния воды?И куда выводится эта ливневка? Посилання на коментар Поділитися на інших сайтах More sharing options...
Технология Строительства Опубліковано: 30 серпня 2015 Поділитись Опубліковано: 30 серпня 2015 Это для отвода таяния воды?И куда выводится эта ливневка? Или в канализацию или на огород. Может в дренажные каналы если они предусмотрены. 1 Посилання на коментар Поділитися на інших сайтах More sharing options...
sa1uk Опубліковано: 3 вересня 2015 Поділитись Опубліковано: 3 вересня 2015 4. Канализация Какой диаметр трубы,что-бы "не было проблем" заложить? Посилання на коментар Поділитися на інших сайтах More sharing options...
Технология Строительства Опубліковано: 4 вересня 2015 Поділитись Опубліковано: 4 вересня 2015 4. Канализация Какой диаметр трубы,что-бы "не было проблем" заложить? ф110 мм. В любом сан.тех. магазине можно купить Посилання на коментар Поділитися на інших сайтах More sharing options...
sa1uk Опубліковано: 4 вересня 2015 Поділитись Опубліковано: 4 вересня 2015 ф110 мм. В любом сан.тех. магазине можно купить Спс.,рабочие купят,просто хочу и для себя понимать,заодно проверю их. Посилання на коментар Поділитися на інших сайтах More sharing options...
Tarantino Опубліковано: 4 вересня 2015 Поділитись Опубліковано: 4 вересня 2015 По отверстиям. У себя делал так. 1. Электрика Зачем для электрики именно в фундаменте делать? Если можно в стене (кабель поднять по фундаменту (за ЭППС) Посилання на коментар Поділитися на інших сайтах More sharing options...
Рекомендовані повідомлення
Створіть акаунт або увійдіть у нього для коментування
Ви маєте бути користувачем, щоб залишити коментар
Створити акаунт
Зареєструйтеся для отримання акаунта. Це просто!
Зареєструвати акаунтУвійти
Вже зареєстровані? Увійдіть тут.
Увійти зараз