Анатолий62 Опубліковано: 24 вересня 2013 Поділитись Опубліковано: 24 вересня 2013 1 контур на этаж, труба 20 мм, ТЕСЕ. + 2 контура ТП (кухня и ванная), труба 16 мм, пока не знаю какая. на 4 радиатора- коллекторная разводка той-же трубой что и будете делать ТП...Да хоть и тот-же ТЕСЕ 16*2,0 PE-RT стоимость в розницу ок 1 Евро + экономия на углах-переходниках. Возле унитаза может быть прохладно...... 1 Посилання на коментар Поділитися на інших сайтах More sharing options...
oleg_ Опубліковано: 24 вересня 2013 Автор Поділитись Опубліковано: 24 вересня 2013 Без мощности ОП нэма шо предлагать. :D Мойка напротив окна - непрактично, понимаю, что светло, окно хозяйке придется часто драить. Стесняюсь спросить - ОП это что? На счет мойки - совет дельный, рассмотрим. Добавлено через 13 минут на 4 радиатора- коллекторная разводка той-же трубой что и будете делать ТП...Да хоть и тот-же ТЕСЕ 16*2,0 PE-RT стоимость в розницу ок 1 Евро + экономия на углах-переходниках. Возле унитаза может быть прохладно...... Планировал разводку под радиаторы делать TECEFLEX PE-XC/EVOH 20*2,8 ТП - пока не определился вообще из какой трубы.... по мощности радиаторы такие: спальня - 1600-1700 вт зал -2600-2800 вт (там большое окно) гардероб - 600-700 вт холл - 1800-2000 вт Возле унитаза, как и в кухне, на случай если будет не хватать или холода сильные ставить электроконвектор. Посилання на коментар Поділитися на інших сайтах More sharing options...
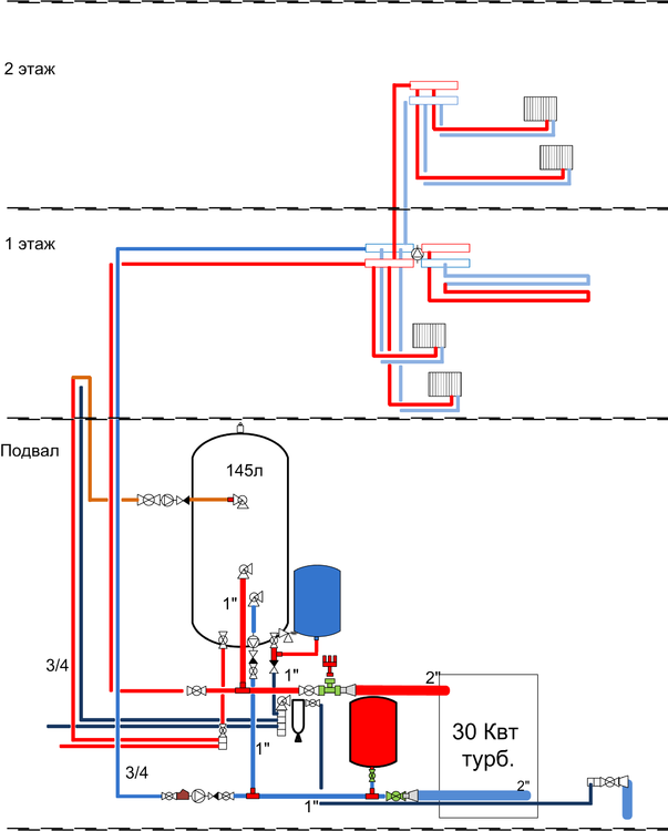
oleg_ Опубліковано: 22 листопада 2013 Автор Поділитись Опубліковано: 22 листопада 2013 Подскажите, пожалуйста, что не так в схеме? Посилання на коментар Поділитися на інших сайтах More sharing options...
Leader9 Опубліковано: 22 листопада 2013 Поділитись Опубліковано: 22 листопада 2013 Расширительный бак ГВС лучше поставить на холодную воду между бойлером и обратным клапаном... как и группу безопасности... на какую температуру в бойлере рассчитываете, кто регулирует как греть отопление и как бойлер? 1 Посилання на коментар Поділитися на інших сайтах More sharing options...
Сергей 31 Опубліковано: 22 листопада 2013 Поділитись Опубліковано: 22 листопада 2013 Подскажите, пожалуйста, что не так в схеме? Все........... Посилання на коментар Поділитися на інших сайтах More sharing options...
oleg_ Опубліковано: 22 листопада 2013 Автор Поділитись Опубліковано: 22 листопада 2013 (змінено) Расширительный бак ГВС лучше поставить на холодную воду между бойлером и обратным клапаном... как и группу безопасности... на какую температуру в бойлере рассчитываете, кто регулирует как греть отопление и как бойлер? Так она там и стоит. Прямо на патрубке в бак . Перед краном. Температура ну градусов 55-60... регулир. Контроллером на котле. Управляет 2мя насосами на отопл. и подогрев вс. По баку от бойлера согласен. Это наверное если б рециркуляции не было, то можна было б на на ГВС прставить, да? Добавлено через 25 минут Все........... Ёмко.. Сказал как отрезал. Я даже боюсь спрашивать что именно. ) Змінено 22 листопада 2013 користувачем oleg_ Посилання на коментар Поділитися на інших сайтах More sharing options...
oleg_ Опубліковано: 23 листопада 2013 Автор Поділитись Опубліковано: 23 листопада 2013 (змінено) Ну вообще схема рисовалась по схеме которая идет в инструкции к котлу. вот она. В чем же принципиальные отличия??? Привожу откорректированную и дополненную схему. Котел Росс 30 квт 1 контурный, напольный со стальным ТО, прямой розжиг, турбоприставка. Бойлер Дражице 160 комбинир. Насосы на цирк. HALM 25-6. Насос на рецирк. ГВС HALM 15х6. Коллекторно-смесительный блок на 1й этаж - пока 2 контура радиаторов + подача на 2й этаж + 5 контуров ТП. Насос HALM 25-6. 2 этаж - 5 контуров радиаторов. Змінено 23 листопада 2013 користувачем oleg_ Посилання на коментар Поділитися на інших сайтах More sharing options...
oleg_ Опубліковано: 23 листопада 2013 Автор Поділитись Опубліковано: 23 листопада 2013 Сергей 31, Так что же все здесь не правильно, Сергей? Посилання на коментар Поділитися на інших сайтах More sharing options...
oleg_ Опубліковано: 26 листопада 2013 Автор Поділитись Опубліковано: 26 листопада 2013 Сергей 31, будьте любезны как-то обосновать ваш ответ. Что в приведенной схеме "Все" неправильно? Я понимаю, не хотите отвечать - не надо, не заставишь - но раз пишите, да еще так категорично - будьте добры, как то подкрепите свои слова, возможно кому-то пригодится мой неудачный опыт... В противном случае отправлю жалобу, как неинформативное сообщение или флуд. Извините уж, ничего личного. Посилання на коментар Поділитися на інших сайтах More sharing options...
troll_9000 Опубліковано: 26 листопада 2013 Поділитись Опубліковано: 26 листопада 2013 отправлю жалобу, как неинформативное сообщение или флуд. Стукачок??? Вы Сергею давали заказ на выполнение схемы? Вы давали деньги за схему? С какого перепугу требуете? Здесь форум, каждый высказывает мнение свое личное. Сергей высказал, Вас не устраивает - сразу "я обиделось и наябедничаю"? Непохоже, что кто-то теперь Вам что-то дельное советовать будет А по схеме - арматуру расставьте (это чтобы не заяву модерам не кинул за флуд) 1 Посилання на коментар Поділитися на інших сайтах More sharing options...
murava Опубліковано: 26 листопада 2013 Поділитись Опубліковано: 26 листопада 2013 Сергей 31, будьте любезны как-то обосновать ваш ответ. .... Не прошло и три дня Посилання на коментар Поділитися на інших сайтах More sharing options...
oleg_ Опубліковано: 26 листопада 2013 Автор Поділитись Опубліковано: 26 листопада 2013 Стукачок??? Вы Сергею давали заказ на выполнение схемы? Вы давали деньги за схему? С какого перепугу требуете? Здесь форум, каждый высказывает мнение свое личное. Сергей высказал, Вас не устраивает - сразу "я обиделось и наябедничаю"? Непохоже, что кто-то теперь Вам что-то дельное советовать будет А по схеме - арматуру расставьте (это чтобы не заяву модерам не кинул за флуд) извините, я корректно обращался и ни раз.. Я не стукачек, не надо тут круговую поруку заводить, уже прям как менты или врачи ))) Я не требую от Сергея того, о чем вы пишите, я попросил (ПОПРОСИЛ не раз) как то свои слова обосновать, и если человек считает себя специалистом, и имеет отличную репутацию, кучу благодарностей и т.д. - то ИМХО он должен пример что ли подавать... а не кидать подобные ответы... здесь тендерная палата? или что... Уверен, обратись я даже к кому-либо из спецов здесь на форуме - получил бы ответ: "блин, дружище, извини, занят, очередь на месяц, если можешь погоди - сделаем тебе отопление...." 2 Раза общался с Анатолием62, 2 раза он обещал подъехать на объект... 2 раза канул вникуда... Но все равно спасибо ему за ответы и участие... Огромное спасибо Владимиру В. - действительно грамотный и отзывчивый человек и специалист. А по Сергею - я человека за язык не тянул... более того, общался с ним в личке еще в 2008м году, уважал и считал его одним из наиболее адекватных специалистов по теме теплотехники... и повторю - ничего личного. мое негодование вызвано тем, что время поджимает, надо собрать котельную, вынес на суд - и тут тебе на, получил ответ. Да, я деньги не платил тут никому, никто мне ничего не должен - но это форум, где принято задавать такие вопросы и т.п., и кто хочет - тот бесплатно на них отвечает, советует. Вот Лидер9 например дал конструктивный ответ. Спасибо ему, и все кто отвечал в этой теме, включая Сергея. Но ответить - "все неправильно" и потом отмалчиваться... это корректное поведение? А поставьте селя на мое место? Не переживайте, не кину я на вас ничего... только не пойму о чем вы говорите? где именно не хватает арматуры??? ее мне кажется везде есть и даже больше чем надо )) Не любите вы критику, господа... Добавлено через 46 секунд Не прошло и три дня блин, ну я все ждал... ждал.... надеялся и верил... Посилання на коментар Поділитися на інших сайтах More sharing options...
troll_9000 Опубліковано: 26 листопада 2013 Поділитись Опубліковано: 26 листопада 2013 А поставьте селя на мое место? В вопросах, в которых я не разбираюсь, я приглашаю специалистов за деньги мое негодование вызвано тем, что время поджимает, надо собрать котельную Ну так собирайте, кто Вам не дает? Если экономите на исполнителях, то собирайте, как Вы видите. Получится - хорошо, растет ЧСВ. Не получится - переделаете, до состояния "заработало", опять растет ЧСВ (по-секрету - я так с линуксом мудохаюсь ) Посилання на коментар Поділитися на інших сайтах More sharing options...
Сергей 31 Опубліковано: 26 листопада 2013 Поділитись Опубліковано: 26 листопада 2013 Че пристали? Я действительно никому ничего не должен. Краткость моего поста "все неправильно" могу обосновать. Обвязка бойлера крайне ответственный момент, пожалуй самый опасный узел во всем доме. То что я увилел на схеме, говорит только об одном: человеку близко нельзя доверять объвязку бойлера. Нет знаний, а получить их в ответах на форуме невозможно. По этой причине, по принципу не навреди, я и не стал отвечать дальше. 1 Посилання на коментар Поділитися на інших сайтах More sharing options...
oleg_ Опубліковано: 26 листопада 2013 Автор Поділитись Опубліковано: 26 листопада 2013 В вопросах, в которых я не разбираюсь, я приглашаю специалистов за деньги Ну так собирайте, кто Вам не дает? Если экономите на исполнителях, то собирайте, как Вы видите. Получится - хорошо, растет ЧСВ. Не получится - переделаете, до состояния "заработало", опять растет ЧСВ (по-секрету - я так с линуксом мудохаюсь ) Я могу долго-долго писать-филосовствовать о "специалистах за деньги", фраза которая уже оскомину набила. Делиться опытом собственным в наблюдениях из жизни об оных... Когда мне специалист говорит - "краще браты были фитынгы, вони кращи, ниж сири.... " Т.е. человек даже не руководствуется понятием бреда, он цветом руководствуется... ибо делал билымы, було добре... а то что еще 5 билых можт быть разных... Скажите это не специалист - нет, работает сейчас монтажником в фирме, делает большой и важный объект в Крыму... рубаху рвал на себе что уклон канализации (110) надо делать 1 миллиметр (не см, а мм, переспрашивал его еще) на 1 метре... И поверьте, он для 90% заказчиков будет "специалистом" и сделает им нормально и будет работать... Но вот он же мне говорит - а мы теплый пол никогда под давлением не заливаем.. просто кинули и ушли. и все работает... короче. так и другие (это будет много букав... потому хватит), но не все. Владимир В - грамотный, умудренный опытом и без понтов специалист, рекомендую. Троль, я сильно сомневаюсь что вы делает. как говорите, на счет того в чем не разбираетесь... Возможно я не прав, но много вещей, которые казалось бы сильно сложны и не понятны на первый взгляд, со временем становятся элементарными... Я полтора месяца назад многого не знал... сейчас я могу прогрузить заказчику так - что он подумает что я специалист... и даже опыт монтажа есть, и даже фото.... Я на вас этим тень не бросаю, не подумайте... Просто для понимания... Есть инструкции, есть мануалы, есть много общемонтажных моментов в организации отопления, водоснаб. канализ. можно это изучать... Никто не родился с этими знаниями. Есть даже, блин, на ютубе куча обучалок правильных и не правильных ))) Да, рассчет гидравлики и теплопотерь, это безусловно важные и непростые моменты. Но и они посильны. А монтаж - ну тут в основном ничего сложного нет, в масштабах пары этажей... Вы это прекрасно понимаете, я думаю. Покупая материал - я слышал - "ну как вы хотите сделаете, раз не специалист в этом"? "вы никогда не настроите (там что-то... не помню)..." категорично и безапелляционно. Так и вы. Посмотрим... Вопрос не то что б в сэкономил... Я заказал было проект в организации, которая продает материалы. Они неделю рисовали мне 5 улиток, а меня время поджимало.... В итоге нарисовали то что и я. По арматуре так и не ответили... (Я не требую ничего!!!! ))) просто раз уж обмолвились, будьте добры .... я то за каждое свое слово расписываю что и почему )) Посилання на коментар Поділитися на інших сайтах More sharing options...
troll_9000 Опубліковано: 26 листопада 2013 Поділитись Опубліковано: 26 листопада 2013 По арматуре так и не ответили... (Я не требую ничего!!!! ))) просто раз уж обмолвились, будьте добры... По памяти - не косвенник надо предохранительный клапан (6-8 бар, лучше 6) и расширительный бак, литров на 15-20, а перед этим всем хозяйством - обратный клапан. Ваше любопытство удовлетворено? Посилання на коментар Поділитися на інших сайтах More sharing options...
oleg_ Опубліковано: 26 листопада 2013 Автор Поділитись Опубліковано: 26 листопада 2013 Че пристали? Я действительно никому ничего не должен. Краткость моего поста "все неправильно" могу обосновать. Обвязка бойлера крайне ответственный момент, пожалуй самый опасный узел во всем доме. То что я увидел на схеме, говорит только об одном: человеку близко нельзя доверять объвязку бойлера. Нет знаний, а получить их в ответах на форуме невозможно. По этой причине, по принципу не навреди, я и не стал отвечать дальше. ну вот хоть так бы написали, да и не было б все хипиша.... ) Знаете, может я ошибаюсь, вы меня поправите - есть строители, которые "побачылы як робиться..." и тоже так делают. И не только строители, люди в целом. Ты его спрашиваешь - а почему? а он ответить не может, он как бы мыслит стереотипом или чем... Ну так вот все делают, так делается... и т.д. А есть люди которые информацию ищут и находят, и разбираются почему так, а почему эдак. Находят причинно-следственные связи, и т.д. Вникают в суть, понимают процесс и его результат. Да, для этого нужно время, информация, какой-то интеллект возможно ОПЫТ - вот чего не хватает зачастую, но и то на первый-второй раз. Все. Поверьте, если бы вы объяснили мне - вы бы не навредили, а помогли. и я бы понял, раз уж вы думаете, что я ничего не понимаю... я просил тем более, не раз пояснить ваши же слова... так бы и написали, или написали - мне лень тебе писать много слов, у тебя проблемы с обвязкой бойлера... я б сказал - спасибо. Кроме того, как бы. возможно. в инструкции не все пишут, или намерянно лгут и обманывают, что б монтажник не так подключил.... возможно, но мне слабо верится. А инструкцию я читал, представьте... Ничего там из области ядерной физики не увидел.... Нарисовал тоже как в инструкции для бойлера и котла... Возможно есть погрешности или неточности в самой схеме - это визио.... как умею так и рисую, как вы Сергей говорили - можно хоть от руки на бумаге )) Посилання на коментар Поділитися на інших сайтах More sharing options...
B.S.V. Опубліковано: 26 листопада 2013 Поділитись Опубліковано: 26 листопада 2013 В вопросах, в которых я не разбираюсь, я приглашаю специалистов за деньги +1000 Аналогично. Если я недостаточно разбираюсь в електрической схеме и релюшках, я заплачу денег и мне помогут. Если автоматика мне не по зубам, тоже не бесплатно попрошу помощи. Если по нестандартным решениям, то приеду к Сереге, выпьем коньячку или "Русского стандарта" и вместе подумаем, как лучше сделать. Если у него есть вопросы, в которых я лучше разбираюсь, тоже все решим. Но по своей проблеме создавать тему не буду (ТС - это не к Вам, Вы все правильно делаете) Но обвязка бойлера отвратная, а точнее-никакая (все) Советов давать не буду- нету времени. Сорри за ОФ. Посилання на коментар Поділитися на інших сайтах More sharing options...
oleg_ Опубліковано: 26 листопада 2013 Автор Поділитись Опубліковано: 26 листопада 2013 По памяти - не косвенник надо предохранительный клапан (6-8 бар, лучше 6) и расширительный бак, литров на 15-20, а перед этим всем хозяйством - обратный клапан. Ваше любопытство удовлетворено? а его на схеме нет??? ок. изначально, я бак всунул не на подачу воды, а на выход ГВ. можно и так, но советуют на входе... Но извините, предохранительный кран (который идет с бойлером!!! и который сложно проигнорировать и не поставить согласно инструкции) в нем же как оказалось вмонтирован и обратный клапан, помимо которого я на схеме указал отдельный обратный клапан (как любит говорить Мурава - по феншую) Затем я привел схему уже с баком на входе воды.... так как видно, от бойлера идет - предохранитель, потом кран (да, он поставлен сейчас после тройника бака), но штатно то он открыт.. затем - бачок, затем обратный клапан. Ввиду того, что подрывник имеет обратный клапан в корпусе, ставим бачок перед ним, ближе к бойлеру... Повторюсь, возможно нарисовано не совсем корректно, но что дало мне визио в вооружение, то и применил... если непонятно - можно было б уточнить.... словами описать... Мое любопытство не удовлетворено, ибо нарисовано-то все верно.... П.С. бак был взят на 18 л. синенький такой... а предохранитель как раз на 6 бар... Добавлено через 18 минут +1000 Аналогично. Если я недостаточно разбираюсь в електрической схеме и релюшках, я заплачу денег и мне помогут. Если автоматика мне не по зубам, тоже не бесплатно попрошу помощи. Если по нестандартным решениям, то приеду к Сереге, выпьем коньячку или "Русского стандарта" и вместе подумаем, как лучше сделать. Если у него есть вопросы, в которых я лучше разбираюсь, тоже все решим. Но по своей проблеме создавать тему не буду (ТС - это не к Вам, Вы все правильно делаете) Но обвязка бойлера отвратная, а точнее-никакая (все) Советов давать не буду- нету времени. Сорри за ОФ. эх... да верно все в принципе. но в нашей стране... блин, все специалисты. Сегодня в одном, завтра в другом. Как понять где правильный??? Ну и есть моменты в которых можно разобраться и самому. не знаю как вам... Вот мне не составило труда сделать себе электропроводку, при чем в гофре... разобраться что такое фаза, а что 0 (сори за примитивный пример), и о чудо, сложного в принципе то ничего нет! а по началу казалось таким непонятным и неизвестным. А вот в электронику и схемы я не лезу... там я пока (а может и уже) ничего не осилю.... паять даже не умею... но научусь когда-то... для себя, не для боинга... Во! я делаю правильно, ибо на форуме, где так и делают застройщики, спрашивают что и как... А вы все за деньги да за деньги... Вот человек в соседней ветке все спрашивал по ТП и т.п. - все молчок, все шутки-прибаутки да общие фразы... Я не поленился ему написать "многа букав..." поделился опытом. не переживайте, в теплопотери и гидравлику со схемой обвязки я не лез, но дал, надеюсь, много полезной информации общего характера, которой так не хватает участникам форума, и которую они здесь ищут. Я понимаю это ваш хлеб, заработок. Но это форум - на который вы добровольно пришли общаться. (сами написали, что проф. темы и проблемы обсудите за алкоголем . Общаться с нубами, чайниками... И если человек конечно неадекватен - никто не просит ему отвечать, но мне ж ответили... ))) а исходя из инструкции - по которой я рисовал под себя (ну ей богу ж не виловипед выдумывал) что бойлер, что котел - получил ответ, что "Все" неправильно... Отсюда моя реакция... По обвязке бойлера отвратной - извините, это к чехам тогда. они отвратные схемы рисуют... Добавлено через 1 час 25 минут жутко конечно. а теперь доказываю вам же, господа специалисты, что вы противоречите сами же себе. Приведенный пример говорит о следующем: Пользователь имел проблему с устройством.. Обратился к "специалистам", ЗА ДЕНЬГИ (1260 руб)!!! Что б они решили то, в чем он не разбирается... (точно так как советуете и делаете вы, господа). Однако, риспект хозяину, он все же тему немного изучил (вот то, что я пытаюсь сделать, но мне упорно говорят - ты не делай так, ты за деньги вызови специалиста, делай как мы), и попробовал подсказать "специалисту", что "надо бы так-то... поменять и термопару"... ( не утверждаю что это могло быть причиной, он мог и ошибаться, но ему можно)... На что "грамотный специалист" сказал - Не надо! (ну он же специалист, ему ж видней, он знает). Потом рвануло... В этом примере, я не пойму для чего он проиллюстрирован, кроме как показать последствия... да, капец... Но с чего вы взяли, что я проигнорирую клапан безопасности как на бойлере, так и на котле? (еще одни специалисты местные, в магазине, говорили, что ГБ надо ставить в самую верхнюю точку, т.е. на 2й этаж!!! а то, что куча арматуры перед котлом в виде коллекторов, насосов и т.д. - они упустили, для них ГБ это прежде всего воздухоотводчик, и обоснование - "ну все так ставлять, щоб воздух стравлювало", еще пришлось им доказывать и немного спорить... 3 человека со мной дискутировали..) Один специалист, продающий сантехнику в магазине удивленно подняв брови спросил меня - "расширительный бачок на бойлер????, а зачем он там??? ну на котле ставят, а на бойлере зачем??", я ему, "у меня к тому же рециркуляция будет.... получается тот же аналог системы отопления, с замкнутым контуром и нагревом воды, в следствии чего оная расширится в этом замкнутом контуре..., логично же?" говорю - тот только озадаченно поглядел и пожал плечами. Потом выдал мне - вы вот это все хотите сами сделать??? Что то сложное он видать увидел.... Я к чему, я еще могу приводить примеры "некомпетентных специалистов", и ты не знаешь, он спец или нет. Верней, априори - он спец, его посоветовали, он сидит в нужном месте, он назвался таким в рекламе и т.д. А на деле - бывает такое услышишь... что не вникнув до этого в суть проблемы - и ухом не поведешь, все примешь, как есть. Сколько наблюдаю - пришли люди что-то купить - надо то-то, вот и вот. А что лучше? Лучше - вот. "а почему? чем?" (очень редко когда) - ну все берут это, (никто не жаловался еще, не возвращали, он лучше, дешевле и т.д. и т.п. абстрактные причины). Ок. берем! И берут такое гамно китайское... ибо верят - им специалист посоветовал. Так что простите, меня, господа специалисты-теплотехники, за то, что пытаюсь разобраться в сути вопроса отопления, водоснабжения и канализации... Я на ваш хлеб не посягаю, или вы думаете обратное? В чем я не прав? П.С. а на счет ужасной обвязки и недопуск к бойлерам - это к производителям этих самых бойлеров... чехам... П.С. В нашей стране опасно огульно на специалиста полагаться. Как минимум самому вникнуть надо хоть в азы... И проверить, что спец насоветовал (увы реалии). И если можно сделать самому - делать. П.С.С. Да мне не лень и не впадло писать стока букав, ибо наболело, да и лежу с температурой (((, котельную обвязывать не могу, а могу пописать )) Добавлено через 1 минуту Взрыв в детском саду "Елочка" произошел 10 августа в пять утра. Никто не пострадал, но были выбиты окна, повреждены входная дверь и внутренние перегородки помещения. Предварительная проверка не обнаружила в саду следов никаких взрывчатых веществ, и основной версией ЧП следствие сразу назвало неисправность водонагревателя. "При монтаже водонагревателя не был установлен возвратно-предохранительный клапан. Когда сломался терморегулятор, вода внутри нагревателя закипела, и это привело к взрыву. При этом монтаж проводили два электротехника, имевшие соответствующую квалификацию и допуски. Заведующая детсадом, заключая с ними договор, никаких норм не нарушила. Тем не менее, клапан установлен не был, и материалы дела, касающиеся электротехников, переданы в чернышевский отдел полиции", - сказал Марков. РИА Новости ria.ru/inquest/20110913/436432765.html#ixzz2lmbu0U14 1 Посилання на коментар Поділитися на інших сайтах More sharing options...
SiniSha Опубліковано: 26 листопада 2013 Поділитись Опубліковано: 26 листопада 2013 Вопрос по теме: Батарея алюм. 2 метра, подключение слева верх-подача низ-обр.! Итог- низ батареи холодний и воздух каждые 2 дня спускаю чтоб верх весь прогреть! Вопрос-хочу переподключить по диагонали но как лучше?- 1. Прав верх подача и лев низ обратка! 2. Лев верх под и прав низ обратка! Или другой вариант? Посилання на коментар Поділитися на інших сайтах More sharing options...
Сергей 31 Опубліковано: 26 листопада 2013 Поділитись Опубліковано: 26 листопада 2013 Батарея алюм. 2 метра, подключение слева верх-подача низ-обр.! Итог- низ батареи холодний и воздух каждые 2 дня спускаю чтоб верх весь прогреть! Это не воздух, это водород, проверить можно зажигалкой. Наука по этому поводу говорит так: "В щелочной среде рН 9-10 алюминий реагирует с водой с образованием комплексного соединения (упрощенно - аморфного гидрооксида алюминия) и выделением водорода. Причем этот процесс, самопроизвольно, со временем, не прекращается". Лечится это водкой, литров 5 в систему хватит. (фото ниже). 2 Посилання на коментар Поділитися на інших сайтах More sharing options...
SiniSha Опубліковано: 26 листопада 2013 Поділитись Опубліковано: 26 листопада 2013 Это не воздух, это водород, проверить можно зажигалкой. Наука по этому поводу говорит так: "В щелочной среде рН 9-10 алюминий реагирует с водой с образованием комплексного соединения (упрощенно - аморфного гидрооксида алюминия) и выделением водорода. Причем этот процесс, самопроизвольно, со временем, не прекращается". Лечится это водкой, литров 5 в систему хватит. (фото ниже). сорри с моб тел фото не видно! Я думаю можно с батареи воду сюда а водку туда а потом докачать... Так я ненаврежу системе? Добавлено через 3 минуты Это не воздух, это водород, проверить можно зажигалкой. Наука по этому поводу говорит так: "В щелочной среде рН 9-10 алюминий реагирует с водой с образованием комплексного соединения (упрощенно - аморфного гидрооксида алюминия) и выделением водорода. Причем этот процесс, самопроизвольно, со временем, не прекращается". Лечится это водкой, литров 5 в систему хватит. (фото ниже). сорри с моб тел фото не видно! Я думаю можно с батареи воду сюда а водку туда а потом докачать... Так я ненаврежу системе??? Посилання на коментар Поділитися на інших сайтах More sharing options...
B.S.V. Опубліковано: 26 листопада 2013 Поділитись Опубліковано: 26 листопада 2013 По обвязке бойлера отвратной - извините, это к чехам тогда. они отвратные схемы рисуют... Олег, Вы не обижайтесь, просто все сейчас занимаются работой и изредка заглядывают на форум. и что-то пишут. Долго что-то объяснять никто не будет, тем более, что схемы стандартных подключений очень много раз рассматривались и в десятый раз писать одно и тоже большинству просто лень. Возьмите стандартную схему подключения бойлера и спокойноее используйте, тем более, что Вы скурпулезно изучаете вопрос и если она не правильная, то поймете. 1 Посилання на коментар Поділитися на інших сайтах More sharing options...
oleg_ Опубліковано: 26 листопада 2013 Автор Поділитись Опубліковано: 26 листопада 2013 Олег, Вы не обижайтесь, просто все сейчас занимаются работой и изредка заглядывают на форум. и что-то пишут. Долго что-то объяснять никто не будет, тем более, что схемы стандартных подключений очень много раз рассматривались и в десятый раз писать одно и тоже большинству просто лень. Возьмите стандартную схему подключения бойлера и спокойноее используйте, тем более, что Вы скурпулезно изучаете вопрос и если она не правильная, то поймете. 1. Господа, я ж не против, работайте, можете подсказать - подскажите. Нет - так нет, я ж не написал, что почему мне никто не отвечает!!! и к Сергею почему-то придолбался. )) не так же все. Но раз уж он ответил (и ответил, я так понимаю, сгаряча и неправильно, имхо, сори если ошибаюсь, но пока он не объяснил обратного), по сути перечеркнул всю схему - то тут уж извините, тут не моя схема под вопросом, а производителей, т.е. специалистов. Такое ощущение, что на меня обижаются... и упорно молчат. )) 2. Спасибо, я так и сделал. взял стандартную схему. и вроде бы все понял - но мне говорят все неправильно)). и не говорят почему... как-то это не по-мужски. И дело не в загрузке и монтажах... А ошибся - признай и все... и я пошел работать )) а то с перепугу все производство свернул ))) (шутка, но перепуг сперва небольшой был )) П.с. Вот коллеги ваши до сих пор продолжают видеть что-то не так и упорно молчать... вы вот ее отвратной назвали... Спасибо, хоть что участвуете в дискуссии Посилання на коментар Поділитися на інших сайтах More sharing options...
Leader9 Опубліковано: 26 листопада 2013 Поділитись Опубліковано: 26 листопада 2013 Я прежде чем приступить к реализации отопления перелопатил инфу на форуме и окресностях инета, проштудировал почти всю литературу что попадалась... Да, радиаторное отопление уже работает даже без регулировок и согласования. Но все равно вопросов еще куча и понимаю что получившееся далеко от совершенства... Но и , надеюсь, не "тихий жах" .... Подскажите, существуют-ли плоские расширительные баки для ГВС ( давление до 6-10 атм). А то все что попадалось - до 3 атм - для отопления ... Посилання на коментар Поділитися на інших сайтах More sharing options...
Рекомендовані повідомлення
Створіть акаунт або увійдіть у нього для коментування
Ви маєте бути користувачем, щоб залишити коментар
Створити акаунт
Зареєструйтеся для отримання акаунта. Це просто!
Зареєструвати акаунтУвійти
Вже зареєстровані? Увійдіть тут.
Увійти зараз