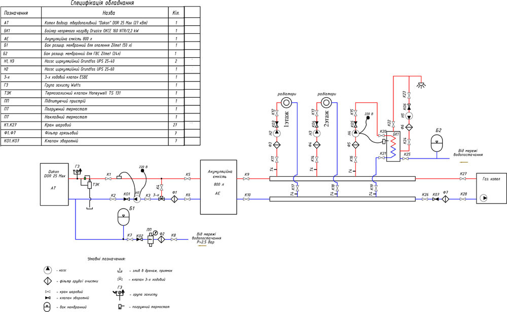
Igor1359 Опубліковано: 15 серпня 2013 Поділитись Опубліковано: 15 серпня 2013 Уважаемые сантехнические гуру, покритикуйте пожалуйста схему обвязки. Немного инфо: Площадь дома 250 м2. Первый этаж - ТП 120 м2 и 40м2 на радиаторах, второй этаж - 10м2 ТП (регулируем мультибоксом) и 80м2 на радиаторах. Мысль такая - газовый котёл как основной (baxi 30 квт НЕ конденсациооный). по настроению буду иногда бросать дрова в ТТ (виадрус 40квт). Электрический (коспел 30квт - мощность и 3х тарифный счётчик имеется) пока резервный. ТА - 750 л и бойлер на 200 как указано на схеме. Оптимальна ли такая схема или можно что-то существенно улучшить?отопление.pdf Посилання на коментар Поділитися на інших сайтах More sharing options...
naupv Опубліковано: 15 серпня 2013 Поділитись Опубліковано: 15 серпня 2013 Если уж городите гребенку в в котельной, нет смысла ставить узел смешения в ящик с коллекторами, будет дешевле и минус один насос, если это все собрать на основной гребенке. Примерно выглядит так Под вопросом перепускной на баке. Или так www.stroimdom.com.ua/forum/showpost.php?p=2400852&postcount=126 1 Посилання на коментар Поділитися на інших сайтах More sharing options...
murava Опубліковано: 15 серпня 2013 Поділитись Опубліковано: 15 серпня 2013 Оптимальна ли такая схема или можно что-то существенно улучшить? И как это всё будет увязано по приоритетам? Топология-то большей частью верна (правда над ней еще сидеть и сидеть), но логика работы без како-го внешнего управлялова аля контроллер котельной группы будет хромать на обе ноги. 1 Посилання на коментар Поділитися на інших сайтах More sharing options...
naupv Опубліковано: 15 серпня 2013 Поділитись Опубліковано: 15 серпня 2013 И как это всё будет увязано по приоритетам? Наверное в зависимости очередности запуска того или иного агрегата в ручном режиме.. Посилання на коментар Поділитися на інших сайтах More sharing options...
murava Опубліковано: 15 серпня 2013 Поділитись Опубліковано: 15 серпня 2013 Ручного режима пациенту хватит ровно на один сезон. Если упёртый - то на два. Потом он или устанет, или рванёт линия ТТ по причине "забыл открыть краник". И сразу найдутся деньги на контроллер ценой трети всего этого железа. У всех находятся.... 1 Посилання на коментар Поділитися на інших сайтах More sharing options...
Сергей 31 Опубліковано: 15 серпня 2013 Поділитись Опубліковано: 15 серпня 2013 Мне не нравится, логика работы не понятна. Посилання на коментар Поділитися на інших сайтах More sharing options...
Igor1359 Опубліковано: 17 серпня 2013 Автор Поділитись Опубліковано: 17 серпня 2013 Да, идея была, что газ основной, ТТ периодически а электро вообще пока в резерве. С автоматикой не хотелось бы сильно заморачиваться, но видимо нужно прислушаться к совету Муравы. А где можно посмотреть типовые схемы обвязки с тремя разными котлами и ТА? Посилання на коментар Поділитися на інших сайтах More sharing options...
ts3 Опубліковано: 17 серпня 2013 Поділитись Опубліковано: 17 серпня 2013 Да, идея была, что газ основной, ТТ периодически а электро вообще пока в резерве. С автоматикой не хотелось бы сильно заморачиваться, но видимо нужно прислушаться к совету Муравы. А где можно посмотреть типовые схемы обвязки с тремя разными котлами и ТА? Вот одна из схем - параллельно газовому можно подключить еще и электрический. П.С. Схема скачана с форума, копирайты не могу добавить, потому что не помню, кто выкладывал.. 1 Посилання на коментар Поділитися на інших сайтах More sharing options...
naupv Опубліковано: 17 серпня 2013 Поділитись Опубліковано: 17 серпня 2013 Схема скачана с форума, Опять же нужна доп/автоматика управления этими агрегатами. Проще: подача из аккумулятора в обратку газкотла, между ними на магистрали трехходовой отсекающий бочку. В котле уже есть свой тепловой датчик и он (котел) находится в включенном состоянии типа ожидания на догрев, когда бочка горячая и топится ТТ. На трехходовом установлен сервопривод (рычажный) zapal.com.ua/control-valves/valves-and-actuators/3way-valves/3-h-hodovoj-klapan-honeywell-vczmp6000.html, когда ТТ прогорел, бочка начала остывать, трехходовой отсекает бочку, врубается газкотел. Как-то так, когда-то мне Корни сбрасывал такую схему. 1 Посилання на коментар Поділитися на інших сайтах More sharing options...
ts3 Опубліковано: 17 серпня 2013 Поділитись Опубліковано: 17 серпня 2013 Опять же нужна доп/автоматика управления этими агрегатами. Проще: подача из аккумулятора в обратку.... Схем, действительно, существует множество, а если хорошо наморщить мозг - можно еще десяток модификаций сочинить и будут работать. Этим мне и нравится наша работа - есть простор для "помыслить" В схеме, которую выложил я никакой сложно супер автоматики не нужно. Можно установить в бак-аккумулятор реле по температуре и его выход завести на клеммы газ.котла вместо комнатного термостата (вообще уйдем от необходимости платить за трехходовой с сервоприводом) 1 Посилання на коментар Поділитися на інших сайтах More sharing options...
Igor1359 Опубліковано: 21 серпня 2013 Автор Поділитись Опубліковано: 21 серпня 2013 Спасибо всем за комментарии. Изменил подключение электрокотла. Попробую описать как видится работа для дилетанта. 1 Основной котел газовый (со своим программатором) с приоритетом на ГВС. Всегда находиться в режиме догрева. 2 Электрокотел со своим недельным программатором запрограммирован на работу только на ночном тарифе. Подключен напрямую к ТА (дабы максимально нагреть ТА в ночное время). При превышении температуры ТА (так понимаю градусов 95?) темп датчик установленный в ТА дает сигнал на отключение электрокотла. 3 ТА - обратка ТА подключена к обратке газкотла (через гидрострелку... или это не верно и нужно только напрямую?) Соответсвенно, когда температура обратки ТА высока, газкотел стоит в режиме ожидания до падения температуры скажем ниже 55 С) Когда темп в ТА упадет ниже плинтуса тот же внутренний датчик темп в баке даст сигнал на закрытие трёхходового и выключение насоса, тем самым отсекая ТА от остальной системы. На ТА предусмотрен подрывной клапан. 4 ТТ - в дневное время, по настроению, набросали дров. Топим ТА. При достижении ТА 95С закрывается трехходовой - гоняем воду по малому кругу. Тут слабо понимаю как управлять включением выключением насоса ТТ? Как доп безопасность на котле предусмотрен клапан подмеса холодной воды в обратку (да и вообще все насосы на безперебойнике). 5 По поводу насоса на узле с ТП, мне всё таки кажется что он там нужен... 6 ТП управляется от комнатных термостатов. Внутрипольные конвектора тоже имеют свой недельный программатор. Радиаторы с термоголовками. Как то так. Непонятно как управлять ТТ, да и вообще сомнения берут что 'кривовато' как-то всё это, а 'ровно' ума не хватает придумать. И еще - может бойлер все таки подключить к гидрострелке (или проще туда всунуть ТЭН на скажем 2 квт, на случай поломки газкотла)? Посилання на коментар Поділитися на інших сайтах More sharing options...
ts3 Опубліковано: 21 серпня 2013 Поділитись Опубліковано: 21 серпня 2013 2 Электрокотел со своим недельным программатором запрограммирован на работу только на ночном тарифе. Подключен напрямую к ТА (дабы максимально нагреть ТА в ночное время). При превышении температуры ТА (так понимаю градусов 95?) темп датчик установленный в ТА дает сигнал на отключение электрокотла. Вы что ТА со змеевиком надумали брать??? через гидрострелку... или это не верно и нужно только напрямую? Не нужна гидрострелка Тут слабо понимаю как управлять включением выключением насоса ТТ? Как доп безопасность на котле предусмотрен клапан подмеса холодной воды в обратку В идеале - спец. контроллер с датчиками на подаче и обратке, который сразу будет управлять всеми насосами Добавлено через 32 секунды Непонятно как управлять ТТ, да и вообще сомнения берут что 'кривовато' как-то всё это, а 'ровно' ума не хватает придумать. Может тогда есть смысл обратиться к специалистам? Посилання на коментар Поділитися на інших сайтах More sharing options...
Рекомендовані повідомлення
Створіть акаунт або увійдіть у нього для коментування
Ви маєте бути користувачем, щоб залишити коментар
Створити акаунт
Зареєструйтеся для отримання акаунта. Це просто!
Зареєструвати акаунтУвійти
Вже зареєстровані? Увійдіть тут.
Увійти зараз