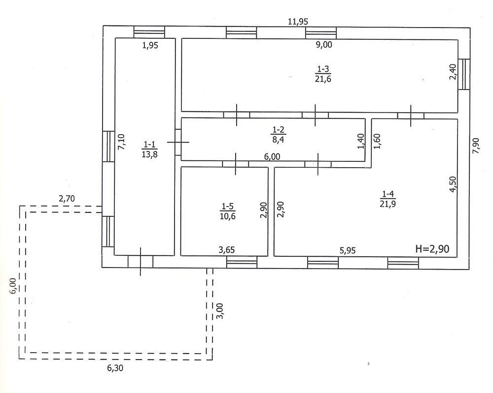
fiva Опубліковано: 1 лютого 2014 Поділитись Опубліковано: 1 лютого 2014 прикупили недострой (на этапе накрытой коробки), планировка нас немного не устраивает, так как не совсем понимаем назначение узких комнатушек. Несущая стена одна (та на которой 3 двери). Дом с мансардным этажом, второй этаж первые пару лет эксплуатироваться не будет, дом пока будет использоваться в основном для летнего проживания, по мере поступления средств планирую переделать крышу, сделать полноценный второй этаж, а из дома сделать постоянное жилище. Собственно покумекали с женой и родилась следующая планировка (рисунок 2), прошу покритиковать. Вопросов собственно 2 1. где почитать про размер помещения/окна для котельной если там вдруг появится газ 2. На лестницу вход с гостиной, дверной проем немного передвинули, так показалось рациональнее. Вход со спальни - это в подлестничную кладовку. Смущает окно в комнате, где располагается лестница. Получается что лестничный марш проходит как раз наискосок через него, его лучше заложить пока не поздно или есть вариант как-то сделать все красиво? PS: рисунок с нашим планом сконвертировался криввато, в общем унитаз указывает на север Посилання на коментар Поділитися на інших сайтах More sharing options...
Музей Опубліковано: 1 лютого 2014 Поділитись Опубліковано: 1 лютого 2014 в общем унитаз указывает на север Впервые встречаю такое оргинальное применение унитаза. Пристройка-веранда что имеется в виду? Крытая? Застекленная? Посилання на коментар Поділитися на інших сайтах More sharing options...
fiva Опубліковано: 1 лютого 2014 Автор Поділитись Опубліковано: 1 лютого 2014 Впервые встречаю такое оргинальное применение унитаза. Пристройка-веранда что имеется в виду? Крытая? Застекленная? там пока только фундамент, планирую застекленную и накрытую, как никак северная сторона, окна будут раздвижными чтоб лето обеспечивать приток воздуха, в общем хочется чего то по типу беседки, без утеплений Посилання на коментар Поділитися на інших сайтах More sharing options...
Andrei constructor Опубліковано: 1 лютого 2014 Поділитись Опубліковано: 1 лютого 2014 1. где почитать про размер помещения/окна для котельной если там вдруг появится газ ДБН Газоснабжение. Там все основные требования. 1 Посилання на коментар Поділитися на інших сайтах More sharing options...
vickov Опубліковано: 1 лютого 2014 Поділитись Опубліковано: 1 лютого 2014 Помещение на схеме, которое 1-3/21,6 рассчитывалось на то, что там будет 2 простенка. Понятно, что размер 2,4 метра не очень располагает к тому, чтобы сделать там 2 простенка и иметь 3 помещения с размером стороны 2,4 м. Но, такой "трамвай", который вы планируете для спальни, ИМХО, еще хуже, чем компактный кабинет или детская размером 2,4*3. Понятно, что приходиться выбирать лучшее из возможного, но, пока что ваш выбор не самый лучший. Посилання на коментар Поділитися на інших сайтах More sharing options...
fiva Опубліковано: 1 лютого 2014 Автор Поділитись Опубліковано: 1 лютого 2014 ДБН Газоснабжение. Там все основные требования. уже нашел, спасибо, в плане размеров все подходит, осталось только дымоход предусмотреть Посилання на коментар Поділитися на інших сайтах More sharing options...
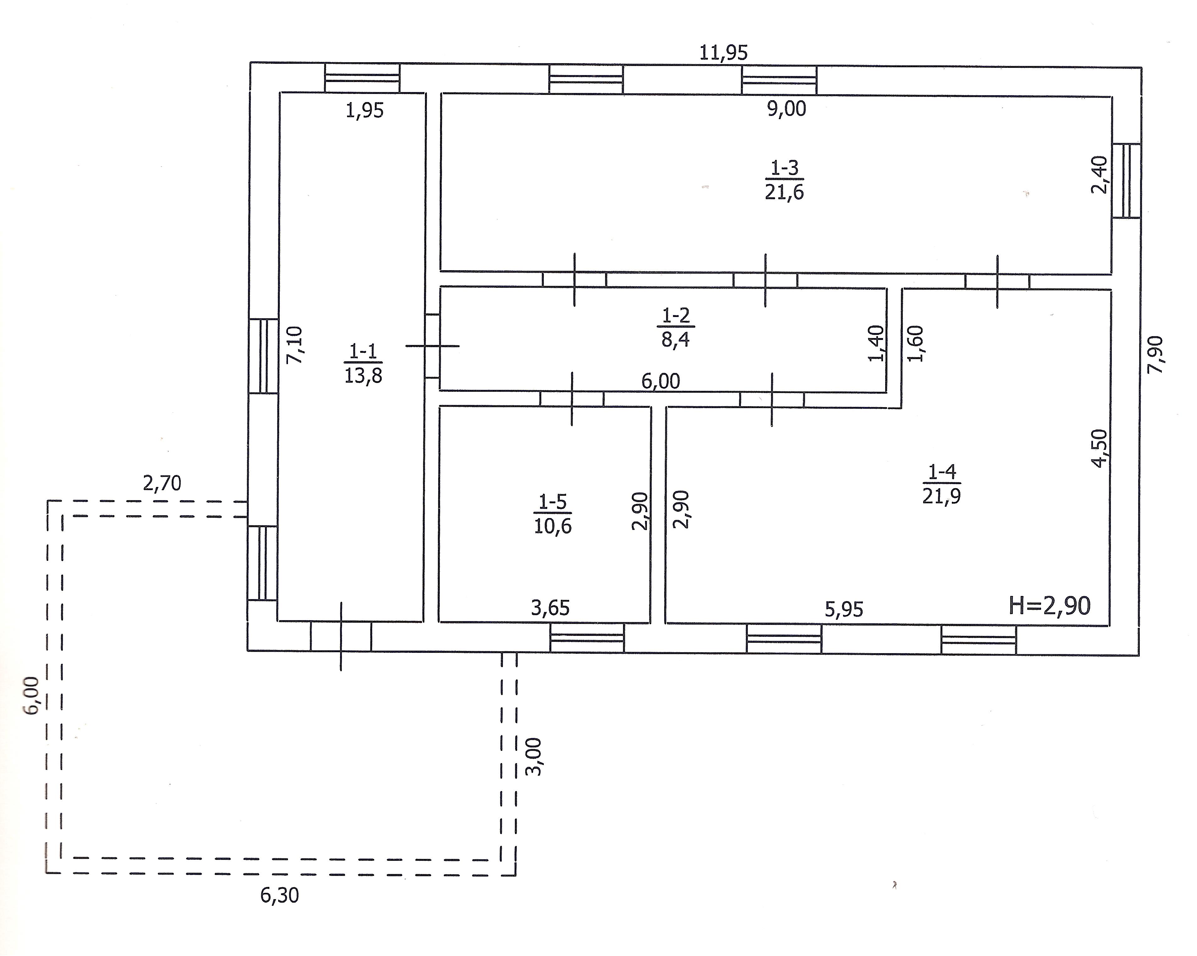
vickov Опубліковано: 1 лютого 2014 Поділитись Опубліковано: 1 лютого 2014 Я, при наличии такого недостроя, думал бы в сторону такой планировки Тем более, что север у вас вверху. Как раз, на севере, раскладывается кухня, санузел, котельная, лестница... Предполагаю, что также задумывал ваш продавец. 1 Посилання на коментар Поділитися на інших сайтах More sharing options...
fiva Опубліковано: 1 лютого 2014 Автор Поділитись Опубліковано: 1 лютого 2014 спасибо, ваш вариант интересный Посилання на коментар Поділитися на інших сайтах More sharing options...
vickov Опубліковано: 1 лютого 2014 Поділитись Опубліковано: 1 лютого 2014 спасибо, ваш вариант интересный При желании, можно еще и гардеробную выкроить. И, в зависимости от фундамента, сделать кухню-гостинную без уступа. Посилання на коментар Поділитися на інших сайтах More sharing options...
Рекомендовані повідомлення
Створіть акаунт або увійдіть у нього для коментування
Ви маєте бути користувачем, щоб залишити коментар
Створити акаунт
Зареєструйтеся для отримання акаунта. Це просто!
Зареєструвати акаунтУвійти
Вже зареєстровані? Увійдіть тут.
Увійти зараз