Sharkan Опубліковано: 10 липня 2014 Поділитись Опубліковано: 10 липня 2014 Собираюсь отапливать дом 140 квадратов котлом Vaillant atmoTEC plus VU INT 240/3-5 с бойлером косвенного нагрева R150 для приготовления горячей воды + погодозависимый регулятор Calormatic 470. В доме 4 контура ТП общей площадью прибл. 45 квадратов. Остальное - радиаторы. Вот нарисовал вариант котельной для такого домика. Последння будет размещена в подвале под санузлами (санузел один над другим а под ними котельня). Возникли вопросы: 1) Бойлер размещен от котла на расстоянии прибл. 2 метра - не критично ли это ? Сделано так чтобы получить доступ для обслуживания гребенки ТП и т.д. 2) Достаточно ли только котлового насоса для прокачки системы отопления, или нужно дополнительный ставить ? 3) Не будут ли котловой насос "кусаться" с насосом ТП без гидравлической развязки (гидрострелки) ? 4) Есть ли смысл ставить в даном случае регулятор Vaillant VR 61/2 для регуляции ТП ? В принципе, он еще и насосом для ГВС управлять будет...но все-таки ? 5) Гребенка ТП будет установлена вверх тормашками (догоры раком ). Как тогда устанавливать расходометры и т.д. - будут ли они работать ? 6) Чисто для себя, для контроля, хотел бы установить в каждой комнате где ТП датчик температуры ТП и свести все в топочной, в подвале. Посоветуйте что-то из недорогих (термопары неохота лепить...) 7) Где установить погодозависимый регулятор температуры ? Должня быть или самая холодная или самая большая комната. В госинной там будет камин...там нельзя. Хотелось бы установить в холле второго этажа (синий квадрат на рисунке плана второго этажа) - по обьему самая больша комната. Да и удобно очень будет. Что скажете ? Посилання на коментар Поділитися на інших сайтах More sharing options...
Korni Опубліковано: 11 липня 2014 Поділитись Опубліковано: 11 липня 2014 ..... Возникли вопросы: 1) Бойлер размещен от котла на расстоянии прибл. 2 метра - не критично ли это ? Сделано так чтобы получить доступ для обслуживания гребенки ТП и т.д. 2) Достаточно ли только котлового насоса для прокачки системы отопления, или нужно дополнительный ставить ? 3) Не будут ли котловой насос "кусаться" с насосом ТП без гидравлической развязки (гидрострелки) ? 4) Есть ли смысл ставить в даном случае регулятор Vaillant VR 61/2 для регуляции ТП ? В принципе, он еще и насосом для ГВС управлять будет...но все-таки ? 5) Гребенка ТП будет установлена вверх тормашками (догоры раком ). Как тогда устанавливать расходометры и т.д. - будут ли они работать ? 6) Чисто для себя, для контроля, хотел бы установить в каждой комнате где ТП датчик температуры ТП и свести все в топочной, в подвале. Посоветуйте что-то из недорогих (термопары неохота лепить...) 7) Где установить погодозависимый регулятор температуры ? Должня быть или самая холодная или самая большая комната. В госинной там будет камин...там нельзя. Хотелось бы установить в холле второго этажа (синий квадрат на рисунке плана второго этажа) - по обьему самая больша комната. Да и удобно очень будет. Что скажете ? НЕ критично Достаточно. Для контура ТП отдельный насос. Гидрострелка совсем для другого. Не будет "кусаться". Личное мнение - ставить отдельно регулятор ТП на такую площадь не вижу смысла. Будут. См.п 4. Нафиг нада. Salus. В комнате, где вы проводите много времени. Это гостиная. Камин вы часто топить не будете 1 Посилання на коментар Поділитися на інших сайтах More sharing options...
Sharkan Опубліковано: 11 липня 2014 Автор Поділитись Опубліковано: 11 липня 2014 НЕ критично Достаточно. Для контура ТП отдельный насос. Гидрострелка совсем для другого. Не будет "кусаться". Личное мнение - ставить отдельно регулятор ТП на такую площадь не вижу смысла. Будут. См.п 4. Нафиг нада. Salus. В комнате, где вы проводите много времени. Это гостиная. Камин вы часто топить не будете Спасибо! Спасибо и с возвращением Касательно VR 61/2. Он ведь управляет не только клапаном на ТП но также и насосом на ТП и насосом на ГВС (забыл как называется процесс - когда вода постоянно гоняется через байпасс в санузле чтобы открыл кран - и сразу горячая вода, не нужно ждать). Тоесть если VR 61/2 забрать, то насос будет включен 24 часа в сутки, что не есть экономно и т.д. А так можно запрограмировать, например на ночной режим, отпуска и т.д. Насчет регулятора в гостинной, пожалуй соглашусь 1 Посилання на коментар Поділитися на інших сайтах More sharing options...
bgt Опубліковано: 11 липня 2014 Поділитись Опубліковано: 11 липня 2014 Спасибо! Спасибо и с возвращением .... насосом на ГВС (забыл как называется процесс - когда вода постоянно гоняется через байпасс в санузле чтобы открыл кран - и сразу горячая вода, не нужно ждать). .... Китайский программатор за 60 грн из Эпицентра выполнит эту функцию не хуже . . . 2 Посилання на коментар Поділитися на інших сайтах More sharing options...
Sharkan Опубліковано: 11 липня 2014 Автор Поділитись Опубліковано: 11 липня 2014 Китайский программатор за 60 грн из Эпицентра выполнит эту функцию не хуже . . . Да, согласен. Но: 1) Китай нонейм это таки не вайлант 2) Salus штука хорошая, и даже очень, но если взять 4 регулятора программируемых (у меня 4 контура) + Китайский программатор за 60 грн из Эпицентра то получатся те же деньги что и за VR 61 (прибл. 150 Евро, а если в комплекте то и того меньше), а то и дороже - если с сервоприводами. Так в чем выиграш ? Хочу отметить - я дорожу каждым мнением в дискусии и всем благодарен . Просто хочу выбрать оптимальное решение. Посилання на коментар Поділитися на інших сайтах More sharing options...
bgt Опубліковано: 11 липня 2014 Поділитись Опубліковано: 11 липня 2014 Просто вр 61 может управлять приводом ТП а салус и китайское реле не в состоянии этого делать . . . Если на ТП у Вас будет установлена механика, тогда можно без модуля . . . Посилання на коментар Поділитися на інших сайтах More sharing options...
Sharkan Опубліковано: 11 липня 2014 Автор Поділитись Опубліковано: 11 липня 2014 Если на ТП у Вас будет установлена механика, тогда можно без модуля . . . Можно поконкретнее - что имеется в виду ? Не совсем понял Посилання на коментар Поділитися на інших сайтах More sharing options...
bgt Опубліковано: 11 липня 2014 Поділитись Опубліковано: 11 липня 2014 Можно поконкретнее - что имеется в виду ? Не совсем понял На теплый пол нужно приготовить теплоноситель своей температуры. Это делается трех или четырех ходовым клапаном. Его нужно чем то корректировать, или это будет механика (термоголовка с выносным датчиком) или это будем электро привод. Вот приводом нужно управлять по датчику температуры подачи .... Вот пример... механика и электроприводы .. Первое фото. Черная коробочка - привод хонивел. Регулирует температуру ТП по датчику на подаче (автоматика). На втором фото - гребенка ТП со смесительным узлом и насосом. Регулировка по термоголовке (механика) 1 Посилання на коментар Поділитися на інших сайтах More sharing options...
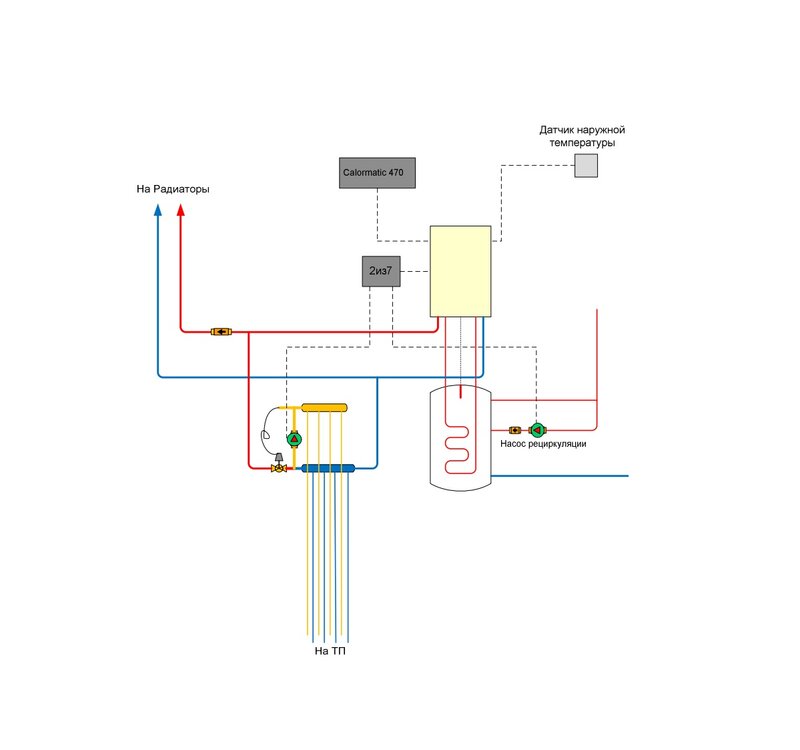
Sharkan Опубліковано: 11 липня 2014 Автор Поділитись Опубліковано: 11 липня 2014 На теплый пол нужно приготовить теплоноситель своей температуры. Это делается трех или четырех ходовым клапаном. Его нужно чем то корректировать, или это будет механика (термоголовка с выносным датчиком) или это будем электро привод. Вот приводом нужно управлять по датчику температуры подачи .... Ну я думал так: температуру корректировать трехходовым клапаном (через погодозависимый регулятор и т.д.) а уже каждый контур отдельно подстраивать расходометрами. Тоесть как на рисунке в первом топике Посилання на коментар Поділитися на інших сайтах More sharing options...
bgt Опубліковано: 11 липня 2014 Поділитись Опубліковано: 11 липня 2014 Ну я думал так: температуру корректировать трехходовым клапаном (через погодозависимый регулятор и т.д.) а уже каждый контур отдельно подстраивать расходометрами. Тоесть как на рисунке в первом топике Возможно и так. Поставить те же Салусы с датчиком пола, и по ним закрывать контура приводами. насос будет качать через байпас. . . работать будет. Просто не будет связи между ТП и котлом. . .И при таком алгоритме ТП будет завязан с работой радиаторами... в межсезонье для прогрева полов нужно будет закрывать радиаторы, чтоб не устроить сауну в доме ... 1 Посилання на коментар Поділитися на інших сайтах More sharing options...
Sharkan Опубліковано: 11 липня 2014 Автор Поділитись Опубліковано: 11 липня 2014 Возможно и так. Поставить те же Салусы с датчиком пола, и по ним закрывать контура приводами. насос будет качать через байпас. . . работать будет. Просто не будет связи между ТП и котлом. . .И при таком алгоритме ТП будет завязан с работой радиаторами... в межсезонье для прогрева полов нужно будет закрывать радиаторы, чтоб не устроить сауну в доме ... Ну да, я тоже такой вариант рассматривал с Салусами. Но зачем что-то сочинять, когда есть уже готовая система Вайлян за те же деньги ? Но это мое ИМХО. Всего лишь... Посилання на коментар Поділитися на інших сайтах More sharing options...
bgt Опубліковано: 11 липня 2014 Поділитись Опубліковано: 11 липня 2014 Ну да, я тоже такой вариант рассматривал с Салусами. Но зачем что-то сочинять, когда есть уже готовая система Вайлян за те же деньги ? Но это мое ИМХО. Всего лишь... сочинять не нужно ... ставте модуля, сможете контролировать систему в общем, а термостаты по комнатам, если нужна точная регулировка. . . Если нет, то обойдетесь программатором котла и расходомерами на коллекторе ТП 1 Посилання на коментар Поділитися на інших сайтах More sharing options...
Sharkan Опубліковано: 15 липня 2014 Автор Поділитись Опубліковано: 15 липня 2014 Ну, пока смотрю новых мнений не последовало...тоесть вопрос можно считать закрытым. Посилання на коментар Поділитися на інших сайтах More sharing options...
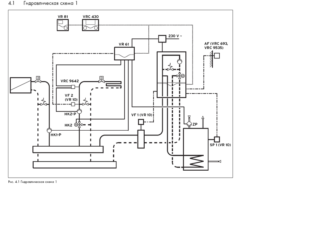
murava Опубліковано: 16 липня 2014 Поділитись Опубліковано: 16 липня 2014 Ну да, я тоже такой вариант рассматривал с Салусами. Но зачем что-то сочинять, когда есть уже готовая система Вайлян за те же деньги ? Но это мое ИМХО. Всего лишь... Если готовы платить за эту коробочку около 150Е - ставьте. Только прийдется лепить гидрострелку - базовое использование смесительного модуля включает логику обслуживания котельной обвязки по типовым схемам, а как только по ebus засветится смесительный модуль - они все подразумевают развязку. Тоесть тут сразу +вр61 и +2 насоса в обвязку. Творить такое без конденсационника ради обслуживания 45 квадратов пола - сомнительная радость. 1 Посилання на коментар Поділитися на інших сайтах More sharing options...
Interso Опубліковано: 16 липня 2014 Поділитись Опубліковано: 16 липня 2014 Можно использовать такую конфигурацию,Vaillant atmoTEC plus VU INT 240/3-5 + Calormatic 470 + Модуль 2 из 7 к которому подключить насос рециркуляции ГВС и насос смесительного узла ТП + смесительный узел с механической регулировкой температуры ТП, дальше коллектор ТП с сервоприводами и к нему подключить термостаты зон ТП. ИМХО. По большому счёту использовать Calormatic 470 в простом котелке лиш бы было погодозависимое управление как по мне даром выброшенные деньги. С этим котелком я бы остановился на Салусе KL06 + PL07+ERT30+ERT50+Смесительный узел прямого действия либо вообще без смесительного узла,так как температуру пола будут контролировать датчики пола с сервоприводами,сервоприводы на коллектор ТП по вкусу лиш бы стыковались по напряжению с KL06. На ГВС поставить насос с таймером и термостатом либо умный GRUNDFOS UP15-14BA PM. 1 Посилання на коментар Поділитися на інших сайтах More sharing options...
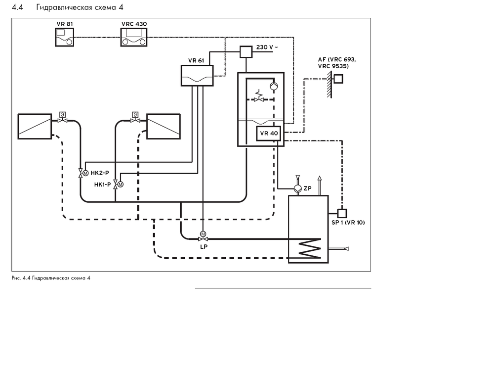
Sharkan Опубліковано: 16 липня 2014 Автор Поділитись Опубліковано: 16 липня 2014 (змінено) Если готовы платить за эту коробочку около 150Е - ставьте. Только прийдется лепить гидрострелку - базовое использование смесительного модуля включает логику обслуживания котельной обвязки по типовым схемам, а как только по ebus засветится смесительный модуль - они все подразумевают развязку. Тоесть тут сразу +вр61 и +2 насоса в обвязку. Творить такое без конденсационника ради обслуживания 45 квадратов пола - сомнительная радость. Ну, еще на коробочку я бы согласился. Но вот на гидрострелку и еще два насоса - деньги на ветер. Это однозначно. А что, без гидрострелки и двух насосов никак ? Я смотру в руководстве по Калорматику есть гидросхемы и без гидрострелок и насосов дополнительных. Смотрите рисунок внизу. Тоесть я думаю там есть варианты. МОжно наверное комбинировать. Или я не прав ? Добавлено через 5 минут ИМХО. По большому счёту использовать Calormatic 470 в простом котелке лиш бы было погодозависимое управление как по мне даром выброшенные деньги. Ну, о полезности погодозависимого регулятора дискутировали мы тут: www.stroimdom.com.ua/forum/showthread.php?t=140856 Вывод - полезеи и даже очень. Но за ИМХО спасибо Добавлено через 6 минут Можно использовать такую конфигурацию,Vaillant atmoTEC plus VU INT 240/3-5 + Calormatic 470 + Модуль 2 из 7 к которому подключить насос рециркуляции ГВС и насос смесительного узла ТП + смесительный узел с механической регулировкой температуры ТП, дальше коллектор ТП с сервоприводами и к нему подключить термостаты зон ТП. Вы представляете какая каша получится в таком случае ? Тоесть сколько будет проводов, датчиков и т.д. ? И это все буде стоять 2 раза по 150 Евро. Vодуль VR 61/2 привлекателен своей универсальностью. Тоесть не нужно тащить с каждой комнаты провода к сервоприводам, не нужно вешать на стены термостаты-регуляторы в каждой комнате и т.д. и т.п. Все аккуратно и компактно. И при том все реулируется в одной точке, тоесть Калорматиком. Только вот murava пишет что не так все просто... Кстати, а что такое "Модуль 2 из 7" ? Подскажите пожалуйста. Змінено 16 липня 2014 користувачем Sharkan Посилання на коментар Поділитися на інших сайтах More sharing options...
Interso Опубліковано: 16 липня 2014 Поділитись Опубліковано: 16 липня 2014 Ну, о полезности погодозависимого регулятора дискутировали мы тут: www.stroimdom.com.ua/forum/showthread.php?t=140856 Вывод - полезеи и даже очень. Но за ИМХО спасибо Да может быть полезен но только с конденсационным котелком,у простых котелков КПД самое высокое при высоких температурах теплонсителя,поверте у меня простой котелок с погодозависимостью и толку никакого,эту погодозависимость я просто отключил. Вы представляете какая каша получится в таком случае ? Тоесть сколько будет проводов, датчиков и т.д. ? Каши никакой не будет,ну а насчёт проводов вы же хотели поставить на каждый контур по терморегулятору,если идти по стандартной схеме вайланта то там будут те же провода и стоимость будет мама не горюй. И это все буде стоять 2 раза по 150 Евро. Не знаю нада считать,зайдите на сайт Салуса и прикинте. Vодуль VR 61/2 привлекателен своей универсальностью. Тоесть не нужно тащить с каждой комнаты провода к сервоприводам, не нужно вешать на стены термостаты-регуляторы в каждой комнате и т.д. и т.п. Все аккуратно и компактно. Интересно а как вы собираетесь регулировать по зонно,вы же хотели поставить по термостату в комнату Только вот murava пишет что не так все просто... Правильно пишет,если вы упрётесь в вайлантовскую автоматику с погодозависимостью и позонным регулированием то в штуку евро может и упрётесь Кстати, а что такое "Модуль 2 из 7" ? Подскажите пожалуйста. Это модуль розширения устройств,подключается к сороковому разъёму. 1 Посилання на коментар Поділитися на інших сайтах More sharing options...
Sharkan Опубліковано: 16 липня 2014 Автор Поділитись Опубліковано: 16 липня 2014 Да может быть полезен но только с конденсационным котелком,у простых котелков КПД самое высокое при высоких температурах теплонсителя,поверте у меня простой котелок с погодозависимостью и толку никакого,эту погодозависимость я просто отключил. Ну я консультировался с официальными представителями Вайлянта в Украине, они говорят что эффективность таки есть. Правда с конденсационником она еще выше. Посилання на коментар Поділитися на інших сайтах More sharing options...
Sharkan Опубліковано: 16 липня 2014 Автор Поділитись Опубліковано: 16 липня 2014 Каши никакой не будет,ну а насчёт проводов вы же хотели поставить на каждый контур по терморегулятору,если идти по стандартной схеме вайланта то там будут те же провода и стоимость будет мама не горюй. Не, я хотел так: температуру корректировать трехходовым клапаном (через погодозависимый регулятор и т.д.) а уже каждый контур отдельно подстраивать расходометрами. Тоесть как на рисунке в первом топике. Или я что-то непраильно пинимаю ? Ну вот есть вайлянтовская стандартная схема...в принципе. Из которой я просто выбросил гидрострелку, коллектор и насос. См. рисунок. Посилання на коментар Поділитися на інших сайтах More sharing options...
Sharkan Опубліковано: 16 липня 2014 Автор Поділитись Опубліковано: 16 липня 2014 Интересно а как вы собираетесь регулировать по зонно,вы же хотели поставить по термостату в комнату . Не, я не хотел поставить по термостату в комнату. Я просто хотел поставить по термометру - мерять температуру позонно. Тоесть контролировать - не регулировать. А Подстраивать темпертуру хотел как на рисунке в первом топике - расходометрами (изменяя поток) по контурам и трехходовым клапаном вообще (тоесть по всем контурам, как на рисунке). Или я не понимаю что-то в системе регуляции ? Но так я понял из системы Вайлянта...из инструкции. Добавлено через 1 минуту Правильно пишет,если вы упрётесь в вайлантовскую автоматику с погодозависимостью и позонным регулированием то в штуку евро может и упрётесь Да нет, опять же таки...позонную регулировку раз выставил расходометрами - и все дела. А дальше только трехходовым. Посилання на коментар Поділитися на інших сайтах More sharing options...
Interso Опубліковано: 16 липня 2014 Поділитись Опубліковано: 16 липня 2014 Ну я консультировался с официальными представителями Вайлянта в Украине, они говорят что эффективность таки есть. Правда с конденсационником она еще выше. Это точно что эффективность есть только вот для кого Добавлено через 2 минуты Не, я хотел так: температуру корректировать трехходовым клапаном (через погодозависимый регулятор и т.д.) а уже каждый контур отдельно подстраивать расходометрами. Тоесть как на рисунке в первом топике. Или я что-то непраильно пинимаю ? Ну вот есть вайлянтовская стандартная схема...в принципе. Из которой я просто выбросил гидрострелку, коллектор и насос. См. рисунок. Ну если хотите погодозависимость значит делайте так как на рисунке. Посилання на коментар Поділитися на інших сайтах More sharing options...
Sharkan Опубліковано: 16 липня 2014 Автор Поділитись Опубліковано: 16 липня 2014 Это модуль розширения устройств,подключается к сороковому разъёму. Вы имеете в виду разьем Х40 в котле ? Скажите, а где о таком моддуле можно почитать побольше ? Как официально называется и т.д. Тоесть это решение я так понимаю заменяет VR 61 по ТП. Еще раз, точная позонная регулировка для меня не супер важная. Можно выставить все расходометрами (механикой) на коллекторе ТП и далее регулировать трехходовым по подаче - и все дела. Добавлено через 2 минуты[/i][/color][/size] Ну если хотите погодозависимость значит делайте так как на рисунке. Я бы делал, но murava говорит что нельзя...тоесть нужно добрасывать гидрострелку и насосы. И шо делать ? Посилання на коментар Поділитися на інших сайтах More sharing options...
Interso Опубліковано: 16 липня 2014 Поділитись Опубліковано: 16 липня 2014 Вы имеете в виду разьем Х40 в котле ? Скажите, а где о таком моддуле можно почитать побольше ? Как официально называется и т.д. Тоесть это решение я так понимаю заменяет VR 61 по ТП. Нет этот блок он в полной мере не заменяет,но при использовании смесительного узла ТП с прямым регулированием его можна подключить к насосу ТП и плюс можна подключить насос рециркуляции ГВС. Официально так и называется 2 из 7,задайте поиск и найдёте,там и почитаете. Я бы делал, но murava говорит что нельзя...тоесть нужно добрасывать гидрострелку и насосы. И шо делать ? И шо делать ?Задайте вопрос Мураве, пусть объяснит что к чему 1 Посилання на коментар Поділитися на інших сайтах More sharing options...
Sharkan Опубліковано: 16 липня 2014 Автор Поділитись Опубліковано: 16 липня 2014 Нет этот блок он в полной мере не заменяет,но при использовании смесительного узла ТП с прямым регулированием его можна подключить к насосу ТП и плюс можна подключить насос рециркуляции ГВС. Официально так и называется 2 из 7,задайте поиск и найдёте,там и почитаете. И шо делать ?Задайте вопрос Мураве, пусть объяснит что к чему Спасибо Задам обязательно Посилання на коментар Поділитися на інших сайтах More sharing options...
Interso Опубліковано: 16 липня 2014 Поділитись Опубліковано: 16 липня 2014 Вот вариант с блоком 2из7 и калорматиком. 1 Посилання на коментар Поділитися на інших сайтах More sharing options...
Рекомендовані повідомлення
Створіть акаунт або увійдіть у нього для коментування
Ви маєте бути користувачем, щоб залишити коментар
Створити акаунт
Зареєструйтеся для отримання акаунта. Це просто!
Зареєструвати акаунтУвійти
Вже зареєстровані? Увійдіть тут.
Увійти зараз