art.k Опубліковано: 10 листопада 2015 Поділитись Опубліковано: 10 листопада 2015 Вводные: камин с водяной рубашкой Kratki Wiktor PW 12 кВт и электрический котел Protherm Скат 12 кВт с насосом и расширительным бачком. Есть задача соединить эти два источника тепла в один контур, чтобы они работали одновременно либо попеременно. Есть предположение, что можно просто соединить их в один контур, насос от котла будет гонять воду по системе, в случае раскочегаривания камина сброс воды будет в расширительный бачок котла. Верно ли такое предположение или нужно устанавливать дополнительное оборудование и почему? Посилання на коментар Поділитися на інших сайтах More sharing options...
art.k Опубліковано: 11 листопада 2015 Автор Поділитись Опубліковано: 11 листопада 2015 Апну тему, думаю, многим пригодится ;) Посилання на коментар Поділитися на інших сайтах More sharing options...
руки_из_попы Опубліковано: 12 листопада 2015 Поділитись Опубліковано: 12 листопада 2015 вам совет нужен или просто поговорить ?? у меня стоит такая система, если что спрашивайте конкретно..чем смогу помогу Посилання на коментар Поділитися на інших сайтах More sharing options...
art.k Опубліковано: 16 листопада 2015 Автор Поділитись Опубліковано: 16 листопада 2015 Совет конечно. Вопрос обозначен в первом посте. Вопрос возник потому, что человек, который занимается отоплением, предлагает разные расширительные бачки, взрывные клапаны, электронику с турбиной и т.п. На вопрос зачем не может дать внятного ответа. Ну и второй вопрос - схема отопления. Производитель топки предлагает нечто следующее: Выглядит немного пугающе. Почему нельзя поместить в один контур радиаторы, камин, котел и все? Обратка поступает в камин, камин нагревает ее, котел догревает до нужной температуры или просто пропускает через себя, если нагрев не требуется, дальше идет подача. ? Посилання на коментар Поділитися на інших сайтах More sharing options...
руки_из_попы Опубліковано: 16 листопада 2015 Поділитись Опубліковано: 16 листопада 2015 у меня все это стоит . мой совет следующий : 1. гоните человека , который у вас занимается отоплением , если он не знает , что для чего -значит то что он сделает правильно работать не будет ,сейчас такое время , что найти хорошего специалиста не проблема 2. все то что вам сказали "расширительные бачки, взрывные клапаны, электронику" это все это нужно. 3. для начала нужно составить техническое задание на то, что вы имеете и то, что хотите получить, а затем под это задание рисовать схему подключения -у вас это квартира, дом ? -новое или вы хотите переделать существующее ?? Посилання на коментар Поділитися на інших сайтах More sharing options...
art.k Опубліковано: 17 листопада 2015 Автор Поділитись Опубліковано: 17 листопада 2015 У меня строящийся дом. Посилання на коментар Поділитися на інших сайтах More sharing options...
руки_из_попы Опубліковано: 17 листопада 2015 Поділитись Опубліковано: 17 листопада 2015 тогда лучше продумать все до мелочей и на будущее, ошибка может обходится дорого, с учетом цен на газ и электричество, пусть даже вы сейчас не планируете это ставить, но неизвестно , что захочете через год, два Лучше начать с составления тех задания для отопления, начну..а вы сами потом себе продолжите 1.Возможные способы отопления и ГВС : - электрический котел - камин с водяным контуром - газовый котел если есть хоть какие то шансы в перспективе подвести газ к дому , то нужно предусмотреть в проекте это сразу , потом переделка проекта обойдется дороже, ну а если газ появится то повесить и подключить его в систему труда не будет - солнечные батареи пока это не особо эффективно, но вам же не сложно сразу это предусмотреть на 2-5 лет вперед 2.Возможность работы каждого способа как по отдельности, так и совместно с подхватыванием от одного к другому 3.Обеспечить ко всему оборудованию , которое обслуживает жизнеобеспечение дома отдельный электрический ящик для возможности , в случае отключения электричества все перекидывалось на альтернативные системы питания и так далее..по каждой системе обогрева продумав все от начального прогрева и до финального охлаждения Посилання на коментар Поділитися на інших сайтах More sharing options...
Блуждающий ТВЭЛ Опубліковано: 17 листопада 2015 Поділитись Опубліковано: 17 листопада 2015 Вводные: камин с водяной рубашкой Kratki Wiktor PW 12 кВт и электрический котел Protherm Скат 12 кВт с насосом и расширительным бачком. Есть задача соединить эти два источника тепла в один контур, чтобы они работали одновременно либо попеременно. Есть предположение, что можно просто соединить их в один контур, насос от котла будет гонять воду по системе, в случае раскочегаривания камина сброс воды будет в расширительный бачок котла. Верно ли такое предположение или нужно устанавливать дополнительное оборудование и почему? Свяжите каждый источник в свой контур и запустите в бак-аккумулятор тепла, а уже из бака отбирайте на отопление и воду. А почему установщик предлагает фигзнашо и не может объяснить почему, так хватает мастеров, которые на колене придумали, подсмотрели и ставят что-то, которое как-то работает. А образования и понимания процессов не хватает... вот и ставят абы побольше накрутить вам приблуд в систему ибо деньги... 1 Посилання на коментар Поділитися на інших сайтах More sharing options...
art.k Опубліковано: 17 листопада 2015 Автор Поділитись Опубліковано: 17 листопада 2015 Так я и пытаюсь продумать все до мелочей, насколько голова позволяет Хочу найти разумный баланс между хайтек-схемой и косячным подключением, чтобы не ставить лишних приборов (потому что так надо и пипец) и избежать грубых ошибок. В целом по поводу стройки уже понял, что идеально не бывает, разве что настолько дорого, что выходит экономически нецелесообразно. Ну и чтобы получилось приемлемо по цене/качеству, надо только вникать и все взвешивать, что и пытаюсь делать. Теплоаккумулятор хочу поставить со временем, вместе с многозонным счетчиком, но это не сейчас. Уважаемый руки_из_попы, а какая у вас схема? Можно на словах, без рисунков. Посилання на коментар Поділитися на інших сайтах More sharing options...
Блуждающий ТВЭЛ Опубліковано: 17 листопада 2015 Поділитись Опубліковано: 17 листопада 2015 ...... Выглядит немного пугающе. Почему нельзя поместить в один контур радиаторы, камин, котел и все? Обратка поступает в камин, камин нагревает ее, котел догревает до нужной температуры или просто пропускает через себя, если нагрев не требуется, дальше идет подача. ? Если коротко и на пальцах, может не хватить производительности насоса, а наращивать ее бесконечно смысла нет, не поможет. В итоге либо ваш котел, либо камин закипит, а при этом до батарей тепло даже не дойдет. Добавлено через 3 минуты .... Теплоаккумулятор хочу поставить со временем, вместе с многозонным счетчиком, но это не сейчас. ..... Есть шанс, что до этого момента у вас ничего не будет работать. 1 Посилання на коментар Поділитися на інших сайтах More sharing options...
руки_из_попы Опубліковано: 17 листопада 2015 Поділитись Опубліковано: 17 листопада 2015 у меня сейчас стоит два источника подогрева воды (но все подготовлено под электро и солнце) : газ котел с ГВС (горяч вода) + камин с водяным контуром , если у меня работает только газ.котел , то насосы гоняют воду по контуру ,по лепесткам ( у меня лепестковая система отопления ) по программе , если хочу топить дровами , то растапливаю камин , при нагреве в контуре камина до установленной температуры ,автоматика камина включает насос и переносит тепло в гидроаккумулятор, который стоит в контуре отопления , газ котел отключен при этом , НО если я захочу , то могу включить котел и если камин затухает, то котел подхватит и будет дальше сам работать. хочу только предупредить вас , что долго топить камином не удобно , это так на крайний вариант или когда топите камин тепло не уходит , если вам для постоянного обогрева дровами ставьте твердотопливный котел возле электрического Посилання на коментар Поділитися на інших сайтах More sharing options...
art.k Опубліковано: 18 листопада 2015 Автор Поділитись Опубліковано: 18 листопада 2015 Камин мне нужен в первую очередь для уюта, во вторую - как дополнительный и резервный источник тепла. Думаю, что реально буду топить его пару раз в день, в остальное время, особенно по ночам, будет подхватывать электрокотел. В общем, нашел толкового чувака, который смонтировал много таких систем. Хочется поскорее проверить свои предположения и ожидания. О результатах и схеме сразу отпишусь. Посилання на коментар Поділитися на інших сайтах More sharing options...
murava Опубліковано: 19 листопада 2015 Поділитись Опубліковано: 19 листопада 2015 у меня все это стоит . мой совет следующий : 1. гоните человека , который у вас занимается отоплением , если он не знает , что для чего -значит то что он сделает правильно работать не будет ,сейчас такое время , что найти хорошего специалиста не проблема ... Не знаю, может существующий что-то знает, потому и не берется. Я, например, обвязок и всяких обвязочных работ по камину с водяной топкой стараюсь всячески избегать. И я не одинок в своих порывах. 1 Посилання на коментар Поділитися на інших сайтах More sharing options...
Блуждающий ТВЭЛ Опубліковано: 19 листопада 2015 Поділитись Опубліковано: 19 листопада 2015 Камин мне нужен в первую очередь для уюта, во вторую - как дополнительный и резервный источник тепла. Думаю, что реально буду топить его пару раз в день, в остальное время, особенно по ночам, будет подхватывать электрокотел. В общем, нашел толкового чувака, который смонтировал много таких систем. Хочется поскорее проверить свои предположения и ожидания. О результатах и схеме сразу отпишусь. Знаете, если подходить практически, то к камину уж лучше сделать красивую инсталляцию, и если очень хочется, разводку для воздушного отопления. Чем морочиться с лепкой водяных контуров, которые будут простаивать 70% времени. Чисто имхо. Посилання на коментар Поділитися на інших сайтах More sharing options...
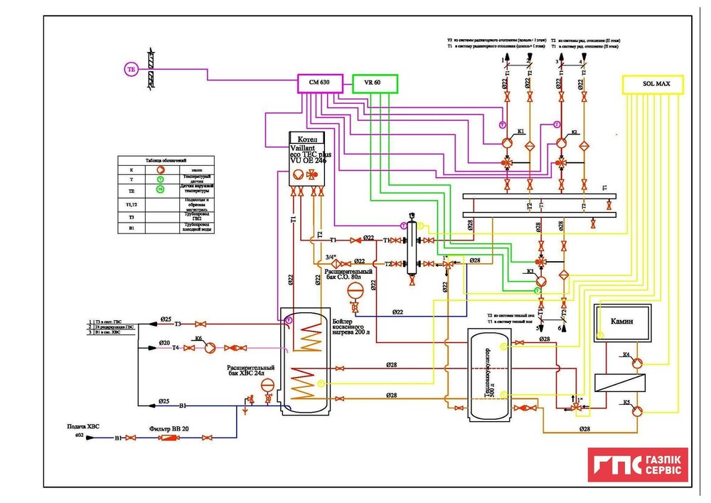
Теплотехник Опубліковано: 19 листопада 2015 Поділитись Опубліковано: 19 листопада 2015 Камин мне нужен в первую очередь для уюта, во вторую - как дополнительный и резервный источник тепла. Думаю, что реально буду топить его пару раз в день, в остальное время, особенно по ночам, будет подхватывать электрокотел. В общем, нашел толкового чувака, который смонтировал много таких систем. Хочется поскорее проверить свои предположения и ожидания. О результатах и схеме сразу отпишусь. Если для уюта, то поставьте обычный камин, а лучше с воздушной рубашкой... С водяной рубашкой, правильно смонтировать будет оочень дорого... Чтобы в будущем предусмотреть доустановку теплоаккумулятора, или альтернативного источника тепла и т.п. схему нужно детально продумать уже сейчас... Вложил схему топочной где камин работает даже с приоритетом на горячую воду... Может поможет... Посилання на коментар Поділитися на інших сайтах More sharing options...
руки_из_попы Опубліковано: 19 листопада 2015 Поділитись Опубліковано: 19 листопада 2015 Если для уюта, то поставьте обычный камин, а лучше с воздушной рубашкой... С водяной рубашкой, правильно смонтировать будет оочень дорого... Чтобы в будущем предусмотреть доустановку теплоаккумулятора, или альтернативного источника тепла и т.п. схему нужно детально продумать уже сейчас... Вложил схему топочной где камин работает даже с приоритетом на горячую воду... Может поможет... самое дорогое-это сам камин с водяным контуром, остальное в пределах нормы Посилання на коментар Поділитися на інших сайтах More sharing options...
art.k Опубліковано: 23 листопада 2015 Автор Поділитись Опубліковано: 23 листопада 2015 Камин с водяной рубашкой стоит не так дорого, мне обошелся в 15000 грн. Воздушное отопление - даже не представляю, чего стоит развести короба по двум этажам. И зачем, есть есть разводка радиаторов с электрокотлом? Ну и прошу не забывать, что топить электричеством по-любому недешево. Так что в случае большого расхода вся надежда на камин. Посилання на коментар Поділитися на інших сайтах More sharing options...
руки_из_попы Опубліковано: 23 листопада 2015 Поділитись Опубліковано: 23 листопада 2015 Камин с водяной рубашкой стоит не так дорого, мне обошелся в 15000 грн. Воздушное отопление - даже не представляю, чего стоит развести короба по двум этажам. И зачем, есть есть разводка радиаторов с электрокотлом? Ну и прошу не забывать, что топить электричеством по-любому недешево. Так что в случае большого расхода вся надежда на камин. не надо вести воздушное , если будет стандартное, 1..если вы собираетесь ставить камин с водяной топокой, то вам по любому надо покупать гидроаккумулятор чтобы забирать тепло не только для обогрева , но и для того чтобы забирать тепло с камина , иначе два , три перегрева и ему каюк, 2..повторяюсь топить таким камином не удобно и не сильно экономно, поверьте мне как практику , это всего лишь как вариант альтернативного обогрева , не более... Я ДУМАЛ КАК ВЫ , НО ТЕОРИЯ ЭТО ОДНО, А ПРАКТИКА-ДРУГОЕ 3. если вы хотите иметь более простой и экономичный вариант на дровах или прочем , то ставьте твердотопливный котел 2 Посилання на коментар Поділитися на інших сайтах More sharing options...
Блуждающий ТВЭЛ Опубліковано: 26 листопада 2015 Поділитись Опубліковано: 26 листопада 2015 Камин с водяной рубашкой стоит не так дорого, мне обошелся в 15000 грн. Воздушное отопление - даже не представляю, чего стоит развести короба по двум этажам. И зачем, есть есть разводка радиаторов с электрокотлом? Ну и прошу не забывать, что топить электричеством по-любому недешево. Так что в случае большого расхода вся надежда на камин. Скажем так, разводку воздушную делать по всему дому, конечно же, не стоит. Но в пределах этажа можно попробовать. Дальше, КПД камина это еще тот вопрос. Хотя, конечно, если ходить за дровами в лес, то можно хорошо сэкономить. И третье, по-хорошему, уже не первый совет, увяжите и электрокотел, и камин, на бак-аккумулятор тепла. Это и систему сбалансирует, и от перегрева спасет. И сэкономит на дровах. Посилання на коментар Поділитися на інших сайтах More sharing options...
руки_из_попы Опубліковано: 26 листопада 2015 Поділитись Опубліковано: 26 листопада 2015 делать воздушную разводку по комнате там где будет стоять камин с водяным контуром не рекомендую, 1.так как это должна быть сложная конструкция с клапанами, потому что если камин не будет работать, то по ней тепло дома будет уходить в трубу и получится такой себе высасыватель тепла. 2.камин с водяным контуром спроектирован так чтобы максимально отобрать тепло на контур и мало отдать на верх 1 Посилання на коментар Поділитися на інших сайтах More sharing options...
Рекомендовані повідомлення
Створіть акаунт або увійдіть у нього для коментування
Ви маєте бути користувачем, щоб залишити коментар
Створити акаунт
Зареєструйтеся для отримання акаунта. Це просто!
Зареєструвати акаунтУвійти
Вже зареєстровані? Увійдіть тут.
Увійти зараз