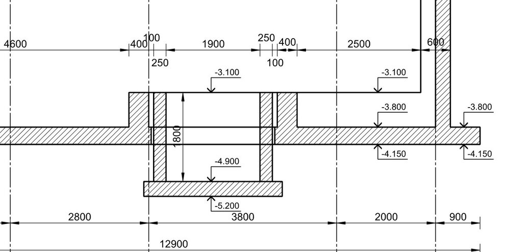
apxitektop Опубліковано: 3 серпня 2009 Поділитись Опубліковано: 3 серпня 2009 Веду оживленный конструктивный разговор со своим конструктором:D И вот очередное решение, которое в варианте конструктора, совсем не интересно получается, а именно: он предварительно предложил сделать заглубленный фундамент - т.е. по периметру плиты углибиться на 1,5 метра (!!!) + внизу расширение... Геология есть, грунты просадочные и т.д., но вопрос сейчас не в деталях (подсыпке, толщине плиты, ребрах, кол-во арматуры, бетона...), а в принципиальном решении: мелкозаглубленный или куча бетона и денег в землю. Я наставиваю на выполнение расчета мелкозаглубленной плиты с утеплением грунта вокруг дома, но вижу, что он как-то морально не готов что-ли:D Прошу совета - возможен ли вариант мелкозаглубленного фундамента в моем случае (см. картинки)? Спасибо! Посилання на коментар Поділитися на інших сайтах More sharing options...
Hans Опубліковано: 3 серпня 2009 Поділитись Опубліковано: 3 серпня 2009 ну вообще-то мелкозаглубленные плиты и применяют в случае просадочных грунтов. может он не умеет такие считать - поменяй конструктора. если в центре - бассейн, его лучше отвязать от основного фундамента. Посилання на коментар Поділитися на інших сайтах More sharing options...
Hans Опубліковано: 3 серпня 2009 Поділитись Опубліковано: 3 серпня 2009 добавка - почитай прикольную бумагу - ТСН МФ-97 МО 1 Посилання на коментар Поділитися на інших сайтах More sharing options...
apxitektop Опубліковано: 3 серпня 2009 Автор Поділитись Опубліковано: 3 серпня 2009 ну вообще-то мелкозаглубленные плиты и применяют в случае просадочных грунтов. может он не умеет такие считать - поменяй конструктора. если в центре - бассейн, его лучше отвязать от основного фундамента. В центре просто помещение - миницоколь. Считать умеет отлично, просто я убедился, что надо не принимать работу сразу, а хорошо самому обмозговать, проконсультироваться, чтобы получить оптимальный результат. Видимо его что-то пугает... Может что-то связано с этим миницоколем? Тут дело в настойчивости заказчика больше - вот и разбираюсь. Посилання на коментар Поділитися на інших сайтах More sharing options...
Hans Опубліковано: 3 серпня 2009 Поділитись Опубліковано: 3 серпня 2009 В центре просто помещение - миницоколь. Считать умеет отлично, просто я убедился, что надо не принимать работу сразу, а хорошо самому обмозговать, проконсультироваться, чтобы получить оптимальный результат. Видимо его что-то пугает... Может что-то связано с этим миницоколем? Тут дело в настойчивости заказчика больше - вот и разбираюсь. а он сказал, что его пугает? Посилання на коментар Поділитися на інших сайтах More sharing options...
apxitektop Опубліковано: 3 серпня 2009 Автор Поділитись Опубліковано: 3 серпня 2009 а он сказал, что его пугает? Нет, просто сказал, что пока принимаем за основу 1,5 метра вниз. На мое контрпредложение - делаем плиту + утепляем, он сказал, что подумает, но как-то не уверенно... Сейчас жду его решения и параллельно обратился за советами. Посилання на коментар Поділитися на інших сайтах More sharing options...
Propeller Опубліковано: 3 серпня 2009 Поділитись Опубліковано: 3 серпня 2009 Тут уже раз такая тема обсуждалась. Если части фундамента на разной глубине заложения и связаны друг с другом, то нужно смотреть чтобы они давали одинаковую осадку. То есть, соотношение вес/несущая способность грунта желательно на разных глубинах иметь одинаковым. Посилання на коментар Поділитися на інших сайтах More sharing options...
Alexander Pryakha Опубліковано: 6 серпня 2009 Поділитись Опубліковано: 6 серпня 2009 В центре просто помещение - миницоколь. Видимо его что-то пугает... Может что-то связано с этим миницоколем? Тут дело в настойчивости заказчика больше - вот и разбираюсь. Такой случай с плитным фундаментом и с углублением - интересный. Был у меня такой случай - плитный фундамент и купель (минибассейн) ниже уровня плитного фундамента внутри основного дома. При моделировании схемы фунд-та нужно учитывать особенность, что этот миницоколь будет работать не только по подошве основания, но и по боковой поверхности. Т.е. этот цоколь - представляет собой типа - упор для основной плиты. Если конструкция монолитная без швов - то в месте примыкания цоколя будут возникать оманденные напряжения. Эти напряжения возникают из за разной несущей способности цоколя и фунд плиты, разных нагрузок на них = и как следствие разных осадок т.е. армировать это примыкание нужно серьезно (если делать цельномонолитную конструкцию).. Если делать по уму - то цоколь надо отрезать от плиты - тогда напряжения эти возникать не будут. Кстати - ту купель, я и отрезал тогда от основной плиты. Но эти "отрезания" повлекут за собою различные осадки "цоколя" и основной фунд. плииты. Т.е. нужно в таком случае учитывать особенности архитектурно-планировочных решений всего здания. Например - опирать стены только на фундаментную плиту -и невкоем случае не на цоколь. Разумеется сначала нужно выполнять цоколь, а только после этого плиту. Также, хочу добавить, что давление под плитой - будет передаваться на стены цоколя. Это нужно учитывать при расчете армирования стен цоколя. Также нужно учитывать что основная плита будет с отверстием (от цоколя) и обрамлять это оверстие надо с усилениями дополнительной арматурой и хомутами. 3 Посилання на коментар Поділитися на інших сайтах More sharing options...
Propeller Опубліковано: 7 серпня 2009 Поділитись Опубліковано: 7 серпня 2009 Получается такой вариант? Как бы 2 независимые конструкции? Посилання на коментар Поділитися на інших сайтах More sharing options...
apxitektop Опубліковано: 7 серпня 2009 Автор Поділитись Опубліковано: 7 серпня 2009 to Propeller & Alexander Pryakha Такой варинат видел, но в основном для бассейнов, а когда речь идет о цоколе - как сделать "стык" двух конструкций (в т.ч. гидроизоляцию)? Как лестницу "закрепить" - она же соединяет обе конструкции (что не есть хорошо, как я понимаю)? Посилання на коментар Поділитися на інших сайтах More sharing options...
Propeller Опубліковано: 7 серпня 2009 Поділитись Опубліковано: 7 серпня 2009 Ну лестницу можно делать не только из бетона и кирпича. Если вариант из металла, то нет проблем сделать её "плавающий". Тот подвижный шов между конструкциями герметизируется по стандартной схеме. Главное определиться с конструктивом и узлами. 1 Посилання на коментар Поділитися на інших сайтах More sharing options...
Рекомендовані повідомлення
Створіть акаунт або увійдіть у нього для коментування
Ви маєте бути користувачем, щоб залишити коментар
Створити акаунт
Зареєструйтеся для отримання акаунта. Це просто!
Зареєструвати акаунтУвійти
Вже зареєстровані? Увійдіть тут.
Увійти зараз