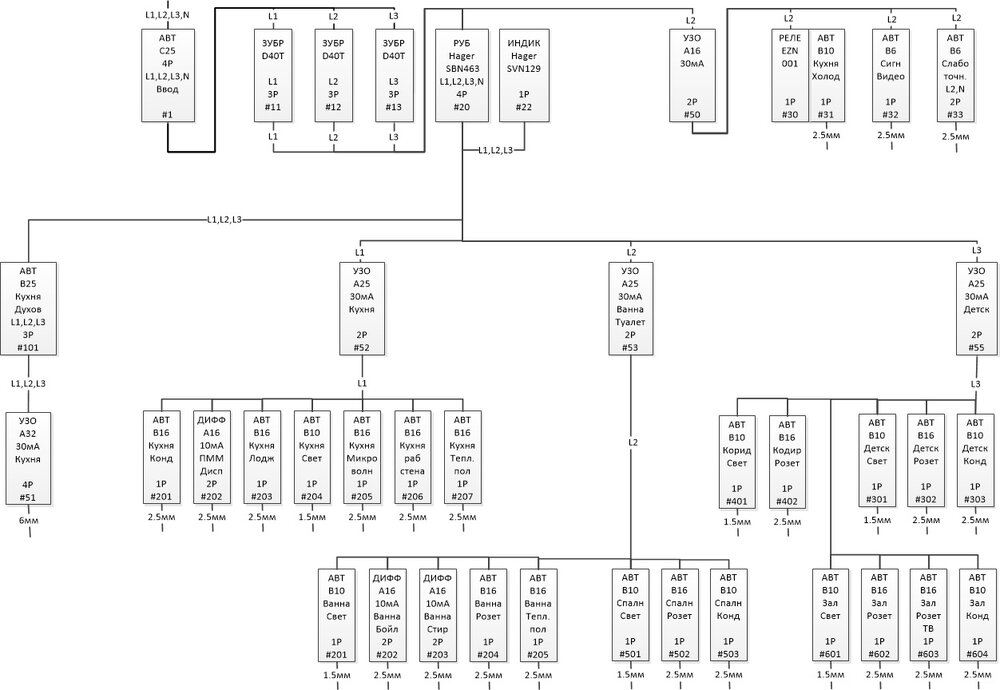
julian7705 Опубліковано: 29 березня 2017 Поділитись Опубліковано: 29 березня 2017 Добрый день, Сваял схему электроразводки в квартире 3К. Покритикуйте плиз. Кабель предполагаю использовать в щитке ПВС-3 (6мм), в квартире ВВГнгдп. Щиток предполагаю использовать два : HAGER VOLTA на 36 модуля (или SHNEIDER MINI PRAGMA), т.к. все в один щиток не влазит. Разделение будет таким: УЗО и все что с ниже в 36 модульный щит, все что выше УЗО - в другой 36 модульный щит. Касательно комплектации щитов - HAGER или SHNEIDER. Подрозетники Schnieder 68x45 Распредкоробки тоже какие-нибудь Shneider. Спасибо! Посилання на коментар Поділитися на інших сайтах More sharing options...
profeMaster Опубліковано: 29 березня 2017 Поділитись Опубліковано: 29 березня 2017 УЗО на 16 А не защищено автоматом. 1 Посилання на коментар Поділитися на інших сайтах More sharing options...
julian7705 Опубліковано: 29 березня 2017 Автор Поділитись Опубліковано: 29 березня 2017 Я так понял это речь об модуле №50. Если я его заменю на 25А все будет в норме? Посилання на коментар Поділитися на інших сайтах More sharing options...
profeMaster Опубліковано: 29 березня 2017 Поділитись Опубліковано: 29 березня 2017 да. Пока вводный остается на 25 А) 1 Посилання на коментар Поділитися на інших сайтах More sharing options...
Waldmann Опубліковано: 29 березня 2017 Поділитись Опубліковано: 29 березня 2017 Есть мнение (частично подтвержденное требованиями нормативных документов) о том, что сигнализацию и прочую ответственную слаботочку лучше не садить под узо. Хотя не все это мнение разделяют. 1 Посилання на коментар Поділитися на інших сайтах More sharing options...
Energon Опубліковано: 29 березня 2017 Поділитись Опубліковано: 29 березня 2017 да я бы и все групповые УЗО с 25А заменил на 40А 1 Посилання на коментар Поділитися на інших сайтах More sharing options...
Рекомендовані повідомлення
Створіть акаунт або увійдіть у нього для коментування
Ви маєте бути користувачем, щоб залишити коментар
Створити акаунт
Зареєструйтеся для отримання акаунта. Це просто!
Зареєструвати акаунтУвійти
Вже зареєстровані? Увійдіть тут.
Увійти зараз