Black Pepper Опубліковано: 9 жовтня 2009 Поділитись Опубліковано: 9 жовтня 2009 lonjin, Вы пошли в правильном направлении. Только если разберетесь. Это для людей, которые в курсе что и как - все просто. Для Вас дремучий лес. Поэтому все гребут за эти знания бабло и достаточно большое. А одну мембрану никому не в прикол продавать, потомучто это гемороя с завозом много, а заработать можно мало. Про тот осмос, что рассказывает Zyxer, реально можно вложится в маленький бюджет. Расходы на промывочные реактивы и расходники в год ориентировано сопоставимы с обычным актуально аналогичным умягчителем (на такую мелкую мембрану). Со временем еще нужно будет к такому осмосу приделать маленькую станцию хим. промывки. Бочечка и насосик. Потом Вы все-таки еще автоматики доставите. Учтите что если поставите это все сами, то Вам придется дальше это все и обслуживать. Короче говоря, Вам придется помучиться. Если готовы - сэкономите пару штук баксов Посилання на коментар Поділитися на інших сайтах More sharing options...
Zyxer Опубліковано: 9 жовтня 2009 Поділитись Опубліковано: 9 жовтня 2009 lonjin, Вы пошли в правильном направлении. Только если разберетесь. Это для людей, которые в курсе что и как - все просто. Для Вас дремучий лес. Поэтому все гребут за эти знания бабло и достаточно большое. А одну мембрану никому не в прикол продавать, потомучто это гемороя с завозом много, а заработать можно мало. Про тот осмос, что рассказывает Zyxer, реально можно вложится в маленький бюджет. Расходы на промывочные реактивы и расходники в год ориентировано сопоставимы с обычным актуально аналогичным умягчителем (на такую мелкую мембрану). Со временем еще нужно будет к такому осмосу приделать маленькую станцию хим. промывки. Бочечка и насосик. Потом Вы все-таки еще автоматики доставите. Учтите что если поставите это все сами, то Вам придется дальше это все и обслуживать. Короче говоря, Вам придется помучиться. Если готовы - сэкономите пару штук баксов Ну не надо сравнивать умягчитель (Na катионирование) c осмосом разница в фильтрате существенная. Станцию хим. промывки не надо приделывать это не постоянный процесс. А какая автоматика собственно нужна? Не больше чем в ионном обмене. Там же тоже стандартно не ставится пуск насосв зависимости от уровня в баке? Посилання на коментар Поділитися на інших сайтах More sharing options...
Black Pepper Опубліковано: 9 жовтня 2009 Поділитись Опубліковано: 9 жовтня 2009 В Вашем варианте поставить селективную мембрану нет смысла. Будет быстро забиваться. Именно предложенный вариант от Zyxer имеет шансы на качество без предочистки. Питьевой воды не ждите, но техническую получите. Не самого лучшего качества, но вполне приемлемого как для такой входящей воды. Посилання на коментар Поділитися на інших сайтах More sharing options...
Black Pepper Опубліковано: 9 жовтня 2009 Поділитись Опубліковано: 9 жовтня 2009 Ну не надо сравнивать умягчитель (Na катионирование) c осмосом разница в фильтрате существенная. Станцию хим. промывки не надо приделывать это не постоянный процесс. А какая автоматика собственно нужна? Не больше чем в ионном обмене. Там же тоже стандартно не ставится пуск насосв зависимости от уровня в баке? Zyxer, я сравнил всего-лишь эксплуатационные затраты по деньгам катионит-мембрана. Станция хим промывки постоянно не нужна, только когда промывка. Но она нужна. Разве что отдалживать у соседа, но у соседа есть тот же осмос? Автоматики особо не надо, микроконтроллеры никто не предлагает. Клапан какой-нить для гидропромывки. Кнопочку с автоматом вкл/выкл. На бак для "пермеата" надо будет... Мы ж рассматриваем бюджетный вариант мембранных технологий Посилання на коментар Поділитися на інших сайтах More sharing options...
Zyxer Опубліковано: 9 жовтня 2009 Поділитись Опубліковано: 9 жовтня 2009 В Вашем варианте поставить селективную мембрану нет смысла. Будет быстро забиваться. Именно предложенный вариант от Zyxer имеет шансы на качество без предочистки. Питьевой воды не ждите, но техническую получите. Не самого лучшего качества, но вполне приемлемого как для такой входящей воды. Ну нет, я предполагаю, что будет именно питьевая вода. Я предлагаю применить мембрану осмоса низкоэнергетическую. И почему и чем будет забиваться? После микронного фильтра. Где будут проблемы? Посилання на коментар Поділитися на інших сайтах More sharing options...
Zyxer Опубліковано: 9 жовтня 2009 Поділитись Опубліковано: 9 жовтня 2009 Zyxer, я сравнил всего-лишь эксплуатационные затраты по деньгам катионит-мембрана. Станция хим промывки постоянно не нужна, только когда промывка. Но она нужна. Разве что отдалживать у соседа, но у соседа есть тот же осмос? Автоматики особо не надо, микроконтроллеры никто не предлагает. Клапан какой-нить для гидропромывки. Кнопочку с автоматом вкл/выкл. На бак для "пермеата" надо будет... Мы ж рассматриваем бюджетный вариант мембранных технологий Ну я надеюсь в скором времени подтянуть осмос для невысокоминерализованных вод к технологии ионного обмена. Где-то 3-4 г/л солей, где ионный обмен предлагать вообще не резонно. Посилання на коментар Поділитися на інших сайтах More sharing options...
Black Pepper Опубліковано: 9 жовтня 2009 Поділитись Опубліковано: 9 жовтня 2009 Ну нет, я предполагаю, что будет именно питьевая вода. Я предлагаю применить мембрану осмоса низкоэнергетическую. И почему и чем будет забиваться? После микронного фильтра. Где будут проблемы? Так называемая низкоэнергетическая мембрана как раз забиваться не будет. Более селективная будет, но это я уже имел ввиду не нанофильтрацию. Я думаю, что получить питьевую воду в даном случае можно, но что-то сомневаюсь. Поры в диапазоне от 0,001 до 0,1 мкм, все будет зависеть от правильного соотношения давление/расход + температура и постоянство состава входящей воды. Степень очистки будет колебаться от 0,3 до 0,85. Если б это делал я, я б не дал гарантии на питьевую воду при такой тех. задаче при монтаже и эксплуатации заказчика. Но он питьевой, впринципе, и не требует. Посилання на коментар Поділитися на інших сайтах More sharing options...
Black Pepper Опубліковано: 9 жовтня 2009 Поділитись Опубліковано: 9 жовтня 2009 Ну я надеюсь в скором времени подтянуть осмос для невысокоминерализованных вод к технологии ионного обмена. Где-то 3-4 г/л солей, где ионный обмен предлагать вообще не резонно. Вам возле моря это как раз актуально Посилання на коментар Поділитися на інших сайтах More sharing options...
lonjin Опубліковано: 9 жовтня 2009 Автор Поділитись Опубліковано: 9 жовтня 2009 Так называемая низкоэнергетическая мембрана как раз забиваться не будет. Более селективная будет, но это я уже имел ввиду не нанофильтрацию. Я думаю, что получить питьевую воду в даном случае можно, но что-то сомневаюсь. Поры в диапазоне от 0,001 до 0,1 мкм, все будет зависеть от правильного соотношения давление/расход + температура и постоянство состава входящей воды. Степень очистки будет колебаться от 0,3 до 0,85. Если б это делал я, я б не дал гарантии на питьевую воду при такой тех. задаче при монтаже и эксплуатации заказчика. Но он питьевой, впринципе, и не требует. От нанофильтрации я уже отказался по весьма банальной прчине - на Украине нет наномембран. Мы с Денисом сейчас обсуждаем использование обычной осмотической мембраны. Состав воды постоянен - 5 независимых анализов на протяжении весны-осени это подтвердили. Питевая вода не нужна, хотя что понимать под питьевой в нашем регионе...Анализ моей воды - копия анализа воды, которая течет в Мариуполе из крана с холодной водой. И живут люди и пьют. Посилання на коментар Поділитися на інших сайтах More sharing options...
Zyxer Опубліковано: 9 жовтня 2009 Поділитись Опубліковано: 9 жовтня 2009 Вам возле моря это как раз актуально Ну и не только возле моря. Юг и юго-восток украины имеет воду из скважин с высокой минерализацией. Концентрация солей достигает от 2 до 4 г/л и жесткостью от 10 до 15 мг-экв/л. Предлагать ионный обмен в этом случае никак не правильно, с учётом также высоких концентраций анионов. Посилання на коментар Поділитися на інших сайтах More sharing options...
lonjin Опубліковано: 9 жовтня 2009 Автор Поділитись Опубліковано: 9 жовтня 2009 lonjin, Вы пошли в правильном направлении. Только если разберетесь. Это для людей, которые в курсе что и как - все просто. Для Вас дремучий лес. Поэтому все гребут за эти знания бабло и достаточно большое. А одну мембрану никому не в прикол продавать, потомучто это гемороя с завозом много, а заработать можно мало. Про тот осмос, что рассказывает Zyxer, реально можно вложится в маленький бюджет. Расходы на промывочные реактивы и расходники в год ориентировано сопоставимы с обычным актуально аналогичным умягчителем (на такую мелкую мембрану). Со временем еще нужно будет к такому осмосу приделать маленькую станцию хим. промывки. Бочечка и насосик. Потом Вы все-таки еще автоматики доставите. Учтите что если поставите это все сами, то Вам придется дальше это все и обслуживать. Короче говоря, Вам придется помучиться. Если готовы - сэкономите пару штук баксов Буду разбираться. Как говорит мой отец - "Нужда заставит сопливого любить.." Бабло готов платить! "Маленький бюджет" - предварительно уже составил 1400 баксов. Текущие расходы будут, на мой взгляд, меньше чем с умягчителем. По подсчетам донецкого Геотеха, при расходе куб в день я только на соль буду расходовать около 300 гривен в месяц! Расчет делали под мою воду, на 70 литров смолы (по Вашему совету). По поводу обслуживания - никто из фирмаче больше года гарантии не дает! Да и знаю я эту гарантию...Пока прокурорских на директора не натравишь - хрен кто пошевелится. А помучиться готов - лишь бы вышла затея. Пока не вижу особых преград, хотя отдельные вопросы автоматизации работы двух насосоов (скважинного и напорного) и водозабора из накопительного бака не совсем не ясны. Разбираемся. Посилання на коментар Поділитися на інших сайтах More sharing options...
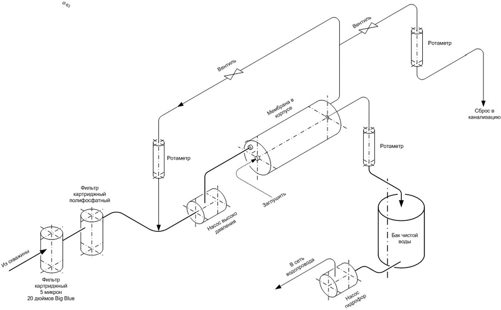
Zyxer Опубліковано: 9 жовтня 2009 Поділитись Опубліковано: 9 жовтня 2009 Так называемая низкоэнергетическая мембрана как раз забиваться не будет. Более селективная будет, но это я уже имел ввиду не нанофильтрацию. Я думаю, что получить питьевую воду в даном случае можно, но что-то сомневаюсь. Поры в диапазоне от 0,001 до 0,1 мкм, все будет зависеть от правильного соотношения давление/расход + температура и постоянство состава входящей воды. Степень очистки будет колебаться от 0,3 до 0,85. Если б это делал я, я б не дал гарантии на питьевую воду при такой тех. задаче при монтаже и эксплуатации заказчика. Но он питьевой, впринципе, и не требует. Я делал расчёт для воды с температурой 13-14 градусов. А какие могут быть ошибке в монтаже - только принципиальные - подать концентрат в пермеат? Всё таки я настаиваю, что будет именно питьевая вода. Выкладываю схему - на общее обсуждение. 1 Посилання на коментар Поділитися на інших сайтах More sharing options...
Black Pepper Опубліковано: 9 жовтня 2009 Поділитись Опубліковано: 9 жовтня 2009 Только что говорили что нанофильтрации не будет, потомучто нет мембран. Низкоэнергетическая - мембрана для нанофильтрации. Более селективная будет быстро забиваться. Думаете картридж с полифосфатами поможет? Я в этом очень сомневаюсь. Без предочистки мембрана износится быстро. Нужно именно мембрана для нанофильтрации. Посилання на коментар Поділитися на інших сайтах More sharing options...
Zyxer Опубліковано: 9 жовтня 2009 Поділитись Опубліковано: 9 жовтня 2009 Только что говорили что нанофильтрации не будет, потомучто нет мембран. Низкоэнергетическая - мембрана для нанофильтрации. Более селективная будет быстро забиваться. Думаете картридж с полифосфатами поможет? Я в этом очень сомневаюсь. Без предочистки мембрана износится быстро. Нужно именно мембрана для нанофильтрации. Думаю, что нет. Полифосфатфы тяжело просчитать но они должны помочь. С антискайлантом нет смысла заморачиваться на такой маленькой системе. Это мебрана Low energy почти как нанофильтрация. Жесткость исходной воды не такая большая да и рН 7. Мембрана вытянет. Посилання на коментар Поділитися на інших сайтах More sharing options...
Black Pepper Опубліковано: 12 жовтня 2009 Поділитись Опубліковано: 12 жовтня 2009 Думаю, что нет. Полифосфатфы тяжело просчитать но они должны помочь. С антискайлантом нет смысла заморачиваться на такой маленькой системе. Это мебрана Low energy почти как нанофильтрация. Жесткость исходной воды не такая большая да и рН 7. Мембрана вытянет. Тогда думаю Вы знаете о чем говорите. И так у заказчика вариантов не много. Это, впринципе, максимальное, что можно выжать из завезенного оборудования на Украину. Посилання на коментар Поділитися на інших сайтах More sharing options...
Потрошитель Опубліковано: 12 жовтня 2009 Поділитись Опубліковано: 12 жовтня 2009 (змінено) Попробуй пообщаться с Аристой - мой товарищ Иван(8050-919-12-11) сделает все что нужно почти по входящей. Явки-пароли - он с моей женой крестил дочку моего кума Щербака(тот крестил мою) - кто он мне после этого? Вобщем от Влада(это я) - Ивана уже пердупредил. Змінено 12 жовтня 2009 користувачем Потрошитель Посилання на коментар Поділитися на інших сайтах More sharing options...
Zyxer Опубліковано: 12 жовтня 2009 Поділитись Опубліковано: 12 жовтня 2009 Попробуй пообщаться с Аристой - мой товарищ Иван(8050-919-12-11) сделает все что нужно почти по входящей. Явки-пароли - он с моей женой крестил дочку моего кума Щербака(тот крестил мою) - кто он мне после этого? Вобщем от Влада, я его пердупрежу. Ну так человек уже бюджет описал выше. Можете дешевле и так чтобы работало на этой жесткости и солях. Предлагайте - будет действительно интересно посмотреть. Посилання на коментар Поділитися на інших сайтах More sharing options...
lonjin Опубліковано: 12 жовтня 2009 Автор Поділитись Опубліковано: 12 жовтня 2009 Попробуй пообщаться с Аристой - мой товарищ Иван(8050-919-12-11) сделает все что нужно почти по входящей. Явки-пароли - он с моей женой крестил дочку моего кума Щербака(тот крестил мою) - кто он мне после этого? Вобщем от Влада(это я) - Ивана уже пердупредил. Уже. Предложение от Аристы - 3100 евро на установку 100 л\ч. Это без накопительного бака и насоса к нему. Предложение оформлял Ютилов Михаил. ПыСы. Я изучил предложения ВСЕХ более-менее именитых производителей и продавцов. Умягчители от 950 у.е., осмос от 3500 у.е. Дешевле НЕТ. Посилання на коментар Поділитися на інших сайтах More sharing options...
Потрошитель Опубліковано: 13 жовтня 2009 Поділитись Опубліковано: 13 жовтня 2009 Уже. Предложение от Аристы - 3100 евро на установку 100 л\ч. Это без накопительного бака и насоса к нему. Предложение оформлял Ютилов Михаил. ПыСы. Я изучил предложения ВСЕХ более-менее именитых производителей и продавцов. Умягчители от 950 у.е., осмос от 3500 у.е. Дешевле НЕТ. Мда... Чистая вода - дорогое удовольствие. Надо будет ради интереса взять пробы у себя из водопровода - пока еще не решил, что ставить после ввода в дом. А определяться нужно быстрее. Питьевую воду и для готовки скорее всего буду заказывать в баклажках 20л. Ну так человек уже бюджет описал выше. Можете дешевле и так чтобы работало на этой жесткости и солях. Предлагайте - будет действительно интересно посмотреть. Я этим не занимаюсь - предложил товарища, который смог бы помочь. Посилання на коментар Поділитися на інших сайтах More sharing options...
Black Pepper Опубліковано: 14 жовтня 2009 Поділитись Опубліковано: 14 жовтня 2009 lonjin, ну вы только рассказывайте о своих успехах. Мне интересно: получиться или нет. Посилання на коментар Поділитися на інших сайтах More sharing options...
lonjin Опубліковано: 14 жовтня 2009 Автор Поділитись Опубліковано: 14 жовтня 2009 lonjin, ну вы только рассказывайте о своих успехах. Мне интересно: получиться или нет. Мне тоже интересно, только мне это удовольствие узнать результат обойдется в полторашку долларов. Сейчас занимаюсь поиском комплектующих у нас в Донецке. Посилання на коментар Поділитися на інших сайтах More sharing options...
lonjin Опубліковано: 14 жовтня 2009 Автор Поділитись Опубліковано: 14 жовтня 2009 Black Pepper, подскажите по мембранам Hydranautics - чьи они? Как качество? Предлагают ESPA по цене примерно 60 долларов дешевле XLE. Аналогичны ли они по качеству? Посилання на коментар Поділитися на інших сайтах More sharing options...
Black Pepper Опубліковано: 14 жовтня 2009 Поділитись Опубліковано: 14 жовтня 2009 Black Pepper, подскажите по мембранам Hydranautics - чьи они? Как качество? Предлагают ESPA по цене примерно 60 долларов дешевле XLE. Аналогичны ли они по качеству? По вопросу что лучше и как качество - это смотря как использовать и для чего. Здесь отличие в разных производителях. Разница в 60 долларов не должна зависеть от качества. Это ж все Гамерика. Посилання на коментар Поділитися на інших сайтах More sharing options...
lonjin Опубліковано: 14 жовтня 2009 Автор Поділитись Опубліковано: 14 жовтня 2009 По вопросу что лучше и как качество - это смотря как использовать и для чего. Здесь отличие в разных производителях. Разница в 60 долларов не должна зависеть от качества. Это ж все Гамерика. Не исключаю, что разница в цене это лишь показатель жадности разных дилеров. Посилання на коментар Поділитися на інших сайтах More sharing options...
lonjin Опубліковано: 14 жовтня 2009 Автор Поділитись Опубліковано: 14 жовтня 2009 Black Pepper, все же хотелось бы услышать Ваше мнение о Ваших же меммбранах. Предлагемая ГИ мембрана ESPA1 4040 на моем солесодержании 2000 - 3000 мг/л и с рабочим давлением 9 бар сможет сделать хотя-бы 300 - 400 мг/л ? Или теххарактеристики мембран "гамериканского" Hydranautics очень оптимистичны и их надо делить на два? Только честно! Посилання на коментар Поділитися на інших сайтах More sharing options...
Рекомендовані повідомлення
Створіть акаунт або увійдіть у нього для коментування
Ви маєте бути користувачем, щоб залишити коментар
Створити акаунт
Зареєструйтеся для отримання акаунта. Це просто!
Зареєструвати акаунтУвійти
Вже зареєстровані? Увійдіть тут.
Увійти зараз