vladvok Опубліковано: 2 січня 2021 Поділитись Опубліковано: 2 січня 2021 Всем привет, нужна консультация, Бойлер косвеник OKH 125NTR/HV система живет своей жизнью, то холодная то гарячая то тепленькая, смесительный клапан Honeywell TM200 прилагаю схему, что в ней не так и какие замечания и рекомендации Посилання на коментар Поділитися на інших сайтах More sharing options...
Сергей 31 Опубліковано: 2 січня 2021 Поділитись Опубліковано: 2 січня 2021 ТМ 200 подключите да группы безопасности бойлера. Посилання на коментар Поділитися на інших сайтах More sharing options...
vladvok Опубліковано: 2 січня 2021 Автор Поділитись Опубліковано: 2 січня 2021 ТМ 200 подключите не понял Добавлено через 38 секунд группы безопасности бойлера группа есть, просто не нарисовал Посилання на коментар Поділитися на інших сайтах More sharing options...
Сергей 31 Опубліковано: 2 січня 2021 Поділитись Опубліковано: 2 січня 2021 не понял Холодную воду к ТМ 200 взять до группы. Последнее время многие подключают ТМ 200 по схеме на 4-х обратных клапанах. Так все четко работает. 1 Посилання на коментар Поділитися на інших сайтах More sharing options...
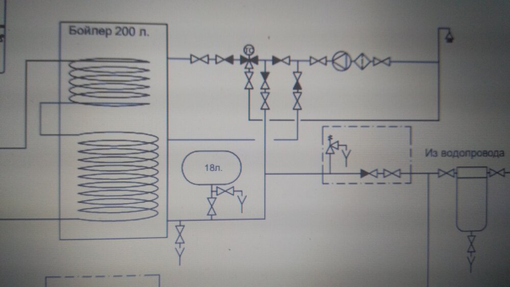
vladvok Опубліковано: 2 січня 2021 Автор Поділитись Опубліковано: 2 січня 2021 Последнее время многие подключают ТМ 200 по схеме на 4-х обратных клапанах. Так все четко работает. спасибо, схемку можно? Посилання на коментар Поділитися на інших сайтах More sharing options...
yoojin Опубліковано: 2 січня 2021 Поділитись Опубліковано: 2 січня 2021 спасибо, схемку можно? Вот такая схемка. 1 Посилання на коментар Поділитися на інших сайтах More sharing options...
yoojin Опубліковано: 2 січня 2021 Поділитись Опубліковано: 2 січня 2021 ТМ 200 подключите да группы безопасности бойлера. А в чем отличие подключения до и после термосмесительного клапана? Посилання на коментар Поділитися на інших сайтах More sharing options...
vladvok Опубліковано: 3 січня 2021 Автор Поділитись Опубліковано: 3 січня 2021 Вот такая схемка. прикинул что к чему Ситуация № 1 краны водоразбора закрыты, насос гоняет воду в малом контуре точка водоразбора - смесительный термостат, при снижении температуры в контуре термостат приоткрывает подачу из бойлера, с частичным сбросом воды в бойлер Посилання на коментар Поділитися на інших сайтах More sharing options...
vladvok Опубліковано: 3 січня 2021 Автор Поділитись Опубліковано: 3 січня 2021 Ситуация № 2 при открытии крана водоразбора выходит так. возникает вопрос, если присутствует разница давления воды перед термостатом между холодной и горячей из бойлера тогда нужно как то придавить линию подачи ХВС на входе перед термостатом, иначе из крана разбора бежит или холодная или еле теплая. Посилання на коментар Поділитися на інших сайтах More sharing options...
vladvok Опубліковано: 3 січня 2021 Автор Поділитись Опубліковано: 3 січня 2021 вот нашел интересное видео прошу высказать свое мнение, кому это интересно Посилання на коментар Поділитися на інших сайтах More sharing options...
yoojin Опубліковано: 3 січня 2021 Поділитись Опубліковано: 3 січня 2021 вот нашел интересное видео прошу высказать свое мнение, кому это интересно Принципиальной разницы не увидел. Схема выше работает, никто из клиентов (по вопросу #2) не жаловался. 1 Посилання на коментар Поділитися на інших сайтах More sharing options...
vladvok Опубліковано: 3 січня 2021 Автор Поділитись Опубліковано: 3 січня 2021 правильно? Посилання на коментар Поділитися на інших сайтах More sharing options...
naupv Опубліковано: 3 січня 2021 Поділитись Опубліковано: 3 січня 2021 Случайно гигиенических душиков нет? Эти девайсы могут подмешивать ХВС в ГВС, если не правильно закрыли буксу. Посилання на коментар Поділитися на інших сайтах More sharing options...
yoojin Опубліковано: 3 січня 2021 Поділитись Опубліковано: 3 січня 2021 правильно? Не, немного не так. 1 Посилання на коментар Поділитися на інших сайтах More sharing options...
yoojin Опубліковано: 3 січня 2021 Поділитись Опубліковано: 3 січня 2021 Случайно гигиенических душиков нет? Эти девайсы могут подмешивать ХВС в ГВС, если не правильно закрыли буксу. Если гигдуш закрыт, то подмеса не будет в принципе. Другое дело если оставили открытым, просто повесили бидетку под давлением и все. 1 Посилання на коментар Поділитися на інших сайтах More sharing options...
vladvok Опубліковано: 3 січня 2021 Автор Поділитись Опубліковано: 3 січня 2021 Случайно гигиенических душиков нет? есть один работает через термостат ватс потом кран вентильный потом лейка, кран закрывают постоянно. к стати раньше там стоял смесительный термостат AM61CM AQUAMIX 32-50°C, он здох через год, и вслед за ним посыпались остальные на других объектах, до этого я с ними ни разу не работал, всегда брал Honeywell TM200 Посилання на коментар Поділитися на інших сайтах More sharing options...
vladvok Опубліковано: 3 січня 2021 Автор Поділитись Опубліковано: 3 січня 2021 Всем спасибо за участие и потраченное время, вот немного похудожничал Посилання на коментар Поділитися на інших сайтах More sharing options...
murava Опубліковано: 3 січня 2021 Поділитись Опубліковано: 3 січня 2021 Нате, адаптируйте 2 Посилання на коментар Поділитися на інших сайтах More sharing options...
vladvok Опубліковано: 3 січня 2021 Автор Поділитись Опубліковано: 3 січня 2021 Нате, адаптируйте спасибо Посилання на коментар Поділитися на інших сайтах More sharing options...
Рекомендовані повідомлення
Створіть акаунт або увійдіть у нього для коментування
Ви маєте бути користувачем, щоб залишити коментар
Створити акаунт
Зареєструйтеся для отримання акаунта. Це просто!
Зареєструвати акаунтУвійти
Вже зареєстровані? Увійдіть тут.
Увійти зараз