motos Опубліковано: 29 жовтня 2021 Поділитись Опубліковано: 29 жовтня 2021 Здравствуйте! Нужен проект вальмовой крыши из металлочерепицы для прямоугольного дома 8х10. Предложения прошу присылать с ценой и сроками. Посилання на коментар Поділитися на інших сайтах More sharing options...
poligrafist Опубліковано: 30 жовтня 2021 Поділитись Опубліковано: 30 жовтня 2021 (змінено) Вам для чего? Кровельщики на месте на пальцах всё посчиатают ) Могу сделать в Солиде, с сметой материалов. Но я не кровельщик. Цену собрать тоже сложно ) Змінено 30 жовтня 2021 користувачем poligrafist Посилання на коментар Поділитися на інших сайтах More sharing options...
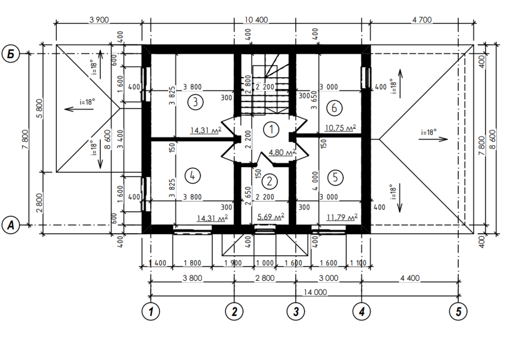
OlegArh Опубліковано: 31 жовтня 2021 Поділитись Опубліковано: 31 жовтня 2021 (змінено) В 29.10.2021 в 17:48, motos сказал: Здравствуйте! Нужен проект вальмовой крыши из металлочерепицы для прямоугольного дома 8х10. Предложения прошу присылать с ценой и сроками. Что бы реально оценить стоимость проектирования, выложите план дома с несущими стенами + регион строительства. Просто не на всех домах при всех планировках, можно обойтись без ферм, например. Змінено 31 жовтня 2021 користувачем OlegArh Посилання на коментар Поділитися на інших сайтах More sharing options...
motos Опубліковано: 31 жовтня 2021 Автор Поділитись Опубліковано: 31 жовтня 2021 2 часа назад, OlegArh сказал: Что бы реально оценить стоимость проектирования, выложите план дома с несущими стенами + регион строительства. Просто не на всех домах при всех планировках, можно обойтись без ферм, например. Кстати да, не подумал на счет плана Посилання на коментар Поділитися на інших сайтах More sharing options...
OlegArh Опубліковано: 31 жовтня 2021 Поділитись Опубліковано: 31 жовтня 2021 56 минут назад, motos сказал: Кстати да, не подумал на счет плана Особых проблем не вижу, кроме, разве что, на гараже + непонятно на что опирается крыша над входом. Посилання на коментар Поділитися на інших сайтах More sharing options...
motos Опубліковано: 31 жовтня 2021 Автор Поділитись Опубліковано: 31 жовтня 2021 Над входом есть уже понимание, что и как будет. Там залит козырек вместе с армопоясом и уже установлены шпильки для крепления. Посилання на коментар Поділитися на інших сайтах More sharing options...
МаТраС Опубліковано: 31 жовтня 2021 Поділитись Опубліковано: 31 жовтня 2021 щоб реально оцінити проектування почитайте , що чудить наш безумний архітектор Посилання на коментар Поділитися на інших сайтах More sharing options...
МаТраС Опубліковано: 31 жовтня 2021 Поділитись Опубліковано: 31 жовтня 2021 29.10.2021 в 17:48, motos сказав: Здравствуйте! Нужен проект вальмовой крыши из металлочерепицы для прямоугольного дома 8х10. Предложения прошу присылать с ценой и сроками. оця людина вам зробить Посилання на коментар Поділитися на інших сайтах More sharing options...
OlegArh Опубліковано: 31 жовтня 2021 Поділитись Опубліковано: 31 жовтня 2021 (змінено) Ни сколько не удивлен, что необразованный матрасный клоп (лат. Cimex lectularius), гадит везде, где ползает. Для информации: шифер и "фибродах" - это, как говорят в Одессе: "две разные весчи". 3 часа назад, МаТраС сказал: щоб реально оцінити проектування почитайте , що чудить наш безумний архітектор И попутно, для дебила: я не архитектор, а конструктор. Змінено 31 жовтня 2021 користувачем OlegArh Посилання на коментар Поділитися на інших сайтах More sharing options...
OlegArh Опубліковано: 31 жовтня 2021 Поділитись Опубліковано: 31 жовтня 2021 4 часа назад, motos сказал: Над входом есть уже понимание, что и как будет. Там залит козырек вместе с армопоясом и уже установлены шпильки для крепления. Если козырек рассчитан на ~ 170 кг/м2, то нет вопросов. Посилання на коментар Поділитися на інших сайтах More sharing options...
Рекомендовані повідомлення
Створіть акаунт або увійдіть у нього для коментування
Ви маєте бути користувачем, щоб залишити коментар
Створити акаунт
Зареєструйтеся для отримання акаунта. Це просто!
Зареєструвати акаунтУвійти
Вже зареєстровані? Увійдіть тут.
Увійти зараз