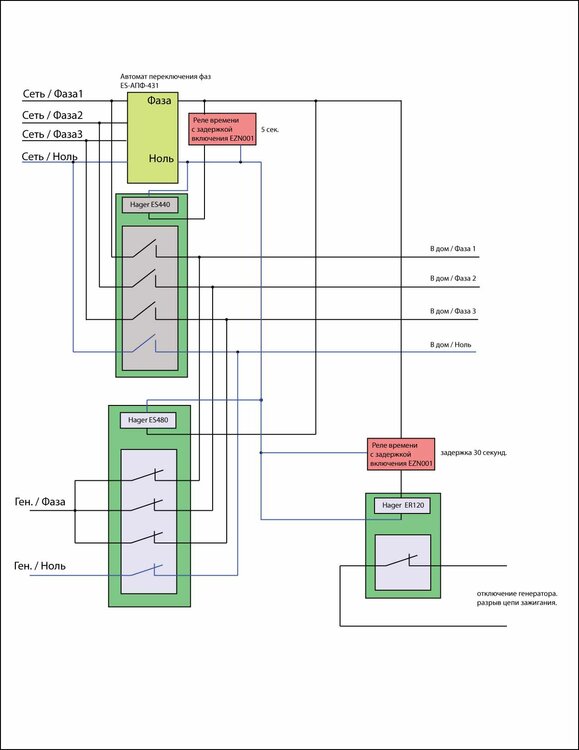
Vernigor Опубліковано: 17 лютого 2010 Поділитись Опубліковано: 17 лютого 2010 Прошу посмотреть и покритиковать. Вроде должно работать, но ... хочу услышать мнение. Есть дом. В дом заведены 3 фазы. Есть однофазный генератор, 5кВт. Задача. 1. При пропадании питания внешней сети, руками заводим генератор и питаем дом от генератора. 2. При появлении питания на внешней сети, отключаем подачу в дом от генератора, подключаем к внешнему питанию, глушим генератор. Я нарисовал схему. Коротко описание работы. 1. Проверяем автоматом ES-АПФ-431, есть ли напряжени хотя-бы на одной из фаз. Если есть - на резервное питание не переходим. 2. Если питание есть, то срабатывает контактор ES440 и подключает дом к внешней линии. 3. Если питание от внешней линии пропало, то: - подходим к генератору и заводим его руками. При этом, контактер ER120 - замкнут (цепь зажигания генератора) и контактер ES480 - замкнут (подача питания от генератора). Дом питается от генератора. 4. Питание на внешней линии появилось. - срабатывает контактор ES480. Отключается подача питания в дом от генератора (генератор продолжает работать). - через 5 сек. (определяется задержкой первого реле EZ001) срабатывает контактер ES440 и подключается внешнее питание к дому. - через 30 сек. (определяется задержкой второго реле времени EZ001) срабатывает контактер ER120 и отключается генератор. Описание контакторов, реле времени и автомат контроля фаз которые я использовал схеме: - контактор ES440 на 40А. din.com.ua/index.php?searchstring=es440 - контактор ES480 на 40А, din.com.ua/index.php?searchstring=es480 - контактор ER120 на 16А, din.com.ua/index.php?searchstring=er120 - 2 реле времени, din.com.ua/index.php?searchstring=ez001 - автомат переключения фаз, din.com.ua/index.php?productID=6386 Прошу высказаться по схеме. Буду всем признателен за конструктивные ответы/комментарии. Посилання на коментар Поділитися на інших сайтах More sharing options...
Прохожий Опубліковано: 17 лютого 2010 Поділитись Опубліковано: 17 лютого 2010 Может стоит обратить внимание на готовые решения? Например на АВР darex.dp.ua/ru/menu/avtomatika-zapuska.html Это позволит не только автоматически запускать генератор при переходе на него, но и автоматически его останавливать при подаче внешнего питания. Так же это позволит избежать проблем, возможных при ручной коммутации (межфазные замыкания, включение внешнего питания при не отключеном резервном и так далее). Посилання на коментар Поділитися на інших сайтах More sharing options...
rockford82 Опубліковано: 17 лютого 2010 Поділитись Опубліковано: 17 лютого 2010 Например на АВР darex.dp.ua/ru/menu/avtomatika-zapuska.html Только не лавато мне поменяли 3 RGAM12 пока я не плюнул и не заменил все на другого производителя. Посилання на коментар Поділитися на інших сайтах More sharing options...
Vernigor Опубліковано: 17 лютого 2010 Автор Поділитись Опубліковано: 17 лютого 2010 Может стоит обратить внимание на готовые решения? Например на АВР darex.dp.ua/ru/menu/avtomatika-zapuska.html Это позволит не только автоматически запускать генератор при переходе на него, но и автоматически его останавливать при подаче внешнего питания. Так же это позволит избежать проблем, возможных при ручной коммутации (межфазные замыкания, включение внешнего питания при не отключеном резервном и так далее). Чота у меня не открыватся ссылка. Генератор бензиновый. В нем нужно "дергать" дроссельную заслонку и автоматический запуск, скорее всего не получится. Поэтому и преполагается заводить в ручную. По поводу межфазных замыканий. В "моей" схеме я ставлю задержку на подключение основной линии именно для того, что-б "развести" моменты отключения питания о генератора и подключения внешней линии. Посилання на коментар Поділитися на інших сайтах More sharing options...
Vernigor Опубліковано: 17 лютого 2010 Автор Поділитись Опубліковано: 17 лютого 2010 Только не лавато мне поменяли 3 RGAM12 пока я не плюнул и не заменил все на другого производителя. На что заменили? Где о нем можно почитать? Посилання на коментар Поділитися на інших сайтах More sharing options...
Прохожий Опубліковано: 17 лютого 2010 Поділитись Опубліковано: 17 лютого 2010 rockford82 Приношу извинения. Я привёл ловато как первое попавшееся оборудование АВР из МНОЖЕСТВА для того, чтобы топикстартер мог при помощи поиска почитать и о других устройствах (ну и выбрать то, что ему больше подходит). По ответам, как я понял, он поиском пользоваться не счёл нужным. Он ждёт разжеваного и положеного в рот. Посилання на коментар Поділитися на інших сайтах More sharing options...
engeneer Опубліковано: 17 лютого 2010 Поділитись Опубліковано: 17 лютого 2010 Прошу посмотреть и покритиковать. Вроде должно работать, но ... хочу услышать мнение. Прошу высказаться по схеме. Буду всем признателен за конструктивные ответы/комментарии. В целом, все правильно. Подобное устройство называется блок полуавтоматики, продаю их третий год. Цена ок. $250, делают в Украине на базе ABB или Moeller. Можно удешевить за счет снижения качества компонентов. Описание: www.e-h.com.ua/gener-info.htm#4 Фото: (ссылка на изображение устарела) Посилання на коментар Поділитися на інших сайтах More sharing options...
kamioy Опубліковано: 17 лютого 2010 Поділитись Опубліковано: 17 лютого 2010 Я делал у себя дома вот так: www.stroimdom.com.ua/forum/showthread.php?t=28164 Посилання на коментар Поділитися на інших сайтах More sharing options...
ozzy Опубліковано: 17 лютого 2010 Поділитись Опубліковано: 17 лютого 2010 В целом, все правильно. Подобное устройство называется блок полуавтоматики, продаю их третий год. Цена ок. $250, делают в Украине на базе ABB или Moeller. Можно удешевить за счет снижения качества компонентов. если это что на фото сделано "на базе ABB или Moeller" то я тихо молчу в тряпочку потому как контакторы там сделаны в русской провинции Китая:-D Посилання на коментар Поділитися на інших сайтах More sharing options...
engeneer Опубліковано: 17 лютого 2010 Поділитись Опубліковано: 17 лютого 2010 если это что на фото сделано "на базе ABB или Moeller" то я тихо молчу в тряпочку потому как контакторы там сделаны в русской провинции Китая:-D Дык выбор-то за Вами! В бренды на снимке не вникал, может, и ИЭК. Программиируемое реле, вроде, EasyBus от Moeller, китайцы такого не делают. А контакторы можно и понадежнее купить как для себя! Посилання на коментар Поділитися на інших сайтах More sharing options...
ozzy Опубліковано: 17 лютого 2010 Поділитись Опубліковано: 17 лютого 2010 to Vernigor 1. Не совсем понимаю для чего установили ES-АПФ-431 если это реле выполняет функции " Автоматические переключатели фаз предназначены для поддержки постоянного уровня напряжения питания однофазных электроустройств " т.е оно выбирает какую из трех фаз подать на потребителя если можно использовать ДПФ-4 которое для этого и предназначено. 2. Ноль разрывать ПУЕ запрещает. 3. А если електроенергия будет раз 1-2 минуты прыгать за пределы не забегаетесь бегать к генературу ручку дергать 4. Два контактора будут в нормальных условиях постоянно включены, посчитате сколько они седят ел. енергии за месяц, за год 1 Посилання на коментар Поділитися на інших сайтах More sharing options...
Vernigor Опубліковано: 17 лютого 2010 Автор Поділитись Опубліковано: 17 лютого 2010 Я делал у себя дома вот так: www.stroimdom.com.ua/forum/showthread.php?t=28164 Спасибо. Сейчас посмотрю ваш вариант. Посилання на коментар Поділитися на інших сайтах More sharing options...
Vernigor Опубліковано: 17 лютого 2010 Автор Поділитись Опубліковано: 17 лютого 2010 to Vernigor 1. Не совсем понимаю для чего установили ES-АПФ-431 если это реле выполняет функции " Автоматические переключатели фаз предназначены для поддержки постоянного уровня напряжения питания однофазных электроустройств " т.е оно выбирает какую из трех фаз подать на потребителя если можно использовать ДПФ-4 которое для этого и предназначено. 2. Ноль разрывать ПУЕ запрещает. 3. А если електроенергия будет раз 1-2 минуты прыгать за пределы не забегаетесь бегать к генературу ручку дергать 4. Два контактора будут в нормальных условиях постоянно включены, посчитате сколько они седят ел. енергии за месяц, за год Спасибо за замечания по сути. 1. Если я правильно понял, то ДПФ-4 работает как реле, а мне нужно, что-б на выходе автомат. перекл. фаз было напряжение с одной из фаз (любой). 2. Не совсем понял, что это значит? Можно пояснить. 3. Согласен. 4. Из документации 50 ватт на втягивание и 7 на удержание. Основную часть времени катушки будут удерживать контактные группы. 7 ватт/час х 24 часа = 168 ватт в сутки. или 5 кВатт в месяц. В нынешних тарифах это 2 x 1,5 грн = 3 грн в месяц. Такой суммой можно пренебречь. Посилання на коментар Поділитися на інших сайтах More sharing options...
Vernigor Опубліковано: 17 лютого 2010 Автор Поділитись Опубліковано: 17 лютого 2010 rockford82 Приношу извинения. Я привёл ловато как первое попавшееся оборудование АВР из МНОЖЕСТВА для того, чтобы топикстартер мог при помощи поиска почитать и о других устройствах (ну и выбрать то, что ему больше подходит). По ответам, как я понял, он поиском пользоваться не счёл нужным. Он ждёт разжеваного и положеного в рот. Про Ловато. Позвонил в одну компания и задал вопрос по левото. после 3- переключений услышал след. ответ - для вашего случая (3 фазы заходят в дом, все потребители 1-фазные и 1 фазный генератор) левото не походит. Спустя 10 минут "инженер" перезвонил и посоветовал обратится к "Михал Иванычу, который все сделает в лучшем виде". Звоню Мих.Иван. Ставлю задачу. Первый вопрос - что у вас за генератор. Отвечаю - Кипор, 5 кВт, 1 фаза, электростартер. В ответ - ваш генератор --> китайское говно! Дальше продолжать разговор небыло смысла. После этого решил, нарисовать свой вариант полуавтомата. По поводу комментария "Он ждёт разжеваного и положеного в рот." могу сказать следующее. Я просил высказаться по представленной схеме, а не по общеизвестным готовым решениям. Посилання на коментар Поділитися на інших сайтах More sharing options...
ozzy Опубліковано: 18 лютого 2010 Поділитись Опубліковано: 18 лютого 2010 Спасибо за замечания по сути. 1. Если я правильно понял, то ДПФ-4 работает как реле, а мне нужно, что-б на выходе автомат. перекл. фаз было напряжение с одной из фаз (любой). 2. Не совсем понял, что это значит? Можно пояснить. 3. Согласен. 4. Из документации 50 ватт на втягивание и 7 на удержание. Основную часть времени катушки будут удерживать контактные группы. 7 ватт/час х 24 часа = 168 ватт в сутки. или 5 кВатт в месяц. В нынешних тарифах это 2 x 1,5 грн = 3 грн в месяц. Такой суммой можно пренебречь. 1. Согласно схеме на дом Вы подаете три фазы через контактор ES440, а "переключалка" фаз работает на питание данных контакторов и реле времени + когда она будет переключатся контакторы будут обестачиваться и обрывать кратковременно питание на дом (аля светомузыка ) 2. Нулевой провод нельзя разрывать контакторами (он у Вас синий). А генератор автопуск не поодерживает ? Вам выше уже приводили схемку www.stroimdom.com.ua/forum/showthread.php?t=28164 Посилання на коментар Поділитися на інших сайтах More sharing options...
Vernigor Опубліковано: 18 лютого 2010 Автор Поділитись Опубліковано: 18 лютого 2010 1. Согласно схеме на дом Вы подаете три фазы через контактор ES440, а "переключалка" фаз работает на питание данных контакторов и реле времени + когда она будет переключатся контакторы будут обестачиваться и обрывать кратковременно питание на дом (аля светомузыка ) 2. Нулевой провод нельзя разрывать контакторами (он у Вас синий). А генератор автопуск не поодерживает ? Вам выше уже приводили схемку www.stroimdom.com.ua/forum/showthread.php?t=28164 По генератору. Он у меня бензиновый. Для его запуска нужно "упражняться" с дроссельной заслонкой, иначе на холодную он не заведется. Вроде как все "кулибины" сходятся во мнении, что автозапуск - это для дизеля. Поэтому и решил, что заводить буду руками. Мне это удобно, т.к. в доме я живу не постоянно, а только на выходных или когда у ребенка каникулы. Свет пропадает не часто и меня, в основном, интересует вопрос отключения генератора, когда "на столбе" восстановится напряжение. Посилання на коментар Поділитися на інших сайтах More sharing options...
kamioy Опубліковано: 18 лютого 2010 Поділитись Опубліковано: 18 лютого 2010 В любом случае, вам необходимо после запуска прогреть генератор, а после снятия нагрузки охладить (генератор работает без нагрузки в течение нескольких минут - это необходимо для плавного понижения температуры). Что касается автоматизации бензиновых двигателей, то слыхал про такое решение: первый запуск при открытой воздушной заслонке, второй - при закрытой. Но если вы в доме набегами, то, ИМХО, вам конечно правильнее и дешевле исполнить полуавтоматическую систему. Посилання на коментар Поділитися на інших сайтах More sharing options...
someone Опубліковано: 19 лютого 2010 Поділитись Опубліковано: 19 лютого 2010 По генератору. Он у меня бензиновый. Для его запуска нужно "упражняться" с дроссельной заслонкой, иначе на холодную он не заведется. Вроде как все "кулибины" сходятся во мнении, что автозапуск - это для дизеля. читаем более внимательно в самом низу :darex.dp.ua/ru/menu/avtomatika-zapuska.html (это ссылка уже приводилась вверху). "Кроме этого разработан и внедрён сервоблок (СБ) управления воздушной заслонкой для электростанций любой мощности не оснащенных вакуумным управлением заслонкой, что существенно облегчает запуск генераторных установок с бензиновым двигателем в ручном и автоматическом режиме." Таки есть "приблуда" которая может облегчить жизнь пользователям безниновых генераторов! Буду звонить с понедельничка в Днепр, узнавать. Посилання на коментар Поділитися на інших сайтах More sharing options...
engeneer Опубліковано: 19 лютого 2010 Поділитись Опубліковано: 19 лютого 2010 читаем более внимательно в самом низу :darex.dp.ua/ru/menu/avtomatika-zapuska.html (это ссылка уже приводилась вверху). "Кроме этого разработан и внедрён сервоблок (СБ) управления воздушной заслонкой для электростанций любой мощности не оснащенных вакуумным управлением заслонкой, что существенно облегчает запуск генераторных установок с бензиновым двигателем в ручном и автоматическом режиме." Таки есть "приблуда" которая может облегчить жизнь пользователям безниновых генераторов! Буду звонить с понедельничка в Днепр, узнавать. Третий год продаю автоматику для бензиновых генераторов Honda Elemax. Установил не меньше десятка. Все работает. Но! Специалисты Kipora принципиально не советуют автоматизировать их бензиновые станции, только дизеля. Говорят - опасно. Так что решение автора темы абсолютно правильное - сделать полуавтомат, который включает дом и отключает станцию при появлении напряжения "на столбах". Vernigor, на мой взгляд в схеме один существенный изъян: при пропадании одной из фаз, устройство не даст переключить дом на генератор. А если на этой фазе будет, скажем, газовый котел и отключится она на сутки? (у нас такое было на прошлой неделе - отгорела фаза на ТП и починили только через день) Посилання на коментар Поділитися на інших сайтах More sharing options...
rockford82 Опубліковано: 20 лютого 2010 Поділитись Опубліковано: 20 лютого 2010 На что заменили? Где о нем можно почитать? А вот как раз заменили на датаком, в том же линке есть предложение DKG-207 турецкое изделие, 2 месяца пока работает Посилання на коментар Поділитися на інших сайтах More sharing options...
someone Опубліковано: 20 лютого 2010 Поділитись Опубліковано: 20 лютого 2010 Третий год продаю автоматику для бензиновых генераторов Honda Elemax. Установил не меньше десятка. Все работает. То engeneer Насколько реально Геко 6400 ED–A/HEBA апгрейднуть (сервоблок+автоматика)? И если возможно то сколько это по деньгам выйдет? Посилання на коментар Поділитися на інших сайтах More sharing options...
engeneer Опубліковано: 20 лютого 2010 Поділитись Опубліковано: 20 лютого 2010 То engeneer Насколько реально Геко 6400 ED–A/HEBA апгрейднуть (сервоблок+автоматика)? И если возможно то сколько это по деньгам выйдет? C Geko я бы не экспериментировал. У них хорошая родная автоматика (BLC). Одна проблема: почему-то она не рассчитана на 6400 ED–A/HEBA - только на серию Professionellen. Если надо, в понедельник смогу узнать в Геко-центре, можно ли ее приспособить. Что касается автоматики к Elemax, по прайсу она $600. На заслонке там не сервопривод а соленоид. Посилання на коментар Поділитися на інших сайтах More sharing options...
someone Опубліковано: 20 лютого 2010 Поділитись Опубліковано: 20 лютого 2010 Если надо, в понедельник смогу узнать в Геко-центре, можно ли ее приспособить. Надо.Буду благодарен. Ну если в Геко-центре скажут "незя", какие возможны другие варианты (от других производителей) для данной модели? Посилання на коментар Поділитися на інших сайтах More sharing options...
engeneer Опубліковано: 20 лютого 2010 Поділитись Опубліковано: 20 лютого 2010 Надо.Буду благодарен. Ну если в Геко-центре скажут "незя", какие возможны другие варианты (от других производителей) для данной модели? Автоматика для Elemax - не родная. Делают то ли в Киеве, то ли в Одессе. Она универсальна, годится для любой станции. Если с Геко не сложится, будем думать как приспособить. Высылаю фото. (ссылка на изображение устарела) (ссылка на изображение устарела) Посилання на коментар Поділитися на інших сайтах More sharing options...
Vernigor Опубліковано: 21 лютого 2010 Автор Поділитись Опубліковано: 21 лютого 2010 Третий год продаю автоматику для бензиновых генераторов Honda Elemax. Установил не меньше десятка. Все работает. Но! Специалисты Kipora принципиально не советуют автоматизировать их бензиновые станции, только дизеля. Говорят - опасно. Vernigor, на мой взгляд в схеме один существенный изъян: при пропадании одной из фаз, устройство не даст переключить дом на генератор. А если на этой фазе будет, скажем, газовый котел и отключится она на сутки? (у нас такое было на прошлой неделе - отгорела фаза на ТП и починили только через день) Про генератор Кипор. А в чем опасность? Пары бензина? Есть такое. Я об этом тоже думал. У меня на одной из фаз регулярно пропадает напряжение. Для этого в котельной сделал 3 розетки возле котла, на каждую из которых заведены разные фазы. Или ... тока сейчас подумал. Можно поставить автомат. переключатель фаз на эту розетку и верить в то, что он будет решать такую задачу. Посилання на коментар Поділитися на інших сайтах More sharing options...
Рекомендовані повідомлення
Створіть акаунт або увійдіть у нього для коментування
Ви маєте бути користувачем, щоб залишити коментар
Створити акаунт
Зареєструйтеся для отримання акаунта. Це просто!
Зареєструвати акаунтУвійти
Вже зареєстровані? Увійдіть тут.
Увійти зараз