berg Опубліковано: 16 жовтня 2010 Поділитись Опубліковано: 16 жовтня 2010 А какая мощность котла? Какой диапазон регулировок термоголовки? Насос на обратке? Мощность 30квт, насос в котле на подаче, кран термостатический пол-дюйма, термоголовка HERZ 20-50C Посилання на коментар Поділитися на інших сайтах More sharing options...
Сергей 31 Опубліковано: 16 жовтня 2010 Поділитись Опубліковано: 16 жовтня 2010 Д -труба 40мм пластик под пайку будет 6 фанкоилов общей мощностью 30квт Все интересней. У меня вопрос, какой нужен объбем теплоносителя (л/час) и какой температуры, чтобы фанкойлы выдали эту мощность. Посилання на коментар Поділитися на інших сайтах More sharing options...
Korni Опубліковано: 16 жовтня 2010 Поділитись Опубліковано: 16 жовтня 2010 ....какой нужен объбем теплоносителя (л/час) и какой температуры, чтобы фанкойлы выдали эту мощность. Это ты про диаметры труб намекаешь? Посилання на коментар Поділитися на інших сайтах More sharing options...
Сергей 31 Опубліковано: 16 жовтня 2010 Поділитись Опубліковано: 16 жовтня 2010 Это ты про диаметры труб намекаешь? Нет, на гидрострелку и пересчет отопительных приборов под температурный режим П.П. трубы. Посилання на коментар Поділитися на інших сайтах More sharing options...
Interso Опубліковано: 16 жовтня 2010 Поділитись Опубліковано: 16 жовтня 2010 А не создаст ли обратный клапан сильного сопротивления для циркуляции воды? У меня очень большие ветки по длине (это производственное помещение) правда насос я думаю ставить 32-8 Несоздаст. Посилання на коментар Поділитися на інших сайтах More sharing options...
Interso Опубліковано: 16 жовтня 2010 Поділитись Опубліковано: 16 жовтня 2010 А не создаст ли обратный клапан сильного сопротивления для циркуляции воды? У меня очень большие ветки по длине (это производственное помещение) правда насос я думаю ставить 32-8 Это если у большого контура есть достаточное гидросопротивление Хоть какое сопротивление даже равное байпасу с двухходовым клапаном, а этого никогда небудет даже с очень короткими ветками. Посилання на коментар Поділитися на інших сайтах More sharing options...
Winder Опубліковано: 17 жовтня 2010 Поділитись Опубліковано: 17 жовтня 2010 Мощность котла 50квт Посмотрел клапана ,НО как я понял термостатический клапан ESBE полностью перкрывает подачу воды в систему (работает по малому кругу)пока температура не достигнет порога например 55 гр,лиш затем он приоткрывается и начинает пускать воду по большому кольцу.В таком случае котел быстро закипит или насос системный просто завоет! Смотрите во вложении раздел функционирование Вот выдержка из описания-"Входы 1 и 3 всегда открыты, позволяя циркулировать теплоносителю по малому кругу и обеспечивая высокую температуру теплоносителя на входе в котел. Высокая температура теплоносителя в возвратном трубопроводе на входе в котел, повышает КПД, снижает образование сажи и продлевает срок службы котла." Поправте если я не прав Ерунду пишите, полвека их выпускают и ставят, а тут пришёл КУЛИБИН, немного подумал и выдал - работать не будет, закипит:D Как только температура поднимется более чем на 10гр, т.е. станет 65гр. клапан открывается полностью.;) Посилання на коментар Поділитися на інших сайтах More sharing options...
-КУЛИБИН- Опубліковано: 17 жовтня 2010 Автор Поділитись Опубліковано: 17 жовтня 2010 Все интересней. У меня вопрос, какой нужен объбем теплоносителя (л/час) и какой температуры, чтобы фанкойлы выдали эту мощность. Теплоноситель нужен не менее 70гр ,идеально 80гр Я указал диметр пластикой трубы наружный 40мм,внутренний у нее 25мм соответственно у 32 и того меньше В фанкойлы выход и вход 1/2 дюйма Оборотами вентилятора на фанкойлах можно управлять соответсвенно меняя снимаемую мощность.. Посилання на коментар Поділитися на інших сайтах More sharing options...
-КУЛИБИН- Опубліковано: 17 жовтня 2010 Автор Поділитись Опубліковано: 17 жовтня 2010 Ерунду пишите, полвека их выпускают и ставят, а тут пришёл КУЛИБИН, немного подумал и выдал - работать не будет, закипит:D Как только температура поднимется более чем на 10гр, т.е. станет 65гр. клапан открывается полностью.;) Я не утверждаю а рассуждаю и советуюсь... Как мне кажется єтот вариант немного проигрывает перед подмесом термо головкой тк если вдруг например температура обратки упадет до 50 гр (термостат на 55)и я не смогу ее поднять то мое отопление вообще работать не будет И вариант второй если этот клапан например заклинит в закрытом состоянии то тоже понимаем ,что будет а если заклинит термо головка то криминала не будет... Я не спорю с Вами а лиш советуюсь Посилання на коментар Поділитися на інших сайтах More sharing options...
Winder Опубліковано: 17 жовтня 2010 Поділитись Опубліковано: 17 жовтня 2010 Я не утверждаю а рассуждаю и советуюсь... Как мне кажется єтот вариант немного проигрывает перед подмесом термо головкой тк если вдруг например температура обратки упадет до 50 гр (термостат на 55)и я не смогу ее поднять то мое отопление вообще работать не будет Блин, если температура обратки упадёт, то термоклапаном будет подмешиватся горячая вода из подачи. Вам её поднимать не нужно:D И вариант второй если этот клапан например заклинит в закрытом состоянии то тоже понимаем ,что будет а если заклинит термо головка то криминала не будет... Я не спорю с Вами а лиш советуюсь А если, например, насос заклинит, что будет в этом случае?;) Посилання на коментар Поділитися на інших сайтах More sharing options...
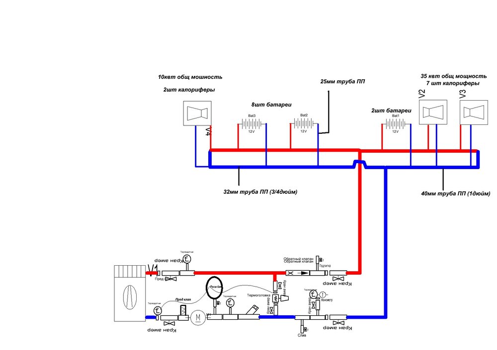
-КУЛИБИН- Опубліковано: 17 жовтня 2010 Автор Поділитись Опубліковано: 17 жовтня 2010 Вот так примерно я вижу схемку в целом Буду признателен за комментарии Посилання на коментар Поділитися на інших сайтах More sharing options...
Interso Опубліковано: 17 жовтня 2010 Поділитись Опубліковано: 17 жовтня 2010 Вот так примерно я вижу схемку в целом Буду признателен за комментарии Поставте на обратку розширительный бак и предохранительный клапан, между насосом и котлом. Посилання на коментар Поділитися на інших сайтах More sharing options...
Winder Опубліковано: 17 жовтня 2010 Поділитись Опубліковано: 17 жовтня 2010 Я б таки ГС поставил, одну ветку на радиаторы а вторую на калориферы Кстати, Вы уже нашли двухходовой термоклапан с подходящим Kvs? Посилання на коментар Поділитися на інших сайтах More sharing options...
-КУЛИБИН- Опубліковано: 17 жовтня 2010 Автор Поділитись Опубліковано: 17 жовтня 2010 Я б таки ГС поставил, одну ветку на радиаторы а вторую на калориферы Но тогда потребуется уже ставить гребенку.... Кстати, Вы уже нашли двухходовой термоклапан с подходящим Kvs? Нет не нашел...для меня Kvs как темній лес.... Может поможете? Посилання на коментар Поділитися на інших сайтах More sharing options...
-КУЛИБИН- Опубліковано: 17 жовтня 2010 Автор Поділитись Опубліковано: 17 жовтня 2010 Я б таки ГС поставил, одну ветку на радиаторы а вторую на калориферы Тогда потребуется ставить гребенку... Посилання на коментар Поділитися на інших сайтах More sharing options...
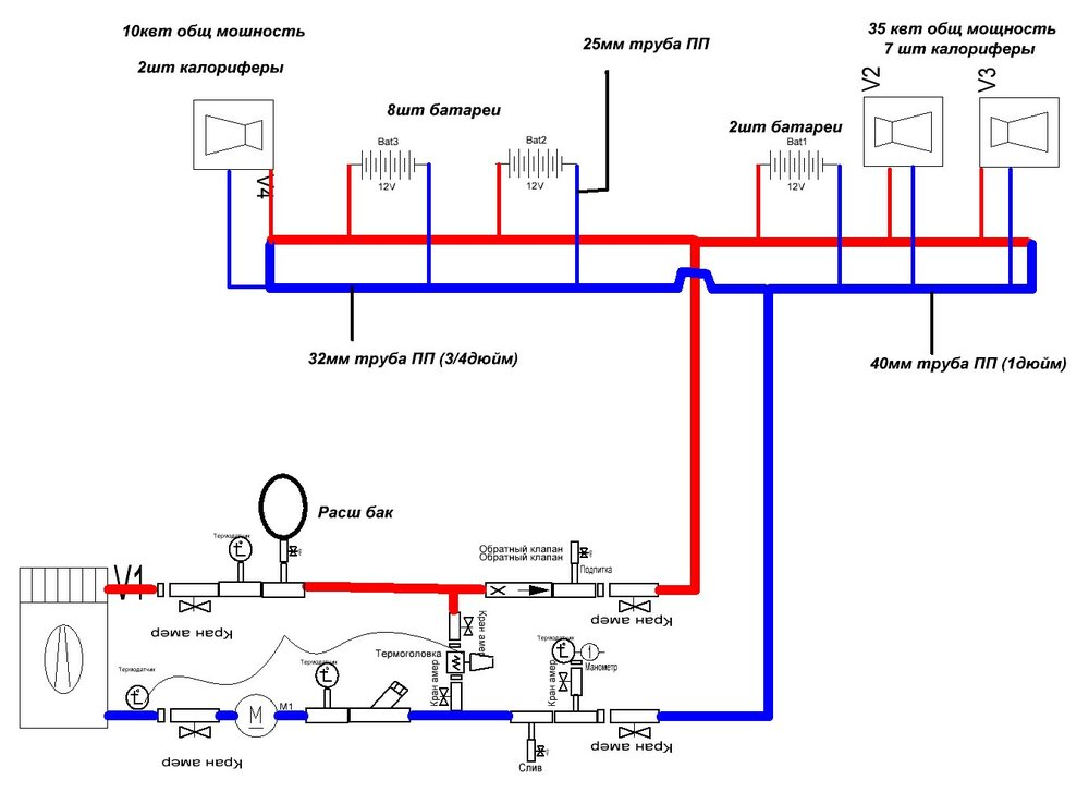
-КУЛИБИН- Опубліковано: 17 жовтня 2010 Автор Поділитись Опубліковано: 17 жовтня 2010 Поставте на обратку розширительный бак и предохранительный клапан, между насосом и котлом. Так правильно? Посилання на коментар Поділитися на інших сайтах More sharing options...
murava Опубліковано: 18 жовтня 2010 Поділитись Опубліковано: 18 жовтня 2010 Это ты про диаметры труб намекаешь? Он мягко и тихо намекает на то, что во-первых по ппр не всегда погонишь такой кипяток, тоесть скорее всего режимы прийдется понижать. Как только понизим режимы - нужн знать расход через фенкойлы для выхода на номинал по мощности - и тут нас ждет засада, ибо почти стопроцентно для фенкойлов нужно ставить свои группы циркуляции, свое смешение и свое байпассирование. Как только к фенкойлам добавляются радиаторы - цирк продолжается ибо для выхода в номинал расходы носителя через эти приборы при равном температурном режиме категорически различаются. Дополнение - котел 50 кВт. Вывод таков, что классическая гидрострелка маст хев, циркуляцию и режимы считать, крепко думать и не делать резких движений. Посилання на коментар Поділитися на інших сайтах More sharing options...
-КУЛИБИН- Опубліковано: 18 жовтня 2010 Автор Поділитись Опубліковано: 18 жовтня 2010 Он мягко и тихо намекает на то, что во-первых по ппр не всегда погонишь такой кипяток, тоесть скорее всего режимы прийдется понижать. Как только понизим режимы - нужн знать расход через фенкойлы для выхода на номинал по мощности - и тут нас ждет засада, ибо почти стопроцентно для фенкойлов нужно ставить свои группы циркуляции, свое смешение и свое байпассирование. Как только к фенкойлам добавляются радиаторы - цирк продолжается ибо для выхода в номинал расходы носителя через эти приборы при равном температурном режиме категорически различаются. Дополнение - котел 50 кВт. Вывод таков, что классическая гидрострелка маст хев, циркуляцию и режимы считать, крепко думать и не делать резких движений.[/QU Благодарю Вас за внимание Такую систему с такими же фанкойлами мой знакомый уже эксплуатирует второй год. Никаких байпасов возле фанкойлов нет и все хорошо работает,правда радиатора стоят отдельной веткой. Все разведено обычной ПП трубой и температура подачи 80гр Еще одно отличие у него возле котла стоит подкова из трубы 100м по котрой отдельный насос гоняет воду а уже из подковы отбирайт насосы. Меня отговаривают от подковы мотивируя тем ,что если неправильно рсчитать насосы то подкова будет кипяток а стрелки будут плохо работать. ХУХ помоему все.. Посилання на коментар Поділитися на інших сайтах More sharing options...
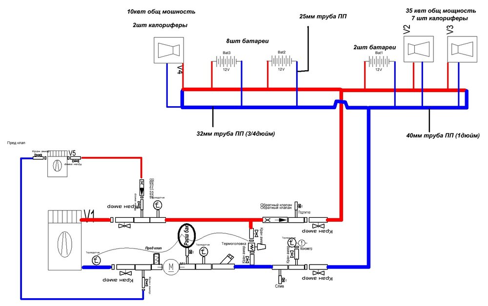
-КУЛИБИН- Опубліковано: 18 жовтня 2010 Автор Поділитись Опубліковано: 18 жовтня 2010 Задумался сразу предусмотреть вариант возможности на вариант нехватки мощности котла сделать выводы под доп котел Если это будет выглядеть так как на фото,работать будет? Заранее сенкс Посилання на коментар Поділитися на інших сайтах More sharing options...
murava Опубліковано: 18 жовтня 2010 Поділитись Опубліковано: 18 жовтня 2010 Такую систему с такими же фанкойлами мой знакомый уже эксплуатирует второй год. ... Если это может быть для Вас аргументом в выборе - вперед за орденами. Я говорю как сделать правильно и верно, остальное - Ваш личный выбор и Ваша личная ответственность, которая будет потом сводится к всем известному " ... а шо тут какого, всегда так делали...". .... Еще одно отличие у него возле котла стоит подкова из трубы 100м по котрой отдельный насос гоняет воду а уже из подковы отбирайт насосы. Я не знаю что такое " подкова". Гидрострелка в классике выглядит вот так как на рисунке... При нормальном расчете заставить эту схему не работать надо иметь недюжинную фантазию.... Посилання на коментар Поділитися на інших сайтах More sharing options...
-КУЛИБИН- Опубліковано: 18 жовтня 2010 Автор Поділитись Опубліковано: 18 жовтня 2010 [ Я не знаю что такое " подкова". Гидрострелка в классике выглядит вот так как на рисунке... При нормальном расчете заставить эту схему не работать надо иметь недюжинную фантазию.... Примерно тж самое только обьясните мне пж ЗАЧЕМ делать эту бочку и увеличивать обьем воды ??? Я так понимаю только если нужно делать много отдельных веток ? Посилання на коментар Поділитися на інших сайтах More sharing options...
murava Опубліковано: 18 жовтня 2010 Поділитись Опубліковано: 18 жовтня 2010 Примерно тж самое только обьясните мне пж ЗАЧЕМ делать эту бочку и увеличивать обьем воды ??? Я так понимаю только если нужно делать много отдельных веток ? Диаметр "бочки" почти всегда может быть четко посчитан на скорость движеня носителя по "бочке" не более 0,3 м/с, что нормируется для отделения шлама и мусора. Посилання на коментар Поділитися на інших сайтах More sharing options...
-КУЛИБИН- Опубліковано: 18 жовтня 2010 Автор Поділитись Опубліковано: 18 жовтня 2010 Диаметр "бочки" почти всегда может быть четко посчитан на скорость движеня носителя по "бочке" не более 0,3 м/с, что нормируется для отделения шлама и мусора. ЯСНО....пошли в дебри расчетов.... Практически никто из тех кто делает отопление углубленным унализм и просчетом не занимается....У меня нет таких знаний....Приглашать на производственный обьект супер спецов ,нет средств.... Посилання на коментар Поділитися на інших сайтах More sharing options...
murava Опубліковано: 18 жовтня 2010 Поділитись Опубліковано: 18 жовтня 2010 Практически никто из тех кто делает отопление углубленным унализм и просчетом не занимается.... То кто им виноват, что любой аргумент потом звучит " ну мы не знаем что случилось, мы всегда так делали!?" .... Ваша система очень проста в концепции - развяжитесь через гидрострелку, в которую можно при желании загнать любой количество котлов и сделать сколько угодно цепей разбора тепла. Подмес обратки котла тут вообще прост и реализуется как уже указали - одним трехходовиком без всяких наворотов. На радиаторы - отдельный стояк + отдельный насос. На фенкойлы - отдельный стояк и отдельный насос. Предварительно насосы таки прийдется посчитать (!), никуда не деться. Или брать на добрый русский "авось", про всяк случай с троекратным запасом. А уже автоматизация этого дела - вопрос фантазии и средств. Посилання на коментар Поділитися на інших сайтах More sharing options...
-КУЛИБИН- Опубліковано: 18 жовтня 2010 Автор Поділитись Опубліковано: 18 жовтня 2010 То кто им виноват, что любой аргумент потом звучит " ну мы не знаем что случилось, мы всегда так делали!?" .... Ваша система очень проста в концепции - развяжитесь через гидрострелку, в которую можно при желании загнать любой количество котлов и сделать сколько угодно цепей разбора тепла. Подмес обратки котла тут вообще прост и реализуется как уже указали - одним трехходовиком без всяких наворотов. На радиаторы - отдельный стояк + отдельный насос. На фенкойлы - отдельный стояк и отдельный насос. Предварительно насосы таки прийдется посчитать (!), никуда не деться. Или брать на добрый русский "авось", про всяк случай с троекратным запасом. Получается нужен один насос который будет гонять по стрелке и отдельно по насосу на каждую ветку? Как расчитать какой размер гидросмесителя. У меня есть труба диаметро 100мм (какой длины она должна быть)? А насосы...... Посилання на коментар Поділитися на інших сайтах More sharing options...
Рекомендовані повідомлення
Створіть акаунт або увійдіть у нього для коментування
Ви маєте бути користувачем, щоб залишити коментар
Створити акаунт
Зареєструйтеся для отримання акаунта. Це просто!
Зареєструвати акаунтУвійти
Вже зареєстровані? Увійдіть тут.
Увійти зараз