mute Опубліковано: 9 грудня 2010 Поділитись Опубліковано: 9 грудня 2010 Не буду вдаваться в подробности как это всё появилось, хотелось бы услышать, а лучше увидеть,что с этим сделать. Можно ли обойтись каким нибудь тюнингом или только координальное вмешетельство? Самое интересное ОНО работает всё греет но........ не управляеться и уж точно неэкономно ИМХО. Собственно ОНО: Посилання на коментар Поділитися на інших сайтах More sharing options...
Сергей 31 Опубліковано: 9 грудня 2010 Поділитись Опубліковано: 9 грудня 2010 Еще бы схему системы отопления. Посилання на коментар Поділитися на інших сайтах More sharing options...
mute Опубліковано: 9 грудня 2010 Автор Поділитись Опубліковано: 9 грудня 2010 Еще бы схему системы отопления. Пока могу только устно: Там где синий насос это контур на отопление: Stabi 25, отводы на радиаторы 20. Там где красный насос контур на теплые полы: 3 ветки 16 металопласт, 1 ветка длина 75м 2 ------------ 30м 3------------- 20м Ну вот...... Посилання на коментар Поділитися на інших сайтах More sharing options...
Сергей 31 Опубліковано: 9 грудня 2010 Поділитись Опубліковано: 9 грудня 2010 Работать будет. Из минусов, пол будет не теплый, а горячий. Если смутит температура пола, поставьте ТМ 200. Работа по такой переделке займет 3-4 часа. 1 Посилання на коментар Поділитися на інших сайтах More sharing options...
mute Опубліковано: 9 грудня 2010 Автор Поділитись Опубліковано: 9 грудня 2010 Работать будет. Из минусов, пол будет не теплый, а горячий. Если смутит температура пола, поставьте ТМ 200. Работа по такой переделке займет 3-4 часа. А что такое ТМ 200? В идеале хочеться поставить каких нибудь девайсов чтоб оно как-то само температурой, насосами управляло, только вот в этих девайсах я не сильно шарю,а поставить не вопрос отопление, воду всё сам делал, кроме этого паука. Посилання на коментар Поділитися на інших сайтах More sharing options...
test3210 Опубліковано: 10 грудня 2010 Поділитись Опубліковано: 10 грудня 2010 А что такое ТМ 200? в двух словах терморегулятор первое что дал гугль с описанием ekomarket.ru/product/217 2 Посилання на коментар Поділитися на інших сайтах More sharing options...
AndrejKiev Опубліковано: 10 грудня 2010 Поділитись Опубліковано: 10 грудня 2010 не управляеться и уж точно неэкономно ИМХО. Собственно ОНО: В Вашем случае, скорее не комфортно. Не экономно, когда "тепло на ветер". Ну "ахтунг" но не "ахтунг, ахтунг". Все доступно и прозрачно, легко апгрейдится. 2 Посилання на коментар Поділитися на інших сайтах More sharing options...
mute Опубліковано: 10 грудня 2010 Автор Поділитись Опубліковано: 10 грудня 2010 В Вашем случае, скорее не комфортно. Не экономно, когда "тепло на ветер". Ну "ахтунг" но не "ахтунг, ахтунг". Все доступно и прозрачно, легко апгрейдится. Вот про апгрейд хотелось бы поподробнее. С уважением.............. Посилання на коментар Поділитися на інших сайтах More sharing options...
mute Опубліковано: 10 грудня 2010 Автор Поділитись Опубліковано: 10 грудня 2010 наверное все на работе Посилання на коментар Поділитися на інших сайтах More sharing options...
Interso Опубліковано: 10 грудня 2010 Поділитись Опубліковано: 10 грудня 2010 Вот про апгрейд хотелось бы поподробнее. Вот схема к ТМ 200.ТМ200.bmp 2 Посилання на коментар Поділитися на інших сайтах More sharing options...
mute Опубліковано: 10 грудня 2010 Автор Поділитись Опубліковано: 10 грудня 2010 ТМ 200 и всё? Больше никаких модных штучек? ОК, только где купить, по Донецку поиск ничего не выдает. С уважением........ Посилання на коментар Поділитися на інших сайтах More sharing options...
Interso Опубліковано: 10 грудня 2010 Поділитись Опубліковано: 10 грудня 2010 Устанавливаете ТМ200, а дальше устанавливаете диференциальный клапан между подачей и обраткой, вместо ваших кранов на ветки устанавливаете термовентили с термоэлектрическими головками к ним подключаете комнатные термостаты. Таким образом у вас каждая зона по ТП будет управлятся. а если ещё доработать то и насос можно отключать когда все ветки закрыты. Посилання на коментар Поділитися на інших сайтах More sharing options...
mute Опубліковано: 10 грудня 2010 Автор Поділитись Опубліковано: 10 грудня 2010 С ТМ 200 вроде разобрался, а диф.клапан, это который ещё байпасный называеться? В какое место между подачей и обраткой его врезать? Схематически по моим фото можно показать? По поводу термоголовок, как к ним подсоединить датчики каждой ветки если полы находяться на расстоянии 10м от гребенки. С уважением.............. Посилання на коментар Поділитися на інших сайтах More sharing options...
Interso Опубліковано: 10 грудня 2010 Поділитись Опубліковано: 10 грудня 2010 С ТМ 200 вроде разобрался, а диф.клапан, это который ещё байпасный называеться? В какое место между подачей и обраткой его врезать? Схематически по моим фото можно показать? По поводу термоголовок, как к ним подсоединить датчики каждой ветки если полы находяться на расстоянии 10м от гребенки. С уважением.............. Вот вам схема, вместо кранов устанавливаете радиаторные термовентили прямые и под них подбираете термоэлектрические головки и с помощью проводов подключаете к комнатным термостатам.Doc1.doc 1 Посилання на коментар Поділитися на інших сайтах More sharing options...
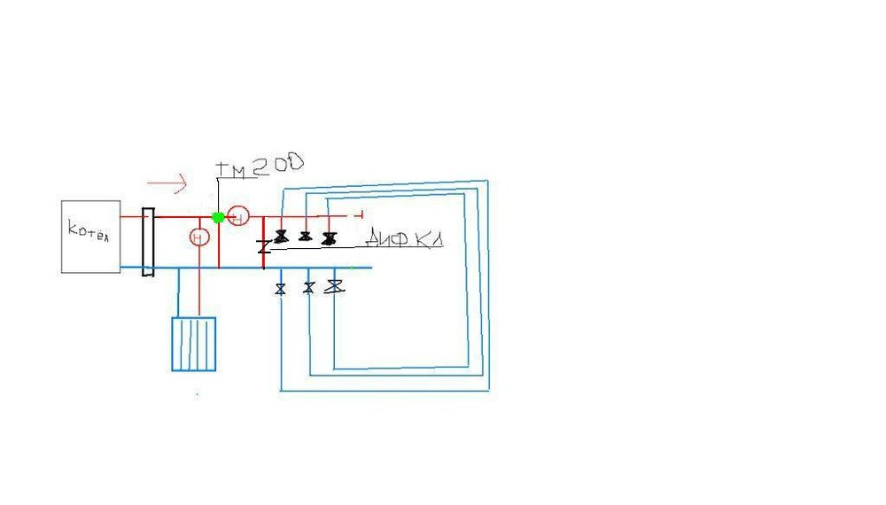
mute Опубліковано: 10 грудня 2010 Автор Поділитись Опубліковано: 10 грудня 2010 Вот нарисовал как получилось, таким способом всё подключаеться? Если пока не ставить вентеля с термоголоками на ТП нужен ли диф.клапан? Если все три контура ТП находяться в одном помещении можно поставить один термо вентиль на общую подачу ТП? С уважением................. Посилання на коментар Поділитися на інших сайтах More sharing options...
Interso Опубліковано: 11 грудня 2010 Поділитись Опубліковано: 11 грудня 2010 Вот нарисовал как получилось, таким способом всё подключаеться? Если пока не ставить вентеля с термоголоками на ТП нужен ли диф.клапан? Если все три контура ТП находяться в одном помещении можно поставить один термо вентиль на общую подачу ТП? С уважением................. Если вы так сделаете то у вас вообще ничего работать небудет. Ещё раз пройдитесь по хеме ,подумайте неспеша и найдите допущенную ошибку а если точно то ошибки.;) Посилання на коментар Поділитися на інших сайтах More sharing options...
mute Опубліковано: 11 грудня 2010 Автор Поділитись Опубліковано: 11 грудня 2010 Если вы так сделаете то у вас вообще ничего работать небудет. Ещё раз пройдитесь по хеме ,подумайте неспеша и найдите допущенную ошибку а если точно то ошибки.;) А может так ? Посилання на коментар Поділитися на інших сайтах More sharing options...
Interso Опубліковано: 11 грудня 2010 Поділитись Опубліковано: 11 грудня 2010 А может так ? Во, это уже лучше, осталась одна ошибка с подключением ТМ200.tm200-cat-ru01r0606.pdf Посилання на коментар Поділитися на інших сайтах More sharing options...
mute Опубліковано: 11 грудня 2010 Автор Поділитись Опубліковано: 11 грудня 2010 Во, это уже лучше, осталась одна ошибка с подключением ТМ200. Да, что-то я запутался в двух трубах. Так? Посилання на коментар Поділитися на інших сайтах More sharing options...
Interso Опубліковано: 11 грудня 2010 Поділитись Опубліковано: 11 грудня 2010 Да, что-то я запутался в двух трубах. Так? Да так,теперь покупайте и собирайте.;) 1 Посилання на коментар Поділитися на інших сайтах More sharing options...
mute Опубліковано: 11 грудня 2010 Автор Поділитись Опубліковано: 11 грудня 2010 Да так,теперь покупайте и собирайте.;) Ага, покупайте, чтото я в Донецке пока найти не могу ТМ200. С уважением.......... Посилання на коментар Поділитися на інших сайтах More sharing options...
murava Опубліковано: 11 грудня 2010 Поділитись Опубліковано: 11 грудня 2010 Ага, покупайте, чтото я в Донецке пока найти не могу ТМ200. С уважением.......... Найдите вот такую штуку или похожую - сути сие не меняет.R156 (2).pdf 1 Посилання на коментар Поділитися на інших сайтах More sharing options...
mute Опубліковано: 11 грудня 2010 Автор Поділитись Опубліковано: 11 грудня 2010 Найдите вот такую штуку или похожую - сути сие не меняет. Сколько примерно он должен стоить если настоящий? Видел краны шаровые giacomini так у них цена как на обычный no name 100% левак. С уважением............... Посилання на коментар Поділитися на інших сайтах More sharing options...
murava Опубліковано: 11 грудня 2010 Поділитись Опубліковано: 11 грудня 2010 Сколько примерно он должен стоить если настоящий? Видел краны шаровые giacomini так у них цена как на обычный no name 100% левак. . В розницу от 43Е до 56Е в типоразмерах 3/4" и 1". Арматура сия не шибко дорогая, так что не заморачивайтесь. Посилання на коментар Поділитися на інших сайтах More sharing options...
mute Опубліковано: 11 грудня 2010 Автор Поділитись Опубліковано: 11 грудня 2010 В розницу от 43Е до 56Е в типоразмерах 3/4" и 1". Арматура сия не шибко дорогая, так что не заморачивайтесь. Дело особо не в цене, просто нехочеться однажды морозной ночью смотреть как всёэто китайское г..... развалилось в котельной. Посилання на коментар Поділитися на інших сайтах More sharing options...
Рекомендовані повідомлення
Створіть акаунт або увійдіть у нього для коментування
Ви маєте бути користувачем, щоб залишити коментар
Створити акаунт
Зареєструйтеся для отримання акаунта. Це просто!
Зареєструвати акаунтУвійти
Вже зареєстровані? Увійдіть тут.
Увійти зараз