Алексей_og Опубліковано: 31 січня 2011 Поділитись Опубліковано: 31 січня 2011 (змінено) Предлагаю обсудить плюсы минусы разных конструкционных схем тепловых аккумуляторов (ТА). А после поговорить о расчете ТА и змеевика. 1 - стандартная схема со змеевиком - только герметичный 2 - теплоноситель проходит через котел, затем через ТА, а потом сразу в СО (смотрите второе и третье вложение для этого варианта), при отключенном котле теплоноситель проходит по кругу через ТА - возможен не герметичный вариант 3 - конструкция с двумя независимыми змеевиками для котла и для СО - возможен не герметичный вариант 4 - упрощенная конструкция ТА без змеевиков - только герметичный Змінено 31 січня 2011 користувачем Алексей_og Посилання на коментар Поділитися на інших сайтах More sharing options...
GeoTeplo Опубліковано: 31 січня 2011 Поділитись Опубліковано: 31 січня 2011 Объясните мне популярно, если СО закрытая, то зачем делать гидравлическое разделение котла и СО при помощи змеевиков в баке ТА? Посилання на коментар Поділитися на інших сайтах More sharing options...
Алексей_og Опубліковано: 31 січня 2011 Автор Поділитись Опубліковано: 31 січня 2011 (змінено) Объясните мне популярно, если СО закрытая, то зачем делать гидравлическое разделение котла и СО при помощи змеевиков в баке ТА? Это в том случае чтоб упростить (удешевить) ТА - его можно сделать не герметичным, как и на этой схеме (там изображен 2-й вариант нашего ТА, но негерметичный можно сделать и 3-й вариант с двумя змеевиками): Повторюсь - цель этой темы выбрать и сделать (заказать) оптимальный по цене ТА, а не купить из готовых вариантов, представленных на рынке по невменяемым ценам! Змінено 31 січня 2011 користувачем Алексей_og Посилання на коментар Поділитися на інших сайтах More sharing options...
Алексей_og Опубліковано: 1 лютого 2011 Автор Поділитись Опубліковано: 1 лютого 2011 Наверное эта тема никого не интересует - все покупают готовые по 1500-3000 евро Посилання на коментар Поділитися на інших сайтах More sharing options...
GeoTeplo Опубліковано: 1 лютого 2011 Поділитись Опубліковано: 1 лютого 2011 Наверное эта тема никого не интересует - все покупают готовые по 1500-3000 евро Не там смотрели ;) Посилання на коментар Поділитися на інших сайтах More sharing options...
kiriljan Опубліковано: 1 лютого 2011 Поділитись Опубліковано: 1 лютого 2011 про подбор ёмкости ТАsolidboilersystem.pdf 1 Посилання на коментар Поділитися на інших сайтах More sharing options...
Алексей_og Опубліковано: 1 лютого 2011 Автор Поділитись Опубліковано: 1 лютого 2011 Какой вариант конструкции ТА из 4-х более приемлемый на Ваш взгляд? Посилання на коментар Поділитися на інших сайтах More sharing options...
Elado Опубліковано: 1 лютого 2011 Поділитись Опубліковано: 1 лютого 2011 Какой вариант конструкции ТА из 4-х более приемлемый на Ваш взгляд? Предпочитаю вариант с открытой СО между ТТ-ТА, ТА-потребители ч/з теплообменник. Достоинства- 1. ТА можно сделать или заказать согласно размерам помещения, утепляется любыми материалами вусмерть 2. Долив в ТА-ТТ через датчик уровня или поплавковый. 3. Возможно подключение любых потребителей/теплогенераторов ч/з доп. ТО. Посилання на коментар Поділитися на інших сайтах More sharing options...
Алексей_og Опубліковано: 2 лютого 2011 Автор Поділитись Опубліковано: 2 лютого 2011 Предпочитаю вариант с открытой СО между ТТ-ТА, ТА-потребители ч/з теплообменник. ТО. Это практически 1-й вариант на нашей схеме, только зеркально отображенный. И еще добавлю что в Вашем варианте (открытой СО между ТТ-ТА) можно задействовать естественную циркуляцию между ТА-ТТ как запасной вариант. Посилання на коментар Поділитися на інших сайтах More sharing options...
Elado Опубліковано: 2 лютого 2011 Поділитись Опубліковано: 2 лютого 2011 Это практически 1-й вариант на нашей схеме, только зеркально отображенный. И еще добавлю что в Вашем варианте (открытой СО между ТТ-ТА) можно задействовать естественную циркуляцию между ТА-ТТ как запасной вариант. Можно. Но в таком случае можно забыть о защите ТТ котла по обратке (3хходовой или ладдомат), он работает только с насосом. Посилання на коментар Поділитися на інших сайтах More sharing options...
Алексей_og Опубліковано: 2 лютого 2011 Автор Поділитись Опубліковано: 2 лютого 2011 (змінено) Вот нашел инфо на разных форумах по расчету ТА: Давайте так - пример расчета ТА: Теплопотери_______________________________________ _7кВт, Суточная потребность в энергии_______________________7х24=168кВт*ч Мощность котла_____________________________________12кВт, Максимальное время горения в номинальном режиме_____14часов, Максимальная температура нагрева ТА_________________80°С, Необходимый заряд в ТА______________________________(24-14)х7=70кВт*ч Расчетная температура теплоносителя: Если у нас радиаторы_________________________________60°С Если ТП_____________________________________________40°С Необходимый объем ТА при радиаторах__________________70/((80-60)*4,2/3600)=3000кг Необходимый объем ТА при ТП__________________________70/((80-40)*4,2/3600)=1500кг Будем топить одинаково, что при отоплении с ТП, что при отоплении с радиаторами. При ТП будет 1500кг ТА остывать с 80°С до 40°С. При радиаторах 3000кг ТА с 80°С до 60°С. Приблизительный расчет бака – аккумулятора для коттеджа, площадью 150 м2: Максимальная мощность, требуемая для отопления данного здания (по СНиПу tmin 0С = --26 0С) ~ 15 кВт (теплопотери 100 Вт/м2) Средняя расчетная мощность (по СНиПу tср 0С = --3 0С) ~ 7,0 кВт. «Ночной» тариф с 21.00 до 6.00 (9 часов), то есть, нерабочее время котла составит 15 часов. Среднерассчетный день должен составить: 7 кВт х 15 часов = 105 кВт 1 м3 при охлаждении на 1 0С теряет 1,16 кВт (1 ккал) Рабочий температурный диапазон бойлера составит: - максимальный нагрев до +90 0С - отбор тепла до +60 0С то есть с 1 м3 будет отобрано 90-60=?30 0С или 30 х 1,16 = 34,8 кВт тепла. Чтобы удовлетворить потребность дома в дневное время (котел отключен) необходим бойлер 105 кВт ? 34,8 ~ 3,0 м3 (для среднерассчетной температуры) По результату расчета, дому, площадью 150 м2, при переходе на «ночной» тариф, то есть, работа котла только в «ночное» время, требуется бойлер не менее 3 м3 для компенсации тепловых потерь в дневное время (среднерассчетная температура) или 5 м3 для компенсации тепловых потерь в дневное время при минимальной температуре окружающего воздуха. Формула для определения мощности ТА или его объема (массы), если известна требуемая мощность: (ссылка на изображение устарела) Змінено 2 лютого 2011 користувачем Алексей_og Посилання на коментар Поділитися на інших сайтах More sharing options...
Алексей_og Опубліковано: 2 лютого 2011 Автор Поділитись Опубліковано: 2 лютого 2011 Вот вам формула для расчёта площади змеевика (PipilatsMotors): M2 = kW/(0,8 x ∆t) Где, M2 - площадь трубы змеевика в квадратных метрах. kW – Мощность теплопередачи в киловатах. 0,8 – коофициент теплопроводности меди/воды при условии противотока сред. ∆t – разность температуры воды на входе и выходе системы . Если хотите дельту 5 градусов, возьмите не 30метров 20-й меди а 90м. Посилання на коментар Поділитися на інших сайтах More sharing options...
Алексей_og Опубліковано: 8 лютого 2011 Автор Поділитись Опубліковано: 8 лютого 2011 Какой все таки геморой иметь твердотопливный котел: - затраты на оборудование на порядок Выше чем для газа и электричества - купить котел, сделать дорогой дымоход, организовать подмес в котел, поставить ТА, поставить бойлер, смесители для теплых полов. Все это надо правильно рассчитать. Еще желательно выделить отдельное помещение для ТКотла. - а потом не ездить на работу, а все время быть у котла - убирать золу и подбрасывать каждые 4 часа дрова, которые нужно привезти, подготовить и сложить (для дров еще нужно помещение или хороший навес). Всем спасибо за ответы!!! Пошел бурить газ Посилання на коментар Поділитися на інших сайтах More sharing options...
Сергей_84 Опубліковано: 8 лютого 2011 Поділитись Опубліковано: 8 лютого 2011 Наверное эта тема никого не интересует - все покупают готовые по 1500-3000 евро почему же 1000л 950 евро Посилання на коментар Поділитися на інших сайтах More sharing options...
АлексейБелояр Опубліковано: 8 лютого 2011 Поділитись Опубліковано: 8 лютого 2011 Можно. Но в таком случае можно забыть о защите ТТ котла по обратке (3хходовой или ладдомат), он работает только с насосом. Тогда будет защита в расширительном баке наверху, даже, если закипит, то там. Посилання на коментар Поділитися на інших сайтах More sharing options...
Elado Опубліковано: 8 лютого 2011 Поділитись Опубліковано: 8 лютого 2011 Тогда будет защита в расширительном баке наверху, даже, если закипит, то там. Я не про закипание, а про защиту котла от низкой температуры обратки. Если туда поставить 3хходовой, то при ЕЦ это работать не будет. Посилання на коментар Поділитися на інших сайтах More sharing options...
АлексейБелояр Опубліковано: 8 лютого 2011 Поділитись Опубліковано: 8 лютого 2011 (змінено) Я не про закипание, а про защиту котла от низкой температуры обратки. Если туда поставить 3хходовой, то при ЕЦ это работать не будет. Так, чего и насос на ЕЦ можно ставить, ладдомат может работать с ЕЦ. У Виссманна есть схемы компоновки. А вы за какой 3х-ходовик? Змінено 8 лютого 2011 користувачем АлексейБелояр Посилання на коментар Поділитися на інших сайтах More sharing options...
Elado Опубліковано: 8 лютого 2011 Поділитись Опубліковано: 8 лютого 2011 Так, чего и насос на ЕЦ можно ставить, ладдомат может работать с ЕЦ. У Виссманна есть схемы компоновки. А вы за какой 3х-ходовик? Я ладдоматы не ставлю, ввиду их небожеской цены. 3хходовой предустановленный типа этого (ссылка устарела) Если на ЕЦ поставить насос, это уже не совсем ЕЦ. Точнее совсем не ЕЦ. Это ПЦ. Точнее ПипЕЦ! Посилання на коментар Поділитися на інших сайтах More sharing options...
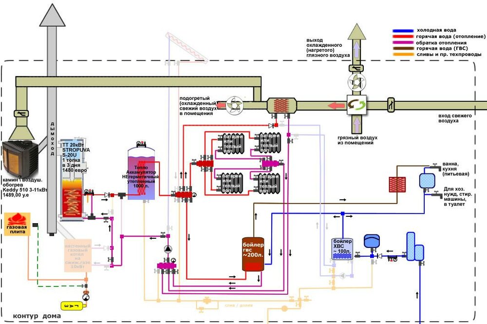
Petrovith Опубліковано: 8 лютого 2011 Поділитись Опубліковано: 8 лютого 2011 Ребята а вот чем плоха эта схема. Я хочу как раз такую делать. Только тт котел подключить к ТА методом естественной циркуляции. Кто что скажет? Посилання на коментар Поділитися на інших сайтах More sharing options...
Elado Опубліковано: 8 лютого 2011 Поділитись Опубліковано: 8 лютого 2011 Ребята а вот чем плоха эта схема. Я хочу как раз такую делать. Только тт котел подключить к ТА методом естественной циркуляции. Кто что скажет? Схема всем хороша, но зачем тут ЕЦ на ТТ котле, при том, что вокруг туева куча насосов. Ставьте ИБП на ТТ котел и все. А лучше ИБП на всю схему, плюс генератор в гаражике. Схема богатенькая, причем буквально. Один ТА - ох и потянет пенензов. Управление тоже не из простых. Эта схема хороша , когда используются ВСЕ источники, а не от случая к случаю топим ТТ, а солнце только летом. Посилання на коментар Поділитися на інших сайтах More sharing options...
Petrovith Опубліковано: 8 лютого 2011 Поділитись Опубліковано: 8 лютого 2011 Я не специалист в этом деле но и предыдущие схемы тоже помоему не дешевые. Насчет тт котла я хочу подключить его именно методом естественной циркуляции. Об этом и спрашиваю возможность сего. Сам та собираюсь делать сам. И почему эта схема только при использовании всех источников сразу. Я например планирую сначала подключить только газ. Затем тт котел. Ну и в будущем солнце. Кроме того думаю еще использовать как то тепло сброса вод.( ванна душ мойка. Девченки в семье. Две ванны ежедневно. Ну душ тоже.) Так же у меня еще и бассейн кубов на 20 греть надо. Посилання на коментар Поділитися на інших сайтах More sharing options...
Elado Опубліковано: 8 лютого 2011 Поділитись Опубліковано: 8 лютого 2011 Я не специалист в этом деле но и предыдущие схемы тоже помоему не дешевые. Насчет тт котла я хочу подключить его именно методом естественной циркуляции. Об этом и спрашиваю возможность сего. Сам та собираюсь делать сам. И почему эта схема только при использовании всех источников сразу. Я например планирую сначала подключить только газ. Затем тт котел. Ну и в будущем солнце. Кроме того думаю еще использовать как то тепло сброса вод.( ванна душ мойка. Девченки в семье. Две ванны ежедневно. Ну душ тоже.) Так же у меня еще и бассейн кубов на 20 греть надо. Лучше обратится к специалистам, которые все расчитают, с учетом постепенного добавления оборудования. Вы еще "сыроваты" как по мне чтобы самому все это спроектировать грамотно. Обратите внимание - в схеме "ТА - теплообменник ГВС". Без приоритета. Там постоянно нужно мин +65...+70С. Т.е. газовый котел сразу можете по мощности умножить на 2, посчитав теплопотери дома. Если еще и бассейн......тогда на 3 . Под ваши нужды нужно спроектировать другую схему. Вобщето странно для человека, имеющего в доме бассейн, думать о ЕЦ. Посилання на коментар Поділитися на інших сайтах More sharing options...
Petrovith Опубліковано: 8 лютого 2011 Поділитись Опубліковано: 8 лютого 2011 Естественно будет проектировать специалист. Но вот саму принципиальную схему хочется выбрать пооптимальней. Вот и надеюсь на советы так сказать независимых спецов. Быть может вы меня не поняли. ЕЦ планирую только для подключения тт котла. Который и буду использовать периодически и как резерв. Поясню. По роду деятельности есть возможность использовать для отопления древесину. Вот и хочу так сказать сэкономить. Кроме этого планирую врезать еще эл тэны в ТА и использовать ночной тариф. Ну и летом соответственно солнце. Почему для тт котла ец? Планирую тт котел поставить рядом с ТА и запитать естественной циркуляцией. Как мне кажется это своего рода защита от перегрева системы в случае провпадания электрики. Да и сама система в некотором роде саорегулируемая. Есть источник тепла- есть циркуляция, нет тепла нет и циркуляции. Посилання на коментар Поділитися на інших сайтах More sharing options...
Petrovith Опубліковано: 8 лютого 2011 Поділитись Опубліковано: 8 лютого 2011 Кстати и по самому теплоаккумулятору. Стоимость железа - 4 листа 1.25х2.5х3мм около 2200гр. Прокатать три листа в дугу 3х30гр=90гр. 150 метров медной трубы 22 мм около 2500гр. Ну работа пусть 1000-1500 гр. Утеплители и отделка пусть еще косарь. итого имеем под косарь зелени. Ну и не шибко дорого. Еще правда тэны внутрь и электроды против ржавления системы. Посилання на коментар Поділитися на інших сайтах More sharing options...
АлексейБелояр Опубліковано: 8 лютого 2011 Поділитись Опубліковано: 8 лютого 2011 Я ладдоматы не ставлю, ввиду их небожеской цены. 3хходовой предустановленный типа этого (ссылка устарела) Если на ЕЦ поставить насос, это уже не совсем ЕЦ. Точнее совсем не ЕЦ. Это ПЦ. Точнее ПипЕЦ! Согласен, я имел ввиду открытую систему, с ЕЦ на которую, можно поставить насос. Посилання на коментар Поділитися на інших сайтах More sharing options...
Рекомендовані повідомлення
Створіть акаунт або увійдіть у нього для коментування
Ви маєте бути користувачем, щоб залишити коментар
Створити акаунт
Зареєструйтеся для отримання акаунта. Це просто!
Зареєструвати акаунтУвійти
Вже зареєстровані? Увійдіть тут.
Увійти зараз