MSA Опубліковано: 5 травня 2011 Поділитись Опубліковано: 5 травня 2011 Здравствуйте, ситуация следующая: Есть дом и рядом пристройка (летняя кухня с сараем), площадь дома нас не устраивает, хотим объеденить дом с пристройкой. Дом и пристройка 1960 года постройки, но состояние на глаз нормальное (нужно ли сделать ревизию дома, и что именно нужно делать?). Строить хочу из газобетона, фундамент ленточный 0.8 под землю и 0.2 над, старую крышу с балками хочу менять на новое. Я нарисовал проект и хочу услышать мнения разбирающихся людей по постройке и планировке будущего дома. Буду очень благодарен за советы по улучшению планировки и вообще за любые советы. :D Посилання на коментар Поділитися на інших сайтах More sharing options...
AНДРЮША Опубліковано: 5 травня 2011 Поділитись Опубліковано: 5 травня 2011 Стремно. Даже П-образная пристройка может отойти, а у вас две стенки практически не зависимые. Боюсь уйдут. 2 Посилання на коментар Поділитися на інших сайтах More sharing options...
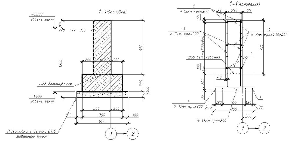
Tarras Опубліковано: 5 травня 2011 Поділитись Опубліковано: 5 травня 2011 Якщо виконувати все правильно то впринципі проблем не бачу. Саме страшніше. що може статись - це тріщини на стику двох будівель. існуючої і нової. Щоб цього не сталось потрібно обстежити існуючий фундамент... і будівлю, зробити геологічні вишукування на ділянці, що буде забудовуватись і на основі цих данних приймати рішення про стик фундаментів, чи робити між ними деформаційний шов чи наоборот хорстко зєднувати один з одним (по результатах розрахунку). Це правильний варіант Якщож "на глаз" то я б дав монолітний фундамент з арматурою повздовжньою 12мм (крок 200мм) і поперечною 6мм (крок 400мм). На стику зєднав би новий зі старим жорстко, з допомогою додаткового армування та підливки бетону (потрібно по місцю дивитись), і проблем ніяких, якщо у Вас грунти нормальні. 1 Посилання на коментар Поділитися на інших сайтах More sharing options...
MSA Опубліковано: 6 травня 2011 Автор Поділитись Опубліковано: 6 травня 2011 За соединение дома и пристройки я думал, хочу делать как на фото.! А с планировкой есть какие-то предложения или более мение нормально? Посилання на коментар Поділитися на інших сайтах More sharing options...
MSA Опубліковано: 6 травня 2011 Автор Поділитись Опубліковано: 6 травня 2011 Якщо виконувати все правильно то впринципі проблем не бачу. Саме страшніше. що може статись - це тріщини на стику двох будівель. існуючої і нової. Щоб цього не сталось потрібно обстежити існуючий фундамент... і будівлю, зробити геологічні вишукування на ділянці, що буде забудовуватись і на основі цих данних приймати рішення про стик фундаментів, чи робити між ними деформаційний шов чи наоборот хорстко зєднувати один з одним (по результатах розрахунку). Це правильний варіант Якщож "на глаз" то я б дав монолітний фундамент з арматурою повздовжньою 12мм (крок 200мм) і поперечною 6мм (крок 400мм). На стику зєднав би новий зі старим жорстко, з допомогою додаткового армування та підливки бетону (потрібно по місцю дивитись), і проблем ніяких, якщо у Вас грунти нормальні. Спасибо за совет я нарисовал как хочу их соединить, вроке как Вы и говорите. Грунт думаю хороший, старый дом уже 50 лет стоит и трещин нет, но внизу где-то есть котакомбы на глубине 16м (думаю это не страшно). Посилання на коментар Поділитися на інших сайтах More sharing options...
Soyka Опубліковано: 6 травня 2011 Поділитись Опубліковано: 6 травня 2011 А я особых проблем не вижу. Я тоже достраивалась. Прошло уже два года - полет нормальный! Посилання на коментар Поділитися на інших сайтах More sharing options...
Tarras Опубліковано: 6 травня 2011 Поділитись Опубліковано: 6 травня 2011 За соединение дома и пристройки я думал, хочу делать как на фото.! А с планировкой есть какие-то предложения или более мение нормально? З арматурою у Вас все правильно, вот тільки внесу деякі рекомендації по основному матеріалу. Вам необхідно буде зробити свого роду накладний шов як на фото. існуючий фундамент вже влежаний і просів на скільки це можливо длч нього було, тому потрібно опертись скоріш за все на нього. Якщо цого не робити то арматура поперечного зусилля як належно не сприйме я в самому фундаменті можлива тріщина (краще це виключити). По плануванні я звільнюсь і подивлюсь... Посилання на коментар Поділитися на інших сайтах More sharing options...
MSA Опубліковано: 6 травня 2011 Автор Поділитись Опубліковано: 6 травня 2011 Tarras я мысль понял, спасибо Вам большое. Про этот нюанс я не подумал. А фундамент для пристройки не слишком сильный? 0,8 в землю 0,2 над и 0,4 ширина, длина около 17 метров. Мне 6 м3 бетона хватит? И можно ли к Вам обратиться по поводу крыши? Посилання на коментар Поділитися на інших сайтах More sharing options...
Tarras Опубліковано: 6 травня 2011 Поділитись Опубліковано: 6 травня 2011 Tarras я мысль понял, спасибо Вам большое. Про этот нюанс я не подумал. А фундамент для пристройки не слишком сильный? 0,8 в землю 0,2 над и 0,4 ширина, длина около 17 метров. Мне 6 м3 бетона хватит? И можно ли к Вам обратиться по поводу крыши? Навіщо Вам 400мм ширини? це явно перерозхід бетону у вас буде! 300мм зголовою хватить. Бажано звичайно зробити уширення внизу (підошву) скажем 500-600мм на 200мм Вот фото з вариантом... правда розміри там не Ваші але принцип такий як бажано зробити Вам. Якщо візьмете ширину підошви 500ммх200мм і від підошви ленту 800мм(h)х300мм то Вам 6м.куб. хватить з головою По поводу кровлі, звичайно звертайтесь Посилання на коментар Поділитися на інших сайтах More sharing options...
kote Опубліковано: 6 травня 2011 Поділитись Опубліковано: 6 травня 2011 MSA, я бы вам посоветовал бы сначала отрыть несколько шурфов и обследовать фундамент под вашими нынешними постройками, и потом уже основываясь на результатах планировать какой фундамент необходимо заливать вам под новую пристройку. Арматура для связки старого фундамента и нового вам ни чем не поможет, она все равно не выдержит нагрузки, которая будет на нее воздействовать. Вам необходимо нанять специалистов, которые бы сделали все расчеты и предложили бы самый оптимальный вариант. И еще, здесь на форуме очень много таких там, и в них расписано множество решений, поищите, может что-то будет полезное. P.S.: Я сейчас пристраиваю веранду, траншею уже вырыл. Так вот, фундамент я решил делать независимым и никаких связей со старым зданием, т.е. просто деформационный шов. Посилання на коментар Поділитися на інших сайтах More sharing options...
Зайцюган Опубліковано: 6 травня 2011 Поділитись Опубліковано: 6 травня 2011 По планировке мое имхо: - комнаты 2 и 3, лучше объединить, куцевато будут смотреться на фоне остальных комнат приличного размера; - диван располагать в углу, чтобы не отгораживать часть гостиной. Посилання на коментар Поділитися на інших сайтах More sharing options...
MSA Опубліковано: 6 травня 2011 Автор Поділитись Опубліковано: 6 травня 2011 По планировке мое имхо: - комнаты 2 и 3, лучше объединить, куцевато будут смотреться на фоне остальных комнат приличного размера; - диван располагать в углу, чтобы не отгораживать часть гостиной. Между комнатами 2 и 3 будет большая арка. Это типо одна комната детская, но разделена на две зоны, спальня (отдыха) и игровая. А диван это примерно, в зале хочется сделать стенку из ГК с телевизором и рядом журнальный столик с диваном. Посилання на коментар Поділитися на інших сайтах More sharing options...
MSA Опубліковано: 6 травня 2011 Автор Поділитись Опубліковано: 6 травня 2011 MSA, я бы вам посоветовал бы сначала отрыть несколько шурфов и обследовать фундамент под вашими нынешними постройками, и потом уже основываясь на результатах планировать какой фундамент необходимо заливать вам под новую пристройку. Арматура для связки старого фундамента и нового вам ни чем не поможет, она все равно не выдержит нагрузки, которая будет на нее воздействовать. Вам необходимо нанять специалистов, которые бы сделали все расчеты и предложили бы самый оптимальный вариант. И еще, здесь на форуме очень много таких там, и в них расписано множество решений, поищите, может что-то будет полезное. P.S.: Я сейчас пристраиваю веранду, траншею уже вырыл. Так вот, фундамент я решил делать независимым и никаких связей со старым зданием, т.е. просто деформационный шов. Я хотел бы это тоже сделать, но к сожелению пока не имею возможности. За этот дом мне еще нужно отдать долга 20 000 у.е. и при этом хочу сам по тихоньку что-то строить. Я понимаю что лучше все перепроверить, но это заберет много денег. Буду надеяться на удачу и на тех рабочих которые строили в 1960 году дом Посилання на коментар Поділитися на інших сайтах More sharing options...
kote Опубліковано: 6 травня 2011 Поділитись Опубліковано: 6 травня 2011 Я хотел бы это тоже сделать, но к сожелению пока не имею возможности. За этот дом мне еще нужно отдать долга 20 000 у.е. и при этом хочу сам по тихоньку что-то строить. Я понимаю что лучше все перепроверить, но это заберет много денег. Дело, конечно же ваше. Но, вы подумайте если что-то пойдет не так, то какие потом будут последствия и и сколько денег они заберут. Я сейчас строю, точнее перестраиваю себе временное жилье и считаю, что в таком случае я могу закрыть глаза на некоторые вещи, т.к. это временное (на 4-5 лет) жилье. Но для капитального дома это не допустимо. Буду надеяться на удачу и на тех рабочих которые строили в 1960 году дом Удача здесь ни при чем, это ведь не рулетка. Рабочие, а что рабочие? Вы думаете, что они помнят как они строили этот дом 50 лет назад? И интересно по сколько же лет сейчас этим рабочим? В общем, решайте сами, но обследовать фундамент старых построек необходимо. Там, возможно, может быть и не бетон, и залегать он может на разных глубинах. Если не хотите вкидывать деньги на обследование, то хотя бы сами визуально обследуйте фундаменты и выложите сюда на форум информацию, я думаю вам хоть чем-то, но помогут. Посилання на коментар Поділитися на інших сайтах More sharing options...
Soyka Опубліковано: 6 травня 2011 Поділитись Опубліковано: 6 травня 2011 Посмотрите, как делали у меня, может поможет www.stroimdom.com.ua/forum/showpost.php?p=303430&postcount=3 Посилання на коментар Поділитися на інших сайтах More sharing options...
MSA Опубліковано: 6 травня 2011 Автор Поділитись Опубліковано: 6 травня 2011 Спасибо, когда буду рыть яму под фундамент сделаю фото и попрошу Ваших советов. Посилання на коментар Поділитися на інших сайтах More sharing options...
Торопов александр Опубліковано: 15 травня 2011 Поділитись Опубліковано: 15 травня 2011 Мне пришлось реконструировать подобным образом свой дом. Фундамент старого такой, какой он есть. Дом стоит, проблем нет, и ладно. Я выкопал траншеи вдоль старого фундамента под новый, разделил фундаменты пенопластом (типа деформационный шов), то же сделал и при кладке стен. В штукатурке потом сделал по шву русты. Проемы, соединяющие помещения, поросто штукатурил, сверху прочные виниловые обои. Снаружи трещины по рустам мелкие пошли, внутри не видно. А руст для трещин и сделан. Веранда сильнее дышит, там П-образный фундамент. Снаружи тоже сделал русты, а внутри - ПВХ-вагонка. Посилання на коментар Поділитися на інших сайтах More sharing options...
Рекомендовані повідомлення
Створіть акаунт або увійдіть у нього для коментування
Ви маєте бути користувачем, щоб залишити коментар
Створити акаунт
Зареєструйтеся для отримання акаунта. Це просто!
Зареєструвати акаунтУвійти
Вже зареєстровані? Увійдіть тут.
Увійти зараз