Energon Опубліковано: 8 грудня 2016 Поділитись Опубліковано: 8 грудня 2016 Да уж я себе представляю размеры щитов с автоматами на 10-15кА Посилання на коментар Поділитися на інших сайтах More sharing options...
Volt-Amper Опубліковано: 8 грудня 2016 Поділитись Опубліковано: 8 грудня 2016 Да уж я себе представляю размеры щитов с автоматами на 10-15кА Вот вы смеетесь, коллега, а такими "автоматами" хоть "щелкать" и "клацать":D можно без опасений. И на КЗ они - не одноразовые. Поставил такой - и "маэш весч". Посилання на коментар Поділитися на інших сайтах More sharing options...
Energon Опубліковано: 8 грудня 2016 Поділитись Опубліковано: 8 грудня 2016 Это уже байки из разряда презерватив на презервативе Посилання на коментар Поділитися на інших сайтах More sharing options...
Volt-Amper Опубліковано: 8 грудня 2016 Поділитись Опубліковано: 8 грудня 2016 Но вот встретить даже 1 кА не в ТП - крайне проблематично. То что лично мерял, не единожды: - новый жилой фонд, на вводе 600-700А - старый фонд - 250А потолок - ВЛ - там в другую сторону смотреть надо. Чтоб от КЗ вообще выбило. То-есть С40 в старом жилфонде "ловить" нечего? Ваши цифры актуальны на любом удалении потребителя от сборки ВРУ, на любом расстоянии электроустановки от ТП, в.т.ч учитывая ВЛ? Это уже байки из разряда презерватив на презервативе У Вас никогда не рвутся? - Вот и радуйтесь - Фортуна вам симпатизирует, а всякое бывает в жизни... Посилання на коментар Поділитися на інших сайтах More sharing options...
m2v Опубліковано: 8 грудня 2016 Поділитись Опубліковано: 8 грудня 2016 Такой вопрос. После подключения 3-х фаз остался 1-фазный многозонный счетчик. Можно ли его продать? Все доки есть - паспорт, акт параметризации и проч. Почему спрашиваю: когда менял на 3-х фазный электрик от КЭ сказал, что продать его низзя, тк он уже был занесен ранее в базу КЭ. Это он о чем? Тоже хотели забрать почти новый однофазный счетчик. Еле отбил. Тоже говорили, что я его никому не смогу продать, т.к. он уже есть у них в базе. Сейчас дал во временное пользование новому соседу, который строится и ещё не подключен к электросетям. Он подключился к другому соседу и мой счетчик считает сколько новый сосед должен старому соседу за электроэнергию. Посилання на коментар Поділитися на інших сайтах More sharing options...
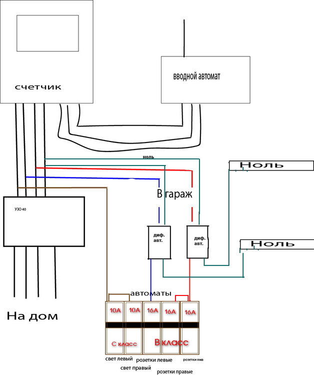
acea Опубліковано: 8 грудня 2016 Поділитись Опубліковано: 8 грудня 2016 Скажите,можно ли так подключить диф.автоматы? и не пойму,куда подключить ноль с выхода диф.автомата? Посилання на коментар Поділитися на інших сайтах More sharing options...
Volt-Amper Опубліковано: 8 грудня 2016 Поділитись Опубліковано: 8 грудня 2016 Скажите,можно ли так подключить диф.автоматы? и не пойму,куда подключить ноль с выхода диф.автомата? От ВЫХОДА каждого диф.автомата - (!)сделать отдельное для каждого диф.а(!) - расключение на групповые линии: клеммой/шиной/гильзой/ect... Это очень "неудобная" схема. Но, каждая фаза коммутируется раздельно. Это плюс. Можно еще одно трехфазное УЗО на все группы - более удобно, меньше "нулей", но если "вырубит", то сразу все. 1 Посилання на коментар Поділитися на інших сайтах More sharing options...
acea Опубліковано: 8 грудня 2016 Поділитись Опубліковано: 8 грудня 2016 От ВЫХОДА каждого диф.автомата - (!)сделать отдельное для каждого диф.а(!) - расключение на групповые линии: клеммой/шиной/гильзой/ect... Это очень "неудобная" схема. Но, каждая фаза коммутируется раздельно. Это плюс. Можно еще одно трехфазное УЗО на все группы - более удобно, меньше "нулей", но если "вырубит", то сразу все. можете нарисовать как для неудобной схемы? неудобная для кого? Посилання на коментар Поділитися на інших сайтах More sharing options...
Volt-Amper Опубліковано: 8 грудня 2016 Поділитись Опубліковано: 8 грудня 2016 можете нарисовать как для неудобной схемы? Нет Вот, картинку посмотрите. Представим, что прямоугольник с надписью "kWh" - это "нулевая" шина, с вашей схемы, от которой "нули" идут к "входам" диф-ов. Смотрите дальше, после УЗО. Так-то так примерно, для каждого диф-а отдельно. Посилання на коментар Поділитися на інших сайтах More sharing options...
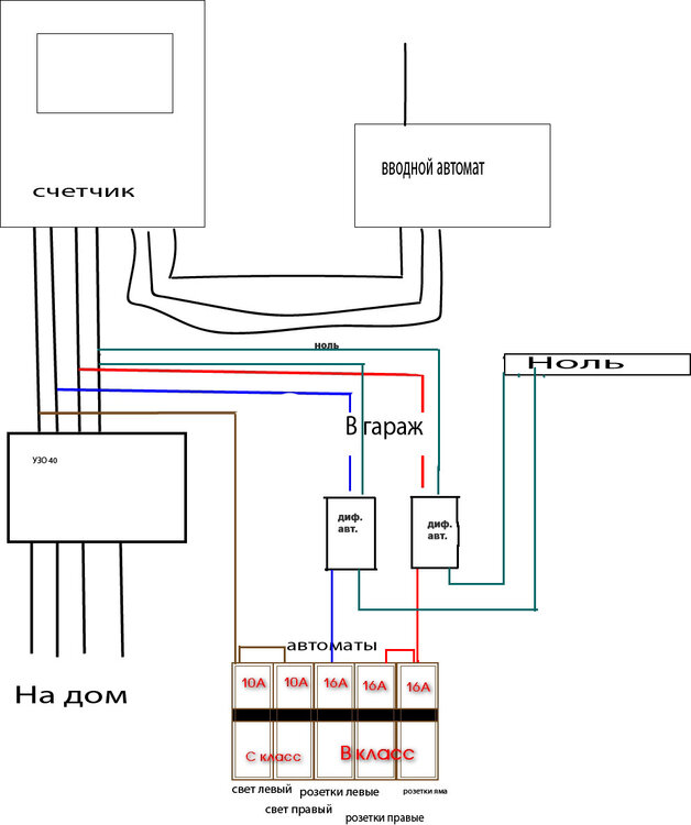
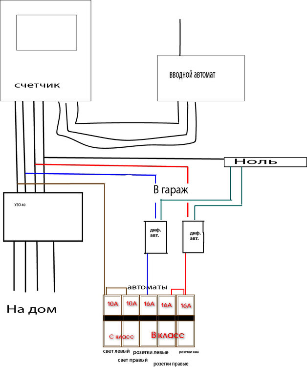
acea Опубліковано: 8 грудня 2016 Поділитись Опубліковано: 8 грудня 2016 Вроде так. Правильно? Посилання на коментар Поділитися на інших сайтах More sharing options...
Volt-Amper Опубліковано: 8 грудня 2016 Поділитись Опубліковано: 8 грудня 2016 Вроде так. Правильно? Нет. "Нули" разных диф-ов объединять нельзя. От каждого "выхода" - к "своей" шине (2 шины). Все групповые "нули", под прикрытием одного дифа - на одной шине. Другого диф-а - на другой шине, и т.д. 1 Посилання на коментар Поділитися на інших сайтах More sharing options...
LM Опубліковано: 8 грудня 2016 Поділитись Опубліковано: 8 грудня 2016 Нет. "Нули" разных диф-ов объединять нельзя. От каждого "выхода" - к "своей" шине (2 шины). Я уже "обжегся" на этом - пока не почитал что к чему грустить начал, что с проводкой проблемы: выбивали узо-шки по всем фазам. Проблема была именно в объединении нулей после узо. Посилання на коментар Поділитися на інших сайтах More sharing options...
acea Опубліковано: 8 грудня 2016 Поділитись Опубліковано: 8 грудня 2016 теперь как надо? Если розетки посадить на диф.автоматы(как на схеме)-защита достаточна? (все-таки беспокоюсь про включенные калориферы) Посилання на коментар Поділитися на інших сайтах More sharing options...
Tsoy Опубліковано: 9 грудня 2016 Поділитись Опубліковано: 9 грудня 2016 Народ, цикавае питання. Будемо полемизувати ) Хотел свет полагодить на этаже перед квартирой. Три помещения: перед лифтом, перед квартирой, и в коридорчике что к мусоропроводу идет. Задолбало чо та что света вечно нет, и лампочку новую не вкрутить, потому как патроны уже от старости порассыпались. Купил короче плафоны новые, лампочки ЛЕД, провод, выключатели и проч. В первых двух прошло как по маслу. В третьем халепа какась та. Проводка индикаторной отверткой явно фазу показывает и ноль как положено. Но! ЛЕД лампа 6 ватт моргает приблизительно 2 раза в секунду, звычайная спиральная энергозберегайка не зажигается, лампа розжарювання тоже не зажигается. Все лампы исправны. Когда старый патрон разбирал, увидел подплавившиеся контакты для цоколя лампы. Кстати лампы там у меня и раньше долго не жили. Новую вкрутил, через неделю светит уже. Напряжение измерить не получилось, потому как тестер на работу утащил. Но я блин точно знаю что раньше там спокойно 100 вт. лампа розжарювання светила. Добавлю. Без лампы проводка явно фазу и ноль показывает, если 100 вт. лампу в патрон вкрутить, отвертка перестает показывать фазу на фазовом контакте. Собсна вопрос: В чем прикол? Что делать и кто виноват? Дефект проводки где-то внутри стен? Соседи от этой фазы электродуховку подключили? Инопланетяне? Теряюсь в догадках. Цой ) Посилання на коментар Поділитися на інших сайтах More sharing options...
Александр124 Опубліковано: 9 грудня 2016 Поділитись Опубліковано: 9 грудня 2016 Купил короче плафоны новые, лампочки ЛЕД, Совет из опыта эксплуатации в подъезде - плафоны пометьте краской,лампочки приклейте к патронам и крепите светильники "пожошче". Воруют-с. 2 Посилання на коментар Поділитися на інших сайтах More sharing options...
Tsoy Опубліковано: 9 грудня 2016 Поділитись Опубліковано: 9 грудня 2016 Совет из опыта эксплуатации в подъезде - плафоны пометьте краской,лампочки приклейте к патронам и крепите светильники "пожошче". Воруют-с. Та ладна. Поживем, увидим. Мне нетрудно будет и антивандальную защиту сварить с каким-нить секретом типа спецключа, если чо. Не про то мова. Чо за прикол с проводом, есть идеи? Цой ) Посилання на коментар Поділитися на інших сайтах More sharing options...
Volt-Amper Опубліковано: 9 грудня 2016 Поділитись Опубліковано: 9 грудня 2016 В чем прикол? Дефект проводки где-то внутри стен? Та мабуть шось таке. Если визуально, вне стен, ничего не обнаружено, патрон новый (его тоже проверить желательно), а лампочки не работают... индикаторы, то такое... Посилання на коментар Поділитися на інших сайтах More sharing options...
Vit3f Опубліковано: 9 грудня 2016 Поділитись Опубліковано: 9 грудня 2016 Народ, цикавае питання. Будемо полемизувати ) Хотел свет полагодить на этаже перед квартирой. Три помещения: перед лифтом, перед квартирой, и в коридорчике что к мусоропроводу идет. Задолбало чо та что света вечно нет, и лампочку новую не вкрутить, потому как патроны уже от старости порассыпались. Купил короче плафоны новые, лампочки ЛЕД, провод, выключатели и проч. В первых двух прошло как по маслу. В третьем халепа какась та. Проводка индикаторной отверткой явно фазу показывает и ноль как положено. Но! ЛЕД лампа 6 ватт моргает приблизительно 2 раза в секунду, звычайная спиральная энергозберегайка не зажигается, лампа розжарювання тоже не зажигается. Все лампы исправны. Когда старый патрон разбирал, увидел подплавившиеся контакты для цоколя лампы. Кстати лампы там у меня и раньше долго не жили. Новую вкрутил, через неделю светит уже. Напряжение измерить не получилось, потому как тестер на работу утащил. Но я блин точно знаю что раньше там спокойно 100 вт. лампа розжарювання светила. Добавлю. Без лампы проводка явно фазу и ноль показывает, если 100 вт. лампу в патрон вкрутить, отвертка перестает показывать фазу на фазовом контакте. Собсна вопрос: В чем прикол? Что делать и кто виноват? Дефект проводки где-то внутри стен? Соседи от этой фазы электродуховку подключили? Инопланетяне? Теряюсь в догадках. Цой ) Нет там фазы, подгорела или плохой контакт. Хотя обычно ноль подгорает. Посилання на коментар Поділитися на інших сайтах More sharing options...
Tsoy Опубліковано: 9 грудня 2016 Поділитись Опубліковано: 9 грудня 2016 Нет там фазы, подгорела или плохой контакт. Хотя обычно ноль подгорает. Патрон проверю, кстате. Хорошо. Предположим фаза плохая вдруг стала. Ни с того, ни с сего. Чо делать? Можна штукатурку в бетонной канавке раздолбать, проследить откуда провод тот приходит. Поискать там повреждения. Предположим доберусь до распред коробки или до того места где провод в стену уходит или между плит. И все. Привет, приехали. Если до того места явной неисправности не обнаружится, придется на тот источник забить, заизолировать, заглушить, и просто протянуть новый провод от другого источника. Так? Цой ) Посилання на коментар Поділитися на інших сайтах More sharing options...
Volt-Amper Опубліковано: 10 грудня 2016 Поділитись Опубліковано: 10 грудня 2016 Tsoy, фазы "вдруг плохими", если и становятся, то сразу все.:D Тут или проводка, или контакты... Дом многоквартирный, как я понял? - Проверить другие этажи, где есть питание освещения, от этой фазы. А то вдруг на сборке шин че отгорело, так чтобы уж лишний раз не "колупать" стену..?;) Ну и коробку ищите! Освещение подъездов, лестничных клеток и т.п - обычно, ни с квартирами, ни с лифтами не пересекается. Часто, можно даже визуально обнаружить трассы домового освещения и распред.короба, особенно в старом жил.фонде без ремонта. Ну а если не найдете дефектное место, то... придется заизолировать и "забить". P.S. Тестер/мультиметр, или че-то такое пригодится. Измеряйте. Проверьте патрон и провод до "стены". Ищите ближайший распред.узел. Проверьте другие этажи. А мы тут пока картишки Таро разложим, на хрустальный шар подышим... 1 Посилання на коментар Поділитися на інших сайтах More sharing options...
Alexandrxxl Опубліковано: 10 грудня 2016 Поділитись Опубліковано: 10 грудня 2016 Подскажите Клещи Sparta 0,5–10 мм для обжима электрокабеля подойдут для обжима гильз в распаечной коробке в квартире ? Посилання на коментар Поділитися на інших сайтах More sharing options...
Volt-Amper Опубліковано: 10 грудня 2016 Поділитись Опубліковано: 10 грудня 2016 Alexandrxxl, скорее нет, чем да. Хотя, смотря что обжимать:D. Если многопроволочные провода небольших сечений (1,5 например), в небольших количествах (4шт), то такого инструмента хватит. Посилання на коментар Поділитися на інших сайтах More sharing options...
КонстантинШв Опубліковано: 11 грудня 2016 Поділитись Опубліковано: 11 грудня 2016 при замене електропроводки в квартире оказалось что через нашу квартиру идёт много проводов других квартир.. Возможно ли такое? Мы решили провести новую електропроводку, не трогая так что есть.. Но когда сбивали штукатурку, ремонтники натолкнулись на ту старую проводку и в других квартирах пропал свет, тоесть, что получаеться, мы у себя в квартире должны отвечать за чужую проводку.. Когда при ремонте у нас перебили ту чужую проводку, то соседи вызвали електрика из ЖЕК, он соединил очень странно старые провода, это просто жесть.. Подскажите как выйти из этой ситуации? Имеем ли мы право вообще отрезать ту старую проводку и никого к себе не пускать? А как с техникой безопасности, мы то сделали себе новую електропроводку и будем делать ремонт.. А если будет гореть старая проводка других квартир, не заденет ли она нашу?? Посилання на коментар Поділитися на інших сайтах More sharing options...
Volt-Amper Опубліковано: 11 грудня 2016 Поділитись Опубліковано: 11 грудня 2016 ...при замене електропроводки в квартире оказалось что через нашу квартиру идёт много проводов других квартир.. Возможно ли такое? Возможно и это плохо. ...ремонтники натолкнулись на ту старую проводку и в других квартирах пропал свет, тоесть, что получаеться, мы у себя в квартире должны отвечать за чужую проводку... Да. И вы будете отвечать за возникшую аварийную ситуацию, при проведении ремонтных работ. ...он соединил очень странно старые провода, это просто жесть... Ну так вызовите хорошего электрика, пусть он сделает вам качественный ремонт проводов. ...имеем ли мы право вообще отрезать ту старую проводку и никого к себе не пускать? Нет! Не имеете. ...А как с техникой безопасности... "У житлових будинках прокладання вертикальних ділянок розподільної мережі повинно виконуватися по сходових клітках приховано (у каналах, трубах, коробах). Забороняється прокладання вертикальних дільниць загальнобудинкової розподільної мережі всередині квартир." В любом случае - это плохо конечно, что проводка разведена "вот так", но эти участки (к квартирам соседей), не расцениваются как транзитные. 1 Посилання на коментар Поділитися на інших сайтах More sharing options...
lyashik Опубліковано: 11 грудня 2016 Поділитись Опубліковано: 11 грудня 2016 при замене електропроводки в квартире оказалось что через нашу квартиру идёт много проводов других квартир.. Возможно ли такое? Мы решили провести новую електропроводку, не трогая так что есть.. Но когда сбивали штукатурку, ремонтники натолкнулись на ту старую проводку и в других квартирах пропал свет, тоесть, что получаеться, мы у себя в квартире должны отвечать за чужую проводку.. Когда при ремонте у нас перебили ту чужую проводку, то соседи вызвали електрика из ЖЕК, он соединил очень странно старые провода, это просто жесть.. Подскажите как выйти из этой ситуации? Имеем ли мы право вообще отрезать ту старую проводку и никого к себе не пускать? А как с техникой безопасности, мы то сделали себе новую електропроводку и будем делать ремонт.. А если будет гореть старая проводка других квартир, не заденет ли она нашу?? А часом не комуналка? Посилання на коментар Поділитися на інших сайтах More sharing options...
Рекомендовані повідомлення
Створіть акаунт або увійдіть у нього для коментування
Ви маєте бути користувачем, щоб залишити коментар
Створити акаунт
Зареєструйтеся для отримання акаунта. Це просто!
Зареєструвати акаунтУвійти
Вже зареєстровані? Увійдіть тут.
Увійти зараз