splinter Опубліковано: 26 жовтня 2011 Поділитись Опубліковано: 26 жовтня 2011 хочу заставить ТА заряжаться избыточным теплом Посилання на коментар Поділитися на інших сайтах More sharing options...
Сергей 31 Опубліковано: 26 жовтня 2011 Поділитись Опубліковано: 26 жовтня 2011 Для эффективной работы Т.А. стремятся нагреть Т.А. до температуры 90 гра. Для П.П. трубы такая температура смерть. 1000 литров котлом 20 кВт? Долгими зимними вечерами это про Вас. Для 1000 больше подходит котел 32 кВт. 1 Посилання на коментар Поділитися на інших сайтах More sharing options...
Interso Опубліковано: 26 жовтня 2011 Поділитись Опубліковано: 26 жовтня 2011 хочу заставить ТА заряжаться избыточным теплом Неполучится у вас с такой обвьзкой ТА, у вас нет подмеса в контур отопления.Да и собственно говоря какую вы хотите выдавать температуру в контур отопления. Лучше вы опишите как вы видите работу вашей схемы,какая потребность в тепле нужна дому.То что котёл для этих целей слабоват то это понятно. Посилання на коментар Поділитися на інших сайтах More sharing options...
splinter Опубліковано: 26 жовтня 2011 Автор Поділитись Опубліковано: 26 жовтня 2011 Да про узел подмеса в СО я как то не пододумал. У меня хорошо утепленный дом 160 кв.м. с отапливаемой площадью 140 кв. м. теплопотери приблизительно 11 квт. систему отопления 60-70 градусов. Хочу штоб ТТ сначала грел дом, а потом избыток тепла скидывал в ТА. В сильные морозы если будет маловато ТТ на ночь можно подключить тэн на 6 киловат. Посилання на коментар Поділитися на інших сайтах More sharing options...
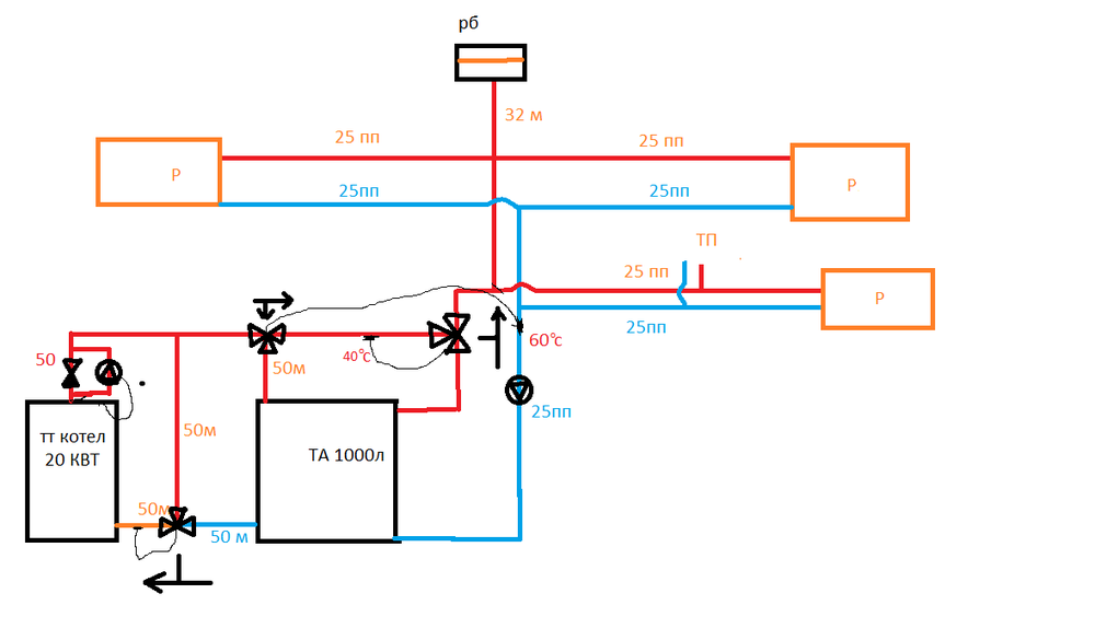
Interso Опубліковано: 26 жовтня 2011 Поділитись Опубліковано: 26 жовтня 2011 Схема приблизительно должна выглядеть вот так,смесительный узел настраиваете на температуру подачи в пределах 55-75*С это покажет ваше утепление дома,при этих температурах ПП трубы будут чувствовать себья комфортно. ТА заряженого до 80*С вам хватит на 4,5 часа. В сутки вам прийдётся топить 20 кВтный котёл 3 раза по 5 часовSSTA.pdf Посилання на коментар Поділитися на інших сайтах More sharing options...
Слободарий Опубліковано: 26 жовтня 2011 Поділитись Опубліковано: 26 жовтня 2011 Подумайте о теплых полах. С ТА они хорошо сочетаются. При 50град радиаторы уже не греют, а для теплого пола - в самый раз. Вы сможете увеличить разницу эффективных температур для ТА, и, соответственно, его эффективную емкость. Посилання на коментар Поділитися на інших сайтах More sharing options...
Fuzik Опубліковано: 27 жовтня 2011 Поділитись Опубліковано: 27 жовтня 2011 Я вот тоже чешу репу по обвязке и подключению ТТ по своему хитрому плану. Уже стоят и работают газовый + электро. Перед подачей воды от ТТ в систему будет стоять насос и термоголовка, что бы в систему не попала вода выше 60 градусов. Хочеться что бы при растопке ТТ горячая вода сразу поступала в сторону системы а уже когда система не отбирает полностью тепло то начинал заряжатся ТА. Ну и в обратную сторону, как потух ТТ то вода отбирается от ТА только. Посилання на коментар Поділитися на інших сайтах More sharing options...
Сергей 31 Опубліковано: 27 жовтня 2011 Поділитись Опубліковано: 27 жовтня 2011 Я вот тоже чешу репу по обвязке и подключению ТТ ...................... Посилання на коментар Поділитися на інших сайтах More sharing options...
Сергей_84 Опубліковано: 27 жовтня 2011 Поділитись Опубліковано: 27 жовтня 2011 Я вот тоже чешу репу по обвязке и подключению ТТ по своему хитрому плану. Уже стоят и работают газовый + электро. Перед подачей воды от ТТ в систему будет стоять насос и термоголовка, что бы в систему не попала вода выше 60 градусов. Хочеться что бы при растопке ТТ горячая вода сразу поступала в сторону системы а уже когда система не отбирает полностью тепло то начинал заряжатся ТА. Ну и в обратную сторону, как потух ТТ то вода отбирается от ТА только. могу дать подсказку....это реализуется с помощью трехходовых клапанов Ханивелл и термостатов....(погружных, накладных, любых) схему лень рисовать....хотел на недавнем объекте с ТТ и ТА реализовать такую схему, но с деньгами у заказчика туговато получалось, поэтому сделали по старинке теперь буду ждать следующего удобного слечая... 1 Посилання на коментар Поділитися на інших сайтах More sharing options...
Fuzik Опубліковано: 28 жовтня 2011 Поділитись Опубліковано: 28 жовтня 2011 ...................... Ну эт я знаю где можно выведать пару секретов Посилання на коментар Поділитися на інших сайтах More sharing options...
Fuzik Опубліковано: 28 жовтня 2011 Поділитись Опубліковано: 28 жовтня 2011 могу дать подсказку....это реализуется с помощью трехходовых клапанов Ханивелл и термостатов....(погружных, накладных, любых) На чем реализуется я прекрасно понимаю. Вот еще задумался о системе охлаждения котла при перегреве. Так что бы не добавлять воду новую в контур отопления а змеевиком. Готовый видимо стоит не мало, может кто скажет цену? Думаю взять пластинчатый теплообменник и клапан sts 20 (кажется так он маркируется, призабыл) и на этом сделать охлаждение без подмеса воды. Посилання на коментар Поділитися на інших сайтах More sharing options...
Сергей 31 Опубліковано: 28 жовтня 2011 Поділитись Опубліковано: 28 жовтня 2011 На Будерусе змеевик охлождения 146 евро. Посилання на коментар Поділитися на інших сайтах More sharing options...
Fuzik Опубліковано: 28 жовтня 2011 Поділитись Опубліковано: 28 жовтня 2011 На Будерусе змеевик охлождения 146 евро. это именно самостоятельный, который имеет свой контур охлаждения и ставится на выходе из ТТ? Посилання на коментар Поділитися на інших сайтах More sharing options...
Сергей 31 Опубліковано: 28 жовтня 2011 Поділитись Опубліковано: 28 жовтня 2011 это именно самостоятельный, который имеет свой контур охлаждения и ставится на выходе из ТТ? Он самый......... 1 Посилання на коментар Поділитися на інших сайтах More sharing options...
Fuzik Опубліковано: 28 жовтня 2011 Поділитись Опубліковано: 28 жовтня 2011 Он самый......... О, вот такой именно подойдет. Дороже конечно но вполне можно пережить. Сам склепал выходит в 100 евро. Посилання на коментар Поділитися на інших сайтах More sharing options...
Сергей_84 Опубліковано: 28 жовтня 2011 Поділитись Опубліковано: 28 жовтня 2011 Он самый......... спасает ли он при поломке или остановке насоса??.....когда нет через него циркуляции Посилання на коментар Поділитися на інших сайтах More sharing options...
Сергей 31 Опубліковано: 28 жовтня 2011 Поділитись Опубліковано: 28 жовтня 2011 спасает ли он при поломке или остановке насоса??.....когда нет через него циркуляции www.stroimdom.com.ua/forum/showthread.php?t=1548&page=16 № 309. Обычно я ставлю не одну, а несколько систем безопасности. 2 Посилання на коментар Поділитися на інших сайтах More sharing options...
Рекомендовані повідомлення
Створіть акаунт або увійдіть у нього для коментування
Ви маєте бути користувачем, щоб залишити коментар
Створити акаунт
Зареєструйтеся для отримання акаунта. Це просто!
Зареєструвати акаунтУвійти
Вже зареєстровані? Увійдіть тут.
Увійти зараз