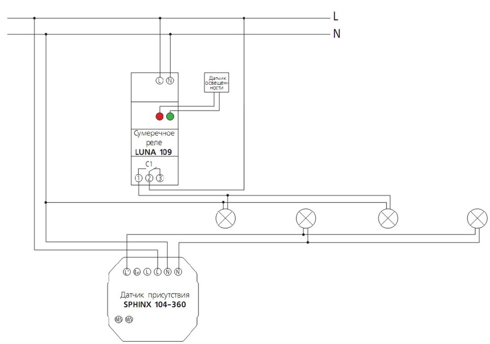
Ogromna Опубліковано: 20 грудня 2011 Поділитись Опубліковано: 20 грудня 2011 (змінено) Дорогие форумчане! Вот несколько схем по управлению освещением. Во всех схемах задействовано оборудование немецкой фирмы Theben. Итак: Освещение коридоров, не имеющих окон: Вариант 1. Использование функции Stand-by On (режим ожидания) Оборудование: датчик присутствия Compact Office DIM. Описание: при отсутствии людей освещение выключается не полностью, а диммируется до 10% яркости. Время Stand-by устанавливается в диапазоне: 0-60 мин. При появлении людей, освещение включается на 100%. Рисунки: Схема1_режим_Stand-by, Схема1_режим_Stand-by2 Вариант 2. Схема управления освещением коридоров 50/50. Оборудование: датчик присутствия Sphinx. При отсутствии движения – в коридоре горит каждый второй светильник. Если кто-то попадает в зону контроля датчика присутствия, включаются остальные светильники. В коридорах без окон - 50% светильников могут гореть постоянно. В коридорах с окнами необходимо дополнительное реле: реле времени (например, электронное TR или эл.мех.SYN) или сумеречное (LUNA). Рисунок: Схема2_режим_50-50.jpg Освещение лестничных клеток Чаще всего, освещение остается включенным, даже когда оно не нужно, не только в коридорах, но и на лестничных клетках. Решение 1: применение сумеречного реле LUNA 122 top2. Внешний датчик освещенности включает освещение лестничных клеток с наступлением темноты. Ночью, когда жильцы дома спят, встроенное реле времени с недельной программой выключает освещение. Если же кому-то в это время необходимо воспользоваться лестницей, он может включить освещение вручную, нажав одну из кнопок, установленных на каждом этаже. После истечения установленного времени, необходимого для того, чтобы подняться по лестнице, освещение выключится (с предупреждением миганием). Выключить его вручную нельзя, чтобы вошедший следом человек не оказался внезапно в темноте. Рисунок: Схема3_лестничн_клет_LUNA.jpg Решение 2: Применение реле лестничного освещения ELPA. Нажатие кнопки включает освещение на некоторое время. Если его Вам недостаточно, повторное нажатие начнет новый отсчет времени. Многофункциональные реле лестничного освещения позволяют выбрать оптимальный режим работы. Рисунок: Схема4_лестничн_клет_ELPA.jpg Решения для уличного освещения Освещение улиц играет большую роль в обеспечении безопасности дорожного движения, особенно – наиболее уязвимых его участников – пешеходов. Качественное освещение резко снижает и количество преступлений на улице, поэтому оно должно включаться одновременно с наступлением сумерек. Решение: использование астрономического реле SELEKTA. Астрономическое реле рассчитывает время захода и восхода солнца для каждого дня в году и в соответствии с ним включает или выключает освещение. В программу реле включены переходы на летнее/зимнее время, праздничные дни, а в некоторых - имеется алгоритм настройки "плавающих" праздников, например, таких как Пасха, когда необходимо, чтобы освещение выключалось позже или не выключалось. Вариантов управления ночным освещением, в зависимости от выбора реле: Вариант 1. Одноканальное реле: включение - с заходом солнца, выключение - с восходом. Ночное выключение - по заданной программе, например, с 2 до 5 утра... Вариант 2. Двухканальное реле: включение - с заходом солнца, выключение - с восходом. Во время ночной паузы выключаются не все светильники, а каждый второй. Также, имеются примеры решений для светильников с натриевыми лампами, если будет нужно - напишу. Для жильцов также имеется пример экономии регулированием комнатной температуры: Для информации: снижение комнатной температуры на 1ºС снижает расходы на 6%. Решение: цифровой термостат RAM 832 top2. Регулятор комнатной температуры автоматически поддерживает комфортную или пониженную температуру в соответствии с Вашим суточным или недельным режимом. Вечером Вы сидите перед телевизором в приятном тепле. Ночью или во время отсутствия температура понижается, что приводит к снижению расходов. Еще больший эффект достигается при работе термостата с дополнительным оборудованием, например, датчиком открытия окна или датчиком присутствия: ● При открывании окна во время проветривания, установленная программа блокируется и термостат переходит в режим защиты от замораживания. При этом поддерживается температура 6ºС. При закрывании окна выполняется первоначальная программа. ● Если в комнате никого нет, контакт ОВК датчика присутствия после окончания времени задержки изменяет комфортную температуру на пониженную. Рисунок: Схема4_лестничн_клет_ELPA.jpg Схема5_RAM.jpg Ну вот примерно так. Желаю успешной экономии и надеюсь эта информация будет Вам полезна. Схемы довольно просты, думаю, квалифицированный электрик вполне может с ними разобраться. С уважением, Оксана Терещенко Змінено 21 грудня 2011 користувачем InSAn п.8 1 Посилання на коментар Поділитися на інших сайтах More sharing options...
Оренс Опубліковано: 20 грудня 2011 Поділитись Опубліковано: 20 грудня 2011 И какова цена вопроса? возможно лучше уже Умный дом? Посилання на коментар Поділитися на інших сайтах More sharing options...
4587derek Опубліковано: 20 грудня 2011 Поділитись Опубліковано: 20 грудня 2011 уличное освещение лучше всего на фотореле, не надо ничего програмировать, работает безотказно. Лесницы освещать в часных домах проще через переключатели. Посилання на коментар Поділитися на інших сайтах More sharing options...
engeneer Опубліковано: 20 грудня 2011 Поділитись Опубліковано: 20 грудня 2011 Ну вот примерно так. Желаю успешной экономии и надеюсь эта информация будет Вам полезна. Спасибо, Оксана, схемы неплохие и оборудование Theben достойно похвал. Похожие алгоритмы с вариациями применяли на нескольких объектах. Например, очень эффектно диммировали закарнизную подсветку в коридорах по сигналу от датчика присутствия - когда заходит человек, свет плавно усиливается с 10 до 100%. Использовали лампы дневного света и балласты DALI. Вот только окупается такое оборудование в частном доме слишком долго, так что здесь приоритет, скорее, в комфорте, чем в энергосбережении. Подобные решения хороши для дорогих гостиниц и офис-центров. Посилання на коментар Поділитися на інших сайтах More sharing options...
karapuz74 Опубліковано: 21 грудня 2011 Поділитись Опубліковано: 21 грудня 2011 А можно вопрос? Зачем освещать коридор 10% яркости? Если всю ночь в коридоре дома будет гореть свет-то о каком энергосбережении идет речь? Я так понимаю-зашел человек в зону досягаемости датчика-свет включился. Пока он в коридоре-свет горит. Ушел-датчик отключил свет. Дежурный свет? А если там с десяток софитов в потолке-что же, им так и гореть всем всю ночь? Посилання на коментар Поділитися на інших сайтах More sharing options...
engeneer Опубліковано: 21 грудня 2011 Поділитись Опубліковано: 21 грудня 2011 А если там с десяток софитов в потолке-что же, им так и гореть всем всю ночь? Нет, конечно. Выбирается одна группа - светильник или пара, которые и обеспечивают "фон". Раньше активно применяли - удобно. Сейчас у себя сделал по-другому: поставил светодиодные "светлячки" с питанием от аккумулятора ИБП котла. Потребление 0,08 Вт на помещение, света для ориентации вполне хватает. Посилання на коментар Поділитися на інших сайтах More sharing options...
Ogromna Опубліковано: 26 грудня 2011 Автор Поділитись Опубліковано: 26 грудня 2011 Ціна залежить від поставленої задачі. Можете самі розрахувати в залежності від використаних елементів. Заходьте в магазин чи на сайти та де є датчики та інші управляючі пристрої. З нашої сторони ми можемо підібрати відповідно до Вашої задачі свої пристрої фірми Theben. Підбір та технічна підтримка безкоштовна, а ціни на пристрої можна переглянути на нашому сайті. З повагою, Оксана Терещенко Посилання на коментар Поділитися на інших сайтах More sharing options...
Рекомендовані повідомлення
Створіть акаунт або увійдіть у нього для коментування
Ви маєте бути користувачем, щоб залишити коментар
Створити акаунт
Зареєструйтеся для отримання акаунта. Це просто!
Зареєструвати акаунтУвійти
Вже зареєстровані? Увійдіть тут.
Увійти зараз