agatrid Опубліковано: 3 травня 2012 Поділитись Опубліковано: 3 травня 2012 Добрый день. Получил чертежи фундамента от конструктора. Хотел спросить мнения многоуважаемых специалистов все ли нормально. Дом из газоблока (плотность 400, толшина 500 мм.), 2 эт., перекрытия между этажами плиты, между 2 этажом и крышей дерево, крыша металочерепица. Результаты геологии вроде-бы нормальные (на первой картинке есть краткая информация). Посилання на коментар Поділитися на інших сайтах More sharing options...
prazdnikof Опубліковано: 3 травня 2012 Поділитись Опубліковано: 3 травня 2012 А что платный конструктор вызывает у Вас сомнения? Посилання на коментар Поділитися на інших сайтах More sharing options...
lndigo Опубліковано: 4 травня 2012 Поділитись Опубліковано: 4 травня 2012 Фундамент под перегородки, конечно, проармирован от души. Так и надо, интересно? Посилання на коментар Поділитися на інших сайтах More sharing options...
agatrid Опубліковано: 4 травня 2012 Автор Поділитись Опубліковано: 4 травня 2012 prazdnikof, Сомнений не вызывает это точно. Печалит 53 м3 бетона Вот думаю, вдруг кто скажет - "зачем такой толстый фундамент, хватило бы и 400 мм. а то и 350 мм." lndigo, Внутренние стены - кирпич, видимо из-за этого. Посилання на коментар Поділитися на інших сайтах More sharing options...
prazdnikof Опубліковано: 4 травня 2012 Поділитись Опубліковано: 4 травня 2012 Посмотрел внимательней, действительно кажется всё с хорошим запасом, пятка шириной 1000 сможет нести и более тяжёлый дом, посоветуйтесь с Вашим конструктором, может он и согласится на уменьшение размеров, но врядли в двое, я бы если сейчас начинал строить так и оставил. Просто если требовать от конструктора уменьшить размеры и объёмы, он может отказаться от ответственности за конструктивные решения. Посилання на коментар Поділитися на інших сайтах More sharing options...
LITMANENko Опубліковано: 4 травня 2012 Поділитись Опубліковано: 4 травня 2012 Метр пятка и полметра толщина фундамента в который раз сеет среди меня сомнения имеет ли смысл платить конструктору за расчет... С одной стороны раз платишь, то как бы надо и делать как начерчено, а с другой стороны имхо закопать столько бетона за свои деньги да еще и заплатить за это конструктору... ну фиг знает Посилання на коментар Поділитися на інших сайтах More sharing options...
Zak Опубліковано: 4 травня 2012 Поділитись Опубліковано: 4 травня 2012 Ну это ещё нормально, мой архитектор вообще проармировал фундамент по самое не балуйся. И это под дом из ГБ на песчаном грунте без подвала. Явно позаимствовал от пятиэтажки с подвалом. Посилання на коментар Поділитися на інших сайтах More sharing options...
mahno 31 Опубліковано: 4 травня 2012 Поділитись Опубліковано: 4 травня 2012 Что касается подушки, если просчеты показывают ширину один метр то её надо такой и делать. А касательно стены фундамента, то конструктора можна попросить сделать стену 400мм. И как вариант обговорите с конструктором устройство стен фундамента ФБС-ми на 20% будет дешевле. Добавлено через 10 минут Ну это ещё нормально, мой архитектор вообще проармировал фундамент по самое не балуйся. И это под дом из ГБ на песчаном грунте без подвала. Явно позаимствовал от пятиэтажки с подвалом. В том то и дело что фундамент просчитывает конструктор, а не архитектор. Мало кто с архитекторов умеют делать просчеты у них совсем другая специфика работы. В вашем случае просчеты никто и не делал. Вероятность того что вы повелись на дешевый проект, как говорится "какие деньги такая и работа". Добавлено через 5 минут Что касается подушки, если просчеты показывают ширину один метр то её надо такой и делать. А касательно стены фундамента, то конструктора можна попросить сделать стену 400мм. И как вариант обговорите с конструктором устройство стен фундамента ФБС-ми на 20% будет дешевле. Посилання на коментар Поділитися на інших сайтах More sharing options...
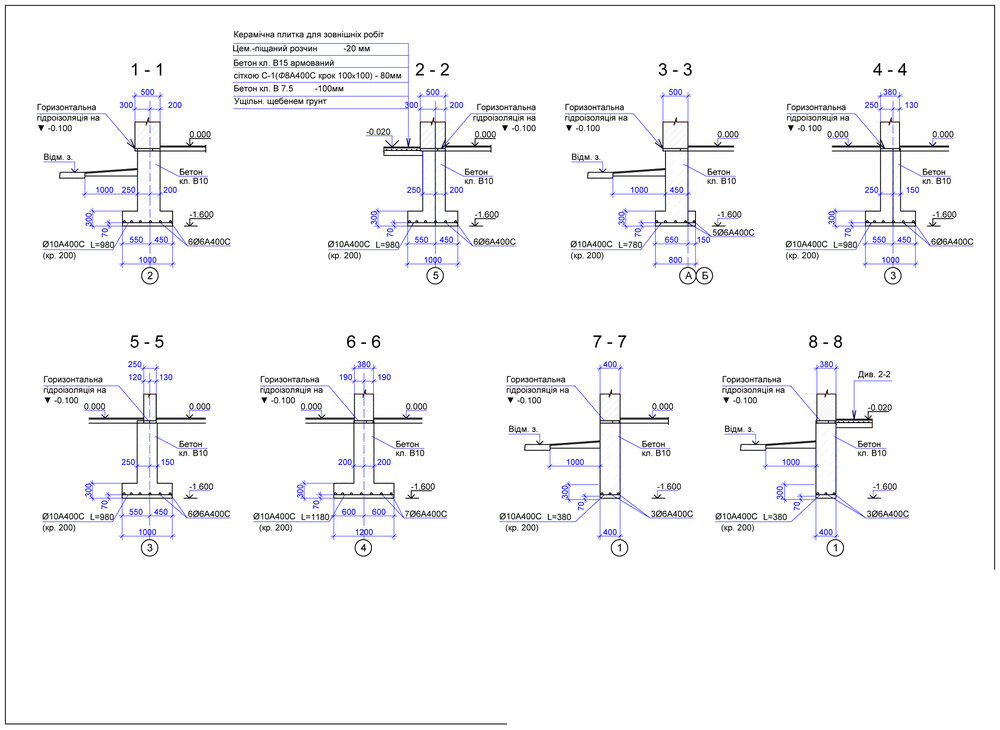
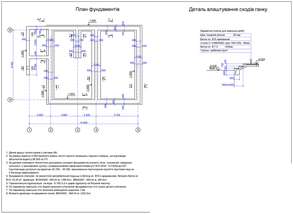
lastandr Опубліковано: 4 травня 2012 Поділитись Опубліковано: 4 травня 2012 Добрый день. Получил чертежи фундамента от конструктора. Хотел спросить мнения многоуважаемых специалистов все ли нормально. Дом из газоблока (плотность 400, толшина 500 мм.), 2 эт., перекрытия между этажами плиты, между 2 этажом и крышей дерево, крыша металочерепица. Результаты геологии вроде-бы нормальные (на первой картинке есть краткая информация). Так вот,во-первых,выводы геологии отнюдь не утешительны - пылеватые пески при замокании теряют несущую способность более чем наполовину,поэтому ширина подушки вполне оправдана,а вот армирование её запроектировано абсолютно неграмотно:такой арматуры как 6А400С в природе давно не существует,а нижняя сетка должна работать как в поперечном направлении,так и в продольном,поэтому её желательно в данном случае выполнить из 12А400С 150х150мм,во-вторых,в верхней части фундамента должна присутствовать арматура,работающая на растяжение,а в теле бетонной стены вертикальная и горизонтальная связующая арматура,работающая также на косой срез.и в-третьих,ширина верхне части фундамента обычно принимается немного шире несущих стен,т.е.если кирпичная стена 380мм,то фундамент делают 400мм... И по поводу бетона В10 -можно,конечно,сделать такой,но его прочность довольно мала,нужно применять как минимум В15(марка 200). А про армирование ганка вообще молчу...во всем фундаменте запроектировано 266кг арматуры,а тут 332кг... И лучше не пытайтесь ваять на авось,если не желаете потом стягивать металлом трещины в стенах... 3 Посилання на коментар Поділитися на інших сайтах More sharing options...
Zak Опубліковано: 5 травня 2012 Поділитись Опубліковано: 5 травня 2012 В том то и дело что фундамент просчитывает конструктор, а не архитектор. Мало кто с архитекторов умеют делать просчеты у них совсем другая специфика работы. В вашем случае просчеты никто и не делал. Вероятность того что вы повелись на дешевый проект, как говорится "какие деньги такая и работа". Может 1600 у.е. за дом в 145 квадратов это и дешево, но как минимум сопоставимо с расценками одного из признанных специалистов форума. Да и выбирался архитектор из БС как спец по проектированию домов с плоской крышей. А вот обманывать что над фундаментом трудится конструктор и ставить в проекте его мнимую подпись нехорошо. Впрочем ветка не о моём чертеже, а вот в БС я таки отпишусь, давно уже собирался. Посилання на коментар Поділитися на інших сайтах More sharing options...
Upletai Опубліковано: 5 травня 2012 Поділитись Опубліковано: 5 травня 2012 так дайте ссылку, страна должна знать своих героев. Возможно получим ответ от исполнителя, и в споре родится чего-нибудь. Посилання на коментар Поділитися на інших сайтах More sharing options...
agatrid Опубліковано: 5 травня 2012 Автор Поділитись Опубліковано: 5 травня 2012 Так вот,во-первых,выводы геологии отнюдь не утешительны - пылеватые пески при замокании теряют несущую способность более чем наполовину,поэтому ширина подушки вполне оправдана Пылеватые пески заканчиваются на глубине 1,6 м. Именно на такую глубину конструктор и углубил фундамент. Этой информации не было на тех картинках, что я разместил (прикрепил станицу из геологического отчета, где это отражено). а вот армирование её запроектировано абсолютно неграмотно:такой арматуры как 6А400С в природе давно не существует,а нижняя сетка должна работать как в поперечном направлении,так и в продольном,поэтому её желательно в данном случае выполнить из 12А400С 150х150мм,во-вторых,в верхней части фундамента должна присутствовать арматура,работающая на растяжение,а в теле бетонной стены вертикальная и горизонтальная связующая арматура,работающая также на косой срез.и в-третьих,ширина верхне части фундамента обычно принимается немного шире несущих стен,т.е.если кирпичная стена 380мм,то фундамент делают 400мм... И по поводу бетона В10 -можно,конечно,сделать такой,но его прочность довольно мала,нужно применять как минимум В15(марка 200). А про армирование ганка вообще молчу...во всем фундаменте запроектировано 266кг арматуры,а тут 332кг... И лучше не пытайтесь ваять на авось,если не желаете потом стягивать металлом трещины в стенах... Огромное спасибо за информацию. А про армирование ганка вообще молчу...во всем фундаменте запроектировано 266кг арматуры,а тут 332кг... Меня это тоже очень удивило, уточню у конструктора почему именно так. И лучше не пытайтесь ваять на авось,если не желаете потом стягивать металлом трещины в стенах... На авось никто и не рассчитывает, именно поэтому была создана эта тема. Посилання на коментар Поділитися на інших сайтах More sharing options...
Киев-1966 Опубліковано: 5 травня 2012 Поділитись Опубліковано: 5 травня 2012 (змінено) Добрый день. Получил чертежи фундамента от конструктора. Хотел спросить мнения многоуважаемых специалистов все ли нормально. Дом из газоблока (плотность 400, толшина 500 мм.), 2 эт., перекрытия между этажами плиты, между 2 этажом и крышей дерево, крыша металочерепица. Результаты геологии вроде-бы нормальные (на первой картинке есть краткая информация). Ширину подошвы,которая и является фундаментом трогать нельзя.У Вас стена из газоблока шириной 500мм .Если газоблок под штукатурку, ленту не можно,а нужно сделать 400мм,а не 500,что в купе с цокольным утеплителем (50мм ЭППС) сделает у Вас западающий правильный цоколь,а не выступающий. ..... Змінено 5 травня 2012 користувачем Киев-1966 Посилання на коментар Поділитися на інших сайтах More sharing options...
agatrid Опубліковано: 5 травня 2012 Автор Поділитись Опубліковано: 5 травня 2012 Ширину подошвы,которая и является фундаментом трогать нельзя.У Вас стена из газоблока шириной 500мм .Если газоблок под штукатурку, ленту не можно,а нужно сделать 400мм,а не 500,что в купе с цокольным утеплителем (50мм ЭППС) сделает у Вас западающий правильный цоколь,а не выступающий. ..... Вот я что-то такое тоже думаю... Газоблок под штукатурку, фундамент уменьшил бы с внешней стороны на ширину утеплителя, чтобы в одну линию со стеной был и мостики холода убрал бы. Посилання на коментар Поділитися на інших сайтах More sharing options...
Киев-1966 Опубліковано: 5 травня 2012 Поділитись Опубліковано: 5 травня 2012 Вот я что-то такое тоже думаю... Газоблок под штукатурку, фундамент уменьшил бы с внешней стороны на ширину утеплителя, чтобы в одну линию со стеной был и мостики холода убрал бы. В одну линию западлицо не нужно.Лучше на 2-5 см западающий цоколь. Посилання на коментар Поділитися на інших сайтах More sharing options...
prazdnikof Опубліковано: 5 травня 2012 Поділитись Опубліковано: 5 травня 2012 Ну это ещё нормально, мой архитектор вообще проармировал фундамент по самое не балуйся. И это под дом из ГБ на песчаном грунте без подвала. Явно позаимствовал от пятиэтажки с подвалом. Однозначный перебор, правда не озвучили грунт, но ка-кто сердито заармировано. Добавлено через 52 секунды В одну линию западлицо не нужно.Лучше на 2-5 см западающий цоколь. 5см это уже много, тем более для газоблока, лучше 2-3см. Посилання на коментар Поділитися на інших сайтах More sharing options...
Winder Опубліковано: 6 травня 2012 Поділитись Опубліковано: 6 травня 2012 Фундамент соотвествует геологии, но я б армировал не только подошву, а всю ленту. Как вариант можно рассмотреть плитный фундамент или сваи. Посилання на коментар Поділитися на інших сайтах More sharing options...
Киев-1966 Опубліковано: 6 травня 2012 Поділитись Опубліковано: 6 травня 2012 Фундамент соотвествует геологии, но я б армировал не только подошву, а всю ленту. Как вариант можно рассмотреть плитный фундамент или сваи. О какой плите и сваях Вы говорите? В данном случае можно спорить о переизбытке арматуры например или ширины подошвы,но не о виде фундамента.Если позволяет геология -Нет фундамента лучше монолитной ленты с подошвой с прохождением точки промерзания. Посилання на коментар Поділитися на інших сайтах More sharing options...
Golos Опубліковано: 6 травня 2012 Поділитись Опубліковано: 6 травня 2012 Если позволяет перепад высот по пятну посадки дома - я бы однозначно делал плиту. Дело в том что заглубить ленту на 1,6м - очнь не дешевое удовольствие. Добавьте потом обратную засыпку, устройство плиты пола по грунту - и убедитесь что выйдет дороже. Посилання на коментар Поділитися на інших сайтах More sharing options...
Winder Опубліковано: 6 травня 2012 Поділитись Опубліковано: 6 травня 2012 О какой плите и сваях Вы говорите? В данном случае можно спорить о переизбытке арматуры например или ширины подошвы,но не о виде фундамента.Если позволяет геология -Нет фундамента лучше монолитной ленты с подошвой с прохождением точки промерзания. Монолитная утеплёная плита в разных вариациях, вполне хорошо ведёт себя на слабых грунтах. При этом под ней грунт практически не промерзает. Ну а сваи, они и в Африке сваи, забил и забыл Кстати, лично я вижу недостаток или неоптимальное распределение арматуры, но уж никак не переизбыток. Посилання на коментар Поділитися на інших сайтах More sharing options...
Golos Опубліковано: 6 травня 2012 Поділитись Опубліковано: 6 травня 2012 Если позволяет геология -Нет фундамента лучше монолитной ленты с подошвой с прохождением точки промерзания. Не знаю понятия "лучшего фундамента". Есть решения, применимые и оправданные в каждом отдельном случае. Посилання на коментар Поділитися на інших сайтах More sharing options...
Киев-1966 Опубліковано: 6 травня 2012 Поділитись Опубліковано: 6 травня 2012 (змінено) Не знаю понятия "лучшего фундамента". Есть решения, применимые и оправданные в каждом отдельном случае. Если взять данный случай,то полноценная лента с подошвой у него составляет 53 куба бетона,а плита минимум 30см которую нужно отступить еще и на 10см от края стены 45 кубов.Не думаю,что из-за 8 кубов нужно изменить решение....И в моем понимании плита-это просто плита,дальше возведение цоколя на 50см ,прокладка инженерии ,засыпка керамзитом и пол по грунту,ибо я не воспринимаю,прокладку инженерии под плитой.И слова-А что та может сломаться-это не аргумент и всегда вызывает улыбку.Раз 30-50 лет коммуникации нужно менять.В ленте этого нет! Змінено 6 травня 2012 користувачем Киев-1966 Посилання на коментар Поділитися на інших сайтах More sharing options...
Winder Опубліковано: 6 травня 2012 Поділитись Опубліковано: 6 травня 2012 Если взять данный случай,то полноценная лента с подошвой у него составляет 53 куба бетона,а плита минимум 30см которую нужно отступить еще и на 10см от края стены 45 кубов.Не думаю,что из-за 8 кубов нужно изменить решение.... Сложность и время изготовление такой ленты гораздо выше, при этом получаем уже готовый черновой пол. И в моем понимании плита-это просто плита,дальше возведение цоколя на 50см ,прокладка инженерии ,засыпка керамзитом и пол по грунту, Ну, значит Вы многово непонимаете Посилання на коментар Поділитися на інших сайтах More sharing options...
Киев-1966 Опубліковано: 6 травня 2012 Поділитись Опубліковано: 6 травня 2012 (змінено) Сложность и время изготовление такой ленты гораздо выше, при этом получаем уже готовый черновой пол. Ну, значит Вы многово непонимаете Интересно узнать,что же я не понимаю в строительсве,то что понимаете Вы?Ну да ладно,пусть будет так,коль считаете себя последней инстанцией. Но разводку инженерии под плитой я не понимаю и не пойму никогда Слава Богу! Если брать правильную плиту с прокладкой инженерии под полом,а не под плитой,то все вкупе (плита-цоколь-засыпка цоколя-черновой пол) -это выходит самый дорогой фундамент в отличии от ленты,где при заливке закладывается техническое отверстие для инженерии и все.Это первое.Второе-утепленную плиту нужно лить на пеностекло 100мм.ЭППС можно использовать для цоколя,утепления отмостки,но не под плитой же.Вы вот знаете,что будет с ЭППС через 20-50 лет? Никто не знает.И не нужно таких эксперементов.Если последнии три года начали заливать плиты на ЭППС-это не показатель для меня и не аргумент,но можно сказать с точностью на 100 лет пенопласта не хватит,так же,как и различных труб под плитой.Я привык делать основательно,а Вы как дешевле.Вот и вся разница Змінено 6 травня 2012 користувачем Киев-1966 Посилання на коментар Поділитися на інших сайтах More sharing options...
Winder Опубліковано: 6 травня 2012 Поділитись Опубліковано: 6 травня 2012 Стоп, стоп, стоп о каких таких ЭППС под плитой? Я ничего такого не говорил Впрочем я не отрицаю такого варианта, но предпочитаю плиту утеплённую сверху. Далее, о какой именно инженерии под плитой Вы говорите? Посилання на коментар Поділитися на інших сайтах More sharing options...
Рекомендовані повідомлення
Створіть акаунт або увійдіть у нього для коментування
Ви маєте бути користувачем, щоб залишити коментар
Створити акаунт
Зареєструйтеся для отримання акаунта. Це просто!
Зареєструвати акаунтУвійти
Вже зареєстровані? Увійдіть тут.
Увійти зараз