ДОКС Опубліковано: 26 січня 2013 Поділитись Опубліковано: 26 січня 2013 Вопрос к Доксу: хороший вопрос. спасибо. ответ однозначен - соединение вертикальных стержней выполнено не верно. в телефонном режиме я подрядчику раз 10-ть акцентировал внимание на эти узлы... пусть играется... Посилання на коментар Поділитися на інших сайтах More sharing options...
Yar_kiev Опубліковано: 26 січня 2013 Поділитись Опубліковано: 26 січня 2013 Фундамент однозначно гидроизолировать и дренаж. Куда подевалась пленка? (На фото заливки фундамента вроде была), подсыпка щебнем? Конечно гидроизолировать, но почему на этапе когда возводятся стены, а не раннее? Сварное соединение, не говоря уже как, а в принципе недопустимо. Пусть покажут сертификат на арматуру, а в нем ГОСТ, и где в этом ГОСТе указана допустимость сварного соединения? Копеешная экономия приводит к серьезным косякам, Вам не жаль своих денег? 1 Посилання на коментар Поділитися на інших сайтах More sharing options...
Елочка Опубліковано: 26 січня 2013 Автор Поділитись Опубліковано: 26 січня 2013 Пусть покажут сертификат на арматуру, а в нем ГОСТ, и где в этом ГОСТе указана допустимость сварного соединения? Точность ссылки не дам, и не знаю правильность соединения вертикальных стержней, завтра с утра буду узнавать. Специально сфотографировала арматуру колонны, что бы проверить правильность. Но допустимость сварного соединения есть. С этим согласился и технадзор. Обоснование спрошу. Добавлено через 2 минуты Куда подевалась пленка? Она под водой. Посилання на коментар Поділитися на інших сайтах More sharing options...
Riser Опубліковано: 26 січня 2013 Поділитись Опубліковано: 26 січня 2013 Сварное соединение недопустимо Кто и где сказал? Просто есть места где это просто необходимо. Эх жил бы не в Крыму то не было бы у меня арматуры как для форта. Допустимо, разрешено, варят даже в стык. Если правильно помню то используя филеровочный шов. В английском помню Butt weld. Номер ГОСТа и картинку как варить дам утром. 1 Посилання на коментар Поділитися на інших сайтах More sharing options...
Елочка Опубліковано: 26 січня 2013 Автор Поділитись Опубліковано: 26 січня 2013 Номер ГОСТа и картинку как варить дам утром. Буду ждать. Спасибо! Посилання на коментар Поділитися на інших сайтах More sharing options...
lndigo Опубліковано: 26 січня 2013 Поділитись Опубліковано: 26 січня 2013 Колонны никак не гидроизолированы от фундамента? Посилання на коментар Поділитися на інших сайтах More sharing options...
Елочка Опубліковано: 26 січня 2013 Автор Поділитись Опубліковано: 26 січня 2013 Колонны никак не гидроизолированы от фундамента? Вся лента промазана на два раза пинетроном под наблюдением.))) 1 Посилання на коментар Поділитися на інших сайтах More sharing options...
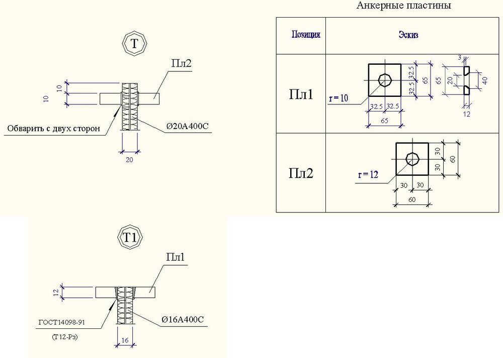
Riser Опубліковано: 27 січня 2013 Поділитись Опубліковано: 27 січня 2013 Как и обещал выкладываю колонну, и деталь Т, Т1 - анкерная пластина сварка ГОСТ 14098-91 (Т12-Рз). Деталь Д - узел стыковки продольной арматуры монолитных ж.б. колонн, сварка по ГОСТ 14098-91 (С21-Рн). Обратите внимание на взаимное расположение арматуры в разрезе А-А. 1 Посилання на коментар Поділитися на інших сайтах More sharing options...
"Крымчанин" Опубліковано: 27 січня 2013 Поділитись Опубліковано: 27 січня 2013 Это так нормально? На забор кладку делал один каменщик, на доме делает сейчас данная бригада. Мне так кажется или нет, экономия раствора и не затерты швы, или так надо? Берут меня сомнения по поводу того, что я не сразу буду дом утеплять, а так как то остаются щели. Все зависит от планируемой отделки фасада. Если по стенам не планируется больше ни какой штукатурки: черновой или чистовой маячной, тогда швы нужно заделывать полностью, как на фото из Гугла. Ну, например, если дом будет обшиваться сайдингом или облицовываться кирпичом. Другой вариант: если дом планируете штукатурить под покраску. или, к примеру, оклеивать пенопластом. Под пенопласт лучше ракушняк оштукатурить черновой штукатуркой, для того, чтобы листы пенопласта клеить "под гребенку" прямо на стену( самый надежный вариант монтажа). В таком случае заполнять швы не обязательно. А даже наоборот: гладко заглаженные швы уменьшают сцепку штукатурки со стеной. Как пример: на гладкой стене при штукатурке специально делаются насечки для улучшения сцепки. То что наружные стены не будут какое-то время отделываться не совсем хорошо, но не критично, зависит от времени. Привести это может к постепенному разрушению самого камня (ветер. дождь, мороз). На самом растворе в швах это ни как не скажется. 1 Посилання на коментар Поділитися на інших сайтах More sharing options...
Yar_kiev Опубліковано: 27 січня 2013 Поділитись Опубліковано: 27 січня 2013 Как и обещал выкладываю колонну А почему вы решили что арматура выпущена согласно ГОСТ 14098-91 (1991 г.в.), тут нужна другая последовательность действий Пусть покажут сертификат на арматуру, а в нем ГОСТ, и где в этом ГОСТе указана допустимость сварного соединения?;) Посилання на коментар Поділитися на інших сайтах More sharing options...
Елочка Опубліковано: 27 січня 2013 Автор Поділитись Опубліковано: 27 січня 2013 Ездила сегодня на показ стенки, которую мне сложили в прошлой пристройке. Дима-подрядчик сказал, что все будет еще даже лучше. И геометрия и кладка, потому как строители видят какой у низ заказчик. Я думаю, что так и будет, потому как просто другого не приму. Хотя послесловие или послевкусие после этого осталось. Подумалось... 1.А что раньше не видели? 2.А интересно есть такие заказчики, которым по барабану, как им строят за их деньги? Возникла аналогия со своей работой, может только у меня так. Приходит покупатель и говорит, что подошва в этих сапогах треснула. Мне надо ответить: -Странно, ни у кого не треснула,(продано три ростовки) а у Вас, что ноги не такие? И делаю роковую ошибку, принимаю назад обувь и за свой счет отсылаю их в Португалию с рекламацией на фабрику. А ведь есть чему поучиться...;) Утеплять буду однозначно пенопластом, это одно решение, которое у меня 100процентов. Буду стараться сразу, но это не от меня зависит. Моя первостепенная задача стены, крыша и внутренняя отделка хотя бы первого этажа. потому как свое жилье отдано сыну, а я с дочкой живу в съемном. А цены у нас на ЮБК сами понимаете.:sad: 1 Посилання на коментар Поділитися на інших сайтах More sharing options...
Riser Опубліковано: 27 січня 2013 Поділитись Опубліковано: 27 січня 2013 А почему вы решили что арматура выпущена согласно ГОСТ 14098-91 (1991 г.в.), тут нужна другая последовательность действий ;) А почему вы решили, что указанный ГОСТ имеет отношение к выпуску и производству арматуры? ГОСТ 14098-91 МЕЖГОСУДАРСТВЕННЫЙ СТАНДАРТ СОЕДИНЕНИЯ СВАРНЫЕ АРМАТУРЫ И ЗАКЛАДНЫХ ИЗДЕЛИЙ ЖЕЛЕЗОБЕТОННЫХ КОНСТРУКЦИЙ Типы, конструкции и размеры Welded joints of reinforcement and inserts for reinforced concrete structures. Types, constructions and dimensions ПЕРЕИЗДАНИЕ. Май 2004 г. Настоящий* стандарт распространяется на сварные соединения стержневой арматуры и арматурной проволоки диаметром 3 мм и более, сварные соединения стержневой арматуры с прокатом толщиной от 4 до 30 мм, выполняемые при изготовлении арматурных и закладных изделий железобетонных конструкций, а также при монтаже сборных и возведении монолитных железобетонных конструкций. Стандарт* устанавливает типы, конструкцию и размеры указанных сварных соединений, выполняемых контактной и дуговой сваркой. Стандарт* устанавливает классы арматуры допустимые для сварных соединений. Стандарт* не распространяется на сварные соединения закладных изделий, не имеющих анкерных стержней из арматурной стали. Посилання на коментар Поділитися на інших сайтах More sharing options...
"Крымчанин" Опубліковано: 28 січня 2013 Поділитись Опубліковано: 28 січня 2013 Утеплять буду однозначно пенопластом, это одно решение, которое у меня 100процентов. Ну тогда сильно не переживайте насчет незаполненных швов, т.к. все равно будете штукатурить черновой штукатуркой под пенопласт. Хотя это уже как вам нравится. Некоторым заказчикам больше нравится, чтобы швы были заполнены - так кладка смотрится красивее и визуально кажется более качественной. А штукатуры вам оштукатурят одинаково как с заполненными швами так и с пустыми. Хотя мое мнение: пустой шов все же лучше для сцепки. 1 Посилання на коментар Поділитися на інших сайтах More sharing options...
2012GERDA Опубліковано: 29 січня 2013 Поділитись Опубліковано: 29 січня 2013 Здравствуйте. Слежу за вашей темкой. У меня тоже участок под Алуштой и собираюсь к осени начать строиться. Но сначала также хочу подвести коммуникации и свет к участку. Скажите, во сколько вам обошлись подключение к эл.энергии, сколько выделили кВт, ну и по водопроводу с канализацией. Спасибо Посилання на коментар Поділитися на інших сайтах More sharing options...
Елочка Опубліковано: 29 січня 2013 Автор Поділитись Опубліковано: 29 січня 2013 Скажите, во сколько вам обошлись подключение к эл.энергии, сколько выделили кВт, ну и по водопроводу с канализацией. Выделили 15кВт, 3 фазы, ТУ и подвод к участку стало в районе 10т. убитых един., вода и канализация- центральные, ТУ были при покупке участка. 1 Посилання на коментар Поділитися на інших сайтах More sharing options...
"Крымчанин" Опубліковано: 29 січня 2013 Поділитись Опубліковано: 29 січня 2013 У меня тоже участок под Алуштой и собираюсь к осени начать строиться. Ну тогда ждем открытие вашей темы на форуме. Ну и чем сможем - поможем. Посилання на коментар Поділитися на інших сайтах More sharing options...
POLAA Опубліковано: 29 січня 2013 Поділитись Опубліковано: 29 січня 2013 (ссылка на изображение устарела) А что там под камушком за гидроизоляция? Похоже на какой-то рулонный материал, хотя на других фото его не видно. Использование рубероида и всего подобного прочего запрещено. Елочка, если не начали еще везде стены ложить то выкидывайте его к чертям где еще нет кладки и замените его хотябы 30мм цементен песчаного раствора с жидким стеклом, если нет возможности использовать пенетрат/пенетрон/аллюминат и прочего подобного. Обоснуйте, пожалуйста, Ваш тезис о запрете гидроизолировать стены от фундамента рулонным гидроизолирующим материалом. У нас в стране уже запретили рулонную гидроизоляцию? Дайте, пожалуйста, конкретную ссылку на нормативный акт, запрещающий использование рулонной гидроизоляции. Что до гидроизоляции цементом с жидким стеклом. Это из какого норматива? Дайте, пожалуйста, ссылку на конкретный норматив. Жидкое стекло (силикат натрия и/или калия) - ускоряет схватывание, и немного уплотняет структуру цементного камня, улучшая его водонепроницаемость. Только и всего. Но гидроизолятором цементный камень хоть с жидким стеклом, хоть без него, не был, и не будет. Пористость как была, так и останется. И в контексте именно данной гидроизоляции не важно, чуть больше пористость цементного камня, или чуть меньше. Да и пластические свойства цементного камня не идут ни в какое сравнение с битумной рулонной гидроизоляцией - рано или поздно цементный камень будет иметь микротрещины, особенно после сотрясений земли. Чтобы люди не фантазировали на счет свойств "жидкого стекла", сообщаю, что обычный старый добрый канцелярский силикатный клей и есть "жидкое стекло". А то не специалисты сразу в голове строят образ материала, после схватывания похожего на бутылочное стекло, такого же водонепроницаемого.))) 1 Посилання на коментар Поділитися на інших сайтах More sharing options...
POLAA Опубліковано: 29 січня 2013 Поділитись Опубліковано: 29 січня 2013 Ну тогда сильно не переживайте насчет незаполненных швов, т.к. все равно будете штукатурить черновой штукатуркой под пенопласт. Хотя это уже как вам нравится. Некоторым заказчикам больше нравится, чтобы швы были заполнены - так кладка смотрится красивее и визуально кажется более качественной. А штукатуры вам оштукатурят одинаково как с заполненными швами так и с пустыми. Хотя мое мнение: пустой шов все же лучше для сцепки. Обоснуйте, пожалуйста, зачем ровно сложенную стену, перед утеплением пенопластом, нужно штукатурить? Дайте, пожалуйста, конкретную ссылку на технологическую карту производителей фасадных систем скрепленной теплоизоляции (утепление пенопластом или минватой), в которых написано, что стену перед утеплением пенопластом обязательно нужно штукатурить. Утеплять буду однозначно пенопластом, это одно решение, которое у меня 100процентов. Буду стараться сразу, но это не от меня зависит. Моя первостепенная задача стены, крыша и внутренняя отделка хотя бы первого этажа. потому как свое жилье отдано сыну, а я с дочкой живу в съемном. А цены у нас на ЮБК сами понимаете.:sad: Не экономьте на утеплении. Лучше утеплитесь - меньше будете всю оставшуюся жизнь платить за отопление. Позже включать отопление. Комфортней себя чувствовать в теплом доме. Не бояться аварийных отключений газа/электрики, поскольку хорошо утепленный дом не замерзнет до устранения аварии. Вы будете штукатурить наружные стены изнутри? 1 Посилання на коментар Поділитися на інших сайтах More sharing options...
Riser Опубліковано: 30 січня 2013 Поділитись Опубліковано: 30 січня 2013 Обоснуйте, пожалуйста, Ваш тезис о запрете гидроизолировать стены от фундамента рулонным гидроизолирующим материалом. У нас в стране уже запретили рулонную гидроизоляцию? Дайте, пожалуйста, конкретную ссылку на нормативный акт, запрещающий использование рулонной гидроизоляции. Именно Запретили! и уже очень давно. Но почему-то ее суют везде где можно и где нельзя. Причем прораб и строители должны это знать. Хотя в современном мире прораб на частной стройке в большинстве без строительного образования, а просто бугор/бригадир. Он должен советовать и делать как можно лучше, а по факту как умеет или как может и получается еще хуже. Горизонтальная гидроизляция битумными и полимерными рулонными материалами не допускается. Скользят. Читайте : СП 31-114-2004 "ПРАВИЛА ПРОЕКТИРОВАНИЯ ЖИЛЫХ И ОБЩЕСТВЕННЫХ ЗДАНИЙ в сейсмических районах" 7.1.15 Гидроизоляционные слои в зданиях следует выполнять из цементного раствора. Применять рулонные гидроизоляционные материалы не допускается. СНиП II-7-81* "СТРОИТЕЛЬСТВО В СЕЙСМИЧЕСКИХ РАЙОНАХ" 3.17. Гидроизоляционные слои в зданиях следует выполнять из цементного раствора. Ну и небольшая цитатка : Горизонтальную гидроизоляцию в зданиях следует, как правило, выполнять из цементного раствора. Применение для этих целей материалов на битумной или полимерной основе допускается только при использовании экспериментально обоснованных конструктивных решений, исключающих недопустимые горизонтальные смещения здания. Я думаю что: экспериментально обоснованныe конструктивныe решения не производились. Вот про алюминат : (ссылка устарела) Oн сейчас входит в состав готовых смесей для аварийной остановки течи. 1 Посилання на коментар Поділитися на інших сайтах More sharing options...
Gothia Опубліковано: 30 січня 2013 Поділитись Опубліковано: 30 січня 2013 СП 31-114-2004 "ПРАВИЛА ПРОЕКТИРОВАНИЯ ЖИЛЫХ И ОБЩЕСТВЕННЫХ ЗДАНИЙ в сейсмических районах" СНиП II-7-81* "СТРОИТЕЛЬСТВО В СЕЙСМИЧЕСКИХ РАЙОНАХ" Это нормативы не имеют отношения к нам. Можно ссылку на Украинские нормативы? Посилання на коментар Поділитися на інших сайтах More sharing options...
Riser Опубліковано: 30 січня 2013 Поділитись Опубліковано: 30 січня 2013 Это нормативы не имеют отношения к нам. Можно ссылку на Украинские нормативы? вот перевод Захист від небезпечних геологічних процесів, шкідливих ДБН В.1.1-12:2006 експлуатаційних впливів, від пожежі Будівництво у сейсмічних районах України На заміну СНиП ІІ-7-81* 3.2.6 Горизонтальні гідроізоляційні шари в стінах будівель належить виконувати з цементного розчину. Посилання на коментар Поділитися на інших сайтах More sharing options...
Gothia Опубліковано: 30 січня 2013 Поділитись Опубліковано: 30 січня 2013 3.2.6 Горизонтальні гідроізоляційні шари в стінах будівель належить виконувати з цементного розчину. И? Покажите пожалуйста нам, где В СТЕНЕ находится гидроизоляционный слой? Посилання на коментар Поділитися на інших сайтах More sharing options...
Riser Опубліковано: 30 січня 2013 Поділитись Опубліковано: 30 січня 2013 (змінено) Ни вам ни кому другому ничего доказывать не собираюсь. Не согласены ваше право! Посылання побычив? Так трактуйте его как вам хочется. Здесь проект сделан Доксом, все на чертежах. Если у вас другое трактование, то ДБН, СНИП или еще что в студию. Говорите тем же языком, который хотите услышать. жду ваше объяснение в чем я не прав с ссылкой на нормы. Есть вопросы? Ищите ответ сами. Змінено 30 січня 2013 користувачем Riser Посилання на коментар Поділитися на інших сайтах More sharing options...
lndigo Опубліковано: 30 січня 2013 Поділитись Опубліковано: 30 січня 2013 Обоснуйте, пожалуйста, Ваш тезис о запрете гидроизолировать стены от фундамента рулонным гидроизолирующим материалом. У нас в стране уже запретили рулонную гидроизоляцию? Дайте, пожалуйста, конкретную ссылку на нормативный акт, запрещающий использование рулонной гидроизоляции. Справедливости ради надо отметить, что Riser прав. ДБН В.1.1-12:2006 регламентирует применение цементных растворов (в т.ч. Пенетрат, например) для горизонтальной гидроизоляции. Себе я делал рулонную, только в местах фундамент-колонна гидроизолировал Пенетратом. О существовании этой нормы в ДБНе на тот момент не знал. Сейсмика 8 баллов, да. 1 Посилання на коментар Поділитися на інших сайтах More sharing options...
Елочка Опубліковано: 30 січня 2013 Автор Поділитись Опубліковано: 30 січня 2013 Себе я делал рулонную, только в местах фундамент-колонна гидроизолировал Пенетратом. Аналогично. И то же спрашивала, потому как слышала об этом при строительстве в сейсмозонах. Но так никто и не дал ссылку и не обосновал. Добавлено через 2 минуты У нас дождь и снежок пролетает, но ребята строят, заезжала сегодня - работа кипит. Посилання на коментар Поділитися на інших сайтах More sharing options...
Рекомендовані повідомлення
Створіть акаунт або увійдіть у нього для коментування
Ви маєте бути користувачем, щоб залишити коментар
Створити акаунт
Зареєструйтеся для отримання акаунта. Це просто!
Зареєструвати акаунтУвійти
Вже зареєстровані? Увійдіть тут.
Увійти зараз