skamristo Опубліковано: 1 березня 2013 Поділитись Опубліковано: 1 березня 2013 Добрый, почитав несколько подобных веток окончательно запутался! монтаж намечен на подельник, по сему прошу консультации ;) Итак, вместе с квартирой был унаследован двухконтурник buderus logamax 052-28k. С отоплением справляется да и с ГВС тоже, за исключением того, что точки разбора находятся на удалении около 8м от котла. Было принято решение о построении циркуляционной системы на базе комбинированного бойлера Drazice OKC 100/1 m2. Вешатся он на контур отопления с установкой трехходового с приводом от термодатчика бойлера. Подача воды в бойлер будет организована с контура ГВС газового котла, а рециркуляция будет только между бойлером и точками потребления Насколько я понимаю то после забора воды включится контур ГВС котла, и будет давать уже нагретую воду в бойлер, где ее дальнейший нагрев (в момент раздачи) будет подогреваться ТЭНом бойлера. (или не будет подогреваться вовсе поскольку мощности котла достаточно и потребитель всего один) После прекращения разбора контур отопления снова включится и будет происходить нагрев бойлера контуром отопления что скажете, эксперты ? ;) Посилання на коментар Поділитися на інших сайтах More sharing options...
MADALEX13 Опубліковано: 2 березня 2013 Поділитись Опубліковано: 2 березня 2013 Смотрите такая схема будет работать если вы бойлер подключите как радиатор. Иначе если вы завяжите 3-хдовой по датчику, то когда остынет вода в буфере будет конфликт. Включется нагрев ГВС и переключится 3-х ходовой на нагрев бойлера в контуре отопления, но нагрева не будет т.к. вся мощность уйдет на ГВС и бак типа нагреется. Я бы из этой схемы убрал бы какой-то контур а именно гарячую воду из котла на ГВС. Там теплообменник маленький и нагреть бойлер ему будет очень проблематично, а вообще надо было брать одноконтурник и не парится. Посилання на коментар Поділитися на інших сайтах More sharing options...
naupv Опубліковано: 3 березня 2013 Поділитись Опубліковано: 3 березня 2013 После прекращения разбора контур отопления снова включится и будет происходить нагрев бойлера контуром отопления А летом как будет греться думали? Электричеством дороговато. Двухконтурник+бойлер косвенник.pdf Вот рабочая схема от INTERSO. Посилання на коментар Поділитися на інших сайтах More sharing options...
skamristo Опубліковано: 3 березня 2013 Автор Поділитись Опубліковано: 3 березня 2013 Смотрите такая схема будет работать если вы бойлер подключите как радиатор. Иначе если вы завяжите 3-хдовой по датчику, то когда остынет вода в буфере будет конфликт. Включется нагрев ГВС и переключится 3-х ходовой на нагрев бойлера в контуре отопления, но нагрева не будет т.к. вся мощность уйдет на ГВС и бак типа нагреется. Я бы из этой схемы убрал бы какой-то контур а именно гарячую воду из котла на ГВС. Там теплообменник маленький и нагреть бойлер ему будет очень проблематично, а вообще надо было брать одноконтурник и не парится. бойлер подключен как радиатор в контур отопления, трехходовой привязан к датчику воды в бойлере - поэтому не вижу конфликта из-за остывшей воды в буфере гвс из котла лишь подает уже горячую воду в бойлер с чем справится без проблем, а нагрев с контура отопления ну или электричества если вдруг понадобицца, по мимо это есть еще резервный котел электрический ;)) А летом как будет греться думали? Электричеством дороговато. [ATTACH]254823[/ATTACH] Вот рабочая схема от INTERSO. летом так же как и зимой, за исклчением того что существующие радиаторы отключаются трехходовыми через байпас (режим лето-зима) Посилання на коментар Поділитися на інших сайтах More sharing options...
О_ВК Опубліковано: 3 березня 2013 Поділитись Опубліковано: 3 березня 2013 Добрый, почитав несколько подобных веток окончательно запутался! монтаж намечен на подельник, по сему прошу консультации ;) Итак, вместе с квартирой был унаследован двухконтурник buderus logamax 052-28k. С отоплением справляется да и с ГВС тоже, за исключением того, что точки разбора находятся на удалении около 8м от котла. Было принято решение о построении циркуляционной системы на базе комбинированного бойлера Drazice OKC 100/1 m2. Вешатся он на контур отопления с установкой трехходового с приводом от термодатчика бойлера. Подача воды в бойлер будет организована с контура ГВС газового котла, а рециркуляция будет только между бойлером и точками потребления Насколько я понимаю то после забора воды включится контур ГВС котла, и будет давать уже нагретую воду в бойлер, где ее дальнейший нагрев (в момент раздачи) будет подогреваться ТЭНом бойлера. (или не будет подогреваться вовсе поскольку мощности котла достаточно и потребитель всего один) После прекращения разбора контур отопления снова включится и будет происходить нагрев бойлера контуром отопления что скажете, эксперты ? ;) Набросайте схемку - по ней и пройдемся Посилання на коментар Поділитися на інших сайтах More sharing options...
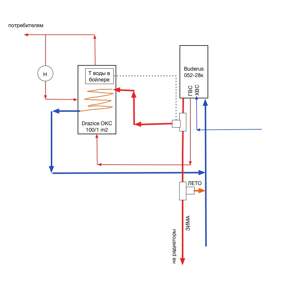
skamristo Опубліковано: 3 березня 2013 Автор Поділитись Опубліковано: 3 березня 2013 (змінено) Набросайте схемку - по ней и пройдемся разве что расширительный бак и группу безопасности не указал Змінено 3 березня 2013 користувачем skamristo Посилання на коментар Поділитися на інших сайтах More sharing options...
ts3 Опубліковано: 3 березня 2013 Поділитись Опубліковано: 3 березня 2013 разве что расширительный бак и группу безопасности не указал 1. Рассмотрим вариант, когда на улице -22. После прекращения водоразбора включится контур отопления и начнет греть батареи до температуры +75-80 градусов. В баке косвенного нагрева вода, плавненько, достигнет этой же величины.. Как в Вашей схеме решается этот вопрос? Посилання на коментар Поділитися на інших сайтах More sharing options...
О_ВК Опубліковано: 3 березня 2013 Поділитись Опубліковано: 3 березня 2013 разве что расширительный бак и группу безопасности не указал Исходя из вашей схемы - на кой Вам косвенник вообще? Ставите обычный 100л эл бойлер и вешаете под ним рециркуляцию! Эффект тот-же и никакой головной боли. Посилання на коментар Поділитися на інших сайтах More sharing options...
skamristo Опубліковано: 3 березня 2013 Автор Поділитись Опубліковано: 3 березня 2013 1. Рассмотрим вариант, когда на улице -22. После прекращения водоразбора включится контур отопления и начнет греть батареи до температуры +75-80 градусов. В баке косвенного нагрева вода, плавненько, достигнет этой же величины.. Как в Вашей схеме решается этот вопрос? решается трехходовым с приводом который управляется термодатчиком воды в бойлере Добавлено через 1 минуту Исходя из вашей схемы - на кой Вам косвенник вообще? Ставите обычный 100л эл бойлер и вешаете под ним рециркуляцию! Эффект тот-же и никакой головной боли. вот уж нет, электричество существенно дороже газа, отсюда и потребность в комбинированном бойлере Посилання на коментар Поділитися на інших сайтах More sharing options...
ts3 Опубліковано: 3 березня 2013 Поділитись Опубліковано: 3 березня 2013 решается трехходовым с приводом который управляется термодатчиком воды в бойлере Правильно.. И важно, что бы Т(гвс) заданная была на несколько градусов ниже, чем минимальная температура подачи в систему отопления.. Иначе система может стать в вечный нагрев горячей воды.. Добавлено через 3 минуты вот уж нет, электричество существенно дороже газа, отсюда и потребность в комбинированном бойлере Спорный вопрос. Посчитайте сколько времени будет окупаться разница между баком косвенного нагрева и обычным электро-бойлером + цена трехходового с приводом и реле+доп. обвязка... Средняя величина теплопотерь стандартного бака 200л - 1.8кВт/день Посилання на коментар Поділитися на інших сайтах More sharing options...
skamristo Опубліковано: 3 березня 2013 Автор Поділитись Опубліковано: 3 березня 2013 Правильно.. И важно, что бы Т(гвс) заданная была на несколько градусов ниже, чем минимальная температура подачи в систему отопления.. Иначе система может стать в вечный нагрев горячей воды.. это очевидно - надо чтобы Т воды в бойлере была ниже чем Т отопления (учитывая дифференциал) Добавлено через 7 минут Правильно.. И важно, что бы Т(гвс) заданная была на несколько градусов ниже, чем минимальная температура подачи в систему отопления.. Иначе система может стать в вечный нагрев горячей воды.. Добавлено через 3 минуты Спорный вопрос. Посчитайте сколько времени будет окупаться разница между баком косвенного нагрева и обычным электро-бойлером + цена трехходового с приводом и реле+доп. обвязка... Средняя величина теплопотерь стандартного бака 200л - 1.8кВт/день разница в 100л бойлере около 200$ треходовые с приводом и функцией управления по беспроводному протоколу ставяться любом случае для автоматизации системы отопления зима-лето Посилання на коментар Поділитися на інших сайтах More sharing options...
Interso Опубліковано: 3 березня 2013 Поділитись Опубліковано: 3 березня 2013 С подобной проблемой столкнулся недавно на одном объекте,пришлось переделать так как вот здесь. А самый лучший вариант,продайте этот котелок и купите себе нормальный одноконтурник с возможностью подключения бойлера. 1 Посилання на коментар Поділитися на інших сайтах More sharing options...
skamristo Опубліковано: 3 березня 2013 Автор Поділитись Опубліковано: 3 березня 2013 А самый лучший вариант,продайте этот котелок и купите себе нормальный одноконтурник с возможностью подключения бойлера. к сожалению для этого требуется изменение проекта у газовщиков, поскольку это многоквартирный дом Добавлено через 6 минут С подобной проблемой столкнулся недавно на одном объекте,пришлось переделать так как вот здесь прошу прощения, но не уловил проблематику которая заставила усложнить схему Посилання на коментар Поділитися на інших сайтах More sharing options...
О_ВК Опубліковано: 3 березня 2013 Поділитись Опубліковано: 3 березня 2013 прошу прощения, но не уловил проблематику которая заставила усложнить схему По какому параметру будет работать нагрев бойлера в летний период или откуда контур отопления будет знать о необходимости нагрева бойлера? Посилання на коментар Поділитися на інших сайтах More sharing options...
skamristo Опубліковано: 3 березня 2013 Автор Поділитись Опубліковано: 3 березня 2013 По какому параметру будет работать нагрев бойлера в летний период или откуда контур отопления будет знать о необходимости нагрева бойлера? трехходовой с приводом по датчику темперауры воды в бойлере Посилання на коментар Поділитися на інших сайтах More sharing options...
Interso Опубліковано: 3 березня 2013 Поділитись Опубліковано: 3 березня 2013 трехходовой с приводом по датчику темперауры воды в бойлере У вас есть погодозависимое управление в этом котелке, если есть или если захотите его поставить то как вы собираетесь на нагрев ГВС заставить заработать котелок на полную мощность? Вот по такой схеме можна сделать и битермический котелок и с пластинчатым теплообменником.Битермический газовый котёл + бойлер косвенного нагрева.pdf 1 Посилання на коментар Поділитися на інших сайтах More sharing options...
skamristo Опубліковано: 3 березня 2013 Автор Поділитись Опубліковано: 3 березня 2013 У вас есть погодозависимое управление в этом котелке, если есть или если захотите его поставить то как вы собираетесь на нагрев ГВС заставить заработать котелок на полную мощность? не собираюсь ставить годозависимое управение, и мощность нагрева гвс менять не собираюсь, всего лишь летом автоматика (не котла и не бойлера) перекроет подачу конура отопления на радиаторы, но оставит подачу на бойлер (для нагрева), в случае когда температура воды в бойлере ниже установленной то трехходовой пускает контур отопления через себя, когда емпература воды в бойлере выше трехходовик пускает контуротопленияв обход бойлера (летом в обратку котла минуя радиаторы) Посилання на коментар Поділитися на інших сайтах More sharing options...
Interso Опубліковано: 3 березня 2013 Поділитись Опубліковано: 3 березня 2013 не собираюсь ставить годозависимое управение, и мощность нагрева гвс менять не собираюсь, всего лишь летом автоматика (не котла и не бойлера) перекроет подачу конура отопления на радиаторы, но оставит подачу на бойлер (для нагрева), в случае когда температура воды в бойлере ниже установленной то трехходовой пускает контур отопления через себя, когда емпература воды в бойлере выше трехходовик пускает контуротопленияв обход бойлера (летом в обратку котла минуя радиаторы) Вот здесь пишут что эти котелки есть одноконтурные и двухконтурные, так что нет проблем с переделкой документов в газканторе,продаёте этот а покупаете такой но одноконтурный. atlas-energo.com.ua/rus/catalog/kotli/kotli-nastennie/logamax-u052-28kUntitled.pdf Посилання на коментар Поділитися на інших сайтах More sharing options...
skamristo Опубліковано: 3 березня 2013 Автор Поділитись Опубліковано: 3 березня 2013 У вас есть погодозависимое управление в этом котелке, если есть или если захотите его поставить то как вы собираетесь на нагрев ГВС заставить заработать котелок на полную мощность? Вот по такой схеме можна сделать и битермический котелок и с пластинчатым теплообменником. погодозависимыми будут только тремовентили радиаторов, получая инфу от внешних погодных датчиков сервоприводы на радиаторах будут увеличивать или уменьшать подачу Посилання на коментар Поділитися на інших сайтах More sharing options...
О_ВК Опубліковано: 3 березня 2013 Поділитись Опубліковано: 3 березня 2013 в случае когда температура воды в бойлере ниже установленной то трехходовой пускает контур отопления через себя, когда емпература воды в бойлере выше трехходовик пускает контуротопленияв обход бойлера (летом в обратку котла минуя радиаторы) Повторяю вопрос: Откуда котел будет знать что нужно греть бойлер?! при условии что автоматики нет котел бойлер не видит! Если котел круглый год будет работать в режиме отопления - где же экономия? позвольте спросить? Посилання на коментар Поділитися на інших сайтах More sharing options...
romi9999 Опубліковано: 3 березня 2013 Поділитись Опубліковано: 3 березня 2013 Вот здесь пишут что эти котелки есть одноконтурные и двухконтурные, так что нет проблем с переделкой документов в газканторе,продаёте этот а покупаете такой но одноконтурный. Мало того, там легко "выбрасывается" вторичный теплообменник... А "мозг" и так одинаковый. Сорри, погорячился, сказанное относится к GB-042... Посилання на коментар Поділитися на інших сайтах More sharing options...
skamristo Опубліковано: 3 березня 2013 Автор Поділитись Опубліковано: 3 березня 2013 Вот здесь пишут что эти котелки есть одноконтурные и двухконтурные, так что нет проблем с переделкой документов в газканторе,продаёте этот а покупаете такой но одноконтурный. atlas-energo.com.ua/rus/catalog/kotli/kotli-nastennie/logamax-u052-28k к сожалению не так просто с газовщиками! вопрс уточнял и ответ такой: возможна замена котла при отсутсвии принципиальных изменений в конструкции (контуры, тип камеры сгорания, тип дымохода) котла и при одинаковой мощности... к сожалению замена котла в Москве это еще та история Добавлено через 6 минут Повторяю вопрос: Откуда котел будет знать что нужно греть бойлер?! при условии что автоматики нет котел бойлер не видит! Если котел круглый год будет работать в режиме отопления - где же экономия? позвольте спросить? котел не видит бойлер и не увидит его никогда (без подключения термодатчика к мозгам котла), он увидит изменение температуры в контуре отопления да контур отопления будет работать круглогодично, и кстати стоиомсть расходов ниже чем использование электрического бойлера - месяц работы контура отопления на 65-75 градусах при условии среднего минуса за окном -12 составляет 17-25 американких рублей... Посилання на коментар Поділитися на інших сайтах More sharing options...
Interso Опубліковано: 3 березня 2013 Поділитись Опубліковано: 3 березня 2013 к сожалению не так просто с газовщиками! вопрс уточнял и ответ такой: возможна замена котла при отсутсвии принципиальных изменений в конструкции (контуры, тип камеры сгорания, тип дымохода) котла и при одинаковой мощности... к сожалению замена котла в Москве это еще та история Добавлено через 6 минут котел не видит бойлер и не увидит его никогда (без подключения термодатчика к мозгам котла), он увидит изменение температуры в контуре отопления да контур отопления будет работать круглогодично, и кстати стоиомсть расходов ниже чем использование электрического бойлера - месяц работы контура отопления на 65-75 градусах при условии среднего минуса за окном -12 составляет 17-25 американких рублей... А принципиальных изменений и нет.Берёте котелок с такими-же параметрами там только буквы К небудет. По отношению контуров и всего прочего газовиков это некасается, да и вообще ненадо было к ним идти и светится. Посилання на коментар Поділитися на інших сайтах More sharing options...
skamristo Опубліковано: 3 березня 2013 Автор Поділитись Опубліковано: 3 березня 2013 А принципиальных изменений и нет.Берёте котелок с такими-же параметрами там только буквы К небудет. По отношению контуров и всего прочего газовиков это некасается, да и вообще ненадо было к ним идти и светится. проблема была с коаксиальным дымоходом..... поэтому и пришлось светится если нет возможности замены котла - то схема рабочая? Как Вы считаете? Посилання на коментар Поділитися на інших сайтах More sharing options...
Interso Опубліковано: 3 березня 2013 Поділитись Опубліковано: 3 березня 2013 проблема была с коаксиальным дымоходом..... поэтому и пришлось светится если нет возможности замены котла - то схема рабочая? Как Вы считаете? Схема рабочая но хреновая, при вашей модернизации с кучей трёхходовиков ваш котелок как был двухконтурником так и останется, другими словами при каждом открытии крана он будет переключатся с одного режима в другой, только и одно что вы сможете сделать рециркуляцию. Посилання на коментар Поділитися на інших сайтах More sharing options...
Рекомендовані повідомлення
Створіть акаунт або увійдіть у нього для коментування
Ви маєте бути користувачем, щоб залишити коментар
Створити акаунт
Зареєструйтеся для отримання акаунта. Це просто!
Зареєструвати акаунтУвійти
Вже зареєстровані? Увійдіть тут.
Увійти зараз