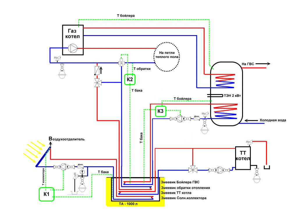
viktor-gon Опубліковано: 28 березня 2013 Поділитись Опубліковано: 28 березня 2013 Всем привет! Надумал себе вот такую штуку забабахать В целях экономии... (спорный вопрос). ТА - в земле, в подвале, из армированного бетона, утепленный в земле 10 см пенопласта. Будет закрываться крышкой и по нему можно будет ходить. Но емкость все равно не герметичная - т.е любой теплообмен только через змеевики. Есть ли более лучшие решения (без заводских накопительных баков по 20 - 30 тыс грн). ??? Правда, на каждый змеевик надо расширительный бак, насос, контроллер (можно кстати простой диф.контроллер за < 250 грн, типа этого) Он у меня успешно работает на моем самодельном солнечном коллекторе. Планирую сделать пока 6 солнечных коллекторов. Стоять будут на земле, прям в огороде-саду. Кому интересно про коллектор то здесь, Пост #159 Очень интересно услышать ваши авторитетные мнения! Прошу не бросать помидорами - схемку-картинку накатал в силу практически нулевого опыта. Если что непонятно по схеме (задумке) - спрашивайте Посилання на коментар Поділитися на інших сайтах More sharing options...
south Опубліковано: 29 березня 2013 Поділитись Опубліковано: 29 березня 2013 этож наверное сыро будет в подвале до безобразия,в следствие испарений. Посилання на коментар Поділитися на інших сайтах More sharing options...
Слободарий Опубліковано: 29 березня 2013 Поділитись Опубліковано: 29 березня 2013 Хорошая идея. Если уже делаете, то может сделать больше чем на куб? С влажностью вопросы легко решаемы. Кстати, у Вас появится резервный источник воды. Посилання на коментар Поділитися на інших сайтах More sharing options...
viktor-gon Опубліковано: 29 березня 2013 Автор Поділитись Опубліковано: 29 березня 2013 (змінено) Спасибо за первые комментарии! С влажностью никаких проблем. Крышка будет утепленной и герметичной для водяного пара. Открытого типа - имелось в виду, что в нем нельзя держать воду "под давлением" как это делается в классических ТА - к ним котел подключается напрямую, без всяких теплообменников. А в моем случае - емкость вкопана, и ниже уровня кота. Т.е вода из котла просто вытечет. По поводу резервного источника воды - тоже наверное нет - можно "осушить" емкость и змеевик солнечного коллектора может остаться сухим (что летом не желательно). Больше чем на куб - легко хоть и 2 тонны сделать, но ИМХО, будет проблема с теми же коллекторами в межсезонье (когда на них возлагается особая надежда) - они просто будут не успевать прогревать такое количество воды. Мне надо такую емкость подобрать, чтобы коллекторы ее за средний солнечный денек могли довести до 40С. Меня больше волнуют "подводные камни" которых я просто пока не знаю. Может такая система не жизнеспособна в целом!?!? Змінено 29 березня 2013 користувачем viktor-gon Посилання на коментар Поділитися на інших сайтах More sharing options...
troll_9000 Опубліковано: 29 березня 2013 Поділитись Опубліковано: 29 березня 2013 Меня больше волнуют "подводные камни" которых я просто пока не знаю С ходу - застой воды>бактерии>запах Надо как-то обеспечить циркуляцию (замену) воды в баке 1 Посилання на коментар Поділитися на інших сайтах More sharing options...
viktor-gon Опубліковано: 29 березня 2013 Автор Поділитись Опубліковано: 29 березня 2013 С ходу - застой воды>бактерии>запах Надо как-то обеспечить циркуляцию (замену) воды в баке Но все же для меня это столь критично. Может раз в 2 месяца и надо будет ее сливать, и менять на новую. Вода то эта только как среда теплопередачи, все змеевики замкнутые. Пусть себе бактерию купаются на здоровье. Хотя летом, когда расход воды вырастает многократно, можно и сделать что-то. Посилання на коментар Поділитися на інших сайтах More sharing options...
Слободарий Опубліковано: 29 березня 2013 Поділитись Опубліковано: 29 березня 2013 Больше чем на куб - легко хоть и 2 тонны сделать, но ИМХО, будет проблема с теми же коллекторами в межсезонье (когда на них возлагается особая надежда) - они просто будут не успевать прогревать такое количество воды. Мне надо такую емкость подобрать, чтобы коллекторы ее за средний солнечный денек могли довести до 40С. Вам прийдется подогревать весь объем, если вы каждый день будете менять воду. Если вы будете добавлять тепла столько же сколько расходуете, то вы сможете поддерживать температуру гораздо бОльшего количества теплоносителя (естественно с учетом потерь). Это как копилка. Сколько положили, столько и возьмете. Больший ТА будет вас радовать если на несколько дней случится облачность. Чтобы подогреть воду через теплообменники, 40С может не хватить. Если Вы сможете подогревать периодически ТА до 80С, то зарастание не грозит, а если нет, то есть специальная химия для добавления в воду. При сильном зарастании может ухудшится теплообмен. 1 Посилання на коментар Поділитися на інших сайтах More sharing options...
viktor-gon Опубліковано: 29 березня 2013 Автор Поділитись Опубліковано: 29 березня 2013 Вам прийдется подогревать весь объем, если вы каждый день будете менять воду. Совсем не собираюсь. Это что за расточительство? Посилання на коментар Поділитися на інших сайтах More sharing options...
GeoTeplo Опубліковано: 30 березня 2013 Поділитись Опубліковано: 30 березня 2013 Возмите вот такую бочку и не мучайтесь. Подойдет под вашу схему. Посилання на коментар Поділитися на інших сайтах More sharing options...
viktor-gon Опубліковано: 30 березня 2013 Автор Поділитись Опубліковано: 30 березня 2013 А какова цена такого бочонка? Посилання на коментар Поділитися на інших сайтах More sharing options...
AndrejKiev Опубліковано: 30 березня 2013 Поділитись Опубліковано: 30 березня 2013 Может поможет... www.stroimdom.com.ua/forum/showthread.php?t=166&highlight=%E7%EC%E5%E5%E2%E8%EA&page=14 1 Посилання на коментар Поділитися на інших сайтах More sharing options...
Walduk! Опубліковано: 30 березня 2013 Поділитись Опубліковано: 30 березня 2013 (змінено) ТА - в земле, в подвале, из армированного бетона, утепленный в земле 10 см пенопласта. Будет закрываться крышкой и по нему можно будет ходить. Идея интересная, вопрос только в том на сколько герметично Вы сможете сделать ваш резервуар из бетона. Год назад я активно присматривался к идее открытого (безнапорного) ТА, но в итоге было решено всеже покупать заводской. На одной из выставок типа Киевбилд присматривался к кольцам от Ковальской специально под канализации из нанесеным внутрь слоем пластика (зеленого цвета) что бы было герметично. Цена на 50процентов выше. К чему я это, было б не плохо закопать 2-3кольца но если там не все так герметично (особенно на стыках) + если будет подниматься грунтовая вода + у меня ТТ котел и это проблемка когда котел выше чем ТА... короче не реализовал затею. Из опыта пользования ТА1000л - маловато, желательно иметь больше (хотя бы 2м2) Змінено 30 березня 2013 користувачем Walduk! Посилання на коментар Поділитися на інших сайтах More sharing options...
Слободарий Опубліковано: 30 березня 2013 Поділитись Опубліковано: 30 березня 2013 При достаточной величине и изоляции ТА можно обойтись вообще без котла. И кондиционер летом не понадобится. Посилання на коментар Поділитися на інших сайтах More sharing options...
viktor-gon Опубліковано: 30 березня 2013 Автор Поділитись Опубліковано: 30 березня 2013 У меня уровень грунтовых вод очень низкий. Герметичность - если хорошо проармировать, то с помощью добавления специальных добавок в бетон, можно сделать его водонепроницаемым. Если погуглить "добавки для гидроизоляции бетона" то много предложений. Добавлено через 1 минуту При достаточной величине и изоляции ТА можно обойтись вообще без котла. И кондиционер летом не понадобится. Про кондиционер могу согласиться, а вот насчет котла, это как? Посилання на коментар Поділитися на інших сайтах More sharing options...
viktor-gon Опубліковано: 31 березня 2013 Автор Поділитись Опубліковано: 31 березня 2013 Может поможет... www.stroimdom.com.ua/forum/showthread.php?t=166&highlight=%E7%EC%E5%E5%E2%E8%EA&page=14 Спасибо. Читал где-то, что медь и нержавейка образуют гальваническую пару, и их не рекомендуют использовать вместе. Как эксплуатация с 2009 года? Проблем не было? Посилання на коментар Поділитися на інших сайтах More sharing options...
AndrejKiev Опубліковано: 2 квітня 2013 Поділитись Опубліковано: 2 квітня 2013 Спасибо. Читал где-то, что медь и нержавейка образуют гальваническую пару, и их не рекомендуют использовать вместе. Как эксплуатация с 2009 года? Проблем не было? Без единого нарекания. Чем больше использую, тем больше удивляюсь, как это с первого раза попал в "золотую середину" и с мощностью котла и объемом бака и выбранной площадью теплообменников и с ЕЦ. Правда, что меня удивляет, что очень серьезно испаряется вода из бака, доливаю по несколько раз за сезон, посему и влажность в котельной повышенная. Посилання на коментар Поділитися на інших сайтах More sharing options...
viktor-gon Опубліковано: 2 квітня 2013 Автор Поділитись Опубліковано: 2 квітня 2013 Без единого нарекания. Чем больше использую, тем больше удивляюсь, как это с первого раза попал в "золотую середину" и с мощностью котла и объемом бака и выбранной площадью теплообменников и с ЕЦ. Правда, что меня удивляет, что очень серьезно испаряется вода из бака, доливаю по несколько раз за сезон, посему и влажность в котельной повышенная. Ясно. У вас котел вроде 42кВт, емкость на 2 куба? Теплообменники 2 штуки по 25 метров медной трубы 22 диаметра. А куда вода так сильно испаряется? Крышка у вас вроде герметичная. Может утечки где-то? И еще, если не секрет, во сколько обошлось это чудо? Посилання на коментар Поділитися на інших сайтах More sharing options...
AndrejKiev Опубліковано: 2 квітня 2013 Поділитись Опубліковано: 2 квітня 2013 Ясно. У вас котел вроде 42кВт, емкость на 2 куба? Теплообменники 2 штуки по 25 метров медной трубы 22 диаметра. А куда вода так сильно испаряется? Крышка у вас вроде герметичная. Может утечки где-то? И еще, если не секрет, во сколько обошлось это чудо? Нет, утечки нет. С другой стороны, сами посудите, герметичность 100% не сделаешь - разорвет, посему, парит потихоньку. Железо именно такое. Насчет цен, я уже не помню, но но в ветке цифры приводил. Бак ~ 1000 USD, но это тогда. Посилання на коментар Поділитися на інших сайтах More sharing options...
Walduk! Опубліковано: 2 квітня 2013 Поділитись Опубліковано: 2 квітня 2013 Без единого нарекания. Чем больше использую, тем больше удивляюсь, как это с первого раза попал в "золотую середину" и с мощностью котла и объемом бака и выбранной площадью теплообменников и с ЕЦ. Правда, что меня удивляет, что очень серьезно испаряется вода из бака, доливаю по несколько раз за сезон, посему и влажность в котельной повышенная. Андрей, попробуйте налить в свой ТА десять литров отработаного масла чтобы верх покрылся пленкой 1см. Гдето встречалось решение такой такойже задачи этим путем 3 Посилання на коментар Поділитися на інших сайтах More sharing options...
vovova Опубліковано: 2 квітня 2013 Поділитись Опубліковано: 2 квітня 2013 Изоляцию я бы сделал побольше, чем 100мм, хотя бы 200. По поводу испарения: рекомендовали масло машинное залить пару литров, но тогда вода будет непригодная (хотя в вашем случае это не критично.) Бактерии вообще не проблема. Система с маслом будет практически закрытой. Одной таблетки для бассейнов за 40грн хватит на год. Сама идея очень хорошая. И объем ТА хотя бы 2000л. 2 Посилання на коментар Поділитися на інших сайтах More sharing options...
viktor-gon Опубліковано: 2 квітня 2013 Автор Поділитись Опубліковано: 2 квітня 2013 И объем ТА хотя бы 2000л. Все советуют побольше. Уверены что проблем не будет с протопкой 2-х кубов? Это ж надо котел 42 - 50 кВт. А планировал максимум 32... Да и вообще - котел, реально на случай "а не пойти ли мне протопить"... Т.е в основном емкость для солнечных коллекторов. Посилання на коментар Поділитися на інших сайтах More sharing options...
ttkotel Опубліковано: 2 квітня 2013 Поділитись Опубліковано: 2 квітня 2013 1000 литров может с аккумулировать в пределах 50 кВт. Вот и посчитайте сами будет этого достаточно для Ваших нужд или нет. Посилання на коментар Поділитися на інших сайтах More sharing options...
viktor-gon Опубліковано: 2 квітня 2013 Автор Поділитись Опубліковано: 2 квітня 2013 Меня смущает еще один момент. Какой теплообменник / змеевик надо будет для ТТ котла? Из 22 трубы наверное будет маловат диаметр? А мощность должна равняться мощности ТТ котла? Посилання на коментар Поділитися на інших сайтах More sharing options...
Слободарий Опубліковано: 3 квітня 2013 Поділитись Опубліковано: 3 квітня 2013 Без единого нарекания. Чем больше использую, тем больше удивляюсь, как это с первого раза попал в "золотую середину" и с мощностью котла и объемом бака и выбранной площадью теплообменников и с ЕЦ. Правда, что меня удивляет, что очень серьезно испаряется вода из бака, доливаю по несколько раз за сезон, посему и влажность в котельной повышенная. Кроме масла есть еще два способа. 1. плавающая крышка из пенопласта. Чуть меньше горловины. Уменьшит площадь испарения в десятки раз. 2. Отделить воздух ТА от котельной, например, пленкой, по типу капюшона. Только предусмотреть возможность стекания конденсата. 3=1+2) 1 Посилання на коментар Поділитися на інших сайтах More sharing options...
viktor-gon Опубліковано: 2 листопада 2014 Автор Поділитись Опубліковано: 2 листопада 2014 Эх... Давно это было. Был молод и горяч, и Крым был наш Сделал я себе это чудо. ТА сделал напорным - сварили на заводе. Коллекторы солнечные тоже сам сделал. Сейчас вот работают первую осень и ждет их первая зима. Не буду вдаваться в подробности, но вот как я все это сделал... Ссылки на мой сайт. Тепловой аккумулятор: house4u.com.ua/articles/teplovoy-akkumulyator/part1.php Солнечные коллекторы: house4u.com.ua/articles/solar_collector_2_0/part1.php Обвязка: www.house4u.com.ua/articles/obvjazka-solnechnih-kolletorov/part1.php Цена: house4u.com.ua/articles/solnechnyy-kollektor-tsena/part1.php Обсуждение можно здесь, а можно и на моем форуме www.house4u.com.ua/forum/index.php 1 Посилання на коментар Поділитися на інших сайтах More sharing options...
Рекомендовані повідомлення
Створіть акаунт або увійдіть у нього для коментування
Ви маєте бути користувачем, щоб залишити коментар
Створити акаунт
Зареєструйтеся для отримання акаунта. Це просто!
Зареєструвати акаунтУвійти
Вже зареєстровані? Увійдіть тут.
Увійти зараз