unreal1975 Опубліковано: 4 червня 2015 Поділитись Опубліковано: 4 червня 2015 но когда есть R12 не происходит сработка. В программе напряжение на VAD не меняется. может номиналы другие поставить? но какие? А что происходит когда нет подтягивающегол на землю, так для общего развития? Два резистора на картинке представляют собой делитель для АЦП. если вы выбрасываете или меняете их номиналы, ваша система будет получать неправильные значения. Попробуйте проверить соответствие сопротивлений номиналам, указанных на них, может сопротивление уехало Посилання на коментар Поділитися на інших сайтах More sharing options...
Jan2000 Опубліковано: 4 червня 2015 Поділитись Опубліковано: 4 червня 2015 вернул на место R12 в трех экземплярах. Ситация с устройствами не изменилась - также пропадают из поиска. А во если модули протечки на 2438 убрать, то на тех же 2438 модули влажности находятся прекрасно. Понимаю, что линия не идеальна для 100м, но тут уж что имеем. Такое ощущение что модуль проткечки с показанной схемой просаживает через GND. Стоит ли вносить изменения в схему: добавлять диод шотки, емкость между VAD и GND как это сделано в схеме у Elin датчиков? Посилання на коментар Поділитися на інших сайтах More sharing options...
Diver Опубліковано: 5 червня 2015 Поділитись Опубліковано: 5 червня 2015 Понимаю, что линия не идеальна для 100м, но тут уж что имеем. а кто вам сказал, что на 100 метров будет работать? Производитель? а ему не пробовали вопрос задать? Посилання на коментар Поділитися на інших сайтах More sharing options...
Jan2000 Опубліковано: 5 червня 2015 Поділитись Опубліковано: 5 червня 2015 а кто вам сказал, что на 100 метров будет работать? Производитель? а ему не пробовали вопрос задать? читайте пост. др. форумчанина на первой странице с описанием Loxone (правда на анг.). Вообщем-то должно работать при правильной топологии шины и нормальной обстановке по наводкам/помехам. А гарантировать врят ли кто-то сможет, когда бывает и на 20-30 метрах начинаются глюки. Писали же вроде как Посилання на коментар Поділитися на інших сайтах More sharing options...
Diver Опубліковано: 5 червня 2015 Поділитись Опубліковано: 5 червня 2015 не будет на 100 метрах работать, особенно если сделали ответвления типа "дерево".. 100 метров при идеальных условиях, прямая линия, низкая емкость кабеля, без помех и т.д. - может быть. Посилання на коментар Поділитися на інших сайтах More sharing options...
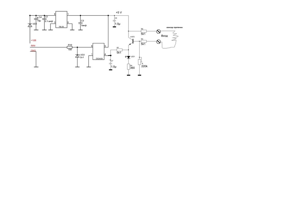
Jan2000 Опубліковано: 5 червня 2015 Поділитись Опубліковано: 5 червня 2015 На вчерашних тестах собрал след. схему модуля протечки (см. схему) с пассивным сенсером протечки (просто печатные дорожки на текстолите). Так вот вращая подстроечное сопротивление выявил, что если его сдеать его порядка 15 кОм, но при этом чтобы сработка происходила когда вода на сенсоре, то на линии модули находятся, а если уменьшить или увеличить сопротивление, то все модули на 2438 исчезают из поиска. Посилання на коментар Поділитися на інших сайтах More sharing options...
Jan2000 Опубліковано: 5 червня 2015 Поділитись Опубліковано: 5 червня 2015 Подскажите пожалуйста как правильно делают ответвление от шины, типа такого при прокладке шины UTP кабелем. Интересует то, как реализуется Т-образное ответвление. Есть ли для этого специальные клемники типа как в патч панелях... А как дела у топикстартера? ОТпишитесь плиз как у вас Loxone работает? Добавлено через 5 минут не будет на 100 метрах работать, особенно если сделали ответвления типа "дерево".. 100 метров при идеальных условиях, прямая линия, низкая емкость кабеля, без помех и т.д. - может быть. Сейчас общаюсь по этому вопросу с разработчиком модулей на 2438 так вот у него кто-то умудрился запустить на линии в 250м на тел. 4-х жильной лапше звериниец из различных датчиков. Как он такого добился мне пока не известно. Так же говорил с Elin - они правда сразу отрекомендовали уйти на более продвинутый интеллектуальный котнтроллер шины 1-wire типа iButtonLink (ML97). Там вроде как и 300м не проблема на плохих линиях. Но мне нужно пока все пробовать выжать максимум с имеющимся контроллером loxone 1-wire. Посилання на коментар Поділитися на інших сайтах More sharing options...
Diver Опубліковано: 5 червня 2015 Поділитись Опубліковано: 5 червня 2015 даже у "продвинутых" фирм как правило все не так как пишут в проспектах. Ведь никто же правды не скажет, если тем более у конкурентов и 200 и даже 400 метров. Никто не хочет терять клиента. Ну а клиент мучается, и никак не может понять, в чем дело.. Я бы еще поверил если бы это rs485 сеть была запущенна на несколько сот метров с кучей датчиков. А пока - не верю, и все.. разово сделат на тест можно, а для круглогодичной бесперебойной работы - НЕТ! Имею длительный опыт со всякими датчиками, и понимаю от чего зависит связь, я вам уже про помехи писал. Поэтому на предприятиях никакая 1-wire сеть не используется далее пары метров, только rs485. А чем отличается современный дом с кучей коммуникаций, массы кабелей где и кондишины, насосы, электромоторы и всякая-всякая техника делает постоянно-регулярно вкл-выкл и т.д. ??? современный дом - тот же заводик. И требования значит должны быть те же. Посилання на коментар Поділитися на інших сайтах More sharing options...
Jan2000 Опубліковано: 5 червня 2015 Поділитись Опубліковано: 5 червня 2015 даже у "продвинутых" фирм как правило все не так как пишут в проспектах. Ведь никто же правды не скажет, если тем более у конкурентов и 200 и даже 400 метров. Никто не хочет терять клиента. Ну а клиент мучается, и никак не может понять, в чем дело.. ... Буду писать в loxone отчет... раньше не писал, т.к. на доработки их контроллера рассчитывать не приходится, да и не самая проста у них схемотехника на DS2480B (активная подтяжка вроде есть). Поэтому начал заходить со стороны датчиков 1-wire. А почему все же DS18B20 продолжают находится поиском, а все DS2438 исчезают? Посилання на коментар Поділитися на інших сайтах More sharing options...
Diver Опубліковано: 5 червня 2015 Поділитись Опубліковано: 5 червня 2015 А почему все же DS18B20 продолжают находится поиском, а все DS2438 исчезают? а вот неясно, как датчики одного производителя так вот по разному работают на шине, а ведь один производитель.. Посилання на коментар Поділитися на інших сайтах More sharing options...
Jan2000 Опубліковано: 5 червня 2015 Поділитись Опубліковано: 5 червня 2015 а вот неясно, как датчики одного производителя так вот по разному работают на шине, а ведь один производитель.. 18b20 вообще без внеш. обвязки, а вот у DS2438 вроде бы простая, но все же обвязка. Вот например защитный стабилитрон + сопротивление 100-150 Ом на шине. По результатам вышеописанных эксперементов начинаешь сопротивление для работы откр коллектора менять так судя по всему просадка начинается - разумеется это становится заметно на длинной линии, а не в идеальных условиях "на столе" Посилання на коментар Поділитися на інших сайтах More sharing options...
Diver Опубліковано: 6 червня 2015 Поділитись Опубліковано: 6 червня 2015 я бы советовал даташиты изучить. Просто с бубном - ничему не поможет. Посилання на коментар Поділитися на інших сайтах More sharing options...
y-dom Опубліковано: 8 вересня 2015 Поділитись Опубліковано: 8 вересня 2015 Сообщение от Diver не будет на 100 метрах работать, особенно если сделали ответвления типа "дерево".. 100 метров при идеальных условиях, прямая линия, низкая емкость кабеля, без помех и т.д. - может быть. У меня на объекте линия больше 100 м, 12 датчиков и соединение звездой - все работает. Планирую нарастить кол-во датчиков до 20. Предполагаю, что если на шине только DS18b20 проблем нет. Рекомендация, DQ и GND - одна пара VCC - отдельная жила пары 1 Посилання на коментар Поділитися на інших сайтах More sharing options...
Jan2000 Опубліковано: 8 вересня 2015 Поділитись Опубліковано: 8 вересня 2015 думаю еще правильнее будет DQ + GND - одна пара VCC + GND - втора пара Да датчики на DS2438 подключил к шине по схеме паразитного питани: VCC на GND. Сама схема датчика и микросхема 2438 все равно питается через свой источник питания 12V>>5V. Почитав мануалы по 1-wire и контроллеров на базе DS2480B решил убрать из схемы датчиков на DS2438 сопротивление и стабилитрон с шины данных. Тем самым меньше защита, но лучше согласование с основным контроллером, как мне показалось 1 Посилання на коментар Поділитися на інших сайтах More sharing options...
Dmode Опубліковано: 4 січня 2016 Автор Поділитись Опубліковано: 4 січня 2016 Подключил вчера две шины 70м и 80м на них 14 датчиков (8+6), подключены к одному 1WIRE модулю, пока работают. 1 Посилання на коментар Поділитися на інших сайтах More sharing options...
y-dom Опубліковано: 9 січня 2016 Поділитись Опубліковано: 9 січня 2016 На одном из объектов на расширении 1-wire Loxone 22 датчика температуры на 2 шинах, каждая по мин. 100 м. Причем есть длинные ответвления от шины в двух местах по 20м. Система работает бесперебойно 5 месяцев 1 Посилання на коментар Поділитися на інших сайтах More sharing options...
Diver Опубліковано: 10 січня 2016 Поділитись Опубліковано: 10 січня 2016 На одном из объектов на расширении 1-wire Loxone 22 датчика температуры на 2 шинах слабо срисовать входные цепи Loxone для датчиков? в схеме и кроется решение, возможно там нестандартная компенсация длительности фронтов, они то на такой длине точно заваливаются. Посилання на коментар Поділитися на інших сайтах More sharing options...
Petruha Опубліковано: 10 січня 2016 Поділитись Опубліковано: 10 січня 2016 слабо срисовать входные цепи Loxone для датчиков? в схеме и кроется решение, возможно там нестандартная компенсация длительности фронтов, они то на такой длине точно заваливаются. Строил летом прошлого года систему примерно такого-же плана - чуть меньше длина кабеля (по 70м примерно), но датчиков больше - 30шт. Тоже с момента запуска проблем со считыванием данных с датчиков не было. Никаких ухищрений для шины не использовал - питание 5В, трехпроводная шина, мастер - авр-ка. Посилання на коментар Поділитися на інших сайтах More sharing options...
Dmode Опубліковано: 10 січня 2016 Автор Поділитись Опубліковано: 10 січня 2016 слабо срисовать входные цепи Loxone для датчиков? Переведете для простого обывателя? Посилання на коментар Поділитися на інших сайтах More sharing options...
Roman_T Опубліковано: 11 січня 2016 Поділитись Опубліковано: 11 січня 2016 Dmode, как Вы все-таки реализовали Т образное ответвление датчика? Посилання на коментар Поділитися на інших сайтах More sharing options...
Dmode Опубліковано: 11 січня 2016 Автор Поділитись Опубліковано: 11 січня 2016 Dmode, как Вы все-таки реализовали Т образное ответвление датчика? Паял. Если найдете более удобную реализацию соединения дайте знать. Посилання на коментар Поділитися на інших сайтах More sharing options...
Dmode Опубліковано: 11 січня 2016 Автор Поділитись Опубліковано: 11 січня 2016 слабо срисовать входные цепи Loxone для датчиков? в схеме и кроется решение, возможно там нестандартная компенсация длительности фронтов, они то на такой длине точно заваливаются. Если это поможет, то вот фото платы расширения 1вире 3 Посилання на коментар Поділитися на інших сайтах More sharing options...
viktor6 Опубліковано: 23 вересня 2017 Поділитись Опубліковано: 23 вересня 2017 Всем привет. Ребята нужна ваша помощь. Я приобрёл raspberry pi 3 и для начала решил как мне казалось с простого разместить по квартире датчики ds18b20 - 5 шт. И так получается что raspberry оказывается по средине. Приложил кабель ALARM 4х0.22 cu по комнатах и улице. Опишу схему возле самой raspberry один датчик с длиной кабеля 3 м. Далее кабель 2 м. И отвотки длина кабеля 8м. и 21 м. Так вот датчик с длиной кабеля 21м. отображает сначала нормальную температуру но потом завышена 100 градусов. Не пойму что нужно. Подключал по этой схеме У меня вот так получилось Посилання на коментар Поділитися на інших сайтах More sharing options...
unreal1975 Опубліковано: 23 вересня 2017 Поділитись Опубліковано: 23 вересня 2017 Всем привет. Ребята нужна ваша помощь. Я приобрёл raspberry pi 3 и для начала решил как мне казалось с простого разместить по квартире датчики ds18b20 - 5 шт. И так получается что raspberry оказывается по средине. Приложил кабель ALARM 4х0.22 cu по комнатах и улице. Опишу схему возле самой raspberry один датчик с длиной кабеля 3 м. Далее кабель 2 м. И отвотки длина кабеля 8м. и 21 м. Так вот датчик с длиной кабеля 21м. отображает сначала нормальную температуру но потом завышена 100 градусов. Не пойму что нужно. Подключал по этой схеме[ATTACH]584408[/ATTACH] У меня вот так получилось [ATTACH]584404[/ATTACH] Сначала исключаем датчик - подключаем дальний датчик рядом с платой. Остальные не отключаем. Если он показывает нормально (что скорее всего), значит проблема в линии. Сначала пробуем разместить резистор с первой картинки рядом с датчиком, если это не помогает, меняем кабель на витую пару 1 Посилання на коментар Поділитися на інших сайтах More sharing options...
viktor6 Опубліковано: 24 вересня 2017 Поділитись Опубліковано: 24 вересня 2017 unreal1975 А если увеличить напряжения до 5в? Датчики не сгорят? Посилання на коментар Поділитися на інших сайтах More sharing options...
Рекомендовані повідомлення
Створіть акаунт або увійдіть у нього для коментування
Ви маєте бути користувачем, щоб залишити коментар
Створити акаунт
Зареєструйтеся для отримання акаунта. Це просто!
Зареєструвати акаунтУвійти
Вже зареєстровані? Увійдіть тут.
Увійти зараз