Maestro Kiev Опубліковано: 18 вересня 2009 Поділитись Опубліковано: 18 вересня 2009 Маэстро, вы топите камин с полностью открытым поддувалом? А что с частично открытым не надо воздуха? Как тода горит? Посилання на коментар Поділитися на інших сайтах More sharing options...
salix Опубліковано: 18 вересня 2009 Поділитись Опубліковано: 18 вересня 2009 Складывается мнение, что некоторые форумчане забыли, что для горения необходим воздух! Есть кто поспорит? Идем дальше - откуда его взять? ..... Отверстие видели дымохода? Зачем оно такого размера? Чего это оно не д.100мм например, а значительно по-более? Наверно что-бы пропускать достаточное кол-во воздуха с продуктами сгорания. Вот нескладывается для тех кто говорит что не надо притока. Вывод простой - воздух необходимо подавать в количестве необходимом для нормальной работы камина. Поймите и не обманывайте себя - принципы физики одни. Без притока не будет рабочей вытяжки. Комфортное решение: приточная система вентиляции где подается нагретый воздух для работы камина в само помещение или камины с притоком воздуха. P.S. Для вентиляции есть своя ветка. Если Вам не чужды принципы и законы физики еще раз рекомендую прочитать stove.ru/index.php?lng=0&rs=176 и понять как обходится одним дымоходом для подачи воздуха и удаления дыма из камина. А если Вам только нужно продать свои недешевые системы вентиляции то тут физика ни причем. P.S. Для вентиляции есть своя ветка. Посилання на коментар Поділитися на інших сайтах More sharing options...
Maestro Kiev Опубліковано: 18 вересня 2009 Поділитись Опубліковано: 18 вересня 2009 (змінено) Если Вам не чужды принципы и законы физики еще раз рекомендую прочитать stove.ru/index.php?lng=0&rs=176 :lol: Приведу цитаты из ВАШЕГО ИСТОЧНИКА Для упрощения понимания работы камина (процесса движения газового потока), условно будем считать, что источником тепла будет электрический обогреватель. В этом случае через камин будет двигаться горячий воздух без продуктов сгорания топлива. Дак у Вас камин на электро ТЭНах?! Это пример, когда теплый воздух возвращается в помещение, приведен для понимания движения потоков воздуха и актуален для электрокамина. А Ваше и понять как обходится одним дымоходом для подачи воздуха и удаления дыма из камина. сегодня окажется на инженерных сайтах в разделе ОТЖИГ и ПЕРЛЫ Опять же из ВАШЕГО ИСТОЧНИКА В общественных зданиях обычно выполняется приточная вентиляция, с принудительной подачей воздуха. При этом делается балансовый расчет поступающего и выходящего из помещения воздуха, с учетом работы камина. В открытых каминах потребность в воздухе для сжигания 1 килограмма топлива, по данным К. Мякеля, может достигать 150 м3. Это количество воздуха надо подать в помещение, в противном случае в помещении возникает разрежение, и камин будет дымить. Откуда воздух может попадать в помещение? Через специально выполненную для камина приточную вентиляцию. Через не плотности оконных и дверных проёмов. В случае применения современных герметичных столярных изделий и отсутствии специальной приточной вентиляции для камина, через канал вытяжной естественной вентиляции помещения, которая начинает работать на приток. Какие неприятности могут возникнуть в этом случае. Вытяжная вентиляция может, быть выполнена из гаража, кухни, туалета, бассейна, мастерской и т. п. При открытых дверях в эти помещения, все запахи, присущие этим помещениям будут попадать в каминный зал. То же самое происходит, если вытяжной канал естественной вентиляции расположен рядом с трубой камина и в помещении не сделана специальная приточная вентиляции для камина. Вытяжной канал начинает работать на приток, в помещение попадают дымовые газы и через некоторое время начинает щипать глаза. В каминном зале не рекомендуется устраивать вытяжную вентиляцию с искусственным побуждением, а если зал не компенсируется притоком с искусственным побуждением, то устраивать её нельзя. Из сказанного следует, что необходимо в каждом конкретном случае, рассматривать необходимость устройства специальной приточной вентиляции для камина. Можно сделать так же естественный приток, открывая форточку, однако в этом случае возможно возникновение сквозняка в помещении. Встречается частая ошибка, когда в жилом доме, с герметичными окнами и дверями, оборудованном камином делается только естественная вытяжная вентиляция, а искусственная приточная не делается. В отапливаемом доме теплый воздух через вытяжную вентиляцию выходит наружу и в помещении создается разряжение. При открытии задвижки камина возникает встречная тяга (из камина дует) и камин начинает дымить. В этом случае надо обязательно делать принудительную приточную вентиляцию и кондиционирование. Этот вопрос очень сложный для неподготовленного человека и должен решаться специализированными проектными и монтажными организациями salix искренне благодарен за Ваш источник - буду ставить его в пример заказчикам, которые еще думают про приточную вентиляцию. если Вам только нужно продать свои недешевые системы вентиляции то тут физика ни причем. P.S. Для вентиляции есть своя ветка. Мои системы вентиляции дешевле чем у других, т.к. собственное производство. Физика одна - для горения необходим воздух (кислород). Змінено 18 вересня 2009 користувачем Maestro Kiev Посилання на коментар Поділитися на інших сайтах More sharing options...
salix Опубліковано: 18 вересня 2009 Поділитись Опубліковано: 18 вересня 2009 Мои системы вентиляции дешевле чем у других, т.к. собственное производство. Физика одна - для горения необходим воздух (кислород). Если вы не хотите читать до конца , то хотя бы не извращайте своими цитатами главную идею статьи. А она состоит в том , что если выход газов из камина нужно сделать в дымовую камеру а из нее в дымоход. При этом дымовая камера будет как раз во много раз эффективнее выравнивать давление воздуха в помещении, обеспечивая нормальную бездымную работу камина и не охлаждая при этом помещение. На подачу воздуха для горения будет работать дымоход. И все это без всяких ваших труб, вентиляторов, шумоподавителей. Вам физика до лампочки. Вам продажи важнее!! Ваши кленты на ветках термодома общаются. Вот им без ваших изделий никак нельзя нормальный дом построить. Посилання на коментар Поділитися на інших сайтах More sharing options...
bampo Опубліковано: 19 вересня 2009 Поділитись Опубліковано: 19 вересня 2009 Если вы не хотите читать до конца , то хотя бы не извращайте своими цитатами главную идею статьи. А она состоит в том , что если выход газов из камина нужно сделать в дымовую камеру а из нее в дымоход. При этом дымовая камера будет как раз во много раз эффективнее выравнивать давление воздуха в помещении, обеспечивая нормальную бездымную работу камина и не охлаждая при этом помещение. На подачу воздуха для горения будет работать дымоход. И все это без всяких ваших труб, вентиляторов, шумоподавителей. Вам физика до лампочки. Вам продажи важнее!! Ваши кленты на ветках термодома общаются. Вот им без ваших изделий никак нельзя нормальный дом построить. В начале ветки разговор шёл о чугунной топке, для неё Ваши ссылки не могут быть использованы Посилання на коментар Поділитися на інших сайтах More sharing options...
stas71 Опубліковано: 19 вересня 2009 Поділитись Опубліковано: 19 вересня 2009 а если у меня принудительный дымосос стоит ,то мненужна или нет приточка ( есть вентканалы в соседней комнате и кухне - совместной с с гостинной где камин Посилання на коментар Поділитися на інших сайтах More sharing options...
salix Опубліковано: 19 вересня 2009 Поділитись Опубліковано: 19 вересня 2009 В начале ветки разговор шёл о чугунной топке, для неё Ваши ссылки не могут быть использованы Во первых - объясните почему. Во вторых чугунной топке точно вентиляция не нужна. Их "популярность" отчасти связана с тем, чтобы не решать задачу правильного подвода воздуха и отвода газов. Посилання на коментар Поділитися на інших сайтах More sharing options...
bampo Опубліковано: 20 вересня 2009 Поділитись Опубліковано: 20 вересня 2009 Судя по материалу статьи, которую Вы привели, для осуществления притока воздуха необходимого для нормального горения ОТКРЫТОГО КАМИНА(через трубу камина), размеры колпака, дымовой камеры, расположение зуба-должны быть чётко сбалансированны, что бы исключить прорыв дымовых газов в переходных режимах(растопка, остывание топки, порывы ветра над устьем трубы). В чугунных вставках дымовой камеры нет. Конусный верх(кстати разной высоты в зависимости от серии топки у конкретного производителя) правильнее назвать не дымосборником, а колпаком. Попробуйте решить эту проблему и дайте рецепт установщикам и форумчанам. Гораздо надёжнее вопрос комфортной эксплуатации классических каминов, чугунных вставок и вентиляции дома решается устройством приточной вентиляции на этапе строительства. Я уже излагал своё видение этого вопроса, одновременно решая вопрос подачи наружного воздуха в зону вставки и его подогрев. Отчасти это связано с тем, что дымоход камина объединён в одну группу с вентканалами см. фото. Посилання на коментар Поділитися на інших сайтах More sharing options...
bampo Опубліковано: 20 вересня 2009 Поділитись Опубліковано: 20 вересня 2009 а если у меня принудительный дымосос стоит ,то мненужна или нет приточка ( есть вентканалы в соседней комнате и кухне - совместной с с гостинной где камин Нужна, однозначно, иначе все запахи из соседней комнаты, кухни будут действовать Вам на обонятельный нерв при распитии вискаря под гаванскую сигару Посилання на коментар Поділитися на інших сайтах More sharing options...
stas71 Опубліковано: 20 вересня 2009 Поділитись Опубліковано: 20 вересня 2009 у меня камин в углу стоит , обшит гипсокартоном , от угла до камина сзади есть место ( еще не живу в доме ) , могу ли я просто просверлить в стене дыру , сделать вставку из трубы дымохода ( остался 1 м , диаметр 200 ) и снаружи поставить решетку с заслонкой и курить сигару . Если монжно так сделать ,то есть ли какие то решетки с автоматикой , а то после или до вискаря ( пью кстати водку- вискарь не идет ) в падлу зимой на улицу вылазить заслонку туда -сюда дергать Спасибо заранее Посилання на коментар Поділитися на інших сайтах More sharing options...
bampo Опубліковано: 20 вересня 2009 Поділитись Опубліковано: 20 вересня 2009 у меня камин в углу стоит , обшит гипсокартоном , от угла до камина сзади есть место ( еще не живу в доме ) , могу ли я просто просверлить в стене дыру , сделать вставку из трубы дымохода ( остался 1 м , диаметр 200 ) и снаружи поставить решетку с заслонкой и курить сигару . Если монжно так сделать ,то есть ли какие то решетки с автоматикой , а то после или до вискаря ( пью кстати водку- вискарь не идет ) в падлу зимой на улицу вылазить заслонку туда -сюда дергать Спасибо заранее У мну практически так и будет делаться, только трубы(2 шт. сотки канашки в сером теплоизоляторе) запихнуты в плиты-пустотки перекрытия цоколя. Теплоизолятор что-бы пол не заледенел при -50 град Засранку, ой!-заслонку ставь на выходе из своейной трубы и крути её не выходя из каминной. Автоматику тоже можно придумать завязав на температуру внутри гипсокартонного короба. Посилання на коментар Поділитися на інших сайтах More sharing options...
korund Опубліковано: 21 вересня 2009 Поділитись Опубліковано: 21 вересня 2009 ... могу ли я просто просверлить в стене дыру , сделать вставку из трубы дымохода ( остался 1 м , диаметр 200 ) и снаружи поставить решетку с заслонкой и курить сигару .... Спасибо заранее Не обязательно ставить трубу ф200,- это ОЧЕНЬ много! Учитывайте тепловое расширение поступившего воздуха (почему-то все в предыдущих сообщениях об этом забыли). Например, у норвежской топки Ётл, на 18кВТ, при диаметре дымохода 200мм, подающие гофры 2шт по 80мм!(посчитаете площадь сами?) И еще приходится прикрывать заслонку... Удачи! Посилання на коментар Поділитися на інших сайтах More sharing options...
виктор01 Опубліковано: 22 вересня 2009 Поділитись Опубліковано: 22 вересня 2009 У меня каминная топка в углу.В стене сделал (внизу) отверствие на50мм вставил канал.трубу подвёл под топку.Топка 12Квт. думаю хватит.Могу фотки скинуть если надо!!! Посилання на коментар Поділитися на інших сайтах More sharing options...
виктор01 Опубліковано: 27 вересня 2009 Поділитись Опубліковано: 27 вересня 2009 Если не так-то как!!! 1 Посилання на коментар Поділитися на інших сайтах More sharing options...
ДЫМАРИ Опубліковано: 28 вересня 2009 Поділитись Опубліковано: 28 вересня 2009 а если у меня принудительный дымосос стоит ,то мненужна или нет приточка ( есть вентканалы в соседней комнате и кухне - совместной с с гостинной где камин ...слегка разъяснили как работает камин kamin-dnepr.com.ua/articles/fireplace-serious/ Посилання на коментар Поділитися на інших сайтах More sharing options...
Maestro Kiev Опубліковано: 29 вересня 2009 Поділитись Опубліковано: 29 вересня 2009 ...слегка разъяснили как работает камин kamin-dnepr.com.ua/articles/fireplace-serious/ При неорганизованном поступлении воздух проникает в помещение через неплотности дверей, окон, смежных комнат, щелей и т. п. В этом случае создаются неблагоприятные условия для развития процесса горения. что и требовалось доказать... вообще поражен не пониманием людей, что если воздух удаляется из помещения, то его необходимо подать в помещение в том же объеме во всех толковых статьях про камины так и написано Посилання на коментар Поділитися на інших сайтах More sharing options...
Одинокая Флейта Опубліковано: 16 квітня 2012 Поділитись Опубліковано: 16 квітня 2012 (змінено) Здравствуйте, уважаемыe ценители Очага! Меня зовут Вадим. В форуме нашёл разрозненные ответы на мои вопросы, но всё же остались некоторые конкретные "белые пятна". Итак...Камин угловой. Фундамент дома - ленточный, есть см 40 свободного пространства между землёй и полом. В фундаменте дома по периметру есть вентиляционные отверстия. Одно из них проходит прямо под фундаментом камина (предусмотрительно не стал его заделывать, а, надев трубу сотку, провёл под камином. Из форума я понял, что могу просто в полу перед топкой (чтоб не создавать сквозняк через всю комнату и не выхолаживать её) проделать отверстие и таким образом обеспечить приток воздуха прямо ПОД топку (в центре или по краям, на фото обозначил кружком)). Здесь я не понял два момента. На форуме пишут, что подводить нужно: во-первых тёплый воздух (получается, что моя идея работать не будет?), во-вторых - в верхнюю часть помещения (почему?). Ещё пишут, что подача нужна в верхнюю часть топки... почему? мой адрес:ХХХХХХ@ХХХХХХХ.ХХХХ Змінено 16 квітня 2012 користувачем Прохожий 1 Посилання на коментар Поділитися на інших сайтах More sharing options...
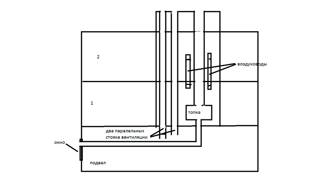
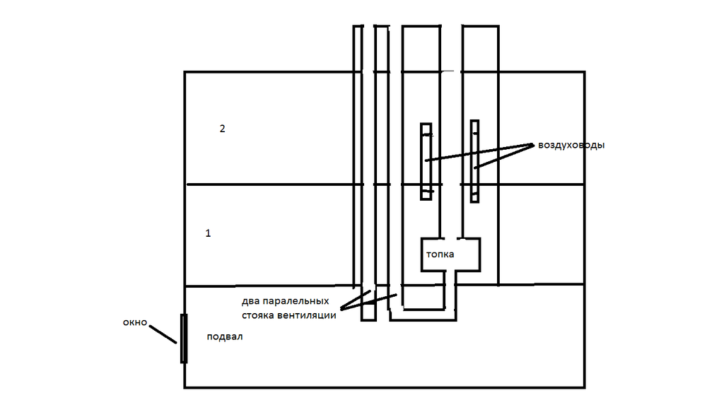
C.R.A.Z.Y Опубліковано: 22 грудня 2014 Поділитись Опубліковано: 22 грудня 2014 (змінено) Прошу совета! Выведена труба забора воздуха для каминной топки в подвал. Рядом есть два паралельных кирпичных стояка вентиляции 14/14 из подвала. Возможно ли подключить трубу к одному из стояков вентиляции? В принипе, я уже это сделал, все работает. НО! Сейчас на улице плюсовая температура. Что будет, если температура сильно уйдет в минус? Вот накалякал пример... Змінено 22 грудня 2014 користувачем C.R.A.Z.Y Посилання на коментар Поділитися на інших сайтах More sharing options...
bampo Опубліковано: 23 грудня 2014 Поділитись Опубліковано: 23 грудня 2014 ... На форуме пишут, что подводить нужно: во-первых тёплый воздух ... пишут те, у кого камина нет. Несколько лет работает камин с прямым забором наружного воздуха, ни конденсата, ни пониженного КПД, ни дыма в помещении. Делайте правильно, с пониманием процессов происходящих в монтируемой системе-либо доверьтесь проверенным специалистам. 2 Посилання на коментар Поділитися на інших сайтах More sharing options...
bampo Опубліковано: 23 грудня 2014 Поділитись Опубліковано: 23 грудня 2014 C.R.A.Z.Y, сделайте подвод через окно, или если возможно, пройдите стену под потолком над окном подвала коронкой Ф150мм, так аккуратнее, на трубу(110 каналью) оденьте утеплитель ППУ, в отделе канашки найдёте и топитесь спокойно... Не будет выхолаживания подвала, вентканалов и сопутствующей гадости - конденсат, гибок, холодный влажный подвал и вентканалы 1 Посилання на коментар Поділитися на інших сайтах More sharing options...
SON Опубліковано: 23 грудня 2014 Поділитись Опубліковано: 23 грудня 2014 Что будет, если температура сильно уйдет в минус? Приточный канал в таком исполнении выхолодит стенку, а дальше все згидно малюнку стенка начнет мокреть и т.д. Кроме того оголовок дымохода должно быть выше выхода вентканалов. Ежли топка закрытая, то особо париться с притоком для неё не стоит. Посилання на коментар Поділитися на інших сайтах More sharing options...
C.R.A.Z.Y Опубліковано: 23 грудня 2014 Поділитись Опубліковано: 23 грудня 2014 C.R.A.Z.Y, сделайте подвод через окно, или если возможно, пройдите стену под потолком над окном подвала коронкой Ф150мм, так аккуратнее, на трубу(110 каналью) оденьте утеплитель ППУ, в отделе канашки найдёте и топитесь спокойно... Не будет выхолаживания подвала, вентканалов и сопутствующей гадости - конденсат, гибок, холодный влажный подвал и вентканалыСпасибо конечно, но что то я не понимаю, как это сделать через окно?! А перспектива долбить дыру в фундаменте сейчас меня не радует) Вот и спрашиваю, какие могут быть последствия от моего способа? Будет промерзать стена по всей длинне стояка, грибок, опрокидывания тяги...? Что? Посилання на коментар Поділитися на інших сайтах More sharing options...
bampo Опубліковано: 23 грудня 2014 Поділитись Опубліковано: 23 грудня 2014 В чем проблема, уменьшить створку окна? По негативу, Вам написали, решайте сами... Посилання на коментар Поділитися на інших сайтах More sharing options...
foros Опубліковано: 23 грудня 2014 Поділитись Опубліковано: 23 грудня 2014 пишут те, у кого камина нет. Несколько лет работает камин с прямым забором наружного воздуха, ни конденсата, ни пониженного КПД, ни дыма в помещении. Делайте правильно, с пониманием процессов происходящих в монтируемой системе-либо доверьтесь проверенным специалистам. А можно подробней описать ваш вариант реализации забора наружного воздуха: 1. диаметр трубы - 110 канализационная? 2. расстояние до топки(длина трубы) 3. точка подвода к камину трубы 4. труба забора выходит через стену на улицу или через фундамент под землю и потом вверх? 5. труба с утеплителем? 6. где установлена на трубе задвижка? или их необходимо две в начале и конце? 7. имеет ли смысл подвести две трубы? одну с улицы, а другую с полуподвала в который есть приток? Посилання на коментар Поділитися на інших сайтах More sharing options...
bampo Опубліковано: 24 грудня 2014 Поділитись Опубліковано: 24 грудня 2014 www.stroimdom.com.ua/forum/showthread.php?t=110096&page=16 почитайте, пост 310 и вокруг. 1. да 2. 3м 3. в посте 310 фото 4. в канале плиты перекрытия цоколя, через фундамент. 5. да 6. на входе в топку есть штатная заслонка, герметично закрывающаяся, этого достаточно, топка не выхолаживается. 7. нет, если Вам не нужен холодный, сырой, заплесневелый полуподвал. 1 Посилання на коментар Поділитися на інших сайтах More sharing options...
Рекомендовані повідомлення
Створіть акаунт або увійдіть у нього для коментування
Ви маєте бути користувачем, щоб залишити коментар
Створити акаунт
Зареєструйтеся для отримання акаунта. Це просто!
Зареєструвати акаунтУвійти
Вже зареєстровані? Увійдіть тут.
Увійти зараз